СХЕМ ЛАБ РАБОТА _4 (1274909), страница 3
Текст из файла (страница 3)
4
5
6
t (нс)
Рис. 4.9. Временная диаграмма работы шестиэлементного D-триггера
Все элементы схемы триггера переключаются последовательно во времени. Время задержки переключения триггера от входа С до выхода равно трем временам задержек в логических элементах tP.
После перехода сигнала С в "0" начинается переход коммутирующих элементов триггера в исходное состояние, что также занимает время
Т
аким образом, общая задержка сигнала в триггере с динамическим управлением равна
Внешняя временная диаграмма работы D-триггера с динамическим управлением представлена на следующем рисунке.
Рис. 4.10. Временная диаграмма работы D-триггера с динамическим управлением
Замечание. Сигнал на входе D триггера не должен меняться в окрестности фронта сигнала синхронизации С. В документации на микросхемы триггеров указывается минимальное время предустановки tsetup и удержания thold сигнала на входе D относительно фронта синхроимпульса С. Схема JK-триггера с динамическим управлением работает аналогично. Промышленность выпускает большое количество микросхем триггеров с динамическим управлением. В этих триггерах обычно присутствуют входы приоритетной установки S и приоритетного сброса R.
4.2.10. Счетный Т-триггер с динамическим управлением
Т
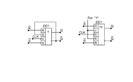
-триггер изменяет свое состояние после прихода очередного тактового сигнала. Т-триггер можно построить на основе D-триггера или JK-триггера с динамическим управлением.
а) б)
а) Т-триггер на базе D, б) ) Т-триггер на базе JK
Рис. 4.11. Схема счетного триггера на основе стандартных триггеров
Временная диаграмма работы Т-триггера приведена на следующем рисунке
Рис. 4.12. Временная диаграмма работы счетного триггера
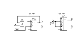
Часто требуется, что бы Т-триггер допускал внешнее управление. Внешний сигнал разрешает или запрещает переключение триггера. Т-триггер с дополнительным сигналом разрешения V называется TV-триггер (рис. 4.13).
а) б)
а) на базе D-триггера, б) на базе JK-триггера
Рис. 4.13. TV-триггер, выполненный на базе D- и JK-триггеров.
Триггер работает, если сигнал V = "1".
Понятно, что сигнал V должен оставаться неизменным в районе фронта импульсов CLK.
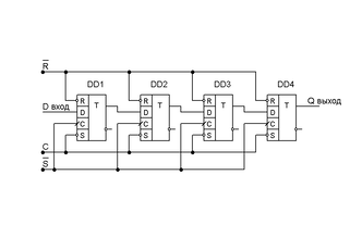
4.2.12. Двухступенчатый D-триггер, срабатывающий по спаду синхроимпульса
Схема двухступенчатого D-триггера, построенного на двух последовательно соединенных D-триггеров с синхронизацией по уровню, приведена на следующем рисунке.
а) б)
а) – схема, б) -УГО
Рис. 4.14. Двухступенчатый D-триггер и его УГО
Первый триггер DD1 является ведущим (Master). Он изменяет свое состояние в соответствии с входным сигналом D в то время, когда сигнал СLK равен 1. В это время инвертор DD2 подает на вход синхронизации второго ведомого (Slave) триггера DD3 сигнал СLK1, равный 0. Поэтому триггер DD3 закрыт и сохраняет свое предшествующее состояние.
На срезе сигнала СLK на входе схемы триггер DD1 закрывается и фиксирует последние значения входных сигналов. Чуть позже, через время задержки сигнала в инверторе DD2, ведомый триггер DD3 открывается и передает на свои выходы зафиксированные ранее сигналы.
Временная диаграмма работы двухступенчатого D-триггера представлена на следующем рисунке.
Рис. 4.15. Временная диаграмма работы двухступенчатого D-триггера
Таким образом, схема, собранная из двух последовательно соединенных прозрачных D-триггеров (защелок), является непрозрачной по входу D.
Интервал времени, предшествующий срезу сигнала CLK (tПД), является опасным. В это время сигнал на входе D не должен изменяться.
В схеме двухступенчатого D-триггера существуют два параллельных пути распространения сигнала ко второй ступени – триггеру DD3. Первый путь, это сигнал Q1, второй – сигнал CLK1. Это может привести к гонкам.
Если время задержки в инверторе DD2 превышает время задержки триггера первой ступени DD1, то может возникнуть нежелательная ситуация. Из временной диаграммы (рис. 4.15) видно, что существует время, когда сигналы CLK и CLK1 одновременно равны 1. Это время равно задержке распространения сигнала в инверторе DD2. В это время двухступенчатый триггер прозрачен. Поэтому изменение сигнала на входе D может проскочить через триггеры DD1 и DD3 на выход второй ступени триггера при малом времени задержки в DD1. В результате сигнал на выходе изменится не по срезу, а по фронту синхроимпульса CLK, что может привести к сбою цифровых узлов, подключенных к выходу двухступенчатого триггера.
Повышение надежности двухступенчатого триггера возможно только при его реализации в виде интегральной микросхемы. В этом случае время задержки распространения сигнала в инверторе уменьшают, а время задержки распространения сигнала в триггере первой ступени нормируют так, что бы оно было больше определенной величины. В результате вероятность сбоя в двухступенчатом триггере оказывается очень малой.
4.3. Регистры
Регистром называется функциональный узел, предназначенный для приема, хранения, преобразования и выдачи многоразрядных двоичных чисел.
Регистр может выполнять следующие операции:
– установка (сброс) триггеров в исходное (нулевое) состояние;
– параллельная запись двоичного числа;
– последовательная запись двоичного числа;
– хранение записанного двоичного числа;
– поразрядный сдвиг хранимого двоичного числа вправо или влево;
– последовательная или параллельная выдача хранимого числа.
4.3.1. Классификация регистров
Регистры, выпускаемые промышленностью, можно разделить:
1) По способу приема и выдачи информации на:
- параллельные (статические) регистры. Запись и считывание информации происходит в параллельном коде, слова в таких регистрах могут быть подвергнуты поразрядным логическим операциям;
- последовательные (сдвигающие) регистры. Запись и считывание информации происходит в последовательном коде, поразрядный сдвиг или влево, или вправо. В реверсивных регистрах проводится сдвиг в обоих направлениях;
- последовательно-параллельные (универсальные) регистры. Запись и считывание информации проводится как в параллельном, так и в последовательном коде, возможен сдвиг в обоих направлениях;
2) По типу каналов передачи информации:
- парафазные – информация записывается и считывается по двум парафазным входам на разряд. Для записи нового числа не требуется сброс триггеров регистров в "0";
- однофазные – запись или считывание происходит либо в прямом, либо в обратном коде;
3) По способу синхронизации:
- синхронные или с динамическим управлением;
- асинхронные или с потенциальным управлением.
4) Обозначение входов и выходов:
- информационные входы Di;
- вход сигнала управления (записи) C;
- вход сброса R;
- информационные выходы Qi ;.
-
вход сигнала разрешения выдачи информации EZ.
4.3.2. Параллельные регистры
Условное графическое отображение параллельного регистра на D-триггерах представлено на рис.4.16.
Рис. 4.16. Параллельный регистр на D-триггерах с синхронным сбросом
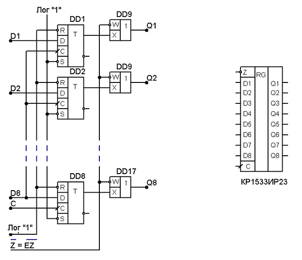
На выходах триггеров регистра могут быть установлены тристабильные буфера. Схема 8-ми разрядного параллельного регистра с входами сброса R, синхронизации С и разрешения выхода EN, собранного на D-триггерах с динамическим управлением( аналог микросхемы ИР23), приведена на рис. 4.17.
Входное 8-ми разрядное число подается на входы D1 – D8, запись числа в регистр происходит по фронту синхросигнала С. Активный сигнал на входе разрешения выхода EZ открывает буферные элементы с тремя состояниями, в результате чего записанное число появляется на выходы Q1 – Q8.
Практически по такой же схеме собран регистр типа ИР22, в котором используются D-триггера защелки с потенциальным управлением. Запись информации в этом регистре проводится по уровню синхросигнала С.
Динамические характеристики регистров по сути повторяют динамические характеристики входящих в него триггеров.
На входе регистра могут быть установлены дополнительные логические элементы, позволяющие реализовать различные логические функции, в частности ввод информации от нескольких источников.
а) б)
а) – схема регистра, б) – УГО регистра типа ИР23
Рис. 4.17. Параллельный регистр с тристабильными выходами
4.6.3. Регистры сдвига
Последовательные или сдвигающие регистры содержат цепочку триггеров, связанных цепями переноса. В сдвигающих регистрах применяются или двухступенчатые триггеры, или триггеры с синхронизацией по фронту. Типы триггеров D или JK. D-триггеры с синхронизацией по уровню (защелки) в регистрах сдвига не применяются, потому что в таких регистрах за время действия синхроимпульса происходит проскок импульса сразу через несколько разрядов. Промышленность выпускает несколько типов регистров сдвига в интегральном исполнении, например, ИР9.
Схема регистра сдвига вправо (DSR) на D-триггерах с синхронизацией по фронту приведена на рис. 4.18.
Рис. 4.18. Схема регистра сдвига вправо (DSR)
Информационный импульс поступает на D вход левого триггера DD1 и по фронту импульса синхронизации записывается в этот триггер, оказываясь тем самым на D входе второго триггера DD2. Следующий импульс синхронизации сдвигает этот импульс еще на один разряд вправо.
В
ременная диаграмма работы регистра сдвига вправо приведена на рис. 4.19.















