разд.3 (1247216)
Текст из файла
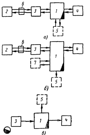
Структурная схема компоновки средств автоматизации для штамповки из непрерывного материала:
а и б — для комплексной автоматизации;
в — для комплексной механизации;
1 — технологический агрегат; 2 — ориентирующе-питающее устройство; 3 — подающее устройство; 4 — устройство для удаления отработанного материала; 5 — устройство для удаления готовых изделий (штучных); 6 — контрольное устройство; 7 — передающее устройство (для штучных деталей).
Расчетные схемы для разматывающих устройств:
а — неприводных;
б — приводного с разжимными кулачками;
в — приводного от роликов;
1 — рулон; 2 — зажимные кулачки; 3 — приводные ролики
расчетная схема для определения усилия правки Qnp
Способы разделения материала
Характеристики
Тип файла документ
Документы такого типа открываются такими программами, как Microsoft Office Word на компьютерах Windows, Apple Pages на компьютерах Mac, Open Office - бесплатная альтернатива на различных платформах, в том числе Linux. Наиболее простым и современным решением будут Google документы, так как открываются онлайн без скачивания прямо в браузере на любой платформе. Существуют российские качественные аналоги, например от Яндекса.
Будьте внимательны на мобильных устройствах, так как там используются упрощённый функционал даже в официальном приложении от Microsoft, поэтому для просмотра скачивайте PDF-версию. А если нужно редактировать файл, то используйте оригинальный файл.
Файлы такого типа обычно разбиты на страницы, а текст может быть форматированным (жирный, курсив, выбор шрифта, таблицы и т.п.), а также в него можно добавлять изображения. Формат идеально подходит для рефератов, докладов и РПЗ курсовых проектов, которые необходимо распечатать. Кстати перед печатью также сохраняйте файл в PDF, так как принтер может начудить со шрифтами.
















