ПОЯСНИТЕЛЬНАЯ ЗАПИСКА (1231388), страница 4
Текст из файла (страница 4)
Ток выпрямленный 20-ти минутного режима (с холодного состояния), А, не более………………………………………………………….………………1100
Ток выпрямленный 5-ти минутного режима (с холодного состояния), А, не более……………………………………………………………………….…1300
Количество охлаждающего воздуха, м/мин, не менее………………………...10
Температура охлаждающего воздуха, °С, не более………………...……...45
Верхнее значение температуры окружающего воздуха, °С, не более……….60
Масса, кг………………………………………………………………….…..147
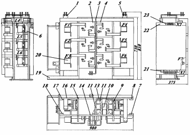
1, 3, 5 – шины; 2, 4 – блоки тиристоров; 7, 8, 14, 16, 17, 18 – изоляционные планки; 9, 13, 15 – боковые панели; 10 – силовой тиристор; 11 – охладитель; 12 – задняя стенка; 19 – сварное основание; 20 – предохранители; 21, 23 – зажимы контактные; 22 – панель управления.
Рисунок 2.1 – Выпрямительная установка возбуждения ВУВ-118
Выпрямительная установка возбуждения представляет собой двухполупериодный управляемый тиристорный выпрямитель, собранный по схеме с нулевой точкой. Каждое плечо выпрямителя состоит из трех тиристоров, включенных параллельно. На лицевой панели блока, в соответствии с рисунком 2.1 размещены съемные блоки тиристоров 2, 4. В каждом блоке находится силовой тиристор 10 с охладителем 11 и элементы для защиты тиристора от перенапряжений и помех. Блоки тиристоров одного плеча установлены в вертикальный ряд и крепятся к боковым панелям 9,13,15 каркаса блока.[7]
Каркас состоит из металлического сварного основания 19, боковых панелей 9,13,15, задней стенки 12 и изоляционных планок 7,8,14,16-18, связывающих детали каркаса. Боковые панели с задней стенкой образуют воздуховод.
Охладители расположены в воздуховоде и охлаждаются нагнетаемым воздухом. На боковых панелях 9 и 15 установлены индуктивные детали 6, слева и справа от блоков на панелях установлены предохранители 20. Тиристоры, индуктивные делители и предохранители соединены шинным монтажом. Напряжение питания подводится посредством шин 1,3,5. Усилители-формирователи импульсов управления силовыми тиристорами обоих плеч размещены на одной панели управления 22. Панель управления съемная, установлена в левой части блока, с силовой частью соединена проводным монтажом через зажимы контактные 23. Напряжение питания цепей управления подается через зажимы контактные 21.
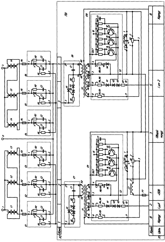
Схема электрическая принципиальная приведена в соответствии с рисунком 2.2. Силовые тиристоры V-блоков Е1-Е6 защищены от перенапряжений R-C-цепочками, состоящими из резистора R2 и конденсатора С2.
Управляющие переходы силовых тиристоров для улучшения помехозащищенности зашунтированы конденсаторами С1 блоков Е1-Е6.
Делители индуктивные L1-L6предназначены для выравнивания токов параллельно включенными тиристорами V. Резисторы R1 блоков Е1-Е6 служат для равномерного распределения импульсов тока управления между управляющими переходами силовых тиристоров V.
| Рисунок 2.2 – Выпрямительная установка возбуждения ВУВ – 118. Схема электрическая принципиальная. |
Цепочка состоящая из тиристоров VI,V2,диода V3 резистора R2,плат Е7 и Е8, предназначена для формирования необходимой крутизны переднего фронта импульсов управления силовыми тиристорами V. Усилители-формирователи импульсов представляют собой два однотипных блокинг-генератора, собранных на импульсных трансформаторах Т1 и Т2. Питание цепей-усилителей-формирователей импульсов осуществляется от цепи управления электровозом с номинальным напряжением 50 В через общий сглаживающий фильтр L7-С1-С40.
Обмотка размагничивания Н4-К4 трансформатора Т1 включена встречно первичной обмотке Н1-К1, что позволяет создать начальное смещение индукции по петле гистерезиса. Сопротивлениями резисторов R1- R3 платы Е9 в усилителе-формирователе устанавливается продолжительность цикла перемагничивания импульсного трансформатора и, соответственно, длительность выходного импульса.
Транзисторы V5-V7 платы Е9, включенные параллельно, до подачи входного управляющего импульса находятся в закрытом состоянии. После подачи импульса управления на базы транзисторов через разделительный диод V2, стабилитрон V3 и резистор R7 платы Е9, обеспечивающих необходимое входное сопротивление сигналу управления по току, транзисторы открываются и по цепям база-эммиттера потечет ток, который лавинообразно нарастает вследствие трансформации электромагнитной энергии из обмотки обратной связи Н3-К3 трансформатора Т1. Резисторы R4 - R6 платы Е9 ограничивают ток через обмотку обратной связи. Равномерность распределения коллекторных токов между транзисторами обуславливается выравнивающими резисторами R10 - R15 платы Е9. Резистор R16 и конденсатор С1 платы Е9 являются помехозащитными. Резисторы R8, R9 платы Е9 и диод V4 платы Е9 обеспечивают разряд энергии рассеивания в первичной обмотке Н1-К1 в нерабочую часть периода. Электромагнитная энергия трансформируется во вторичную обмотку Н2-К2 импульсного трансформатора Т1 и происходит накопительный заряд конденсатора С1 платы Е7, который продолжается до тех пор, пока напряжение на нем не превысит напряжения пробоя стабилитрона V2 платы Е7.После этого сигнал управления поступит на тиристор V1 платы Е7 по цепи R2-V3- V2 – управляющий переход V1-R1 платы Е7 – управляющие переходы силовых тиристоров блоков Е1-Е3. Тиристор V1 платы Е7 открывается и через него происходит лавинообразный разряд конденсатора С1 платы Е7 на управляющие переходы силовых тиристоров V блоков Е1-Е3. Тиристоры V одновременно открываются. Необходимая длительность импульса управления определяется параметрами трансформатора Т1.
Аналогично работает формирователь импульсов второго полупериода.
Защита панели управления от коротких замыканий осуществляется вставкой плавкой F7 типа ВПБС-37 на ток 3,15А.
2.2 Анализ конструкции ВУВ-118
Проведя анализ конструкции выпрямительной установки возбуждения ВУВ-118, конструктивно её можно сравнить с одним плечом выпрямительно-инверторного преобразователя ВИП. Исходя из этого для составления карты технологического процесса можно воспользоваться ремонтными работами применяемыми на ВИП. Для диагностирования неисправностей выпрямительной установки, возможно использование диагностических комплексов применяемых для ВИП.
В качестве новых технологий ремонта, применим современные диагностические комплексы и приборы для выявления неисправностей выпрямительной установки.
3 РАСЧЁТ КОНТИНГЕНТА И ПРОГРАММЫ ДЛЯ УЧАСТКА РЕМОНТА ВУВ В ОБЪЁМЕ ТР1-ТР3
3.1 Расчёт фондов рабочего времени
Расчёт фондов рабочего времени производится в соответствии с трудовым законодательством Российской Федерации.
Календарный фонд рабочего времени:
| |
где Фк – календарный фонд времени, ч;
– число календарных дней в году, 365;
tк – число календарных часов в сутки, 24.
Действительный (номинальный) фонд рабочего времени исполнителя:
| |
где
– фонд рабочего времени исполнителя, ч;
– число календарных дней в году, 365 дней;
– число выходных и праздничных дней в году, 125 дней;
– число предпраздничных дней в году, 5 дней;
ts – продолжительность смены в рабочий день, 12 часов;
– продолжительность смены в предвыходные и предпраздничные дни, 12 часов.
часов.
Действительный фонд рабочего времени оборудования:
| |
где
– фонд рабочего времени оборудования, ч;
s – количество смен,1 смена.
часов.
Фонд времени пребывания оборудования в плановых ремонтах и на техническом обслуживании:
| |
где – коэффициент, учитывающий затраты времени на производство планового ремонта оборудования, =3%.
| Результаты расчётов фондов рабочего времени представлены в таблице 3.1 Таблица 3.1 – Фонды рабочего времени Условное обозначение Наименование показателей Размер-ность Численное значение показателя 1 2 3 4 s Число рабочих смен в сутки смена 1 ts Продолжительность с ены в рабочие дни ч 12 Продолжительность смены в предвыходные и в предпраздничные дни ч 12 Число календарных дней в году дни 365 Число выход ых и праздничных дней в году дни 125 Окончание таблицы 3.1 1 2 3 4 Число предвыходных и предпраздничных дней в году Дни 5 Фк Календарный фонд рабочего времени ч 8760 Фонд рабочего времени исполнителя ч 2880
Фонд рабочего времени оборудования ч 2880 Фонд времени пребывания оборудования в плановых ремонтах ч 86,4 Фонд рабочего времени цеха ч 2793,6 |
3.2 Определение производственной программы цеха
Расчёт производственной программы производится исходя их количества ремонтируемых узлов на электровозе.
Годовая программа ремонта агрегата для линейных предприятий:
| |
где Pлз – программа ремонта для линейных предприятий;
– процент ремонта локомотивов для линейных предприятий, по заданию =10%;
, (3.1)
, (3.2)
, (3.3)
, (3.4)
.
(3.5)













