ПЗ (1230311)
Текст из файла
Министерство транспорта Российской Федерации
Федеральное агентство железнодорожного транспорта
ФЕДЕРАЛЬНОЕ ГОСУДАРСТВЕННОЕ БЮДЖЕТНОЕ ОБРАЗОВАТЕЛЬНОЕ УЧРЕЖДЕНИЕ ВЫСШЕГО ОБРАЗОВАНИЯ
«ДАЛЬНЕВОСТОЧНЫЙ ГОСУДАРСТВЕННЫЙ
УНИВЕРСИТЕТ ПУТЕЙ СООБЩЕНИЯ»
Кафедра «Локомотивы»
К ЗАЩИТЕ ДОПУСТИТЬ
Заведующий кафедрой
__________А.К. Пляскин
«____»________20___г.
РАЗРАБОТКА МОДЕЛИ СИСТЕМЫ АВТОМАТИЧЕСКОГО РЕГУЛИРОВАНИЯ ТОКА ДВИГАТЕЛЯ В СРЕДЕ LABVIEW
Пояснительная записка к дипломному проекту
ДП 190301.65.К13-Л-133в.ПЗ
Студент ИИФО П.А. Ребров
Консультант по безопасности
жизнедеятельности
(профессор, д.т.н., профессор) В.Д. Катин
Консультант по экономике
(доцент, к.э.н., доцент) О.Б. Лазарева
Руководитель
(преподаватель) С.А. Шухарев
Нормоконтроль
(доцент, к.т.н.) Ю.С. Кабалык
Хабаровск – 2016
A
BSTRACT
This project is developing a model system of automatic control of the motor current in the LabVIEW environment, and analyzes the results obtained characteristics. The analysis of the existing motor control circuits of electric rolling stock. We consider the power circuit of an electric motor car. It creates an interconnected model of LabVIEW - Multisim. Taken into account safety in the maintenance of automatic control systems, engine power, and general characteristics of indicators to measure the cost-effectiveness of technical solutions.
СОДЕРЖАНИЕ
| ВВЕДЕНИЕ…………………………………………………….……….………. | 7 | |
| 1 АНАЛИЗ СХЕМ УПРАВЛЕНИЯ ЭЛЕКТРОПРИВОДОМ ЭЛЕКТРОПОДВИЖНОГО СОСТАВА….………………………………….. | 8 | |
| 1.1 Силовая схема моторного вагона электропоезда переменного тока....... | 8 | |
| 1.2 Схема включения тяговых электродвигателей моторного вагона электропоезда ЭР9МК….…………………………………………….........……… | 10 | |
| 1.3 Выпрямительная установка моторного вагона электропоезда ЭР9МК.. | 12 | |
| 1.4 Сглаживание пульсаций выпрямленного тока…………….…………..... | 15 | |
| 1.5 Внешние характеристики преобразовательной установки…………...... | 19 | |
| 1.6 Функциональная схема системы автоматического управления электровоза в режиме тяги………………….…………………………………...... | 22 | |
| 2 СОЗДАНИЕ ВЗАИМОСВЯЗАННОЙ МОДЕЛИ LABVIEW – MULTISIM…………………………………………………….……….……….. | 30 | |
| 2.1 Средства математического моделирования…………............................... | 30 | |
| 2.2 Элементы цифровой системы автоматического регулирования тока… | 37 | |
| 3 ПОСТРОЕНИЕ СИСТЕМЫ АВТОМАТИЧЕСКОГО РЕГУЛИРОВАНИЯ ТОКА ДВИГАТЕЛЯ………………………………….. | 49 | |
| 3.1 Задающий элемент…………………….…………………………………. | 51 | |
| 3.2 Элемент сравнения…………………….………………………………… | 51 | |
| 3.3 Регулятор тока……………………………………………………………. | 52 | |
| 3.4 Узел синхронизации с сетью……………….……………………………. | 54 | |
| 3.5 Узел фазового управления……………………………………………….. | 54 | |
| 3.6 Генератор изменяющегося кода……………………………………….… | 55 | |
| 3.7 Исполнительный элемент……………………………………………...… | 56 | |
| 3.8 Чувствительный элемент………………………………………………… | 57 | |
| 3.9 Объект регулирования…………………………………………………… | 58 | |
| 4 АНАЛИЗ РЕЗУЛЬТАТОВ И ПОЛУЧЕНИЕ ХАРАКТЕРИСТИК….…... | 60 | |
| 4.1 Анализ работы системы автоматического регулирования тока двигателя ………………………………………………………………...…………. | 62 | |
| 4.2 Определение показателей качества регулирования по переходной характеристике ……………………………………………………………….… | 66 | |
| 5 БЕЗОПАСНОСТЬ ТРУДА ПРИ ОБСЛУЖИВАНИИ СИСТЕМ АВТОМАТИЧЕСКОГО РЕГУЛИРОВАНИЯ ТОКА ДВИГАТЕЛЕЙ….... | 71 | |
| 5.1 Анализ технологии работ при обслуживании и ремонте оборудования ………………….……………………………………………………..……...... | 72 | |
| 5.2 Обеспечение безопасности труда перед началом работы…..…………. | 75 | |
| 5.3 Обеспечение безопасности труда во время работы……………………. | 76 | |
| 5.4 Обеспечение безопасности труда в аварийных ситуациях……………. | 78 | |
| 5.5 Обеспечение безопасности труда по окончании работ…..……………. | 79 | |
| 5.6 Средства индивидуальной защиты работников…………..……………. | 80 | |
| 6 ОБЩАЯ ХАРАКТЕРИСТИКА ПОКАЗАТЕЛЕЙ ОЦЕНКИ ЭКОНОМИЧЕСКОЙ ЭФФЕКТИВНОСТИ ТЕХНИЧЕСКИХ РЕШЕНИЙ……………………………………………………………………... | 82 | |
| 6.1 Экономическая оценка эффективности внедрения новой техники и инновационных технологий производства……………………………….… | 83 | |
| 6.2 Показатели общей экономической эффективности инвестиций………. | 85 | |
| ЗАКЛЮЧЕНИЕ………………………………………………………………... | 92 | |
| Список использованных источников………………………………….......... | 93 | |
| Список сокращений и терминов……………………………………………... | 95 | |
| Уменьшенные копии демонстрационных листов………………………….. | 97 | |
ВВЕДЕНИЕ
Большинству специалистов в области электротехники и электромеханики приходится сталкиваться с устройствами и системами автоматического регулирования. Поэтому для инженера естественным является желание освоить эту область техники, начиная с технической литературы, заканчивая собственными разработками систем, исследованием особенностей их характеристик, математическим описанием, моделированием процессов.
Развитие персональной вычислительной техники за последнее время существенно обогатили возможности инженеров пользоваться достижениями теории автоматического регулирования. Создалась ситуация, в которой нет необходимости решать в общем виде сложные и громоздкие системы дифференциальных уравнений. Специалисту достаточно приблизительно математически описать предполагаемую к разработке систему, сделать программу и получить за сравнительно короткое время множество кривых переходных процессов, дающих представление о поведении создаваемой системы, о влиянии различных параметров на качество регулирования. Главное – не надо тратить время и интеллектуальные силы на решение чисто математических задач. Такой облегченный подход в каких-то особо сложных ситуациях может не дать очевидного результата, но в большинстве достаточно простых решений, безусловно, лучше просто интуитивных способов.
В данной работе рассматривается распространенная в электротехнике система автоматического регулирования тока двигателя, ее математическое описание и результаты моделирования при помощи среды графического инженерного программирования – программного продукта компании NI LabVIEW.
1 АНАЛИЗ СХЕМ УПРАВЛЕНИЯ ЭЛЕКТРОПРИВОДОМ ЭЛЕКТРОПОДВИЖНОГО СОСТАВА
Основная особенность электроподвижного состава переменного тока по сравнению с электроподвижным составом постоянного тока заключается в применении полупроводниковой выпрямительной установки. Выпрямительная установка преобразует однофазный переменный ток промышленной частоты в постоянный (пульсирующий), что позволяет применять обычные коллекторные тяговые двигатели постоянного тока с последовательным возбуждением. Это положительно сказывается на тяговых характеристиках. Напряжение из контактной сети подается на первичную обмотку тягового трансформатора, где уменьшается до величины, наиболее выгодной для работы тяговых двигателей.
Управляемые кремниевые вентили (тиристоры) выпрямительной установки открывают перспективу дальнейшего совершенствования электроподвижного состава переменного тока: создание бесколлекторных тяговых двигателей, применение реостатного и рекуперативного торможения, использование более совершенных систем управления.
1.1 Силовая схема моторного вагона электропоезда переменного тока
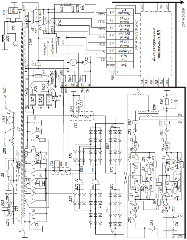
В силовую схему моторного вагона электропоезда переменного тока входят: тяговый (главный) трансформатор ГТ, главный контроллер позиций ГК, полупроводниковая выпрямительная установка ВК1–ВК4, тяговые двигатели М1–М4, сглаживающий реактор СР, линейные контакторы ЛК1 и ЛК2, резисторы и другие аппараты [15].
Переменный ток напряжением 25 кВ из контактной сети подается на токоприемник Т, далее через дроссель защиты от радиопомех ДР на воздушный высоковольтный выключатель ВВ (рисунок 1.1).
Рисунок 1.1 – Схема силовых цепей моторного вагона электропоезда переменного тока
От воздушного высоковольтного выключателя ВВ переменный ток подается на обмотку высшего напряжения А–Х тягового трансформатора. Второй конец обмотки высшего напряжения заземлен посредством щеточного заземляющего устройства, расположенного на оси колесной пары.
Для исключения попадания высокого напряжения на низковольтные цепи и предохранения электрооборудования, при обрыве цепи щеток заземляющего устройства имеется второе соединение обмотки трансформатора с корпусом вагона через дроссель заземления ДЗТ. При нормальной работе щеток заземляющего устройства ток обмотки высокого напряжения идет через заземляющее устройство, так как оно по сравнению с дросселем заземления трансформатора имеет меньшее сопротивление. Падение напряжения на дросселе заземления трансформатора составляет 18–20 В при токе обмотки высокого напряжения главного трансформатора 40–80 А.
Тяговая обмотка главного трансформатора низшего напряжения состоит из восьми секций соединенных последовательно и равных по напряжению. Обмотка низшего напряжения имеет девять выводов 0–8. Средняя точка тяговой обмотки заземлена через обмотку реле заземления РЗ и резистор Р17. Этот резистор предназначен для ограничения тока при замыкании силовой цепи на землю. Общее сопротивление заземляющей цепи около 5 Ом.
Вследствие переброса на корпус и других нарушений изоляции при аварийном замыкании силовой цепи на «землю» реле заземления срабатывает и отключает быстродействующий главный высоковольтный выключатель ВВ, при этом прекращается подача тока высокого напряжения на первичную обмотку главного трансформатора. Это необходимо для исключения возможности образования двух заземлений в силовой цепи.
1.2 Схема включения тяговых электродвигателей моторного вагона электропоезда ЭР9МК
Для питания тяговых электродвигателей постоянным током к обмотке низшего напряжения трансформатора через контакты 1–10 силового контроллера подключена выпрямительная установка по однофазной мостовой схеме. Выпрямительная установка состоит из четырех групп кремниевых вентилей ВК1–ВК4. Два плеча моста ВК1 и ВК2 имеют так называемую расщепленную часть, в которую включены вентили перехода ВП1–ВП4.
Расщепленные плечи моста соединены со сборными шинами четных и нечетных контакторов 1–10. Эти контакторы подключены к выводам секций обмотки низшего напряжения главного трансформатора.
Со стороны переменного тока нерасщепленная часть выпрямленного моста постоянно соединена с крайним выводом обмотки 8 трансформатора. В плечах выпрямленного моста осуществлена схема бестокового переключения контакторов силового контроллера благодаря наличию вентилей перехода. При этом отпадает необходимость устанавливать дугогасительные устройства контакторов силового контроллера и преходные реакторы.
К выпрямительной установке подключены 4 тяговых электродвигателя М1–М4, соединенные в две параллельные группы по два электродвигателя последовательно (рисунок 1.1). Включение тяговых двигателей осуществляется двумя линейными контакторами ЛК1 и ЛК2.
Контакты линейного контактора ЛК2 включены так, что исключает образование тормозного контура, который может возникнуть в результате возникновения генераторного тока при движении моторного вагона с отключенными тяговыми двигателями. Контакты линейного контактора ЛК1 подключаются последовательно для облегчения гашения дуги при разрыве общего тока двух групп тяговых электродвигателей.
Характеристики
Тип файла документ
Документы такого типа открываются такими программами, как Microsoft Office Word на компьютерах Windows, Apple Pages на компьютерах Mac, Open Office - бесплатная альтернатива на различных платформах, в том числе Linux. Наиболее простым и современным решением будут Google документы, так как открываются онлайн без скачивания прямо в браузере на любой платформе. Существуют российские качественные аналоги, например от Яндекса.
Будьте внимательны на мобильных устройствах, так как там используются упрощённый функционал даже в официальном приложении от Microsoft, поэтому для просмотра скачивайте PDF-версию. А если нужно редактировать файл, то используйте оригинальный файл.
Файлы такого типа обычно разбиты на страницы, а текст может быть форматированным (жирный, курсив, выбор шрифта, таблицы и т.п.), а также в него можно добавлять изображения. Формат идеально подходит для рефератов, докладов и РПЗ курсовых проектов, которые необходимо распечатать. Кстати перед печатью также сохраняйте файл в PDF, так как принтер может начудить со шрифтами.
















