Пояснительная записка МурашкинаС.Н. (1223293), страница 8
Текст из файла (страница 8)
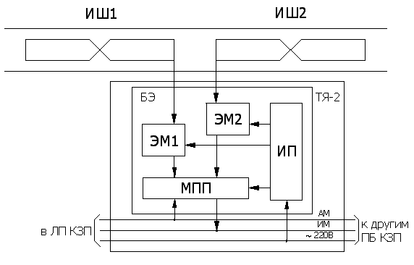
Конструктивно индуктивно-проводной датчик состоит из путевого индуктивного шлейфа (ИШ), электронного модуля (ЭМ), устанавливаемого в электронный блок (БЭ), и линий связи. Два ИПД располагаются в путевом блоке (ПБ) непосредственно у рельсового пути (Рисунок 2.9).
Рисунок 2.6 - Структурная схема ИПД
В свою очередь, электронный блок состоит из задающего генератора, содержащего LC-контур, согласующего каскада, компаратора напряжения, являющегося одновременно формирователем прямоугольных импульсов, выходных каскадов, разделительного трансформатора, источника питания. Путевые устройства ИПД, кроме петли путевого шлейфа, содержат межрельсовые переходы для укладки кабеля петли, а также промежуточные концевые захваты для фиксации кабеля относительно рельса.
Протяженность элементарного участка контроля в зоне сортировочных путей определяется требуемой точностью измерения расстояний от основной или дополнительной парковой тормозной позиции до последнего вагона на сортировочном пути, а также между стоящими или движущимися группами вагонов в случае измерения "окон".
Опыт использования существующих устройств КЗП показал, что для практических целей достаточна точность определения длины свободного пробега отцепов, обеспечивающая величину погрешности равной средней длине одного вагона (14 м), то есть длина элементарного участка контроля не должна превышать величины 28 м.
При использовании ИПД в качестве первичных напольных датчиков контроля свободности элементарных участков сортировочного пути, длину последних принимаем равной 25 м. Дальнейшее уменьшение длины контролируемых участков приводит к удорожанию устройств КЗП, повышению эксплуатационных расходов на их содержание и обслуживание, усложнению устройств обработки информации. Структурная схема КЗП ИПД представлена листе 6.
Контролируемый путь разбивается на участки, оснащенные ИШ длиной 22 м, с расстояниями между участками 3 м. Два соседних участка пути контролируются одним путевым датчиком. Каждому ПД присваивается свой адрес. Путевым датчикам нечетного пути присваиваются адреса включительно с 1-го по 9-ый, а путевым датчикам четного пути присваиваются включительно адреса с 10-го по 18-ый. Отсчет ведется от парковой тормозной позиции. Входы путевых датчиков обоих путей (четного и нечетного) подключены к одной адресной магистрали (АМ). Выходы датчиков, контролирующих нечетные участки этих путей, подключены к нечетным информационным магистралям. Выходы датчиков, контролирующих четные участки двух путей, подключены к четным информационным магистралям.
Работа КЗП осуществляется следующим образом. На входы датчиков по адресным магистралям (АМ) из формирователя информации ФИ линейного пункта КЗП поступает запрос в виде кодовой посылки, содержащей адрес датчика. Если адрес датчика совпадает с кодом запроса, то его выходы подключаются к соответствующим информационным магистралям (ИМ1 - ИМ24). Выходные сигналы одноименных датчиков, содержащие информацию о состоянии контрольных участков путей, по информационным магистралям передаются в ФИ линейного пункта КЗП. В линейном пункте КЗП формируется кодовая посылка, содержащая код адреса опрашиваемой группы одноименных датчиков и информацию о состоянии контролируемых ими участков. Кодовая посылка по информационной магистрали (ИМ) в биполярном последовательном коде передается в центральный пост КЗП. В ФИ, тем временем, формируется новый запрос с адресом датчика на единицу больше предыдущего и опрашивается следующая группа ПД. Информация от этих датчиков передается по информационным магистралям в ФИ линейного пункта КЗП, а оттуда на входы контроллера КЗП. После опроса датчиков с адресом «18» ФИ начинает новый цикл опроса с адреса «1». Время опроса всех датчиков КЗП составляет 1,3 с. На мониторе контроллера КЗП осуществляется отображение информации о состоянии контролируемых участков сортировочных путей. Наряду с индикацией состояния сортировочных путей осуществляется передача этой информации во внешние вычислительные устройства центрального поста КЗП.
К достоинствам КЗП с применением ИПД следует отнести:
-
простоту конструкции и относительно низкую стоимость оборудования;
-
независимость от погодных условий;
-
отсутствие ограничений на размещение оборудования по условиям габарита;
-
обеспечение требований CЦБ по условиям безопасности движения;
-
непрерывность процесса контроля присутствия вагонов на контролируемом участке.
2.2.8 Весомеры
Весомеры необходимы для того чтобы регулировать скорости скатывания отцепов с определением ступени торможения отцепов, въезжающих на замедлители.
Весомер находится на пути перед верхней тормозной позицией. Наибольшее распространение получили два типа весомеров. Первый — механический, представляющий собой рельсовую вставку длиной около 3,5 м, в средней части которой срезана часть головки рельса, а в полученном пазу установлен мостик — силоизмерительная пружина из закаленной рессорной стали.
На рельсовой вставке укреплена контактная коробка, в которой размещены шесть пар контактных пружин. Мост и контактный рычаг связаны между собой подвижным рычагом. При въезде колесной пары вагона на рельсовую вставку весомера мостик прогибается и приводит в действие нажимной рычаг, приводящий в движение контактный со связанными с ним контактами. Перемещаясь, рычаг последовательно включает контактные группы, каждая из которых откалибрована на соответствующую весовую категорию: Л (легкая), ЛС (легко-средняя), С (средняя) и СТ (среднетяжелая), Т (тяжелая), ОТ (очень тяжелая). Замыканием одной или нескольких контактных групп выдается электрический сигнал о соответствующей весовой категории.
Второй тип весомеров носит название тензометрический. Он включает тензометрический датчик, устанавливаемый на специально подготовленной рельсовой вставке длиной 5—6 м, укладываемой на специальной металлической платформе, прикрепленной к шпалам. Вторичный преобразователь датчика, осуществляющий преобразование сигнала в величину, пропорциональную массе вагона, для передачи его на горочный пост, размещается в путевом ящике около рельса и соединяется с датчиком кабелем.
Принцип действия датчика основан на измерении упругой деформации шейки рельса под действием нагрузки от колес подвижного состава. Чувствительным элементом датчика служит тензорезистор, преобразующий деформацию рельса от воздействия силы тяжести вагона в электрический сигнал и передающий этот сигнал на пост [11].
2.2.9 Горочные светофоры
Горочные светофоры Г1 и Г2 устанавливаются в районе вершины горки. Показания горочного светофора:
-
один зеленый огонь — "Разрешается надвиг вагонов с установленной скоростью";
-
один желтый огонь — "Разрешается надвиг вагонов с уменьшенной скоростью";
-
один красный огонь — "Стой!";
-
буква "Н" на световом указателе белого цвета, горящая одновременно с красным огнем, — "Осадить вагоны с горки".
Маневровые передвижения на спускной части горки регулируются дополнительно лунно-белыми огнями, устанавливаемыми на горочных светофоров.
В тех случаях, когда видимость сигналов горочного светофора не обеспечивается, могут устанавливаться повторительные светофоры. Повторительные светофоры должны сигнализировать теми же огнями, что и основной горочный светофор.
Для разрешения подачи составов до горочного светофора на путях парка приема, а также для сигнализации на подгорочных путях применяются маневровые светофоры.
Все показания светофоров определяются контроллером вершины горки и автоматически передаются на светофоры. Перейти на управление светофорами оператор может только в ручном режиме и с помощью кнопок переключать огни светофоров.
2.2.10 Скоростемеры
В основу работы РИС-В3М положен эффект Доплера, заключающийся в сдвиге частоты сигнала в зависимости от относительного движения источника и приемника.
Рисунок 2.8 – Функциональная схема радиолокационного индикатора скорости
Генерируемый приёмно-передающим модулем (ППМ) СВЧ-сигнал, излучается антенной в направлении движущегося объекта и этой же антенной принимается отраженный от объекта сигнал. Доплеровская частота выделяется ППМ и в виде гармонических колебаний поступает в блок обработки, где усиливается, фильтруется, преобразуется в цифровой вид, обрабатывается в цифровом виде, а затем вновь преобразуется в аналоговый вид и поступает на выход РИС-В3М.
Передачу и приём СВЧ - радиосигнала частотой 37,5 ГГц осуществляет ППМ (5) в составе генератора СВЧ - сигнала (3), смесителя (4) и развязывающего модуля (2).
Входным сигналом РИС-В3М является отражённый от отцепа и принятый антенной СВЧ – сигнал. Выходной сигнал РИС-В3М формируется на выходах усилителей 7 и 8 в виде двух импульсных частотных сигналов F1 и F2.
Входной доплеровский сигнал поступает в усилитель - фильтр (6), который осуществляет усиление и фильтрацию сигнала. Затем этот усиленный сигнал поступает в кодек 9, совмещающий АЦП и ЦАП, где преобразуется в цифровой вид – шестнадцатиразрядный двоичный код. В качестве кодека применена микросхема AD73311. Полученный таким образом сигнал в виде кода поступает в сигнальный процессор 13 (реализованный на микросхеме ADSP-2181) и преобразовывается. Максимальное время преобразования не превышает 10 мс. Преобразование доплеровского сигнала позволяет использовать максимальное количество полезной информации о сигнале и минимизировать действие помех.
Реализованные алгоритмы обнаружения и распознавания сигналов обеспечивают высокую точность и помехоустойчивость оценки доплеровской частоты. Алгоритмы обработки доплеровского сигнала в процессоре включают в себя пороговое обнаружение спектральных составляющих сигнала с максимальной амплитудой в заданном частотном диапазоне на фоне усредненной величины шума.
2.2.11 Вагонные замедлители
Замедлители КЗ выпускаются трех и пятизвенные — КЗ-3 и КЗ-5. Данный замедлитель представляет собой балочное тормозное устройство, которое устанавливается на путях сортировочных горок для снижения скорости движущихся вагонов. По принципу действия относится к нажимным тормозным устройствам с пневматическим приводом.
Шины на тормозных балках выполнены из износостойкой стали и являются основным тормозным элементом замедлителя. При износе более 30 мм шины подлежат замене.
Секции замедлителя представляют собой рычажную систему с общей осью. Тормозное усилие от пневматических цилиндров передается равномерно через рычажную систему на шины тормозных балок и далее на обе стороны колеса тормозимого вагона. Пружинный механизм приводной секции представляет собой систему пружин, служащих для одновременного подвода тормозных шин замедлителя к колесам вагона, а также для безударного возвращения рычагов приводной секции в исходное положение. При заторможенном положении пружинный механизм обеспечивает необходимое расстояние между тормозными шинами и головками рельса.
Пневматический цилиндр представляет собой исполнительный механизм, который преобразует энергию сжатого воздуха в поступательное движение и через систему рычагов приводной секции в тормозные усилия шин замедлителя.
При въезде вагона на замедлитель оператор включает требуемую ступень торможения в зависимости от веса вагона, скорости его движения и наличия подвижного состава на сортировочном пути, на который следует отцеп. Сигнал от пульта управления поступает на реле давления управляющей аппаратуры ВУПЗ-72. Реле, в свою очередь, подает воздух из пневмосети в пневмоцилиндры под давлением, соответствующим выбранной ступени. Соответствующее ступени торможения усилие от пневмоцилиндров через рычажные системы приводных секций передается тормозным балкам как снаружи, так и внутри колеи, что приводит к одновременному соприкосновению тормозных шин с колесом вагона.
При снятии давления воздуха тормозная система возвращается в исходное положение под действием собственного веса и пружинного механизма.
















