ПЗ (1219941), страница 7
Текст из файла (страница 7)
Определяем общие потери
.
2.4.8 Расчет к.п.д. гидросистемы
Общий к.п.д. гидропривода определяется по формуле
(2.34)
где об − объемный к.п.д.; мех − механический к.п.д.; r − гидравлический к.п.д.
Объемный к.п.д. находится по формуле
(2.35)
где об н, об р, об гд − объемный к.п.д., соответственно насоса, распределителей, гидродвигателей
Объемный к.п.д. гидроцилиндров и распределителей принимаем равным 1, так как внутренние утечки пренебрежительно малы по сравнению с подачей насоса.
Объемный к.п.д. гидронасоса берем из таблицы 2,2: об н=0,96,
Механический к.п.д. определим по формуле
, (2.36)
где мех н, мех р, мех гд − механический к.п.д., соответственно насоса, распределителей, гидродвигателей
В соответствии с рекомендациями принимаем мех н=0,92; мех р=1;
мех гд=0,95
Гидравлический к.п.д. определим по формуле
(2.37)
где Рном – номинальное давление в гидроприводе, МПа;
р – общие потери давления в гидросистеме, МПа
Определяем общий к.п.д. гидропривода
Общий к.п.д. гидросистемы определится по формуле
(2.38)
где Ncpпол – средняя полезная мощность привода, кВт; Nnp – приводная мощность насоса, кВт
2.4.9 Расчет и выбор силовых гидроцилиндров
Расчет параметров гидроцилиндрв
Рисунок 2.6 – Расчетная схема гидроцилиндров
Расчет производим при втягивании штока, так как в этом случае нагрузка на шток наибольшая.
(2.39)
где Ti – усилие на штоке при втягивании, Н; D – диаметр поршня гидроцилиндра, м; d – диаметр штока гидроцилиндра, м; Рном – номинальное давление в гидроприводе, МПа; рн – потери в напорной магистрали, МПа, рн=0,09595744 МПа; рс – потери в сливной магистрали, МПа, рс=0,02035341 МПа; рдр – потери в дросселе, МПа (первоначально принимаем
др=0,3МПа)
Предварительно в расчетах принимаем D=2d.
Тогда после соответствующих преобразований получим
Выражаем d из полученного уравнения:
В соответствии с ГОСТ 12447-80 принимаем d=90 мм; тогда D=180 мм
Определим потребный расход жидкости:
(2.40)
где Qвыдв – потребный расход жидкости при выдвижении штока, м3/c;
выдв – скорость выдвижения штока, м/с; общ – общий к.п.д. гидропривода
(2.41)
где Qвтяг – потребный расход жидкости при втягивании штока, м/с
втяг – скорость втягивания штока, м/с
Определим потери рдр3:
При втягивании штока нагрузка составляет T2=88,28 кН. Составим уравнение:
(2.42)
Подставляя значения, найдем потери рдр3
2.5 Работы по уплотнению грунтового основания
После снятия гумусного слоя отрывается котлован для размещения строительной площадки. Глубина котлована выбирается проектировщиком на основании данных изыскательских работ. Целесообразно принимать глубину котлована:
Тк = НП - 5, м, (2.42)
где Нп − толщина просадочного слоя грунта. Вынутый из котлована грунт складируется в бурты на строительной площадке в непосредственной близости от бортов котлована.
Основание котлована планируется бульдозером с целью формирования строительной площадки в соответствии с требованиями СНиП.
С целью определения мест расположения будущих вытрамбованных котлованов выполняется разметка строительной площадки. Поверхность площадки покрывается ромбической сеткой (рисунок 2.7) со стороной 1,8 м. В каждом узле указанной сетки должны располагаться оси вытрамбованных котлованов. Одновременно каждый котлован располагается в параллельном продольной стороне строительной площадки ряду с шагом 3 м. Расстояние между указанными рядами в поперечном направлении равно 0,9 м.
Агрегат трамбования перемещается вдоль строительной площадки и, останавливаясь через каждые 1,5 м, формирует позади себя обработанную полосу грунта шириной 3 м, включающую пять вытрамбованных в полный профиль продольных рядов котлованов. Двигающийся за Агрегатом бульдозер полностью засыпает вытрамбованные котлованы грунтом, ранее складированным на строительной площадке. Совершая ход в обратном направлении, Агрегат повторно трамбует засыпанные котлованы, образуя в грунте выемки, составляющие 70 % от полного профиля. Эти выемки снова заполняются грунтом и затем третий раз вытрамбовываются на 30 % от полного профиля. После очередной засыпки и последующей четвёртой трамбовки выемок на 10 % профиля производится окончательная засыпка котлованов и их подтрамбовка пятью ударами. Затем выполняется планирование уплотнённого грунта бульдозером. В зависимости от состояния исходного грунтового массива производится от 4 до 6 актов повторного трамбования котлованов. В ходе подобного трамбования из котлована в окружающий массив вытесняется объём грунта равный двум объёмам трамбующей оболочки. После уплотнения грунта отсыпается дренажный слой щебня толщиной 100 мм, на котором впоследствии укладываются фундаментные блоки или отливается железобетонная плита, выполняющая роль фундамента строящегося здания.
Рисунок 2.8 − Ромбическая сетка поверхности площадки
Для размещения девятиэтажного шестиподъездного жилого дома требуется вытрамбовать площадку длиной 126 м и шириной 15 м. При размещении котлованов по узлам ромбической сетки со стороной 1.8 м на данной площадке необходимо вытрамбовать
N к =126/1,5 * 15/1,8 = 700 котлованов.
Средняя величина погружения трамбующей оболочки в грунт за один удар составляет 20 мм.
Тогда необходимое количество ударов для образования выемки полного профиля (первый подход) составит
N1 =H/S =3/0,02= 150 ударов,
где Н = 3 м − глубина трамбования, S = 0,02 м − осадка трамбующей оболочки за один удар.
Для выемки составляющей 70 % полного профиля (второй подход)
N2 =0,7H/S=(0,7*3)/0,02= 105 ударов.
Для выемки составляющей 30 % полного профиля (третий подход):
N3= 0,3H/S=(0,3*3)/0,02=45 ударов.
Для подтрамбовки котлована (четвёртый подход)
N4 =0,1H / S=(0,1*3)/0,02= 15 ударов.
Количество переездов Агрегата на один шаг длиной h = 1,5 м во время трамбования грунта можно определить по выражению
NП=(4*2Nk)/5=(4*2*700)/5=1120 (2.43)
Машинное время трамбования котлованов
T=(Nk*(N1+...N4))/f+NП*tП , мин, (2.43)
где f = 20 ударов/мин − рабочая частота молота; tП = 1 мин − время переезда и установки Агрегата в рабочую позицию.
После подстановки в представленное выражение числовых значений получаем
Т = (700*(150 +105 + 45 +15))/20 + 1120*1 = 12 145 мин,
T = 12 145 / 60 = 202,4 часа.
Принимая коэффициент полезного использования рабочего времени к1 = 0,9 и время, затраченное на ремонт и обслуживание оборудования, Тр = 0,1Т, окончательно получаем
Т` = (Т + 0,1*Т)0,9 = (202,4 + 0,1*202,4)/0,9 = 247,3 часа,
Т` = 247,3 / 8 = 30,9 смены ~ 1 месяц.
Наиболее перспективным методом возведения без свайных оснований зданий являются фундаменты мелкого заложения с предварительным уплотнением просадочных грунтов на глубину 5 метров оборудованием для глубокого трамбования грунта.
Агрегат для глубокого трамбования уплотняет грунт, образуя группу котлованов заданной формы с целью устройства столбчато - ленточных фундаментов. Полученные котлованы заполняются либо грунтом, либо другим материалом (песком, щебнем и т.п.) с последующим утрамбовыванием той же машиной, образуя уплотненное грунтовое основание с высокими прочностными и деформационными характеристиками, способное нести нагрузку от 10-ти и более этажных сооружений.
3 Технологическая часть
3.1 Описание конструкции и назначение детали
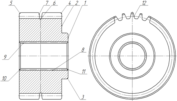
Звездочка зубчатой цепи предназначена для передачи крутящего момента на вал вибровозбудителя вибромолота оборудования для глубокого трамбования грунта. Ниже приведем расчет режимов механической обработки звездочки. В качестве заготовки, для получения данной детали, выбираем круг горячекатаный из стали 40 Х по ГОСТ 2590-2006.
Рисунок 3.1 – Схема нумерации поверхностей
Производство единичное. Основными рабочими поверхностями являются поверхности 9и 12, остальные не являются рабочими, а образуют форму детали.
Размеры, необходимые для изготовления шестерни представлены на рисунке 3.2.
Рисунок 3.2 – Размеры шестерни
3.2 Маршрутизация технологического процесса изготовления звездочки
Последовательность изготовления детали:
1. Резка проката;
2. Фрезерование поверхностей 1 (с двух сторон);
3. Черновое точение поверхности 2;
4. Чистовое точение поверхности 2;















