ПЗ (1219941), страница 6
Текст из файла (страница 6)
Таблица 2.7 – Техническая характеристика масла МГЕ-46В
| Марка масла | Плотность при 200С, кг/м3 | Вязкость 106 м2/с | Температура 0С | Температурные пределы применения, 0С | Условия применения. | |
| При 400С | застывания | вспышки | ||||
| МГЕ-46В | 890 | 41,4-50,6 | -32 | 190 | -10…+80 | При положительных температурах |
2.4.4 Расчет мощности и производительности насосов
Номинальная приводная мощность гидронасоса определяется по формуле
, (2.23)
где К1 – коэффициент запаса по усилию, K1=l,15; К2 – коэффициент запаса по скорости, K2=1,2;
В соответствии с полученной мощностью в качестве гидронасоса оставляем штатный аксиально-поршневой серии 311.224.М.А-14.00. Его техническая характеристика представлена в таблице 2.2
Определяем требуемую подачу насоса по формуле
(2.24)
где Рном – номинальное давление насоса, МПа
2.4.5 Выбор распределителей
Тип и марку распределителей выбирают по номинальному давлению, подаче насоса и количеству гидродвигателей.
Для Рном=20МПа и Qh=46,8 л/мин принимаем трехпозиционный секционный, четырехлинейный блочный распределитель с электричёским управлением типа Р-20. Техническая характеристика данного распределителя приведена в таблице 2.8.
Таблица 2.8 – Техническая характеристика распределителя типа Р – 20.
| Условный проход, мм | Поток жидкости, л/мин | Давление, МПа | Допустимое давление на сливе, МПа | ||
| номинальный | максимальный | Номинальный | максимальный | ||
| 20 | 100 | 125 | 20 | 25 | 0,8 |
2.4.6 Расчет трубопроводов
Под гидравлическим расчетом трубопроводов понимают определение внутреннего диаметра трубы на основе рекомендованных значений скорости потока жидкости.
Рекомендованные значения скорости потока жидкости:
а) для всасывающего трубопровода- 0,8...1 м/с;
б) для сливного трубопровода- 1,4...2 м/с;
в) для напорного трубопровода- 3,6...4, 5 м/с.
Внутренний диаметр трубы и площадь ее поперечного сечения находят из уравнения неразрывности потока жидкости
(2.25)
где S – площадь поперечного сечения трубопровода, м2.
, (2.26)
где – скорость потока жидкости, м/c.
Для напорного трубопровода принимаем =4,5 м/с,
В соответствии с ГОСТ 12447-80 принимаем dв=16 мм.
Для сливного трубопровода принимаем v=1,8 м/с
В соответствии с ГОСТ 12447-80 принимаем dв=25 мм.
Уточняем действительные скорости потока жидкости по формуле
(2.27)
где d – диаметр трубопровода, м
2.4.7 Расчет потерь давления в гидросистеме
Расчет потерь давления нужен для вычисления к.п.д. гидропривода и уточнения типоразмеров гидродвигателей.
Потери давления в гидроприводе обусловлены трением жидкости о стенки трубопроводов и гидрооборудования и внутренним трением жидкости. Они зависят от длины, диаметра и формы трубопроводов, скорости течения и вязкости рабочей жидкости, разветвленности гидросистемы, режима течения жидкости в трубопроводах.
Произведем расчет для первого механизма.
Общие потери определятся по формуле
, (2.28)
где рп – суммарные потери по длине, Па; рм – суммарные местные потери, Па; рга – суммарные потери в гидроаппаратах, Па.
(2.29)
где – коэффициент трения жидкости о стенки трубопроводов; р – плотность жидкости, р=890 кг/м; 1– длина трубопровода, м; d – диаметр трубопровода, м; – скорость потока жидкости, м/с.
При ламинарном режиме коэффициент трения жидкости определяется по формуле
(2.30)
где Re – число Рейнольдса
При турбулентном режиме
(2.31)
Число Рейнольдса определится по формуле
, (2.32)
где v – вязкость жидкости при температуре 40°С, v=50,610-6 м2/с)
Напорная магистраль
Ламинарный режим
Сливная магистраль
Ламинарный режим
Подставляя полученные данные в формулу (3.8) определяем потери по длине
Местные потери определяются по формуле
(2.33)
где – коэффициент местных сопротивлений; b – поправочный коэффициент, учитывающий влияние вязкости на местные потери; – скорость потока жидкости, м/с
В зависимости от числа Рейнольдса принимаем для напорной магистрали: b= 0,8; для сливной магистрали; b= 1,2
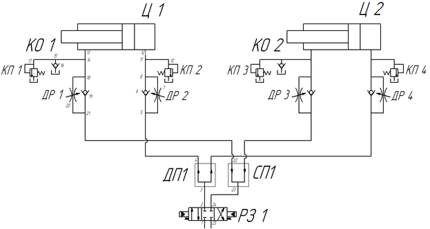
Рисунок 2.5 – Расчетная схема для определения местных потерь давления
В зависимости от видов местных сопротивлений находим коэффициенты местных сопротивлений:
Подставляя все эти коэффициенты в формулу (2.33) определим местные потери, а результаты снесем в таблицу 2,9.
Таблица 2.9 − Определение местных потерь
|
| ρ, | ξ | b | υ | Δpм |
| 1 | 890 | 3 | 0,8 | 4 | 17088,00 |
| 2 | 890 | 0,5 | 0,8 | 4 | 2848,00 |
| 3 | 890 | 2 | 0,8 | 4 | 11392,00 |
| 4 | 890 | 0,5 | 0,8 | 4 | 2848,00 |
| 5 | 890 | 0,5 | 0,8 | 4 | 2848,00 |
| 6 | 890 | 2 | 0,8 | 4 | 11392,00 |
| 7 | 890 | 2 | 0,8 | 4 | 11392,00 |
окончание таблицы 2.9
| 8 | 890 | 0,5 | 0,8 | 4 | 2848,00 |
| 9 | 890 | 0,5 | 0,8 | 4 | 2848,00 |
| 10 | 890 | 3 | 0,8 | 4 | 17088,00 |
| 11 | 890 | 0,5 | 0,8 | 4 | 2848,00 |
| 12 | 890 | 0,8 | 0,8 | 4 | 4556,80 |
| 13 | 890 | 0,5 | 1,2 | 1,65 | 726,91 |
| 14 | 890 | 0,8 | 1,2 | 1,65 | 1163,05 |
| 15 | 890 | 0,8 | 1,2 | 1,65 | 1163,05 |
| 16 | 890 | 2 | 1,2 | 1,65 | 2907,63 |
| 17 | 890 | 3 | 1,2 | 1,65 | 4361,45 |
| 18 | 890 | 0,5 | 1,2 | 1,65 | 726,91 |
| 19 | 890 | 2 | 1,2 | 1,65 | 2907,63 |
| 20 | 890 | 2 | 1,2 | 1,65 | 2907,63 |
| 21 | 890 | 0,5 | 1,2 | 1,65 | 726,91 |
| 22 | 890 | 2 | 1,2 | 1,65 | 2907,63 |
| 23 | 890 | 0,5 | 1,2 | 1,65 | 726,91 |
| 24 | 890 | 3 | 1,2 | 1,65 | 4361,45 |
| 25 | 890 | 0,5 | 1,2 | 1,65 | 726,91 |
| Итого |
|
|
|
| 116310,85 |
Определяем суммарные потери















