Глава 3 -Технологическая часть (1219937)
Текст из файла
3 Технологическая часть
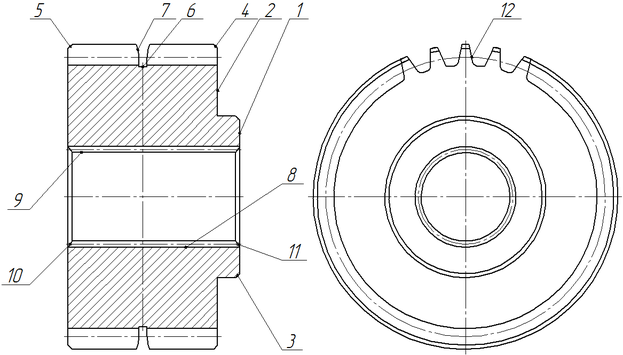
3.1 Описание конструкции и назначение детали
Звездочка зубчатой цепи предназначена для передачи крутящего момента на вал вибровозбудителя вибромолота оборудования для глубокого трамбования грунта. Ниже приведем расчет режимов механической обработки звездочки. В качестве заготовки, для получения данной детали, выбираем круг горячекатаный из стали 40 Х по ГОСТ 2590-2006.
Рисунок 3.1 – Схема нумерации поверхностей
Производство единичное. Основными рабочими поверхностями являются поверхности 9и 12, остальные не являются рабочими, а образуют форму детали.
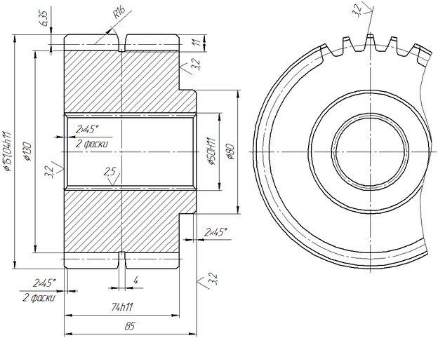
Размеры, необходимые для изготовления шестерни представлены на рисунке 3.2.
Рисунок 3.2 – Размеры шестерни
3.2 Маршрутизация технологического процесса изготовления звездочки
Последовательность изготовления детали:
1. Резка проката;
2. Фрезерование поверхностей 1 (с двух сторон);
3. Черновое точение поверхности 2;
4. Чистовое точение поверхности 2;
5. Черновое точение поверхности 6;
6. Чистовое точение поверхности 6;
7. Чистовое точение поверхности 7;
8. Сверление отверстия 8;
9. Растачивание отверстия 8
8. Фрезерование шлицев 9;
9. Точение фасок 3, 4, 11;.
10. Точение фасок 5, 10;
10. Фрезерование зубьев 12.
3.3 Припуски на обработку наружных цилиндрических поверхностей
Припуски и допуски на механическую обработку наружных цилиндрических поверхностей регламентируются ОСТ 23.4.60-79. В данном разделе рассматриваются припуски на механическую обработку наружных цилиндрических поверхностей звездочки. Схема расположения припусков и предельных отклонений на обработку наружных цилиндрических поверхностей приведена на рисунке 3.3. В зависимости от характера производства установлены две группы припусков: группа 1 – припуски для массового и крупносерийного производства; группа 2 – припуски для мелкосерийного и единичного производства. Величины припусков должны соответствовать указанным в таблице 3.1 и 3.2 [13]. При использовании таблице 3.1 необходимо иметь в виду следующее: 1. Припуски для размеров диаметром от 1 до 250 мм установлены из расчёта заготовок стали горячекатаной круглой повышенной и обычной точности по ГОСТ 2590-71. 2. При применении проката высокой точности припуски на предварительное точение должны быть уменьшены на 15 % по сравнению с припусками на обработку проката обычной точности. 3. Допускается увеличение или уменьшение припусков на предварительное обтачивание с учётом применяемости размеров проката. 4. Припуски на шлифование закалённых деталей даны с учётом правки заготовки. 5. Прутки стальные круглые калиброванные диаметром до 40 мм по ГОСТ 7417-75 рекомендуется шлифовать без предварительной механической обработки. 6. При шлифовании валов с посадкой Н11/h11 допускается уменьшение припуска на значение верхнего отклонения данной посадки, если эта величина составляет не менее 20 % припуска. При шлифовании валов с посадкой Н8/h8 допускается увеличение припуска на значение верхнего отклонения данной посадки, если эта величина не менее 20 % припуска
Рисунок 3.3 − Схема расположения припусков и допусков на обработку наружных цилиндрических поверхностей
Диаметр звездочки после окончательной обработки диаметра 151,04 h11 (–0,25). Находим припуск и предельное отклонение для 151,04 мм при длине 85 мм по табл.3.1 [13] (графы: "Точение чистовое", "Группа 2"). Припуск – 1,7 мм, предельное отклонение – h14 (–1,0).
Вычисляем диаметр вала.
(151,04 + 1,7) h14 (–1,0) = 152,74 h13 (–1,0).
Определим расчётный диаметр заготовки. Находим припуск для диаметра 152,74 мм при длине 85 мм по табл. 3.1 [20] (графы: "Точение предварительное", "Группа 2"). Припуск – 6,0 мм.
Вычисляем расчётный диаметр заготовки.
(152,74 + 6,0) = 158,74 мм.
По ГОСТ 2590-71 выбираем ближайший к расчётному диаметр заготовки и предельное отклонение на данный диаметр заготовки. 160 h14 (-1,0).
Припуск на толщину детали принимаем 2 мм по таблице 3.5 [13].
Эскиз заготовки представлен на рисунке 3.4.
Рисунок 3.4 − Эскиз заготовки
3.4 Расчет режимов обработки
3.4.1 Заготовительная операция
Так как круг горячекатаный диаметром 155 мм в состоянии поставки имеет длину 4000-6000 мм, а ширина звездочки всего 85 мм необходима газовая резка. В качестве оборудования принимаем пропано-кислородный комплект (рисунок 3.5), который предназначен для ручной резки и пайки металлов при наличии источника кислорода (кислородная магистраль, рампа или баллон) и с использованием в качестве горючего газа - пропан-бутана.
Применяемый газ: пропан-бутан, кислород.
Рисунок 3.5 − Пропано-кислородный комплект
Комплектность:
- баллон пропановый V = 50л;
- редуктор кислородный БКО-50ДМ № заказа 006.000.01;
- редуктор пропановый БПО-5ДМ № заказа 008.000.01;
- резак Р1 ”Донмет” 142 П 6/6 № заказа 142.000.01;
- горелка ГЗУ ”Донмет” 247 6/6 № заказа 247.000.00;
- хомут для закрепления рукавов d 6 мм - 4 шт.;
- рукав резинотканевый III кл. d 6 мм - 40 м.
3.4.2 Расчет режимов фрезерования
Исходные данные для расчета:
-
станок – 6М82Г;
-
глубина резания – 2 мм;
Расчет начинается с определения знаменателя геометрической прогрессии:
для ступеней подач
, (3.1)
где
=1250 мм/мин,
=25 мм/мин – максимальная и минимальная подачи у выбранного станка, мм/об;
=18 – количество подач,
для ступеней частот вращения
, (3.2)
где
=1600 мин-1,
=31 мин-1 – максимальная и минимальная частота вращения шпинделя станка, об/мин;
=16 – количество ступеней частоты вращения.
,
Значения
,
корректируем по стандартным значениям и принимаем
=
=1,26.
Ступени подач и частот вращения определяются следующими равенствами:
;
;
;
;
;
;
;
;
…………… ……………
…………… ……………
;
.
Ступени подач равны:
=25 мм/мин;
=25·1,26=33,5 мм/мин;
=25·1,262=39,69 мм/мин;
= 50,01 мм/мин;
=63,01 мм/мин;
=79,39 мм/мин;
=100,04 мм/мин;
=126,05 мм/мин;
=158,82 мм/мин;
=200,11 мм/мин;…
=635,52 мм/мин;
=800,75 мм/мин;
=1008,95 мм/мин;
=1271,27 мм/мин.
Частота вращения шпинделя:
=31мин-1;
=39,06 мин-1;
=49,22 мин-1;
=62,01 мин-1;
=78,13 мин-1;
=98,45 мин-1;
=124,05 мин-1;
=156,3 мин-1;…..
=788,14 мин-1;
=992,93 мин-1;
=1251,1 мин-1;
=1576,4 мин-1.
Для расчетов принимаем S=800,75 мм/мин и
=992,93 мин-1.
Поверхность 2.
Так как диаметр заготовки 160 мм выбираем торцевую насадную регулируемую фрезу (рисунок 3.6). Основные характеристики приведены в таблице 3.1.
Рисунок 3.6 – Фреза торцевая насадная регулируемая
Таблица 3.1 – Основные характеристики фрезы
Расчетную скорость резания
, м/мин, определяют по эмпирической формуле
; (3.3)
где
=41 – коэффициент, учитывающий условия резания;
поправочный коэффициент;
=200 мм диаметр фрезы, мм; T =180 мин – период стойкости инструмента; t=2 мм – глубина резания; Sz − подача на зуб фрезы, Sz = 0,1 мм;
=125 мм ширина фрезерования, мм; z =14 количество зубьев фрезы.
Значения
приведены в таблице 27 [13].
=0,25;
=0,2;
=0,1;
=0,4;
=0.
Общий поправочный коэффициент определяется по формуле:
(3.4)
где
- коэффициент, учитывающий обрабатываемый материал;
- коэффициент, учитывающий материал инструмента, 0,8;
- коэффициент, учитывающий состояние поверхности, 1.
(3.5)
где
= 650 МПа – предел прочности материала заготовки при растяжении;
=0,9 – показатель степени.
Расчетная частота вращения шпинделя:
(3.6)
Полученное значение расчетной частоты вращения шпинделя сравнивают с имеющимися паспортными данными на станке и принимают ближайшее меньшее
. Принимаем
=78,13 мин-1.
Фактическая скорость, м/мин,
(3.7)
Сила резания, кгс,
. (3.8) где
=82,5 – коэффициент, учитывающий условия резания; значения коэффициента
для стали и чугуна приведены в таблица 2.28 [22], а значения
в табл. 30 [13].
Для определения возможности осуществления на выбранном станке принятых режимов резания необходимо сравнить силы подачи с силой, допускаемой механизмом подачи станка
=43,3 Н.
Необходимо, чтобы
.
1500>>43,3 Н.
Эффективная мощность на шпинделе станка, кВт,
(3.9)
Потребная мощность на шпинделе станка
(3.10)
где
КПД станка.
Коэффициент использования станка по мощности
(3.11)
где
мощность главного электродвигателя.
Характеристики
Тип файла документ
Документы такого типа открываются такими программами, как Microsoft Office Word на компьютерах Windows, Apple Pages на компьютерах Mac, Open Office - бесплатная альтернатива на различных платформах, в том числе Linux. Наиболее простым и современным решением будут Google документы, так как открываются онлайн без скачивания прямо в браузере на любой платформе. Существуют российские качественные аналоги, например от Яндекса.
Будьте внимательны на мобильных устройствах, так как там используются упрощённый функционал даже в официальном приложении от Microsoft, поэтому для просмотра скачивайте PDF-версию. А если нужно редактировать файл, то используйте оригинальный файл.
Файлы такого типа обычно разбиты на страницы, а текст может быть форматированным (жирный, курсив, выбор шрифта, таблицы и т.п.), а также в него можно добавлять изображения. Формат идеально подходит для рефератов, докладов и РПЗ курсовых проектов, которые необходимо распечатать. Кстати перед печатью также сохраняйте файл в PDF, так как принтер может начудить со шрифтами.















