проект на тему заправочно-нейтрализационная станция в г.Углегорске Амурской области (1219578), страница 7
Текст из файла (страница 7)
ширина покрытия, м.
Принимается сe=1,0.
Термический коэффициент
- для утепленного покрытия, принимается
.
Коэффициент надежности по снеговой нагрузке
.
Рисунок 2.4 Схема для определения снеговых нагрузок
Рисунок 2.5 Расчетная схема на снеговые нагрузки(вариант №1)
Нормативное значение снеговой нагрузки на горизонтальную проекцию покрытия составляет:
Расчетное значение снеговой нагрузки на горизонтальную проекцию покрытия составляет:
Полное расчетное значение узловой снеговой нагрузки на горизонтальную проекцию покрытия определяется по формуле:
Sсг* = Sg μbа , (2.2)
где b - шаг рам, м;
а - размер панели фермы, м;
Sg - расчетная нагрузка от веса снегового покрова, кН/м2.
μ - коэффициент перехода от веса снегового покрова земли к снеговой нагрузке на покрытие, принимаемый в зависимости от схемы снеговой нагрузки и уклона кровли. Уклон покрытия α=20,0°.
Коэффициент μ, определяется методом интерполяции, при уклоне кровли α=20,0° составляет μ=1.
Рисунок 2.6 Расчетная схема на снеговые нагрузки(вариант №2)
Снеговая нагрузка составляет:
-вариант №1:
S1=1,441,012,03,0=51,84 кН;
S2=1,441,012,01,5=25,92 кН;
-вариант №2:
S1=1,441,2512,03,0=64,8 кН;
S2=1,441,2512,01,5=32,4 кН;
S3=1,440,7512,03,0=38,88 кН;
S4=1,440,7512,01,5=19,44 кН.
Сбор нагрузки на колонну. Сбор нагрузки от ограждающих конструкций и внутренних стен приведен в таблице 2.2.
Таблица 2.2
Нагрузки на 1 м2 колонн
| Наименование нагрузок. | Нормативная нагрузка, кН/м2 | Коэффициент надёжности по нагрузки. | Расчётная нагрузка, кН/м2 |
| Постоянная: | |||
| 1.Наружные ограждающие стены «СЭНДВИЧ», t=200 мм | 0,45 | 1,2 | 0,54 |
| 2. Облицовка внутренних поверхностей | 0,33 | 1,2 | 0,40 |
| ИТОГО: | 0,78 | 0,94 | |
Собственный вес металлоконструкций колонны:
mк=182,0 кН х 1,05 х 1,2 =229,32 кН;
Собственный вес металлоконструкций вертикальных связей:
mк=46,6 кН х 1,05 х 1,2 =58,71 кН;
Собственный вес металлоконструкций подкрановых конструкций:
mк=93,1 кН х 1,05 х 1,2 =117,31 кН
Сбор крановой нагрузки на поперечную раму.
Для заданного мостового крана грузоподъемностью Q=32/5 т и пролетом Lкр=22,5 м имеются следующие данные, согласно
на мостовые краны:
- Вес тележки:
;
-Вес поднимаемого груза(грузоподъемность): Q=32/5 т ;
- Общий вес моста крана:
;
- Ширина крана: В=6800 м;
- База крана: К=5600 м;
-Максимальная нормативная нагрузка от давления катков крана на подкрановый рельс
;
-Минимальная нормативная нагрузка от веса крана:
, (2.3)
где
грузоподъемность крана, кН;
масса моста, кН;
масса тележки, кН.
Минимальная нормативная нагрузка от веса крана составляет:
Коэффициент надежности по нагрузке для крановых нагрузок следует принимать gt = 1,1.
Расчетное максимальное давление на колесо крана составляет:
Максимальный момент составляет:
,
где е=0,425 м – эксцентриситет приложения нагрузки.
Расчетное максимальное давление на колесо крана составляет:
Минимальный момент составляет:
Горизонтальная нагрузка от поперечного торможения тележки кранов, распределяемая поровну на все колеса с одной стороны крана определяется по формуле:
(2.4)
кН.
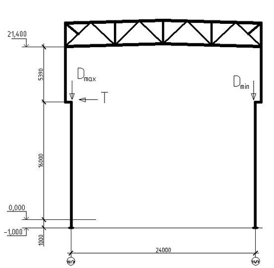
Рисунок 2.7 Загружение крановой нагрузкой(кран слева)
Сбор ветровой нагрузки. Нормативное значение средней составляющей ветровой нагрузки
в зависимости от эквивалентной высоты
над поверхностью земли определяется согласно формуле:
, (2.5)
где
-нормативное значение ветрового давления для района по давлению ветра;
коэффициент, учитывающий изменение ветрового давления для высоты
;
аэродинамический коэффициент лобового сопротивления.
Коэффициент надежности по ветровой нагрузке
.
Тогда с наветренной стороны
, с подветренной
.
Определим аэродинамический коэффициент сe1:
при
,
где
высота здания от уровня земли, м;
пролет рамы, м.
Определим аэродинамический коэффициент сe2:
при
и
Расчетное значение средней составляющей ветровой нагрузки составляет:
W1=1,4×0,3×0,5×(+0,8)×12,0 м=+2,02 кН/м;
W2=1,4×0,3×0,65×(+0,8)×12,0 м=+2,62 кН/м;
W3=1,4×0,3×0,85×(+0,8)×12,0 м=+3,43 кН/м;
W4=1,4×0,3×0,88×(+0,8)×12,0 м=+3,55 кН/м;
W5=1,4×0,3×0,88×(-0,7)×12,0 м=-3,10 кН/м;
W6=1,4×0,3×0,88×(-0,5)×12,0 м=-2,22 кН/м;
W7=1,4×0,3×0,88×(-0,6)×12,0 м=-2,66 кН/м;
W8=1,4×0,3×0,85×(-0,6)×12,0 м=-2,60 кН/м;
W9=1,4×0,3×0,65×(-0,6)×12,0 м=-1,96 кН/м;
W10=1,4×0,3×0,5×(-0,6)×12,0 м=-1,51 кН/м.
Рисунок 2.8 Схема загружения ветровой нагрузкой
2.3 Сбор нагрузки на раму для расчета на сейсмическое сочетание
Сбор нагрузки на раму для расчета на особое(сейсмическое) сочетание. Расчетная силовая сейсмическая нагрузка определяется по формуле:
Sk = K0 ∙ K1∙Sj0ik; (2.6)
где K0 - коэффициент, учитывающий назначение сооружения и его ответственность
K1 - коэффициент, учитывающий допускаемые повреждения зданий и сооружений;
Sj0ik - значение сейсмической нагрузки для i-й формы собственных колебаний здания или сооружения, определяемое в предположении упругого деформирования конструкций по формуле:
Sj0ik =g∙mik ∙ A∙КА ∙ βi ∙Кψ ∙ηjik; (2.7)
где mik -масса здания или момент инерции соответствующей массы здания, отнесенные к точке k по обобщенной координате j , определяемые с учетом расчетных нагрузок на конструкции;
g - ускорение силы тяжести;
А - коэффициент, значение которого следует принимать в зависимости от расчетной сейсмичности 7 баллов;
КА - коэффициент, значения которого следует принимать в зависимости от сочетаний расчетной сейсмической интенсивности,;
βi - коэффициент динамичности, соответствующий
i-й форме собственных колебаний зданий или сооружений;
Кψ - коэффициент, учитывающий способность зданий и сооружений к рассеиванию энергии.
Сейсмичность площадки строительства - 7 баллов.
При расчете зданий и сооружений на особое сочетание нагрузок значения расчетных нагрузок следует умножать на коэффициенты сочетаний ψ, принимаемые равными 0,9 для постоянных, 0,8 для временных длительных и 0,5 для кратковременных нагрузок.
Рисунок 2.9 Расчетная схема для сейсмического загружения
Формула для расчета сейсмических масс на особое(сейсмическое) сочетание нагрузок имеет вид:
mi= Pп nc + Pсн nc, (2.8)
где a - длина сбора, м;
nc- коэффициенты сочетания, принимаемые в зависимости от вида
нагрузки: постоянные - 0,9; временные длительные (нагрузка от людей, оборудования на перекрытиях жилых зданий) - 0,8; кратковременные(снеговая) - 0,5;
Pп- расчетная постоянная нагрузка, кН;
Pсн- расчетная снеговая нагрузка, кН;
Расчетное значение сейсмических масс на стропильную конструкцию составляет:
m1= 0,9 864,86 + 0,5 51,81 = 804,3 кН;
m2= 0,9432,4 + 0,5 25,9 =402,1 кН;
m3= 0,9 (117,31+192,5) = 13,43278,82 кН;
m4= 0,972,0 =64,8 кН;
2.4 Результаты программного расчета программного комплекса SCAD
Расчет поперечной рамы выполняется в программном комплексе SCAD office. Расчет выполняется для основной рамы с максимальной грузовой площадью. Расчет рамы выполняется на постоянные, крановые, сейсмические и атмосферные нагрузки. Результаты расчета программного комплекса SCAD office в приложении.Расчетная схема стропильной конструкции загружена 5 видами нагрузок (постоянная, крановая, снеговая, ветровая и сейсмическая). Перечень нагрузок приведен в таблице 2.3. Виды расчетных комбинаций нагрузок приведены в таблице 2.4.
Таблица 2.3
Нименование загружений рамы
| Имена загружений | |
| Номер(L) | Наименование |
| 1 | Постоянная нагрузка |
| 2 | Снеговая нагрузка (№1) |
| 3 | Снеговая нагрузка(№2) |
| 4 | Крановая нагрузка(кран слева) |
| 5 | Крановая нагрузка(кран справа) |
| 6 | Ветровая нагрузка |
| 7 | Сейсмическая нагрузка |
Таблица 2.4
Расчетные сочетания загружений
| Расчетные сочетания загружений | |
| Номер | Формула |
| 1 | (L1)*1+(L2)*1,0 |
| 2 | (L1)*1+(L3)*1,0 |
| 3 | (L1)*1+(L2)*0,9+(L6)*0,9 |
| 4 | (L1)*1+(L3)*0,9+(L6)*0,9 |
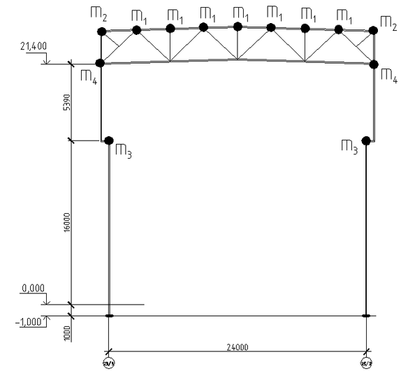
Схема нумерации элементов в расчетной схеме приведена на рисунке 2.10.
Рисунок 2.10 Схема нумерации элементов
2.5 Подбор сечения элементов стропильной фермы
2.5.1 Подбор элемента В1 стропильной фермы















