Пояснительная записка (1219297), страница 9
Текст из файла (страница 9)
Процессор ячейки ВУ2 с периодом 1,0 мс определяет логическое состояние огибающей сигнала АЛСН и длительность импульса или паузы. Решение о принятом коде светофора принимается после приема большой паузы кодового цикла. Окончательное формирование байта показания локомотивного светофора на БИЛ происходит, если два из трех последних принятых кодов совпадают. При таком алгоритме принятия решения задержка смены показаний светофоров на индикаторах БИЛ и БИЛ-ПОМ может составлять от 4 до 8 с.
Если не удается достаточно долго (более 8 с) сформировать решение о показании светофора (или его смене), то происходит формирование кодов показаний светофора «Б» или «К» в зависимости от предыдущего состояния светофора («К» - после «КЖ», «Б» - после «Ж» или «3»).
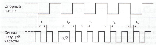
Процессор ячейки ВУ2 периодически, через 1,0 мс, также опрашивает вход, на который поступает сигнал из канала АЛС-ЕН. При дешифрировании кодов поступивших сигналов определяются значения сдвига фазы несущей частоты (рис. 3.7). Для этого используется счетчик фазы, содержимое которого считывается посредством специальной процедуры.
Сдвиг фазы между сигналами опорной и несущей частоты АЛС-ЕН определяется по числу импульсов тактовой частоты 1,5 МГц, поступивших на вход счетчика фазы за период времени между моментом прихода заднего фронта импульса опорного сигнала и моментом прихода переднего фронта импульсов несущей частоты АЛСН-ЕН. Опорный сигнал формируется генератором ячейки ВУ2. Частота опорного сигнала в два раза ниже частоты несущего сигнала АЛСН-ЕН. Поступление этих сигналов в ячейку ВУ2 не синхронизируется. Затем из текущего зафиксированного значения счетчика фазы вычитается последнее установившееся значение, хранящееся в специально отведенной ячейке памяти. По величине полученной разности определяются дискретные значения сдвига фазы несущей частоты сигнала АЛС-ЕН. Расчетным путем получены диапазоны значений чисел, соответствующие сдвигам фазы (0, 1/2, 1, 3/2). По величине этих чисел определяется, в какой диапазон попало значение сдвига фазы, и формируется код сдвига фазы. Каждый бит информации в канале АЛС-ЕН передается в течение 16 периодов несущей частоты, что соответствует восьми периодам опорной частоты, поэтому в предельном случае можно зафиксировать очередной сдвиг фазы несущей частоты сигнала АЛС-ЕН восемь раз. Для принятия решения достаточно использовать пять вычисленных значений сдвига фазы, принадлежащих одному диапазону. Имеются четыре счетчика (для фиксации сдвига фазы на 0, 1/2,1, 3/2) по модулю 5, каждый из которых инкрементируется при приходе соответствующего ему кода сдвига фазы. Как только содержимое одного из счетчиков достигает 5, происходит обнуление всех счетчиков и принимается решение о значении сдвига фазы, которое запоминается в виде 8-разрядного кода в счетчике сдвига фазы. Старший и младший биты кода сдвига фазы заносятся в соответствующие ячейки памяти, которые накапливают информацию о командах АЛС-ЕН, включая избыточные разряды, определяемые кодом Бауэра. Старшие тетрады ячеек содержат информационный код, а младшие - коды избыточности. После этого производится занесение информации в ячейки подканалов и формируется итоговая переменная, которая записывается в две ячейки памяти. Первая из них содержит кодовую комбинацию КК, вторая - код синхрогруппы СГ.
Рисунок. 3.5. – Структурная схема ячеек БЭЛ-У:
а - структурная схема ячейки ВУ1; б - структурная схема ячейки ВУ2
Рисунок. 3.6. – Временная диаграмма преобразования сигналов в ячейке ВУ1
Рисунок. 3.7. – Принцип определения значения сдвига фазы
сигнала несущей частоты АЛС-ЕН
Выполнение алгоритма декодирования информации, переданной в КЛУБ-У по каналу АЛС-ЕН, заключается в анализе состояния итоговой переменной и сравнении полученных значений КК и СГ с заданными значениями Кодовая комбинация (КК) - кодовое слово модифицированного кода Бауэра, передаваемое по первому фазовому подканалу канала АЛС-ЕН, формируется с учетом синхрогруппы и содержит данные о показаниях локомотивного светофора, количестве свободных блок-участков, целевой скорости и другое.
Код синхрогруппы (СГ) - кодовое слово модифицированного кода Бау-эра, передаваемое по второму фазовому подканалу канала АЛС-ЕН для защиты передаваемой информации от влияния сигналов соседних путей и смежных блок-участков, содержит данные о движении по стрелочным переводам прямо либо с отклонением.
4 РАЗРАБОТКА СТЕНДА КЛУБ-У
4.1 Разработка стенда
Целью работы с разрабатываемым стендом является изучение аппаратных средств и принципов действия типовой аппаратуры КЛУБ-У (рис. 4.1.).
Рабочее место представляет собой стенд с расположенной на нем аппаратурой системы КЛУБ-У. Работа осуществляется совместно со стендом АЛСН и стендом тормозной схемы локомотива. Стенд включает в себя:
- блок электроники локомотивный;
- антенна спутниковой навигации;
- БИЛ-В;
- датчик пути и скорости;
- рукоятка бдительности (рис 4.4);
- блок коммутации и регистрации;
- кассетоприемник;
- блок питания ИП-ИЛ;
- блок КОН (рис. 4.3);
- приемные катушки КПУ 1;
- рельсы с имитатором колесной пары (перемычка);
- формирователь кодовых сигналов ИЛС-3, подключенный к рельсовым нитям;
- тормозную схему локомотива;
- ЭПК-150;
- датчики давления (рис. 4.5).
Рисунок. 4.1. – Схема функциональная КЛУБ-У
Стенд КЛУБ-У приведен на рисунке 4.2.
Рисунок. 4.2. – Общий вид стенда КЛУБ - У
Рисунок. 4.3. – Блок КОН установленный на тормозном стенде
Рисунок. 4.4. – Панель управления стендом
Рисунок. 4.5. – Датчики давления и скорости
4.2 Методика работы со стендом
Общая схема работы со стендом КЛУБ - У приведена на рисунке 4.5.
Рисунок. 4.6. – последовательность включения стенда КЛУБ
4.2.1 Включение БЭЛ-У
Индикация при включении: Перед подключением БЭЛ-У к блокам устройства КЛУБ-У необходимо убедиться в том, что тумблер ПИТ блока БКР-У установлен в выключенное положение, затем следует установить кассету регистрации в кассетоприемник блока БИЛ (БР-У) и поджать фиксаторы.
После включения питания устройства КЛУБ-У тумблером ПИТ на блоке БКР-У, (при этом включится индикация наличия напряжения в блоке питания и засветится индикатор ПИТ на блоке БЭЛ-У) на блоке БИЛ должны высветиться:
- «К: ХХХХ» (номер электронной карты высвечивается на время от 4 до 6 с), если высвечиваются символы «0000» или «РРРР», то это означает, что ЭК отсутствует;
- индикатор режима работы «Поездной» (высвечивается буква «П»);
- индикатор «ВРЕМЯ» (показывает московское время по данным системы спутниковой навигации). В первоначальный момент до двух минут после включения индицируется время внутренних часов блока устойчивая индикация значения времени на блоке БИЛ , отличная от текущего (московского), может означать, что блок (с ячейкой СНС-У 36993-130-00-02) включался и работает в настоящий момент не менее трёх минут при отключенном или находящемся в зоне неуверенного приёма устройстве АУУ-1Н;
- индикатор «ДАВЛЕНИЕ, МПа 0.00» (показывает значение давления в тормозной магистрали. На блоках БИЛ-В, БИЛ-ВВ, БИЛ-УТ дополнительно индицируется значение давления в уравнительном резервуаре активной кабины);
- индикатор «АЛС» (показывает одно из значений «25», «50», «75», установленное перед последним выключением системы, или обозначение «ЕН» при приеме сигнала по каналу АЛС- ЕН, или «РК» - при приеме сигналов АЛСН из радиоканала);
- индикатор «КООРДИНАТА» (показывает значение «0000.000» или, при наличии ЭК, не более чем через четыре минуты значение, соответствующее текущей координате);
- индикатор готовности кассеты регистрации «0-0»
- индикаторы «N ПУТИ» «0» (на блоке БИЛ-В, БИЛ-ВВ, БИЛ-УТ);
- цифровые индикаторы фактической скорости (показывают значение «000» в мигающем режиме, при этом после включения ключа ЭПК мигающий режим в активной кабине должен прекратиться);
- индикаторы фактической скорости по мнемонической шкале (0 км/ч);
- индикатор ускорения (показывает значение «0.0»).
4.2.2 Проверка работоспособности БЭЛ-У
Для проведения диагностики блока БЭЛ-У с блока БВЛ-У следует ввести команду «71» и проконтролировать на блоке БИЛ индикацию кода «1234_67 _9» (максимальное значение кода «123456789АВ»),
Цифры и буквы кода означают следующее:
- цифра «1» - наличие исправного логического модуля МЦО (ячейки ЦО-М-У, СБ-У);
- цифра «2» - наличие исправного логического модуля БИЛ (блок БИЛ);
- цифра «3» - наличие исправного логического модуля ИПД (ячейка ВПД- М-У);
- цифра «4» - наличие исправного логического модуля БВУ (ячейки ВУ1М-У, ВУ2-М-);
- цифра «5» - наличие кода «5» говорит о наличии ячейки ЭК1М-У и что электронная карта загружена, введен номер пути, на котором находится локомотив или МВПС, для которого составлена электронная карта и подключенное к изделию устройство АУУ-1Н находится в зоне уверенного приема;
- цифра «6» - наличие исправного логического модуля маршрута ММ (ячейки ЭК1М-У и СНС-У);
- цифра «7» - наличие исправного логического модуля УФИР;
- цифра «8» - наличие исправного логического модуля САУТ;
- цифра «9» - наличие исправного логического модуля РК (ячейка РК-М);
- буква «А» - наличие исправного логического модуля ТКС;
- буква «В» - наличие исправного логического модуля ТСКБМ.
Коды «1», «2», «3», «4», «6» должны быть всегда.
Код «9» должен быть для исполнения 36991-10-00-01 с ячейкой РК.
Наличие знака «минус» вместо одной или нескольких цифр кода говорит об отказе или отсутствии одного или нескольких логических модулей.
Пропадание кода «3» наблюдается в случае отсутствия сигналов от датчиков пути и скорости после включения тяги (вывода контроллера из нулевого положения);
Минимальная конфигурация, при которой БЭЛ-У сохраняет работоспособность, но не обеспечивает выполнение всех функций, индицируется на блоке БИЛ в виде кода «1 2 3__________»;
Для завершения диагностирования следует ввести команду «70» с блока БВЛ-У. Затем следует включить ключ ЭПК.
На блоках БИЛ, БИЛ-ПОМ, БИЛ-В- ПОМ должны включиться:
- сигнал светофора «Белый». Если БЭЛ-У настроен на несущую частоту канала АЛСН данного участка пути (по индикатору АЛС на блоке БИЛ), или происходит прием данных по каналу АЛС-ЕН, или происходит прием данных АЛСН по каналу РК, то на блоках БИЛ, БИЛ-ПОМ (БИЛ-В-ПОМ) в течение от 8 до 10 с после включения ключа ЭПК должен включиться сигнал светофора (количество свободных блок-участков), соответствующий принимаемому сигналу;
- индикатор мнемонической шкалы целевой скорости Уцел=40 км/ч;
- индикатор мнемонической шкалы допустимой скорости Vдоп=40 км/ч;
- индикатор цифровой шкалы Vдоп= 40 км/ч;
- индикатор номера комплекта (римские цифры «I» или «II» на блоке БИЛ-У). Версии программного обеспечения контролируются по индикации на блоке БИЛ после ввода соответствующей команды с БВЛ-У.















