РАЗРАБОТКА ТЕХНОЛОГИИ КОМПЛЕКСНОГО УПРОЧНЕНИЯ ДЕТАЛЕЙ ВАГОНА (1210803), страница 12
Текст из файла (страница 12)
За счет полной утилизации тепла отходящих газов термических печей возможно без увеличения энергозатрат применять более эффективные системы вентиляции сварочных цехов. Для широкого внедрения таких систем в практику сварочных производств требуется разработка методов их расчета и конструирования, определение экономичности и областей применения.
Дальнейшее совершенствование систем вентиляции и отопления (а также кондиционирования) сварочных производств должно поили по пути создания автоматизированных систем, где поддержание необходимых метеорологических условий в цехах и содержание вредных веществ на уровне, не превышающем ПДК по всему объему помещения, производится автоматически.
Рабочим местом электросварщика является закрепленный за рабочим или бригадой участок производственной площади, оснащенной в соответствии с требованиями осуществляемого технологического процесса определенным оборудованием, инструментом, приспособлениями и т.д.
При обслуживании рабочего места необходимо:
- своевременно получать сменные задания, наряды и чертежи;
- поддерживать оборудование в работоспособном состоянии;
- воевременно доставлять на рабочее место материалы, заготовки, электроды и т.п.;
- контролировать качество изготавливаемой продукции;
- поддерживать надлежащий порядок на рабочем месте.
Рабочие кабины служат для защиты сварщиков от излучения дуги в постоянных местах сварки. Для каждого рабочего устанавливают отдельную кабину размером 2 х 2,5 м. Ее стены могут быть выполнены из тонкого железа, фанеры или брезента. Фанера и брезент должны быть пропитаны огнестойким составом, например раствором алюмокалиевых квасцов. Каркас кабины изготавливают из трубы или угловой стали, пол — из огнестойкого материала (кирпич, бетон или цемент). Стены окрашивают в светлосерый цвет красками, хорошо поглощающими ультрафиолетовое излучение (цинковые или титановые белила, желтый крон). Освещенность кабины должна составлять не менее 80 лк. Кабину оборудуют местной вентиляцией (рис. 5.3.1) с подачей воздуха 40 м3/ч на каждого рабочего.
Рис. 5.3.1 - Схема отсоса газов, выделяющихся при сварке, от сварочного поста: 1 - воздухопровод; 2 - шибер; 3 - воздухоприемник; 4 - штампованная решетка; 5 - козырек.
Вентиляционный отсос должен располагаться так, чтобы газы, выделяющиеся при сварке, проходили в стороне от сварщика.
Сварочный аэрозоль представляет собой совокупность мельчайших частиц, образовавшихся в результате конденсации паров расплавленного металла, шлака и покрытия электродов. Вредные газообразные вещества, попадая в организм через дыхательные пути и пищеварительный тракт, вызывают иногда тяжелые поражения всего организма. К наиболее вредным газам, выделяющимся при сварке и резке, относятся окислы азота, вызывающие заболевания легких и органов кровообращения; окись углерода накапливаясь в помещении приводит к раздражению дыхательных путей, вызывает потерю сознания, одышку, судороги и поражение нервной системы; озон образуется при сварке в инертных газах, быстро вызывает раздражение глаз, сухость во рту и боли в груди; фтористый водород действует на дыхательные пути даже в небольших концентрациях, вызывая раздражение слизистых оболочек. При сварке в среде защитных газов тарированными вольфрамовыми электродами в воздух выделяются окислы тория и продукты его распада, которые представляют радиационную опасность.
Другие элементы сварочного аэрозоля, а также так называемые сварочные газы, обладая сильным раздражающим действием, способны вызвать хронический бронхит. Установлено, что многие компоненты сварочного аэрозоля при длительном воздействии увеличивают риск возникновения сердечно-сосудистых и онкологических заболеваний и уменьшают продолжительность жизни.
Помимо аэрозолей и газов неблагоприятное влияние на работающих в сварочных производствах оказывает еще ряд явлений, не устраняющихся с помощью вентиляции, а в совокупности с вредными веществами ухудшающих условия труда.
Л учистая энергия сварочной дуги, ультрафиолетовая и инфракрасная радиация, вызывающие ожоги открытых частей тела и иногда (особенно летом) перегрев организма; шум, который в сочетании с ультразвуковыми колебаниями, вызывает стойкое понижение слуха у работающих.
Необходимо учитывать, что в производственных условиях работники, как правило, подвергаются одновременному воздействию нескольких вредных веществ, в том числе и пыли. При этом их общее воздействие может быть взаимоусиленным, взаимоослабленным или„независимым".
Практика показывает, вытяжная вентиляция в совокупности с комплексом мероприятий технологического и организационного характера позволяет снизить концентрации вредных веществ до предельно допустимых и способствует значительному оздоровлению условий труда работающих в сварочных цехах.
Из проведенного анализа следует, что система микроклимата должна анализировать концентрацию взвешенных частиц, температуру, газовый состав среды в рабочей зоне.
Целью предлагаемой системы вентиляции является снижение концентрации вредных веществ в рабочей зоне и повышение точности работы автоматизированной системы управления установкой /17/.
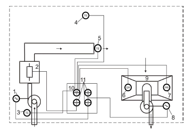
Автоматизированная система основана на регистрации светового излучения при появлении электрической дуги во время сварочных работ и включении вытяжного вентилятора на определенное время, что позволяет ускорить выведение вредных веществ из рабочей зоны за счет более быстрого включения вытяжной вентиляции; в дальнейшем параметры микроклимата поддерживаются с помощью датчика концентрации вредных веществ и датчика температуры. Схема системы вентиляции изображена на рисунке 5.3.2.
Рисунок 5.3.2 - Функционально-технологическая схема системы вентиляции сварочного цеха: 1 – электродвигатель приточного вентилятора, 2 - калорифер, 3 - датчик температуры приточного воздуха, 4 - датчик температуры внутри помещения, 5 - датчик температуры приточного воздуха, 6 - фотодатчик, 7 - датчик загазованности, 8 - электродвигатель вытяжной вентиляции, 9 – вытяжной зонт, 10 - устройство управления, 11 - исполнительные механизм
Устройство работает следующим образом. В момент возникновения электрической дуги при сварочных работах срабатывает фотодатчик 3, подающий сигнал на устройство автоматического управления 8, которое включает вытяжной вентилятор 6 на определенное время. В процессе сварки происходит превышение концентрации вредных веществ и (или) температуры, срабатывает датчик концентрации вредных веществ 4 и (или) датчик температуры 5, которые подают сигнал на устройство автоматического управления 8, включающее вытяжной вентилятор 6; воздух удаляется через вытяжной зонт 2 по вытяжному воздуховоду 1 и выходит наружу. В дальнейшем параметры микроклимата поддерживаются устройством автоматического управления 8 при помощи датчика концентрации вредных веществ 4 и датчика температуры 5.
ЗАКЛЮЧЕНИЕ
Плазменное напыление и газопорошковая наплавка изношенных поверхностей позволят упрочнять поверхности деталей, приэтом существенно продлевать эксплуатационный ресурс. К тому же, плазменное напыление и газопорошковая наплавка позволят создать покрытия, которые не могут быть получены другими методами. Преимущества выбранных методов восставления деталей представлены на чертеже графического материала ДП 190302.65.6В6.09.
Данные способы позволяют:
- наносить покрытия на изделия сложной формы;
- покрывать изделия из самых разнообразных материалов;
- обеспечивают равномерное покрытие как на большой площади, так и на ограниченных участках больших изделий;
- значительно увеличивают размеры детали (восстановление и ремонт изношенных деталей);
- поддаются механизации и автоматизации;
- исключают деформации основы, на которую производится напыление;
- обеспечивают высокую производительность нанесения покрытия при относительно небольшой трудоёмкости;
- улучшают качество покрытий. Они получаются более равномерными, стабильными, высокой плотности и с хорошим сцеплением с поверхностью детали.
В ходе дипломной работы разработана технология восстановления деталей тележек и автсоцепного оборудования методами обеспечивающими упрочнение поверхностей.
Список использованных источников
1 Технология производства и ремонта вагонов / Под ред. К.В. Мотови-лова. – 2-е изд., перераб и доп. – М.: Маршрут, 2003. – 382 с.
2 Технология вагоностроения и ремонта вагонов / Под ред. В.С. Гера-симова. – М.: Транспорт, 1988. – 331 с.
3 Быков, Б.В. Технология ремонта вагонов / Б.В. Быков, В.Е. Пигарев. – М.: Желдориздат, 2001. – 560 с.
4 Батюшин, Т.К. Технология вагоностроения, ремонта и надёжность ва-гонов / Т.К. Батюшин, Д.В. Быховский, В.С. Лукашук. – М.: Машиностроение, 1990. – 360 с.
5 Соснин, Н. А. Плазменные процессы [Текст] : руководство для инженеров / Н. А. Соснин, С. А. Ермаков, П. А. Тополянский. – СПб. : Политехника, 2008. – 406 с.
6 Кречмар, Э. Напыление металлов, керамики и пластмасс [Текст] / Э. Кречмар. – М. : Машиностроение, 1966. – 432 с.
7 Хасуй, А. Наплавка и напыление [Текст] / А. Хасуй, О. Моригаки. – М. : Машиностроение, 1985. – 239 с.
8 Хасуй, А. Техника напыления [Текст] / А. Хасуй. – М. : Машиностроение, 1975. – 288 с
9 Пузряков А.Ф. Теоретические основы технологии плазменного напыления / А.Ф. Пузряков // Учебное пособие по курсу «Технология конструкций из металлокомпозитов». – М. : Изд-во МГТУ им. Н.Э. Баумана, 2003. – С. 10–11.
10 Безопасность Жизнедеятельности. Учебник для студентов средних проф. учеб.заведений / С. В. Белов, В. А. Девисилов, А. Ф. Козьяков и др.; Под общ. ред. С. В. Белова. – М.: Высш. шк., НМЦ СПО, 2000. – 343 с.: ил.
11 Охрана труда на железнодорожном транспорте: Учебник для техникумов и колледжей ж.-д. трансп./ Клочкова Е. А. – М.: Маршрут, 2004. – 412 с.
12 Правила пожарной безопасности в Российской Федерации, ППБ 01-03.-М: ГУПС МЧС России 2003г.,-180с.
13 ПДК в воздухе рабочей зоны. ГН 2.2.5.1313-03.
14 Безопасность жизнедеятельности: Учебник для вузов / Л. А. Михайлов, В. П. Соломин, А. Л. Михайлов, А. В. Старостенко и др. – СПб.: Питер, 2006. – 302 с.: ил.
15 ГОСТ 12.3.003-86. ССБТ. Работы электросварочные. Общие требования безопасности.
16 Агашков, Е.М. Классификация систем автоматического удаления вредных веществ из воздуха производственного помещения / Т.И. Белова, В.Е. Бурак, О.Б. Гераськова, Д.А. Кравченко // Вестник МАНЭБ. – 2010.- Т.15, № 4. – С. 116-118.
17 Маркарянц, Л.М. Автоматизированная система вентиляции сварочного участка предприятия / Л.М. Маркарянц, В.А. Безик, А.М. Никитин// Вестник Брянской государственной сельскохозяйственной академии. - 2013. - № 4 – С. 33-34.
















