4. Глава 1 (Характеристика Талданской дистанции пути) (1201888)
Текст из файла
1. Характеристика Талданской дистанции пути ЗабЖД.
Талданская дистанция пути – структурное подразделение Забайкальской дирекции инфраструктуры - Центральной дирекции инфраструктуры филиала Открытого Акционерного Общества «РЖД» является дистанцией 3 группы. Граница Талданской дистанции с запада начинается с 7333 км пк 1 и заканчивается с востока на 7421 км пк 10, общая протяженность дистанции составляет 88 км., в развернутом фронте 196 км.
Развёрнутая длина главных путей составляет 180,514 километров, кривых 264 штуки, протяжением 106,331 км, что составляет 58,9 % от главного хода, 299 м и менее – 0,477 км, 300-350 м – 13,908 км, 351-500 м – 14,774 км, 501-650 м – 44,075 км, 651-800 м – 6,451 км, 801-1000 м – 2,501 км, 1001-1200 м – 8,898 км, более 1200 м – 15,247 км. В дистанции пути эксплуатируется 144,770 км бесстыкового пути, в том числе 144,620 главного хода, что составляет 80,2% от протяжения главного хода. В дистанции пути эксплуатируется 35,894 км звеньевого пути на деревянном основании, в том числе кривых малого радиуса 650 м и менее 20,050 км.
Длина станционных путей – 38,112 км в том числе приемоотправочных 22,366 км, длина подъездных путей – 1,116 км, количество стрелочных переводов 122 шт, из них централизованных 88 шт, на ж/б - 44 и на деревянном основании – 78 шт.
По состоянию на 01.01.2016 г. в главном пути эксплуатируется с перепропущенным тоннажем 28 стрелочных переводов и 16 крестовин. По дистанции пути эксплуатируется 37,803 км со сверхпропущенным нормативным тоннажём.
На рисунке 1.1 показана схема Талданской дистанции пути.
Рисунок 1.1 « Талданская дистанция пути Забайкальской железной дороги. »
1.1 Верхнее строение пути.
В дистанции пути эксплуатируется 144,770 км бесстыкового пути, в том числе 144,620 главного хода, что составляет 80,2% от протяжения главного хода. Звеньевого пути на деревянном основании эксплуатируется 35,894 км, в том числе кривых малого радиуса 650 м и менее 20,050 км.
Длина станционных путей – 38,112 км в том числе приемоотправочных 22,366 км, длина подъездных путей – 1,116 км, количество стрелочных переводов 122 шт, из них централизованных 88 шт, на ж/б - 44 и на деревянном основании – 78 шт.
На рисунке 1.2 показана диаграмма наличия бесстыкового пути, звеньевого пути и станционных путей по дистанции.
Рисунок 1.2 – Диаграмма процентного соотношения бесстыкового пути и звеньевого.
1.2. Земляное полотно.
Земляное полотно железных дорог является долговременной и главной несущей конструкцией на протяжении всего срока их эксплуатации. Лишь в исключительных случаях оно подлежит переустройству или реконструкции. Со временем, под действием неблагоприятных природно-климатических, гидрологических, техногенных и др. факторов в грунтах тела земляного полотна происходят дестабилизирующие процессы, которые вызывают деформации основной площадки и откосов земляного полотна или прилегающих склонов.
Для обеспечения устойчивой работы рельсовых цепей и выполнения требований ЦП-774 выполнены работы по подрезке балласта на 5 км, при годовом плане 5 км.
На дистанции пути 205 мест участков пути с пучинами, протяжением 21,777 км, в том числе более 25 мм – 11,617 км.
Зауженных мест нормативной ширины балластной призмы – 0,899 км.
Количество километров с загрязненностью балласта более 30 % на главном пути приведено в таблице 1.1 и рисунке 1.3 за период с 2008 по 2016 годы включительно.
Таблица 1.1
Количество километров с загрязненностью балласта более 30 % на главном пути
| Год | 2008 | 2009 | 2010 | 2011 | 2012 | 2013 | 2014 | 2015 | 2016 |
| Загрязнённость балласта более 30%, км | 95,963 | 61,125 | 54,035 | 52,667 | 53,35 | 67,832 | 45,124 | 55,858 | 25,205 |
Рисунок 1.3 – Диаграмма количества километров с загрязненностью балласта более 30 % на главном пути
1.3 Искусственные сооружения.
На Талданской дистанции пути всего 114 искусственных сооружений. Из них:
-
тоннель – 1, полная длина 910 м;
- металлических мостов – 7, полная длина 356,5 м;
-
железобетонных мостов – 36, полная длина 744,13 м;
-
железобетонных труб –53, полная длина 1309,2 м;
-
каменных труб – 10, полная длина 333,87 м;
-
металлических труб – 7, полная длина 113,92 м.
На дистанции (22 сооружений) – дефектных, из них слабодефектных - 3 сооружения.
Балльная оценка состояния сооружений удовлетворительная – 3,6 , балльная оценка содержания сооружений удовлетворительная – 3,84.
Мосты и трубы обслуживает бригада ИССО в количестве 8 человек: 6 мостовых ремонтников, 1 бригадир ИССО, 1 мостовой мастер. По расчету для текущего содержания данных искусственных сооружений необходимо 8 мостовых ремонтников.
Тоннель обслуживает тоннельная бригада в количестве 9 человек: 8 тоннельных рабочих и 1 тоннельный мастер. По расчету для текущего содержания тоннеля необходимо 9 тоннельных рабочих.
Балльная оценка состояния тоннеля неудовлетворительная -2.65, балльная
оценка содержания тоннеля удовлетворительная 2,5.
Работы по обслуживанию земляного полотна производятся бригадой в
количестве 10 человек.
1.4. График административного деления дистанции пути.
Согласно распоряжения ОАО «РЖД» от 13.12.2013 г. № 2758р при новом административном делении на талданской дистанции пути планируется 2 участка.
1 участок:
Протяжённость участка ( главный путь-100 км, станционные пути-10,229 км, подъездные пути-1,116 км, стр.переводы-40 шт.)
Бригады: ППР-1-22 м/п, 2 сигналиста; место дислокации ст.Талдан, доставка к месту работ автотранспортом.
ПД-1-16 м/п, 3 сигналиста; место дислокации ст.Ковали, доставка на станцию Ковали рабочим поездом, к месту работ автотранспортом.
ПД-2-16 м/п, 2 сигналиста; место дислокации ст.Ульручьи, доставка на станцию Ульручьи рабочим поездом, к месту работ автотранспортом.
ПД-3-15 м/п, 3 сигналиста; место дислокации ст.Ангарич, доставка на станцию Ангарич рабочим поездом, к месту работ автотранспортом.
ПД-4-16 м/п, 2 сигналиста; место дислокации ст.Талдан, доставка к месту работ автотранспортом.
4 линейных участка
Начальник участка(ПЧУ)-1
Мастер по планово-предупредительным работам (ПДп)-1
Бригадир по планово-предупредительным работам (ПДБп)-2
Мастер по неотложным работам (ПДн)-4
Бригадир по неотложным работам (ПДБн)-5 ( Ковали 2 ПДБ)
Контролёр пути (ПК)-4
2 участок:
Протяжённость участка ( главный путь-79,2 км, станционные пути-28,846 км, стр.переводы-82 шт.)
Бригады: ППР-2-20 м/п, 2 сигналиста; место дислокации ст.Талдан, доставка к месту работ автотранспортом.
ПД-5-14 м/п, 2 сигналиста; место дислокации ст.Талдан, доставка к месту работ автотранспортом.
ПД-6-20 м/п, 2 сигналиста; место дислокации ст.Талдан, доставка к месту работ автотранспортом.
ПД-7-15 м/п, 3 сигналиста; место дислокации ст.Талдан, доставка к месту работ автотранспортом.
3 линейных участка
Начальник участка(ПЧУ)-1
Мастер по планово-предупредительным работам (ПДп)-1
Бригадир по планово-предупредительным работам (ПДБп)-2
Мастер по неотложным работам (ПДн)-3
Бригадир по неотложным работам (ПДБн)-5 (Талдан, Буринда по 2 ПДБ)
Контролёр пути (ПК)-4 (Талдан 2 ПК)
Итого по ПЧ:
Бригады: Монтёры пути-154
7 линейных участка
Начальник участка(ПЧУ)-2
Мастер по планово-предупредительным работам (ПДп)-2
Бригадир по планово-предупредительным работам (ПДБп)-4
Мастер по неотложным работам (ПДн)-7
Бригадир по неотложным работам (ПДБн)-10
Контролёр пути (ПК)-8
Изменения:
Добавляется 1 линейный участок (№ 5), добавляется в штатное расписание 1 мастер по неотложным работам
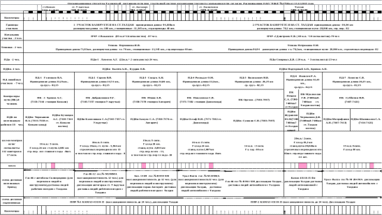
График административного деления дистанции пути приведен на рисунке 1.4.
Рисунок 1.4. График административного деления Талданской дистанции пути.
1.5. Пропущенный тоннаж по Талданской дистанции пути
В таблице 1.2 указан пропущенный тоннаж по Талданской дистанции
пути на 01.01.2017 года.
Таблица 1.2
Пропущенный тоннаж по Талданской дистанции пути на 01.01.2017
года.
| Км,пк | Пропущенный тоннаж, млн т бр | Грузонапряженность, млн т бр. | Год последнего кап. ремонта |
| Нечетный путь | |||
| 7333 0+01- 7336 пк 9+00 | 603,6 | 48,7 | 2001 |
| 7336 9+01- 7338 4+00 | 629,9 | 48,7 | 2000 |
| 7338 4+01- 7339 10+00 | 545,4 | 48,7 | 2003 |
| 7340 0+01 – 7344 9+00 | 629,9 | 48,7 | 2000 |
| 7344 9+01- 7346 6+00 | 545,4 | 48,7 | 2003 |
| 7346 6+01- 7347 6+50 | 512,1 | 48,7 | 2004 |
| 7347 6+51- 7380 3+00 | 339,4 | 48,7 | 2009 |
| 7380 3+01- 7399 7+00 | 301,6 | 48,7 | 2010 |
| 7399 7+01- 7400 6+80 | 477,2 | 48,7 | 2005 |
| 7400 6+81- 7402 5+00 | 473,0 | 48,4 | 2005 |
| 7402 5+01-7412 6+25 | 540,3 | 48,4 | 2003 |
| 7412 6+26- 7420 2+50 | 570,4 | 48,4 | 2002 |
| 7420 2+51-7421 10+00 | 598,1 | 48,4 | 2001 |
Окончание Таблицы 1.2
| Четный путь | |||
| 7333 0+01- 7338 4+86 | 336,1 | 135 | 2014 |
| 7338 4+87- 7339 4+91 | 202,5 | 135 | 2015 |
| 7339 4+92-7345 8+99 | 336,1 | 135 | 2014 |
| 7345 9+00- 7362 7+45 | 33,7 | 135 | 2016 |
| 7362 7+46- 7376 9+15 | 588,6 | 135 | 2012 |
| 7376 9+16- 7389 3+31 | 336,1 | 135 | 2014 |
| 7389 3+32 – 7390 7+22 | 202,5 | 135 | 2015 |
| 7390 7+23-7399 5+12 | 336,1 | 135 | 2014 |
| 7399 5+13 – 7401 5+03 | 202,5 | 135 | 2015 |
| 7401 5+04- 7419 7+93 | 1191,3 | 135,1 | 2006 |
| 7419 7+94- 7420 0+25 | 1111,4 | 135,1 | 2007 |
| 7420 0+26- 7421 10+00 | 1191,3 | 135,1 | 2006 |
Характеристики
Тип файла документ
Документы такого типа открываются такими программами, как Microsoft Office Word на компьютерах Windows, Apple Pages на компьютерах Mac, Open Office - бесплатная альтернатива на различных платформах, в том числе Linux. Наиболее простым и современным решением будут Google документы, так как открываются онлайн без скачивания прямо в браузере на любой платформе. Существуют российские качественные аналоги, например от Яндекса.
Будьте внимательны на мобильных устройствах, так как там используются упрощённый функционал даже в официальном приложении от Microsoft, поэтому для просмотра скачивайте PDF-версию. А если нужно редактировать файл, то используйте оригинальный файл.
Файлы такого типа обычно разбиты на страницы, а текст может быть форматированным (жирный, курсив, выбор шрифта, таблицы и т.п.), а также в него можно добавлять изображения. Формат идеально подходит для рефератов, докладов и РПЗ курсовых проектов, которые необходимо распечатать. Кстати перед печатью также сохраняйте файл в PDF, так как принтер может начудить со шрифтами.
















