Пояснительная записка (1201825), страница 5
Текст из файла (страница 5)
допустимая скорость движения поездов;
способность управления стрелками и сигналами;
тип стрелочного перевода;
длина станционных путей;
порядок пропуска поездов через раздельный пункт (с остановкой или без остановки);
установленный порядок выдачи машинисту локомотива разрешения на право занятия перегона.
Рассчитывают следующие станционные и межстанционные интервалы:
Для встречных поездов:
неодновременного прибытия с остановкой обоих поездов;
неодновременного прибытия поезда с остановкой и проследованием без остановки встречного поезда;
скрещение поездов;
неодновременного отправления и встречного прибытия при враждебных маршрутах.
Для попутных поездов:
-неодновременного прибытия и попутного отправления; -неодновременного отправления и попутного прибытия.
Для поездов противоположных направлений:
-неодновременного отправления поездов противоположных направлений.
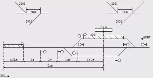
Интервал неодновременного прибытия
Интервал неодновременного прибытия - минимальное время от момента прибытия поезда одного направления до момента прибытия или проследования поезда встречного направления.
Рисунок 4.1. Интервал неодновременного прибытия
Интервал неодновременного прибытия включает время выполнения технологических операций по контролю прибытия первого поезда и приему встречного и время прохода встречным поездом расчетного расстояния , которое определяется по формуле:
L пр =L п /2+L в+ Lбл + L вх, (4.1)
где Lв – расстояние, проходимое поездом за время восприятия показаний сигнала машинистом (50 м);
Lбл - длина блок-участка приближения (2000 м);
Lвх - длина четной входной стрелочной горловины на станции (450 м);
Lп - длина поезда, проходящего через станцию (950 м);
L пр ==750 /2+50+1200+725 =2350 м,
Технологический график расчета интервала неодновременного прибытия приведен на рис. 4.2.
| Операции | Продолжительность одной операции | Время , мин. | ||||
| 1 2 3 4 | ||||||
| Контроль ДСП прибытия поезда № 2001 | 0,5 |
| ||||
| Переговоры ДСП соседних станций | 0,2 |
| ||||
| Приготовление маршрута проследования поезда 2002 | 0,2 |
| ||||
| Открытие входного и выходного светофора поезду 2002 | 0,1 |
| ||||
| Проследование поезда расстояние L | 2,35 |
| ||||
| Общая продолжительность | 3 | |||||
Рисунок 4.2. Технологический график расчета интервала неодновременного прибытия
В результате расчетов интервал неодновременного прибытия составил
= 4 минуты.
Интервал попутного следования
Интервал попутного следования - минимальное время от момента прибытия поезда на соседний раздельный пункт, до момента отправления с данного раздельного пункта на освободившийся перегон следующего поезда того же направления.
Рисунок 4.3. Интервал попутного следования
Интервал попутного следования расчитывается по формуле:
L пр = Lп /2+L в+L m+L вх+L п /2 (4.2)
L пр = 750 /2+50+1200+7250+750 /2=27,25 м
Технологический график расчета интервала попутного следования приведен на рис. 4.4.
| Операции | Продолжительность операции | Время, мин. | ||||
| 1 | 2 | 3 | 4 | 5 | ||
| Контроль проследования поезда 2002 | 0 | |||||
| Переговоры ДСП соседних станций | 0,2 |
| ||||
| Приготовление маршрута проследования поезда 2004 | 0,2 | | ||||
| Открытие входного и выходного светофоров поезду 2004 | 0,1 | | ||||
| Проследование поездом 2004 расстояние L | 2,72 |
|
| |||
| Общая продолжительность | 3 | |||||
Рисунок 4.4. Технологический график расчета интервала попутного следования
В результате расчетов интервал попутного следования составил:
= 4 мин.
Интервал скрещения
Интервал скрещения - минимальное время от момента прибытия или проследования по станции поезда одного направления до момента отправления со станции поезда встречного направления на тот же перегон.
Рисунок 4.5. Интервал скрещения
Технологический график расчета интервала скрещения приведен на рис. 4.6.
| Операции | Продолжительность операции | Время, мин. | ||||
| 1 2 3 4 | ||||||
| К | 0 | |||||
| Переговоры ДСП соседних станций | 0,2 |
| ||||
| Приготовление маршрута проследования поезда 2002 | 0,1 |
| ||||
| Открытие выходного светофора поезду 2002 | 0,05 |
| ||||
| Проверка машинистом локомотива правильности разрешения на занятие перегона, подача сигнала и приведение лок-в в движение | 0,2 |
| ||||
| Общая продолжительность | 1 | |||||
Рисунок 4.6. Технологический график расчета интервала скрещения
Интервал скрещения принимаем
= 1 мин.
Таблица 4.1
Расчет интервалов на участке Холмск – Арсентьевка
| Станция |
|
|
|
| Холмск сорт. | 4 | 1 | 4 |
| Холмск Юж. | 3 | 1 | 4 |
| Холмск Сев. | 3 | 1 | 4 |
| Пионеры | 4 | 1 | 4 |
| Чехов | 4 | 1 | 4 |
| Новоселово | 4 | 1 | 4 |
| Томари | 4 | 1 | 4 |
| Пензенская | 4 | 1 | 4 |
| Ильинск | 3 | 1 | 4 |
| Арсентьевка | 4 | 1 | 4 |
4.2 Расчет наличной пропускной способности
Наличной пропускной способностью железнодорожного участка называется максимальное число грузовых поездов (пар поездов) установленных веса и длины, которое может быть пропущено по этому участку за сутки в зависимости от его технической оснащенности и принятого способа организации движения поездов.
Перегоны участка могут иметь различную пропускную способность, поэтому для определения пропускной способности участка по перегонам необходимо предварительно найти перегон с наименьшей пропускной способностью, которую называют ограничивающим перегоном, рассчитать его пропускную способность и определить тем самым пропускную способность участка в целом.
Пропускная способность перегона зависит от типа графика и величины его элементов, а также от путевого развития раздельных пунктов и в общем виде определяется, поездов:
N=
, (4.3)
где
– продолжительность технологических «окон» в графике движения, мин;
– коэффициент, учитывающий надежность технических средств;
– период графика, мин
Под технологическим «окном» понимается свободный от пропуска поездов промежуток времени, предоставляемый в графике движения и необходимый для выполнения работ по текущему содержанию и ремонту устройств пути, контактной сети, сигнализации, централизации и 30 блокировки. Продолжительность технического «окна» зависит от типа применяемых машин и механизмов, а также от принятой технологии работ и принимается в расчетах наличной пропускной способности равной на однопутных участках 75 минут, линий с двухпутными вставками – 90 мин.
Величина коэффициента надежности инфраструктуры и подвижного состава
определяется в зависимости от вида тяги и числа главных путей на перегоне. Коэффициент надежности учитывает паспортную надежность технических средств инфраструктуры и возможные вероятные отказы в их работе в процессе эксплуатации. С учетом отказов подвижного состава в целом коэффициент надежности при расчете наличной пропускной способности принимается на неэлектрифицированных однопутных линиях при тепловозной тяге 0,92
Периодом графика на однопутном участке является время занятия перегона характерной для данного графика группой поездов, периодически повторяющейся в течение суток.
,35
,5
,72
онтроль проследования поезда 2001
,5
,05
, мин
, мин
, мин













