ДИПЛОМ ГОТОВЫЙ (1198952), страница 16
Текст из файла (страница 16)
- условиями внешней среды (температурой, влажностью, наличием токопроводящей пыли и др.)[23].
Степень поражения организма во многом определяет путь, по которому электрический ток проходит через тело человека. Наиболее часты в практике варианты 1, 2, 5, 6, 7, показанные на рис. 2.1.
Рис. 2.1. Варианты путей прохождения электрического тока через тело человека.
7.3 Причины поражения работника электрическим током при текущем содержании пути.
Основными причинами являются:
1. Случайное прикосновение или приближение на опасное расстояние к токоведущим частям, находящимся под напряжением.
2. Появление напряжения на металлических конструктивных частях электрооборудования — корпусах, кожухах и т. п. — в результате повреждения изоляции и других причин.
3. Появление напряжения на отключенных токоведущих частях, на которых работают люди, вследствие ошибочного включения установки.
4. Возникновение шагового напряжения на поверхности земли в результате замыкания провода на землю.
5.при освобождении другого человека, находящегося под напряжением.
6.привлечение к работе лиц, неоформленных приказом о приеме на работу в организацию;
7. допуск к работе лиц, имеющих медицинские противопоказания.
8.работа в сверхурочное время (в том числе работа по ликвидации последствий аварий);
9.несоответствие работы специальности;
10.нарушение трудовой дисциплины;
11.неисправность СИЗ;
12.работа неисправным инструментом.
Опасность поражения электрическим током имеется на работах, выполнение которых связано с прикосновением к элементам цепи обратного тока – к рельсам и соединённым с ними устройствами. Такими работами заняты монтёры контактной сети СЦБ и связи, монтёры пути.
Для работников ряда профессий представляет опасность касание контактной подвески, находящейся под рабочим или наведённым напряжением. Прежде всего это возможно на работах по погрузке и выгрузке вагонов. Опасность поражения наведёнными потенциалами имеет место при ремонте пути, особенно бесстыкового, когда длина рельсовой плети составляет сотни метров.
Повышенная опасность электротравм существует при обслуживании электроподвижного состава и тепловоза.
Большая часть контингента железнодорожников занята работой непосредственно на путях перегонов и станций. К особенностям работы на путях можно отнести: наличие путей с интенсивным разносторонним движением, протяжённые тормозные пути, органическое расстояние между осями смежных путей, а также подвижным составом и сооружениями, большая протяжённость фронта работ при ограниченном обзоре, низкая освещённость рабочей зоны в тёмное время суток.
Воздействие климатических факторов вносит ряд дополнительных трудностей. В зимний период ухудшается состояние производственной территории. Из – за снежных заносов усложняются условия переходов путей, передвижения по междупутьям. В гололёд резко увеличивается опасность падений. В холодное время года приходится пользоваться тёплой спецодеждой, затрудняющей движения, ухудшающей восприятия звуковых сигналов[24].
7.4 Организация безопасного выполнения работ и обеспечение защиты от поражения электрическим током.
Работы вблизи неотключенных и незаземленных контактной сети и воздушных линий должны быть организованы так, чтобы исключалось приближение работающих, имеющихся у них предметов и инструмента на расстояние менее 2 м к проводам этих линий.
Опасная зона для работ на мостах электрифицированных участков (2 м от токонесущих частей контактной сети) должна быть обозначена красной полосой на элементах пролетных строений или конструкций подвески ВЛ. Обозначение наносится работниками дистанции пути.
При работах со сплошной сменой рельсов в зоне изолирующих сопряжений или нейтральной вставки должны быть включены секционные разъединители, шунтирующие изолирующее сопряжение или нейтральную вставку.
Работы, выполняемые неэлектротехническим персоналом на расстоянии от 2 до 4 м, должны производиться под непрерывным надзором специально выделенного и проинструктированного руководителем работ лица[25].
К мерам по предупреждению поражения человека электрическим током относят:
- применение безопасного сверхнизкого (малого) напряжения;
- применение защитных устройств от случайных прикосновений (изолирование, ограждения, сигнализация, блокировка, заземление или зануление, защитное отключение, знаки безопасности);
- использование средств борьбы со статическим электричеством;
- применение защитных мер от поражения наведенным напряжением;
- использование электрозащитных средств.
Защита от случайных прикосновений. Для защиты от случайных прикосновений токоведущие части и детали электрооборудования изолируют. Электрическая изоляция — это слой диэлектрика, которым покрывают токоведущие части.
Опасную зону для защиты от случайного прикосновения человека ограждают. Ограждения выполняют в виде переносных щитов, стенок, экранов, располагаемых в непосредственной близости от опасного оборудования или открытых токоведущих шин.
Ограждения должны быть выполнены таким образом, чтобы снятие или открывание их были возможны лишь при помощи ключа или инструмента. Часто оградительные устройства применяют совместно с сигнализацией и блокировкой, которые предотвращают несанкционированный доступ к опасному оборудованию.
Для защиты людей от поражения электрическим током при прикосновении к металлическим нетоковедущим частям, которые могут оказаться под напряжением в результате повреждения изоляции, используют заземление или зануление.
Заземление — преднамеренное электрическое соединение какой-либо точки системы электроустановки или оборудования с заземляющим устройством для обеспечения электробезопасности. Заземлители — металлические стержни, специально забиваемые вертикально в землю, а в ряде случаев еще и дополнительные приваренные к ним металлические полосы или прутки, укладываемые горизонтально в земле на дно котлована. В случае возникновения напряжения на корпусе электроустановки с защитным заземлением электрический ток пройдет в землю по параллельной цепи, но не через тело человека. Занулением называют электрическое соединение металлических частей электрического устройства, не находящихся под напряжением, с заземленным нулевым проводом в пункте источника питания электроэнергией[26].
Работа электрическим инструментом допускается только с четырехжильным кабелем, три из которых (с изоляцией одинакового цвета) предназначены для подачи по ним тока, четвертый (с изоляцией другого цвета) служит для заземления. Этот заземляющий провод соединен с корпусом коробки выключателя и с корпусом электроинструмента. Необходимо следить, чтобы места соединения были всегда зачищены.
Главным условием безопасной работы с кабелем является наличие надежной изоляции его. Магистральный кабель следует укладывать в сухих местах: на перегоне – по наружному краю обочины, на станциях – по широкому междупутью. Поперек путей кабель пропускают между шпалами под рельсами. Нельзя допускать петления, скручивания и натяжения кабеля. Необходимо следить, чтобы кабель не располагался в местах скопления нефтяных отходов, масла, от которых повреждается резиновая оболочка изоляции.
При работе с применением передвижной электростанции перемещение ее по фронту работ производится: на двухпутном участке – по наружной рельсовой нити, на однопутном участке – по наиболее удобной нити, с установкой необходимых сигналов ограждения. Электростанция должна устанавливаться на обочине земляного полотна на расстоянии не менее 2 м от крайнего рельса. Металлический корпус электростанции должен быть заземлен. Для этого обычно используют металлическую трубу или стержень диаметром 25 – 30 мм, длиной 1,1 – 1,2 м с неизолированным проводом, присоединяемым к клемме заземления на раме электростанции. Заземлитель забивают в предварительно увлажненный грунт на глубину не менее 1 м на расстоянии не ближе 2 м от крайнего рельса [27].
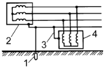
Рис 4.1 Заземление переносного путевого электроинструмента:
1 – инвентарный заземлитель; 2 – корпус электростанции; 3 – заземляющая жила питающего кабеля инструмента; 4 – корпус электроинструмента
Средства индивидуальной защиты. Изолирующие электрозащитные средства делятся на основные и дополнительные. К основным изолирующим электрозащитным средствам в электроустановках напряжением до 1000 В относятся изолирующие штанги, изолирующие клещи, указатели напряжения, диэлектрические перчатки, ручной изолирующий инструмент. Они проходят обязательную периодическую проверку. Их испытывают на пробой напряжением.
Имеются и дополнительные изолирующие электрозащитные средства, которые сами по себе не могут при определенном напряжении обеспечить защиту от поражения электрическим током, но дополняют основное средство защиты[28].
Рис. 4.2. Электрозащитные средства для работы в электроустановках напряжением до 1000 В: а — основные средства: 1 — изолирующие клещи; 2 — гаечный ключ с изолирующими рукоятками; 3 — отвертка с изолирующими рукоятками; 4 — пассатижи с изолирующими рукоятками; 5, 6, 7 — указатели напряжения; 8 — токоизмерительные клещи; 9 — перчатки диэлектрические; б — дополнительные средства: 1 — галоши диэлектрические; 2 — боты диэлектрические; 3 — туфли антистатические; 4 — сапоги диэлектрические; 5 — диэлектрический ковер; 6 — диэлектрическая дорожка; 7 — изолирующая подставка.
7.5 Первая помощь
Весь персонал должен периодически проходить теоретическое и практическое обучение приемам оказания первой помощи пострадавшим и инструктаж о способах ее оказания.
Для того, чтобы первая помощь была своевременной и эффективной, в местах постоянного дежурства персонала должны иметься аптечки (или сумки первой помощи у бригадиров при работе вне территории предприятия) с набором необходимых медикаментов и медицинских средств для оказания первой помощи.
Оказывающий помощь должен знать основные признаки нарушения жизненно важных функций организма человека, а также уметь освободить пострадавшего от действия опасных и вредных факторов, оценить состояние пострадавшего, определить последовательность применяемых приемов помощи, при необходимости использовать подручные средства при оказании помощи и транспортировке пострадавшего.
Последовательность действий при оказании первой помощи пострадавшему такова:
1) устранение воздействия на организм пострадавшего опасных и вредных факторов (освобождение его от действия электрического тока, вынос из зараженной атмосферы, гашение горящей одежды и т.д.);
2) оценка состояния пострадавшего;
3) определение характера травмы, создающей наибольшую угрозу для жизни пострадавшего, и последовательности действий по его спасению;
4) выполнение необходимых мероприятий по спасению пострадавшего в порядке срочности (восстановление проходимости дыхательных путей; проведение искусственного дыхания, наружного массажа сердца, остановка кровотечения; иммобилизация (создание покоя) места перелома; наложение повязки и т.п.);
5) поддержание основных жизненных функций организма пострадавшего до прибытия медицинского персонала;
6) вызов скорой медицинской помощи, врача или принятие мер для транспортировки пострадавшего в ближайшее лечебное учреждение.
В случае невозможности вызова медицинского персонала на место происшествия необходимо обеспечить транспортировку пострадавшего в ближайшее лечебное учреждение. Перевозить пострадавшего можно только при устойчивом дыхании и пульсе.
В том случае, когда состояние пострадавшего не позволяет его транспортировать, необходимо поддерживать его основные жизненные функции до прибытия медицинского работника[29].
7.6 Расчет заземления цеха на Бикинской дистанции пути
7.6.1 Краткие теоретические сведения
Заземление электроустановок следует выполнять: при напряжении 380 В и выше переменного тока, 440 В и выше постоянного – во всех случаях; при номинальном напряжении от 42 до 380 В переменного и от 110 до 440 В постоянного тока – при работах в условиях повышенной опасности и особо опасных.
Различают искусственное и естественное заземление.
вертикальные заземлители выполняются длиной не более 2,5м и изготавливаются из стального проката в виде уголка 6060 и 5050 или из стальных труб толщиной не менее 2,5мм.
В качестве соединительной полосы используется полосовая сталь толщиной 4 мм и более, сечением не менее 48 мм. Глубина заложения вертикальных заземлителей и полос
– 0,5…0,8 м от поверхности земли.
В производственных помещениях дополнительно прокладывается видимый контур по стене на высоте 0,3 м от пола, который соединяется с заземлением не менее чем в двух точках. Электроустановки подключаются к видимому контуру параллельно.
Рис. 6.1. Схема заземления цеха: 1 – электроустановка; 2 – соединительная полоса; 3 – вертикальный заземлитель; 4 – видимый контур заземления; 5 – соединитель видимого контура
7.6.2 Расчет заземления цеха
Исходные данные:
а = 21м ; b = 21м















