Пояснительная записка (1198642), страница 4
Текст из файла (страница 4)
Для питания рельсовых цепей в путевых ящиках устанавливаются путевые генераторы типа ГПЗ-8,9,11 или ГПЗ-11,14,15, также устанавливаются путевые фильтры типа ФПМ-8,9,11 или ФПМ-11,14,15. При проектировании системы АБТЦ для каждого типа генератора и фильтра указывают внешний настроечные перемычки в соответствии с требуемой несущей и модулирующей частоты.
В качестве согласующего трансформатора используется ПОБС-2Г с коэффициентом трансформации n=38.
От путевого генератора через путевой фильтр, выходную цепь передающих устройств числовой АЛС, конденсатор С емкостью 4 мкФ, кабель и согласующий трансформатор типа ПОБС-2Г передается амплитудно-модулированный сигнал в рельсовую цепь.
На релейном конце сигнал поступает на вход путевого приемника ПП. В результате на выходе путевого приемника, настроенного на несущую и модулирующую частоты принимаемого сигнала, происходит включение путевого реле типа АНШ2-310, контролирующего свободное или занятое состояние рельсовой цепи.
Путевые приемники применяются в зависимости от несущей частоты и частоты модуляции (ПП1-8/8, ПП1-8/12, ПП1-9/8, ПП1-9/12, ПП1-11/8, ПП1-11/12, ПП1-14/8, ПП14/12, ПП1-15/8, ПП1-15/12).
Так же в состав рельсовых цепей входят:
-
реле П1 и П2 типа 1Н-340 – повторители путевых реле.
-
реле ПП типа 1Н-1350 – повторители путевых реле блок-участка.
-
реле ЧПП (НПП) типа 2Н-2050 – повторитель путевых реле рельсовых цепей перегона примыкающих к четной (нечетной) горловине, реле замыкания перегона ЧПБ (НПБ) и реле замыкания участка удаления НУУ (ЧУУ).
2.6 Аппаратура рельсовых цепей тональной частоты ТРЦ3
2.6.1 Путевой генератор ГП3
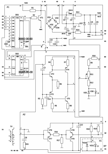
Генератор ГПЗ предназначен для формирования и усиления амплитудно-манипулированного сигнала с синусоидальной формой. Его принципиальная схема представлена на рисунке 2.2.
Рисунок 2.2 – Принципиальная схема генератора ГПЗ
Генераторы ГП3 являются взаимозаменяемыми с генераторами ГП предыдущей модификации. Включают в себя следующие узлы: генератор несущих частот, генератор модулирующих частот, манипулятор, предварительный усилитель, регулятор выходного напряжения, выходной усилитель, вторичный источник питания.
Генератор несущих частот выполнен на микросхеме DD1 генератора низкой частоты с кварцевым резонатором GB. Настройка на одну из трех предусмотренных частот осуществляется при помощи внешних перемычек указанных в таблице 2.2.
Генератор модулирующих частот и манипулятор реализованы на микросхеме DD2. На его входы от генератора DD1 подаются сигналы тактовой частоты (1 МГц) и несущей частоты fн.
Предварительный усилитель служит для согласования выхода микросхемы DD2 с регулятором выходного напряжения и выполнен на транзисторах VT2‑VT5, работающих в ключевом режиме.
Таблица 2.2 – Настроечная таблица путевого генератора (ГП3)
| Тип ГПЗ | Несущая частота fH Гц | Перемычки Для fH | Перемычки при частоте модуляции fM | Перемычки при работе на ФПМ | |
| 8 Гц | 12 Гц | ||||
| ГПЗ1/8,9,11 | 420 | 12-23,81-73 | 62-42 | 62-33 | 3-4 51-61 72-83 |
| 480 | 12-21,81-63 | ||||
| 580 | 12-22,81-82 | ||||
| ГПЗ1/11,14,15 | 580 | 12-22,81-73 | |||
| 720 | 12-13,81-63 | ||||
| 780 | 12-11,81-62 | ||||
В состав регулятора входят: переменный резистор R11, резисторы R9 и R10, трансформатор TV и конденсатор С6 с резистором R15.
Резисторы R9‑R11 включаются последовательно с первичной обмоткой трансформатора TV посредством внешней перемычки 83-72. Переменный резистор R11 за счет изменения тока первичной обмотки TV позволяет регулировать выходное напряжение амплитудно-модулированного сигнала от 1 до 6 В. Ручка переменного резистора R11 выведена на переднюю панель кожуха блока ГП3 для возможности регулировки выходного напряжения без вскрытия блока.
Трансформатор TV обеспечивает гальваническую развязку цепи регулятора от цепи выходного усилителя. Кроме того, он обеспечивает снижение выходного сопротивления регулятора, что исключает такой опасный отказ, как возрастание выходного напряжения генератора ГП3 при различных повреждениях в цепи регулятора и изменении входного сопротивления выходного усилителя. Конденсатор С6 и секционированная вторичная обмотка трансформатора TV позволяют произвести настройку в резонанс на несущей частоте, что исключает искажение формы выходного сигнала.
Выходной усилитель работает в линейном режиме и состоит из двух каскадов (транзисторы VT6-VT9). Наличие 100%-ной отрицательной обратной связи исключает изменение выходного напряжения при изменении коэффициентов усиления транзисторов. Выходной сигнал снимается с выводов 2‑52.
Вторичный источник питания вырабатывает двухполярное нестабилизированное напряжение 20 В и стабилизированное напряжение 9 В.
С целью визуального контроля работы путевого генератора ГП3 предусмотрены светодиоды VD6 и VD11, которые выведены на переднюю панель. Мигание светодиода VD6 говорит о нормальной работе задающих генераторов и предварительного усилителя. Ровное свечение светодиода VD11 свидетельствует о наличии питания выходного усилителя.
2.6.2 Фильтр питающего конца ФПМ
Путевой фильтр ФПМ выполняет следующие функции: защита выходных цепей путевого генератора от влияния токов локомотивной сигнализации, тягового тока и перенапряжений, возникающих в РЛ; гальваническое разделение выходной цепи генератора от кабеля и получения на нем требуемых напряжений при относительно низких выходных напряжениях генератора.
Фильтр ФПМ реализован в виде последовательного колебательного LC-контура. Он содержит 8 конденсаторов и трансформатор TV в качестве индуктивности (рисунок 2.3). Фильтр ФПМ настраивается в резонанс за счет изменения индуктивности TV и емкости, емкость устанавливается внешними перемычками (таблица 2.3).
Рисунок 2.3 – Схема ФПМ
Таблица 2.3 – Настроечная таблица фильтра путевого (ФПМ)
| Тип фильтра | Частота, Гц | Величина емкости, мкФ | Перемычки |
| ФПМ 8, 9, 11 | 420 480 580 | 4,85 4,38 4,07 | 21-22-23-43-83 21-22-23-42 22-23-41-73-81 |
| ФПМ 11, 14, 15 | 580 720 780 | 4,07 3,68 3,57 | 22-23-43-73-81 21-23-42-82-83 21-23-41-81-83 |
На выводы 11‑71, подается сигнал от генератора ГП3. Настройка на требуемую частоту осуществляется одновременным изменением индуктивности и емкости, что позволяет обеспечить относительно стабильное входное сопротивление фильтра на различных частотах.
С учетом различных условий применения в путевых фильтрах ФПМ предусмотрены 3 выхода с различными выходными сопротивлениями.
Фильтр рассчитан таким образом, что энергетически наиболее выгодным является выходное сопротивление 800 Ом (выводы 12‑61). Этот выход используется в случаях наиболее частого применения – в рельсовых цепях с нормальным сопротивлением балласта.
Выводы 12‑62 (выходное сопротивление 400 Ом) используют в ТРЦ при низком сопротивлении балласта, а также при отсутствии защитного резистора в УСЗ, что характерно для автономной тяги. При этом от путевого генератора ГП3 потребляется достаточно малая мощность, что позволяет использовать в качестве резервного источника питания аккумуляторные батареи.
Выводы 12‑63 (выходное сопротивление 140 Ом) используются при низком сопротивлении балласта и наличии электрической тяги. Используемое в этом случае выходное сопротивление фильтра обеспечивает оптимальное обратное входное сопротивление питающего конца ТРЦ (0,4 Ом).
2.6.3 Путевой приемник ПП3
Путевой приемник имеет следующие функциональные узлы: входной фильтр, демодулятор, амплитудный ограничитель, первый буферный каскад, первый фильтр частоты модуляции, второй буферный каскад, пороговое устройство, выходной усилитель, второй фильтр частоты модуляции, выпрямитель, вторичный источник питания.
Структурная схема приемника представлена на рисунке 2.4. Настроечная таблица ПП3 представлена в таблице 2.4.
Таблица 2.4 – Настроечная таблица путевого приемника (ПП3)
| Тип ПП | Несущая частота fH Гц | Частота модуляции fM Гц | Выходные выводы | Входные выводы |
| ПП-8/8 | 420 | 8 | 31-33 | 11-43 |
| ПП-8/12 | 12 | |||
| ПП-9/8 | 480 | 8 | 31-13 | |
| ПП-9/12 | 12 | |||
| ПП11/8 | 580 | 8 | 31-83 | |
| ПП11/12 | 12 | |||
| ПП-14/8 | 720 | 8 | 31-52 | |
| ПП-14/12 | 12 | |||
| ПП-15/8 | 780 | 8 | 31-51 | |
| ПП15/12 | 12 |
Входной фильтр ФПМ представляет из себя полосовой фильтр собранный из четырех LC-контуров. Связь между этими контурами предусмотрена через транзисторный каскад VT1.
Рисунок 2.4 – Принципиальная схема приемника
Выводы 11-43 являются входом ФПМ. Регулируемый резистор R34 предназначен для регулировки чувствительности приемника. Демодулятор выделяет сигнал с частотой модуляции и реализуется на транзисторе VT2.
Для более надежного отбора частот модуляции 8 или 12 Гц, в схему ФПМ введен амплитудный ограничитель.
Первый буферный каскад (VT4) обеспечивает согласование входного сопротивления первого фильтра модулирующей частоты с параметрами амплитудного ограничителя. Второй буферный каскад обеспечивает согласование функциональных узлов.
Выходной усилитель предназначен для питания путевого реле и представляет собой двухкаскадный двухтактный усилитель с двухполярным питанием. Первый каскад (VT9 и VT10) работает в линейном режиме, второй (VT11 и VT12) – в ключевом режиме.
















