Пояснительная записка (1198642), страница 3
Текст из файла (страница 3)
2.1 Путевой план перегона
Путевой план перегона составляется на основании тяговых расчетов, согласовывается руководством дистанции сигнализации централизации блокировки, пути, руководством служб электроснабжения железной дороги, главным ревизором железной дороги по безопасности движения и утверждается руководством железной дороги согласно инструкции по содержанию технической документации на устройства СЦБ(ЦШ/617).
На путевом плане перегона изображают: перегонные светофоры и их ординаты, переезды и их ординаты, кабельную сеть перегона и кабельные планы сигнальных точек, путевые устройства, САУТ, ПОНАБ, ДИСК, КГУ, УКСПС.
На листе 1 графического материала приведена схема двухпутного перегона А-Б. Основная аппаратура размещается централизованно на прилегающей к перегону станции.
При организации ТРЦ в пределах каждого блок-участка защита смежных рельсовых цепей и рельсовых цепей соседних путей от взаимных влияний, обеспечена чередованием несущих частот и частот модуляции.
В рельсовых цепях, для того чтобы обеспечить зону дополнительного шунтирования сигнальную установку сдвигаю на 40 метров.
Для увязки аппаратуры расположенной на станциях, а также постовой и перегонной аппаратуры используются сигнально-блокировочные кабели для каждого пути:
-
чётный путь – ЧСЦБ2 (НСЦБ2), ЧСЦБ4 (НСЦБ4);
-
нечётный путь – ЧСЦБ1 (НСЦБ1), ЧСЦБ3 (НСЦБ3).
Питающие и релейные концы перегонных рельсовых цепей для каждого пути размещены в разных кабелях.
Предвходной и проходные светофоры управляются по 5 жилам (З, Ж, К, ОЖЗ, ОК) сигнально – блокировочного кабеля.
На путевом плане перегона показаны:
-
перегонные сигналы и ординаты их установки;
-
путевые ящики и разветвительные муфты и ординаты их установки;
-
рельсовые цепи с указанием их длины и взаимным расположением приемных и питающих концов, с указанием комбинаций несущих и модулирующих частот генераторов;
-
кабельные сети с указанием марки кабеля, его длины, жильности, числа запасных жил, обозначение жил цепей СЦБ и связи.
Далее в графическом материале и пояснительной записке дипломного проекта представлены схемы и работа ТРЦ и аппаратуры АБТЦ для нечетного пути перегона Прохаско – Филаретовка.
2.2 Кабельная сеть
На основании путевого плана перегона составлена кабельная сеть.
При проектировании АБТЦ необходимо руководствоваться правилами проектирования железнодорожной автоматики и телемеханики (СП 235.1326000.2015), правилами по прокладке и монтажу кабелей устройств СЦБ (ПР 32 ЦШ 10.01-95) и другими нормативными документами.
Набор чертежей кабельной сети изображен в двух частях. На первой части изображены пути перегона в двухниточном виде и устройства которые будут располагаться на перегоне. На второй части изображено распределение электрических цепей АБТЦ в магистральных кабелях СЦБ.
Наименование рельсовых цепей выполняется от границы со станцией, до границы деления перегона или до границы с соседней станцией в том случае, если деление перегона нецелесообразно. Четные номера присваиваются рельсовым цепям примыкающим к четной горловине станции (2П, 4П, 6П и т.д.). Нечетные номера присваиваются рельсовым цепям примыкающим к нечетной горловине станции (1П, ЗП, 5П и т.д.). На двухпутных участках к номеру рельсовой цепи добавляется индекс для четного пути – Ч (Ч2П, Ч4П, Ч6П и т.д.), для нечетного пути – Н (Н1П, Н3П, Н5П и т.д.).
У путевого ящика питающего конца указывается комбинация частот рельсовой цепи (несущая/модулирующая). Длины рельсовых цепей определяются на основании методики выбора частот и длин ТРЦ в системе АБТЦ (приведена ниже).
На кабельных сетях АБТЦ двухпутных участков должны проектироваться две трассы магистральных кабелей. Магистральные кабели должны прокладываться со стороны своего пути.
При замыкании жил кабеля существует опасность попадания сигнального тока от путевого передатчика непосредственно на путевой приемник в обход рельсовой линии. Поэтому питающие и релейные жилы рельсовых цепей проложены в разных кабелях. Однако, это не исключает опасной ситуации, которая возникает в случае замыкания питающих или релейных жил между собой. При занятой РЦ сигнальный ток может попасть на путевой приемник по обходной цепи через другую рельсовую линию. Кроме того, замыкание жил может привести к подаче в РЦ более разрешающего кодового сигнала АЛС, предназначенного для другой РЦ. Для этого в схемах рельсовых цепей используется контроль исправности жил кабеля.
Для управления огнями перегонных светофоров согласно технических решений (ПЕТИ. 424565. 011 ТР-АБ) прямые и обратные жилы должны размещаться в одном кабеле.
Для уменьшения количества кабелей разрешается группировать в одном кабеле жилы управления светофорами и ТРЦ. Например, совместно с релейными и питающими концами ТРЦ могут прокладываться линейные цепи увязки комплектов аппаратуры АБТЦ, цепи смены направления движения и другие электрические цепи, частота тока которых отлична от диапазона частот, применяемых в ТРЦ.
Допускается размещение в одном кабеле с ТРЦ цепи аварийно-восстановительной связи (ABC). Не допускается размещение в одном кабеле с ТРЦ цепей перегонной связи (ПГС).
Для защиты кабелей АБТЦ от электромагнитного влияния тяговой сети переменного тока в необходимых случаях в соответствии с расчетом применяются кабели с металлической оболочкой и броней в полиэтиленовом шланге. Расчет влияния тяговой сети рекомендуется выполнять на основании “Правил защиты устройств проводной связи и проводного вещания от влияния тяговой сети электрифицированных железных дорог переменного тока” (ГОСТ Р 54938 – 2012).
На второй части комплекта чертежей кабельной сети отображаются электрические цепи магистральных кабелей АБТЦ с указанием их наименования и группирования по кабелям.
При построении кабельных сетей АБТЦ приняты следующие обозначения:
-
ABC - цепи аварийно-восстановительной связи;
-
Н, ОН - прямой и обратный провода цепи смены направления;
-
К, ОК - прямой и обратный провода цепи контроля перегона (схема смены направления);
-
Л, ОЛ - прямой и обратный провода линейной цепи с указанием номера линейной цепи, (Л1-OЛ1);
-
Р (П, М) - прямой и обратный провода релейного конца ТРЦ с указанием номера смежных рельсовых цепей [Ч1-3Р (П, М), Ч5-7Р (П, М)];
-
П (П, М) - прямой и обратный провода питающего конца ТРЦ с указанием номера смежных рельсовых цепей [Ч1П (П, М), Ч3-5П (П, М)];
-
3, Ж, К - прямые провода управления огнями светофора зеленым, желтым, красным с указанием номера светофора, например 1C (3, Ж, К,);
-
ОЖЗ, ОК - обратные провода управления огнями светофора зеленым и желтым, красным с указанием номера светофора, например 1C (ОЖЗ, ОК).
В данном дипломном проекте приведен вариант выполнения путевого плана перегона и кабельной сети для двухпутного участка при электротяге переменного тока. В этом случае, для выравнивания асимметрии, должны применяться дроссель-трансформаторы типа ДТ-1-150 или аналогичные, расстояние между ординатами установки ДТ рекомендуется принимать равным от 3 до 6 км, так как перегон не превышает 6 км то установка ДТ не требуется. Дроссель-трансформаторы устанавливаются только на входных светофорах.
Так же, при проектировании АБТЦ на существующих электрифицированных линиях необходимо учитывать места подключения существующих ДТ, на которые были заземлены мосты, газопроводы, КТП и т.д.
2.3 Методика выбора частот и длин ТРЦ в системе АБТЦ
Особенностью регулировки ТРЦ с проходными светофорами без изолирующих стыков является обеспечение зоны шунтирования путевого реле впередилежащей ветви РЦ не более 40 м.
Принципиальная схема перегонных РЦ для участков с электрической тягой переменного и постоянного токов приведены на листе 2 графического материала. В этих схемах:
-
расчетное значение суммарного сопротивления защитного резистора и соединительных проводов на частоте тока кодирования АЛСН должно составлять от 0,2 до 0,3 Ом;
-
диаметр медных жил кабеля должен составлять не менее 0,9 мм;
-
на питающем конце (ПК) РЦ при длине кабеля более 5 километров используется выход фильтра 12-61; при длине кабеля менее 5 километров - выход фильтра 12-62 или 12-63, определяемый регулировочной таблицей ТРЦ.
На участках с электротягой переменного тока при длине кабеля менее двух километров требуется установка дополнительного резистора сопротивлением 100 Ом и мощностью 25 Вт в цепь кодирования 25 Гц.
При выборе длин и частот ТРЦ на кабельной сети перегона рекомендуется следующее:
-
чередование несущих частот fн должно обеспечивать наличие между двумя ближайшими РЦ с одинаковыми значениями fн не менее чем двух пар РЦ с отличными от указанной несущими частотами (это условие выполняется при следующем чередовании значений fн: 580, 720, 780, 580 Гц и т.д.;
-
в рельсовых цепях РЦЗ используются частоты 420, 480, 580, 720 и 780 Гц; длины РЦЗ не должны превышать значений, указанных в таблице 2.1. В случае установки дроссель-трансформаторов для выравнивания тягового тока, для подключения отсасывающих фидеров и других устройств, длину этой РЦ рекомендуется уменьшить в 1,5 раза;
-
выбор значения частоты модуляции (fM) должен осуществляться исходя из того, чтобы на соседних рельсовых цепях они отличались друг от друга (например это условие выполняется, если применены частоты 580/8; 480/12; 780/8; 420/12; 720/8 Гц или 580/12; 480/8; 780/12; 420/8; 720/12 Гц);
-
расположение дополнительных дроссель-трансформаторов, используемых для выравнивания тягового тока, тяговых отсосов и устройств заземления, как правило, должно исключать их размещение в пределах длин РЦ1. В противном случае длин РЦ1, приведенная в таблице 2.1, должна быть уменьшена в 1,5 раза.
Таблица 2.1 – Частоты в зависимости от длины участка
| Lкаб, км | fH=580 Гц | fH =720 Гц | fH =780 Гц | fH =420 или 480 Гц | fH =580, 720 или 780 Гц | |||||||
| РЦ1, м | РЦ2, м | РЦ1, м | РЦ2, м | РЦ1, м | РЦ2, м | РЦ3, м | РЦ3, м | |||||
| До 6,0 | 300 | 550 | 350 | 600 | 350 | 600 | 1000 | 800 | ||||
| 6,0‑9,0 | 300 | 500 | 350 | 500 | 350 | 500 | 800 | 600 | ||||
| 9,0‑12 | ‑ | ‑ | 200 | 400 | 200 | 400 | 700 | 500 | ||||
При длине кабеля менее 5 км возможно увеличение длины РЦ2 до 800 м при использовании трансформатора УТ3 в РЦ1.
2.4 Схемные решения
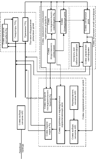
По структуре и назначению схемы АБТЦ (рисунок 2.1) можно разделить на следующие части:
-
схемы рельсовых цепей;
-
схема контроля жил кабеля обеспечивает контроль за исправностью жил кабеля рельсовых цепей;
Рисунок 2.1 – Структурная схема АБТЦ
-
схемы включения огней светофоров осуществляют включение сигнальных показаний на светофорах;
-
схемы кодирования рельсовых цепей обеспечивают передачу на локомотив информации о показаниях впередилежащих светофоров;
-
схема замыкания перегонных устройств предназначена для блокирования запрещающего показания светофора при нахождении поезда на блок-участке ограждаемом этим светофором;
-
схема контроля последовательного освобождения рельсовых цепей выполняет функцию отслеживания поезда по рельсовым цепям блок-участка и защитного участка.
-
схема контроля последовательного занятия рельсовых цепей предназначена для исключения передачи разрешающего кодового сигнала АЛС в рельсовую цепь, не занятую поездом ;
-
схемы линейных цепей обеспечивают передачу необходимой информации между аппаратурой автоблокировки расположенной на разных станциях;
2.5 Схемы рельсовых цепей
Схема рельсовых цепей участка Ч7-17ПП представлена на 2 листе графической материала.
















