Влияние физико-механических свойств исходных материалов на качество каширования (1094722), страница 8
Текст из файла (страница 8)
В зависимости от метода испытания за меру адгезии могут быть приняты сила, энергия или время. Для динамических методов показателем прочности адгезионного соединения служит число циклов нагружения до разрушения.
Сопротивление, которое приходится преодолевать при равномерном отрыве или сдвиге, выражается в дин/см2 или Г/см2. Сила, которую затрачивают при отслаивании или расслаивании (неравномерном отрыве), называется сопротивлением отслаиванию (расслаиванию) и выражается в дин/см или Г/см. Часто при отслаивании (расслаивании) определяют работу, затраченную на отслаивание и отнесенную к единице площади, которую называют удельной работой отслаивания, или работой адгезии, и выражают в эрг/см2. Иногда величину адгезии характеризуют временем, необходимым для нарушения связи между субстратом и адгезивом под действием определенной нагрузки.
Наиболее распространены методы неравномерного отрыва (отслаивания, расслаивания). Они позволяют выявить колебания в величине адгезии на отдельных участках испытуемого образца. Кроме того, эти методы дают достаточно хорошую воспроизводимость результатов и отличаются простотой. Предположение об одновременном нарушении связи между адгезивом и субстратом по всей площади контакта (методы равномерного отрыва и сдвига) не всегда правильно. По этой причине усилие отрыва или сдвига, отнесенное к площади отрыва, можно рассматривать только как весьма приближенную характеристику адгезии.
Следует иметь в виду, что наряду с количественной характеристикой прочности адгезионного соединения необходимо знать характер разрушения — когезионный, адгезионный или смешанный.
3.2.1. Методы неравномерного отрыва
Методы неравномерного отрыва весьма разнообразны. Общим признаком для них является нарушение связи между адгезивом и субстратом, причем усилие прикладывается не к центру соединения, а к одному его краю, поэтому связь нарушается постепенно.
Рис. 3.1. Схемы испытаний по отслаиванию жестких материалов:
а — внецентренное растяжение для блочных материалов;
б — изгиб для плиточного и листового материалов;
в — изгиб для листового материала;
г—консольный изгиб.
Рис. 3.2. Схемы испытаний по отслаиванию гибких материалов от жесткой подложки под углом 90° (а, б, в) и 180° (г) и по расслаиванию гибких материалов (д).
Разделение двух гибких материалов называют расслаиванием, а отделение гибкого материала от жесткого — отслаиванием. Если пленка адгезива (покрытия) недостаточно прочна, то при отделении от субстрата она может разрушиться. Чтобы этого не произошло, пленка укрепляется подходящим армирующим материалом. Пользоваться армирующим материалом приходится и в тех случаях, когда адгезив или субстрат под действием расслаивающего усилия способен сильно деформироваться — растягиваться. В тех случаях, когда разделяются путем постепенного нарушения связи два монолитных, негибких материала, такое испытание называют раскалыванием или отдиром. Все эти виды испытаний могут быть объединены одним общим термином — неравномерный отрыв. Многие из методов стандартизированы. Различные схемы испытаний на неравномерный отрыв приведены на рис. 3.1. и 3.2.
3.2.2. Методы равномерного отрыва
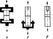
Методом равномерного отрыва измеряют величину усилия, необходимого для отделения адгезива от субстрата одновременно по всей площади контакта. Усилие при этом прикладывается перпендикулярно плоскости клеевого шва, а величина адгезии характеризуется силой, отнесенной к единице площади контакта (в Г/см2 или кГ/см2). Некоторые из этих методов стандартизованы.
Рис. 3.3. Резино-металлические образцы для определения адгезии резины к металлам.
Чаще всего для измерения адгезии пользуются образцами грибкового типа, между торцовыми поверхностями которых находится адгезив. Таким способом измеряют, например, адгезию резины к металлам. Формы грибков и прослоечной резины различны (рис. 3.3).
Чтобы избежать образования шейки при испытании, предложены образцы с диаметром резинового диска, превышающим диаметр металлического грибка. В последнее время рекомендованы грибки конической формы. Однако ценность такой модификации сомнительна: концентрация усилий у вершины конуса, а также сочетание сдвига с отрывом создают весьма сложное распределение напряжений. Образцы грибкового типа или просто склеенные торцами цилиндры используются также для определения адгезии клеев к металлам. Клеевая прослойка в этом случае имеет толщину нескольких сотен микрон (рис. 3.4).
Для измерения адгезии лакокрасочных покрытий два грибка или цилиндра, имеющие на торцовой части уже сформированное покрытие, склеивают специально подобранным клеем, адгезия которого к покрытию должна быть выше, чем адгезия покрытия к подложке. К поверхности покрытия, нанесенного на подложку, иногда приклеивают отрывающее приспособление, а затем прикладывают усилие, направленное перпендикулярно поверхности покрытия. Применение этого метода ограничено из-за трудности подбора соответствующего клея.
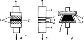
Рис. 3.4. Схемы измерений адгезии полимеров к металлам:
а—цилиндрические образцы—грибки; б—цилиндрические или призматические образцы с осевым креплением; 3—то же, с резьбовым креплением.
Адгезию резины к ткани также иногда определяют этим методом. Образцы приготавливают следующим образом. Ткань приклеивают к торцовым поверхностям деревянных цилиндров, выступающие края ткани загибают и крепят проволокой в выточке на цилиндре. Сырую резину накладывают на ткань и проводят вулканизацию. Подобным методом иногда измеряют адгезию заливочных компаундов к металлам, полимеров к стеклу, определяют прочность связи между слоями в стеклопластиках и т. д. На рис. 3.5.. показаны некоторые схемы испытаний по этим методам. Иногда вместо склеенных встык цилиндров для измерения адгезии методом отрыва применяют образцы в виде крестовины (рис. 3.6). Таким методом измеряют адгезию клеев к металлам, дереву и стеклу.
В образцах типа грибков и крестовин под действием нагрузки возникают сложные и неоднородные напряжения. Адгезив растягивается сильнее, чем субстрат, и в большей степени подвергается поперечному сжатию. Вследствие этого возникают сдвиговые напряжения. Результирующие напряжения в слое адгезива оказываются неодинаковыми в различных местах площади контакта. Кроме того, растягивающее усилие не всегда прикладывается точно по оси образца. Все это вызывает наряду с отрывом появление расслаивания. Ускоренная киносъемка показала отсутствие параллельности поверхностей склейки непосредственно в момент отрыва.
Рис. 3.5. Схемы измерений адгезии полимеров к различным материалам методом отрыва:
а—резина к ткани (I — ткань, укрепленная на деревянном грибке; 2— резина);
б — смола к стеклу (1-металлические цилиндры; 2 - стеклянные пластинки;
3 — клей; 4 — слой смолы);
в — заливочные компаунды к металлам (1— металлическая подложка; 2—компаунд; 3— держатели).
Более равномерного распределения напряжений можно добиться увеличением длины цилиндрического образца и уменьшением площади склеивания, что снижает влияние расслаивания при отрыве. В образцах типа крестовин особенно велика неоднородность напряжений. Так как нагрузка прикладывается к концам брусков, они стремятся изогнуться, поэтому приходится пользоваться массивными образцами. При переходе к более толстым блокам сопротивление отрыву возрастает, что объясняется снижением гибкости блоков и соответственно более равномерным распределением напряжений.
|   Рис. 3.6. Определение адгезии клеев к различным материалам на образцах в форме крестовины: 1 — клеевой шов; 2 — захват для крепления образца при испытании; 3— бруски.  |    Рис. 3.7. Принципиальная схема измерения адгезии методом штифтов: 1—планка с отверстиями; 2—штифт; 3— пленка покрытия.  |  
Метод скрещенных нитей, в котором две кварцевые нити, покрытые пленками полимеров, приводятся в контакт, а затем отрываются друг от друга, позволяет измерить работу отрыва, по которой судят об адгезии. Этот метод оказался весьма эффективным для изучения кинетики прилипания тел в самых различных условиях. Метод скрещенных нитей основан на том предположении, что имеет место точечный контакт (поскольку применяются нити диаметром 20—100 мкм) и нарушение контакта происходит мгновенно по всей площади путем равномерного отрыва. В действительности получить точечный контакт не удается, а определить истинную площадь контакта не представляется возможным. Это является одной из причин плохой воспроизводимости результатов. В тех случаях, когда адгезив и субстрат после приведения их в контакт подвергают полимеризации, вулканизации или какому-либо другому необратимому химическому превращению, этот метод вообще неприменим.
Интересный метод определения адгезии покрытий к подложкам основан на отделении подложки от покрытия путем отрыва. Впервые он был разработан для определения сцепляемости электролитических осадков металлов с основой, а затем использован для определения адгезии полимерных покрытий к металлам. Сущность метода сводится к следующему. В планке-подложке прямоугольного сечения просверливаются отверстия, в которые вставляют цилиндрические или конические штифты по скользящей посадке. Торцы штифтов шлифуются вместе с планкой, затем на эту плоскость наносится покрытие. После формирования покрытия штифты выдергиваются (рис. 3.7). Однако метод штифтов может оказаться непригодным при использовании покрытий в виде растворов с низким поверхностным натяжением: трудно будет избежать затекания раствора в зазор между штифтом и стенкой отверстия. Кроме того, пленка покрытия должна обладать определенной механической прочностью, чтобы не произошло вместо отслаивания штифта разрушения пленки.
Имеется несколько методов отрыва адгезива от субстрата (или наоборот) путем сообщения адгезиву или субстрату ускорения.
3.2.3. Методы сдвига
Касательные напряжения создают в клеевых конструкциях различными путями, например растяжением соединенных внахлестку материалов. Этим методом измеряют адгезию металлов, древесины, пластмасс, а также резины к резине и металлам. Различные схемы испытаний на сдвиг при растяжении образцов показаны на рис. 3.8.
Установлено, что разрушающее напряжение не зависит от ширины образца, но линейно зависит от его длины до некоторого предела. При дальнейшем увеличении длины образца разрушающая нагрузка стремится к постоянной величине.
Испытание клеевых соединений на сдвиг (срез) под действием сжимающих нагрузок (рис. 3.9) наиболее характерно для соединения материалов значительной толщины.
|   Рис. 3.8. Схема испытаний клеевых соединений на сдвиг растягивающей нагрузкой: а—шов односторонний внахлестку; б—двусторонний внахлестку; в—односторонний внахлестку с накладкой; г — двусторонний внахлестку с накладкой; д — скошенный шов.  |    Рис. 3.9. Схемы испытаний клеевых соединений на сдвиг сжимающей нагрузкой: а—одностороннее соединение плиточных материалов; б—двустороннее соединение плиточных материалов; в, г— соединение цилиндра со стержнем,  |  
Испытание на сдвиг при кручении образцов имеет перед рассмотренными методами растяжения и сжатия одно важное преимущество: при кручении возникает чистый сдвиг без отрывающего усилия. В наиболее чистом виде сдвиг реализуется при скручивании двух тонкостенных цилиндров, склонных торцами. На рис. 3.10 приведены схемы испытаний клеевых соединений скручиванием. Описанный в предыдущем разделе метод штифтов также вполне пригоден для испытаний кручением. Получаемые при этом результаты не зависят от толщины покрытия. Известен также способ измерения адгезии покрытий путем скручивания приклеенных торцами к поверхности покрытия цилиндрических полых или сплошных стержней.
Рис. 3.10. Схемы испытаний клеевых соединений на сдвиг при кручении:















