КОЭ (1084716), страница 9
Текст из файла (страница 9)
33. Амплитудный модулятор на основе электрооптического эффекта, модуляционная характеристика.
Т
ипичная схема амплитудного электрооптического модулятора приведена на рис. 10.3. Электрооптический кристалл 2 с помещен между двумя скрещенными друг относительно друга поляризаторами 1 и 4. Поляризатор 1 пропускает лишь волну, поляризованную в вертикальной плоскости xz, а анализатор 4 — волну, поляризованную в горизонтальной плоскости yz. Будем сначала считать, что элемент 3 в схеме рис. 10.3 отсутствует. Тогда через анализатор будут проходить составляющие
и
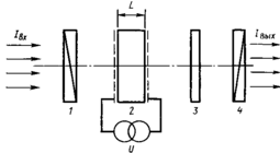
Рис. 10.3. Схема электрооптического амплитудного модулятора:
1 — входной поляризатор; 2 — электрооптический кристалл; 3 — четвертьволновая пластинка; 4 — выходной поляризатор (анализатор)
Если на вход такого модулятора падает плоская монохроматическая волна
то по прохождении электрооптического кристалла
и
komпоненты этой волны
(10.19)
имеют фазовый сдвиг, непосредственно зависящий от приложенного напряжения.
Тогда с учетом (10.19) прошедшая через анализатор волна запишется в виде
(10.20)
При
имеем
(10.21)
Интенсивность прошедшего излучения, которое определяется усреднением
за период
, будет
(10.22)
где
— интенсивность света, падающего на кристалл (отражением и поглощением в ' кристалле и оптических элементах схемы пренебрегаем). С учетом (10.18), (10.22) получаем зависимость оптического пропускания модулятора от приложенного напряжения
(10.24)
Где
(10.25)
н
азывается напряжением полуволнового смещения. При
сдвиг фаз соответствует
, плоскость поляризации падающей волны после прохождения электрооптического кристалла поворачивается на 90° и пропускание модулятора максимально. Как видно из (10.25),
определяется свойствами материала, из которого изготовлен модулятор. Из предыдущего изложения ясно, что величина
должна зависеть также от ориентации кристалла относительно напряженностей Е светового и внешнего электрического полей.
Рис. 10.4. Зависимость оптического пропускания электрооптического модулятора от приложенного напряжения. Рабочая точка сдвинута за счет введения четвертьволновой пластинки так, что при
. Показано, как внешнее синусоидальное напряжение модулирует интенсивность прошедшего света.
Поскольку оптическое пропускание системы зависит от приложенного напряжения, то она может осуществлять амплитудную модуляцию света. При малых
из (10.24) имеем
т. е. модуляция не линейна. Функция (10.24) представлена на рис. 10.4. Видно, что для осуществления эффективной модуляции рабочую точку надо сдвинуть на
. Для этого можно подать на модулятор постоянное смещение, на которое накладывать переменный сигнал модуляции. Гораздо удобнее другой путь: между электрооптическим кристаллом и одним из поляроидов ставится четвертьволновая пластинка , как показано на рис. 10.3. Она осуществляет фазовый сдвиг между и
и
компонентами на
, что эквивалентно сдвигу рабочей точки модулятора на
, как показано на рис. 10.4. В этом случае фазовый сдвиг между
и
компонентами будет
А оптическое пропускание
(10.26)
т. е. при
электрооптический модулятор по схеме рис. 10.3 осуществляет амплитудную модуляцию, пропорциональную приложенному напряжению U.
Модулятор, схема которого приведена на рис. 10.3, называется модулятором с продольном полем. Он применяется для широких световых пучков. Очевидны два недостатка такого модулятора. Во-первых, электроды, с помощью которых прикладывается электрическое напряжение к кристаллу, должны пропускать свет, т. е. быть полупрозрачными, что вызывает нежелательные потери. Во-вторых, для работы такого модулятора требуются большие напряжения. Например, для модулятора на основе кристалла КДР для
мкм
кВ.
34. Фазовый модулятор на основе электрооптического эффекта
Рис. 10.2. Прохождение плоскополяризованного луча через электрооптический кристалл
Рассмотрим модулятор, работающий на основе линейного электрооптического эффекта. Пусть плоскополяризованный свет
распространяющийся в направлении z, падает на электрооптический кристалл, как это показано на рис. 10.2.
Для определенности возьмем кристалл дигидрофосфата калия КН2РО4., известный как КДР. Это кристалл тетрагональной сингонии с группой симметрии 42т. Его ось симметрии четвертого порядка совпадает с оптической осью кристалла и направлена по оси Z на рис. 10.2. Две взаимно перпендикулярные оси второго порядка направлены по х и y. В одноосном кристалле
и
.Для кристаллов симметрии 42m в матрице электрооптических коэффициентов (10.6)
отличны от нуля только три элемента
, а именно
и
. При приложении поля
вдоль направления z уравнение эллипсоида показателя преломления запишется в виде
(10.12)
Чтобы это уравнение привести к диагональному виду, необходимо выбрать систему координат
с осью z, совпадающей с z’ и осями
и
повернутыми на 45'' относительно х и у, как показано на рис. 10.2. В этой системе координат уравнение (10.12) преобразуется к диагональному виду
(10.13)
Осуществив математические преобразования, связанные с переходом из системы координат ху в систему х’у’ находим находим изменение показателя преломления
, вызванное электрическим полем
(10.16)
в точном соответствии с (10.15), где
Таким образом, если на электрооптический кристалл падает световая волна, поляризованная в плоскости xz, то, раскладывая ее на две компоненты
и
как показано на рис. 10.2,получаем для них изменение показателя преломления
(10.16)
и вызванные этим изменением фазовые сдвиги для
и
-компонент световой волны:
(10.17)
так что общий фазовый сдвиг
(10.18)
пропорционален приложенному напряжению U. Если на вход такого модулятора падает плоская монохроматическая волна
то по прохождении электрооптического кристалла
и
-компоненты этой волны
(10.19)
имеют фазовый сдвиг, непосредственно зависящий от приложенного напряжения, так что по схеме рис. 10.2 можно осуществлять фазовую модулящию световой волны.
35. Амплитудный модулятор на основе электрооптического эффекта с поперечным полем. Дефлектор на основе электрооптического эффекта.
Модулятор с поперечным полем. Схема приведена на рис. 10.5. В этом случае электрическое поле прикладывается перпендикулярно направлению распространения света, электроды не препятствуют его прохождению, а фазовая задержка, пропорциональная произведению поля на длину кристалла, зависит от отношения L/D и может быть увеличена при использовании длинных кристаллов.
В случае кристалла КДР его ориентация относительно направления распространения света и напряженности поля Е показана на рис. 10.5. Внешнее поле прикладывается, как и ранее, вдоль оси Z, совпадающей с оптической осью кристалла. Свет распространяется вдоль оси вектор его поляризации находится в плоскости X’Z под углом 45° к оси z. В этом случае из (10.15)
(10.25)
находим фазовую задержку
Обратим внимание, что
содержит слагаемое, не зависящее от приложенного напряжения U.Напряжение полуволнового смещения в модуляторе с поперечным полем может быть уменьшено в L/D раз. К сожалению, эти модуляторы обладают очень малой апертурой и работают лишь с параллельными пучками.
Важным параметром модулятора, как говорилось выше, является требуемая управляемая мощность. Ее можно оценить, представив модулятор в виде конденсатора емкостью С, включенного в колебательный контур, ширина полосы пропускания которого
. Тогда требуемая управляемая мощность будет равна
Учитывая, что емкость конденсатора
переменная составляющая фазового сдвига
Рис. 10.5. Схема элеггрооптического модулятора с поперечным полем. Для кристалла КДР обозначения осей x’y'z соответствуют рис. 10.2
ИЗ (10.27) с учетом (10.25) равна
, получаем
Оптические дефлекторы предназначены для управления направлением распространения светового луча в пространстве(сканирования).
Способы управления распространением световых потоков основаны на использовании явлений рефракции света в неоднородных структурах. Чтобы изменять направление светового пучка в пространстве, необходимо управляемо изменять пространственное распределение показателя преломления. Если взять прямоугольную пластинку длиной L, показатель преломления которой в поперечном направлении х линейно изменяется по закону
, то плоская световая волна, распространяющаяся вдоль направлениях, будет отклоняться на угол
(10.31)
Эту пластину можно изготовить из двух склеенных по диагонали призм (рис. 10.6), сделанных из электрооптических кристаллов, оптические оси z которых направлены навстречу друг другу и перпендикулярны плоскости ху. Прикладывая электрическое поле в направлении z, согласно (10.16)
в такой системе можно изменять показатель преломления для лучей, распространяющихся в нижней и верхней частях пластины, на величину
















