ЛБ-ПР(ОУ,Оп) (1083295)
Текст из файла
ЛАБОРАТОРНО-ПРАКТИЧЕСКАЯ РАБОТА №
«Исследование операционного усилителя с обратными связями»
1. Цель работы:
1. Ознакомление с методикой построения схем и моделирования работы устройств в компьютерной лаборатории электротехники и электроники. 2. Исследование амплитудных и частотных свойств операционного усилителя.
3. Изучение влияния отрицательной обратной связи на характеристики операционного усилителя.
2. Краткие теоретические сведения.
2.1 Операционные усилители.
Усилители постоянного тока (УПТ) являются основой для конструирования операционных усилителей (ОУ). Современные операционные усилители являются многоцелевыми элементами, выполненными в виде полупроводниковых интегральных микросхем. Они широко применяются при конструировании различных усилительных устройств, устройств возбуждения сигналов синусоидальной и импульсной форм (генераторов сигналов), фильтров и так далее.
Рис.1
Условное обозначение ОУ показано на рисунке 1. Символ
означает усиление, а символ ¥ - большое входное сопротивление. Один из входов усилителя Uвх+ является неинвертирующим, другой Uвх- - инвертирующим (по аналогии с дифференциальными усилителями). Принципиальные электрические схемы ОУ, как правило, содержат несколько каскадов УПТ. При этом входной каскад всегда выполняется по дифференциальной схеме, а выходной каскад по схеме эмиттерного повторителя, обеспечивающего требуемую нагрузочною способность всей схемы.
Современные интегральные ОУ обладают высоким значением коэффициента усиления (К=104¸107), входного сопротивления (Rвх=104¸109 Ом), могут работать от разнополярных источников питания и преобразовывать электрические сигналы в широком диапазоне частот (от 0 до 107 Гц).
Амплитудная и амплитудно-частотная характеристики такого усилителя аналогичны характеристикам УПТ.
2.2 Обратные связи в операционных усилителях.
Конструирование различных электронных устройств на основе ОУ производится с использованием обратных связей.
Обратной связью называется передача части энергии выходного сигнала усилителя на его вход (Рис.2).
Рис.2
Из выходной цепи во входную энергия передается через электрическую цепь обратной связи с коэффициентом передачи
К0 - коэффициент усиления усилителя без обратной связи (в области средних частот, где воздействием реактивных элементов ОУ и обратной связи можно пренебречь).
Обратная связь называется положительной, если передаваемый ею с выхода на вход сигнал Uос = bUвых совпадает по фазе (складывается) с входным сигналом Uвх = U1+bUвых (на Рис.2 положительная обратная связь обозначена b+). Коэффициент усиления усилителя К+ с положительной обратной связью определяется выражением
Обратная связь называется отрицательной если сигнал обратной связи Uос находится в противофазе (вычитается) с входным сигналом Uвх = U1-bUвых (на Рис.4.2 отрицательная обратная связь обозначена b-).
Коэффициент усиления усилителя К- при отрицательной обратной связи будет
Применение отрицательной обратной связи (OOC) в усилителях существенно улучшает их параметры:
- повышает стабильность коэффициента усиления;
- увеличивает входное сопротивление;
- уменьшает выходное сопротивление;
- расширяет полосу пропускания.
Поэтому ООС широко применяется в усилительных устройствах.
Положительная обратная связь (ПОС) воздействует на параметры усилителей противоположным образом.
Повышая нестабильность коэффициента усиления, она приводит усилитель к самовозбуждению, то есть переходу его в режим генератора.
Поэтому ПОС используется в генераторах гармонических колебаний и импульсов.
2.3 Операционный усилитель с ООС
Операционный усилитель с отрицательной обратной связью наиболее часто применяется на практике (Рис.3).
Рис.3
Отрицательный характер обратной связи обусловлен подачей напряжения
на инвертирующий вход ОУ так, что
. Отрицательная обратная связь осуществляется через сопротивления
и
. Так как входное сопротивление ОУ большое (принимаем
, то входной ток ОУ
и тогда
, откуда
При большом коэффициенте усиления ОУ (
) напряжение на входе будет
2.3.1 Масштабирующий усилитель
При
и
выражение для коэффициента усиления примет вид
а усилитель выполняет роль масштабирующего инвертирующего усилителя у которого
Uвых= -UвхК-.
Схема усилителя в этом случае представлена на рисунке 4.
Рис.4
2.3.2 Избирательный усилитель
Рассмотренные выше схемы усилителей предназначены для усиления входных сигналов в широкой полосе частот. На практике (в системах связи, радиотелепередачи, во многих системах автоматического управления и контроля) необходимо усиливать полезный сигнал одной частоты, так чтобы сигналы других частот подавлялись (не усиливались). Такую задачу решает избирательный усилитель, представляющий собой (вариант схемы представлен на рисунке 5) ОУ охваченный частотно-зависимой ООС в виде двойного Т-образного моста.
Рис.5
Амплитудно-частотная характеристика двойного Т-образного моста
b=F(f) приведена на рисунке 6.
Рис.6
На низких частотах, когда частота стремится к нулю (f®0), коэффициент передачи моста b®1, так как сопротивление Хс конденсаторов становится большим и всё напряжение
через “верхний” одинарный Т-образный мост (R, 2C, R) передается на вход усилителя в виде напряжения обратной связи
.
На очень высоких частотах (f®¥, b®1) вследствие того, что сопротивления конденсаторов Хс становятся небольшими, и всё выходное напряжение через “нижний” Т-образный мост (C, R/2, C) передается на вход ОУ.
Коэффициент усиления такого усилителя известен
Анализ этого выражения показывает, что на низких и высоких частотах при b®1
,
то есть усиления практически не происходит.
На резонансной частоте
коэффициент передачи моста b®0 и тогда
,
имеем максимальное усиление.
Амплитудно-частотная характеристика
K-=
избирательного усилителя приведена на рисунке 7.
Рис.7
Она построена с учетом выражения для K- и амплитудно-частотной характеристики Т-образного моста. Нужная величина K0 обеспечивается правильным выбором номиналов резисторов R2 и R1 исходя из того, что
.
2.4 Операционный усилитель с ПОС
Генераторы гармонических сигналов предназначены для преобразования энергии источника питания в энергию электрического сигнала синусоидальной формы требуемой частоты и мощности.
На практике, часто, такой генератор представляет собой ОУ охваченный глубокой положительной обратной связью с коэффициентом передачи b+ (см. рис.8). Для получения устойчивого режима автогенерации, улучшения формы колебаний и стабилизации амплитуды генерируемых колебаний часто вводится отрицательная обратная связь (b- ).
Рис.8
Для этой схемы входное и выходное напряжения связаны соотношениями:
Перемножая одно на другое, получаем формулу
,
Выполнение последнего условия обеспечивает в автогенераторе незатухающие колебания. Величины
и
в уравнении являются комплексными величинами, поэтому можно записать
последнее выполняется при:
- условие баланса фаз автогенератора,
Условие баланса фаз означает, что в схеме существует положительная обратная связь. Условие баланса амплитуд соответствует тому, что энергия, теряемая в генераторе за одно колебание восполняется энергией от источника питания. Выполнение условий баланса фаз и амплитуд обеспечивает возникновение сигналов генератора сложной формы, состоящих из большого числа гармонических составляющих.
Для возникновения сигнала генератора нужной частоты обеспечивают выполнение условий баланса фаз и амплитуд, только для частоты
, путем включения частотно-зависимых схем, например, моста Вина.
Пример выполнения автогенератора гармонических колебаний с мостом Вина приведен на рис.9.
Отрицательная частотно-независимая обратная связь создается резисторами R2 и R1.
Рис.9
Поскольку в цепи положительной обратной связи включен мост Вина, то условия самовозбуждения генератора выполняются только для одной резонансной частоты
(на других частотах K мал). Следовательно, возникающие колебания будут иметь гармоническую форму.
-
Порядок выполнения работы.
-
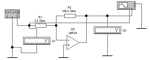
Опыт №1. Операционный усилитель с отрицательной обратной связью,
Кос=25 и Кос=50 .
Схема проведения опыта (Рис.10).
Рис.10
3.1.1. Амплитудная характеристика усилителя.
Снимите амплитудную характеристику усилителя Um.вх = f(Um.вых),
при f=1кГц и Uвх = 10 – 1000 мВ.
(Смотрите методику снятия амплитудных характеристик).
3.1.2 Скопируйте осциллограммы входных и выходных напряжений на линейном и нелинейном участках амплитудной характеристики усилителя.
3.1.3 Амплитудно-частотная характеристика усилителя.
Характеристики
Тип файла документ
Документы такого типа открываются такими программами, как Microsoft Office Word на компьютерах Windows, Apple Pages на компьютерах Mac, Open Office - бесплатная альтернатива на различных платформах, в том числе Linux. Наиболее простым и современным решением будут Google документы, так как открываются онлайн без скачивания прямо в браузере на любой платформе. Существуют российские качественные аналоги, например от Яндекса.
Будьте внимательны на мобильных устройствах, так как там используются упрощённый функционал даже в официальном приложении от Microsoft, поэтому для просмотра скачивайте PDF-версию. А если нужно редактировать файл, то используйте оригинальный файл.
Файлы такого типа обычно разбиты на страницы, а текст может быть форматированным (жирный, курсив, выбор шрифта, таблицы и т.п.), а также в него можно добавлять изображения. Формат идеально подходит для рефератов, докладов и РПЗ курсовых проектов, которые необходимо распечатать. Кстати перед печатью также сохраняйте файл в PDF, так как принтер может начудить со шрифтами.
















