ЛБ-ПР(ВУ,Бл) (1083290)
Текст из файла
ЛАБОРАТОРНО-ПРАКТИЧЕСКАЯ РАБОТА
«Исследование выпрямительных устройств»
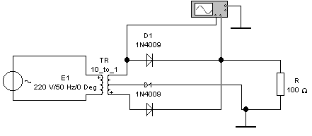
Опыт №1.
Исследование однополупериодного выпрямителя
Схема проведения опыта
1.1. Выпрямитель без фильтра.
Внешняя характеристика выпрямителя Ud = f(Id). Таблица №1.1
| R (Ом) | | 100 | 80 | 60 | 40 | 20 |
| Id (A) | ||||||
| Ud (B) |
Осциллограмма выходного напряжения.
Uвых (В)
30
20
10
0
-
Выпрямитель c C-фильтром (фрагмент схемы представлен ниже).
Внешняя характеристика выпрямителя Ud = f(Id) Таблица №1.2
| R (Ом) | | 100 | 80 | 60 | 40 | 20 |
| Id (A) | ||||||
| Ud (B) |
Осциллограмма выходного напряжения.
Uвых (В)
30
20
10
0
-
Выпрямитель c CLC-фильтром (фрагмент схемы представлен ниже)
Внешняя характеристика выпрямителя Ud = f(Id) Таблица №1.3
| R (Ом) | | 100 | 80 | 60 | 40 | 20 |
| Id (A) | ||||||
| Ud (B) |
Осциллограмма выходного напряжения.
Uвых (В)
30
20
10
0
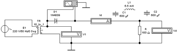
Опыт №2.
Исследование двухполупериодного выпрямителя со средней точкой трансформатора.
Схема проведения опыта
Осциллограмма выходного напряжения.
Uвых (В)
30
20
10
0
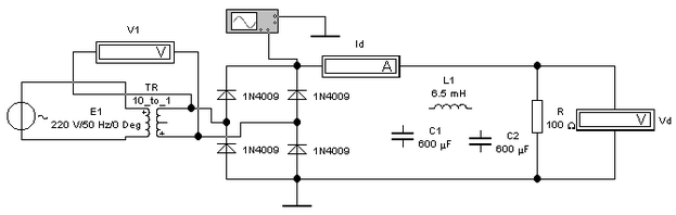
Опыт №3.
Исследование двухполупериодного мостового выпрямителя
Схема проведения опыта
3.1. Выпрямитель без фильтра
Внешняя характеристика выпрямителя Ud = f(Id) Таблица №3.1
| R (Ом) | | 100 | 80 | 60 | 40 | 20 |
| Id (A) | ||||||
| Ud (B) |
Осциллограмма выходного напряжения.
Uвых (В)
30
20
10
0
3.2 Выпрямитель c C-фильтром (фрагмент схемы представлен ниже)
Внешняя характеристика выпрямителя Ud = f(Id) Таблица №3.2
| R (Ом) | | 100 | 80 | 60 | 40 | 20 |
| Id (A) | ||||||
| Ud (B) |
Осциллограмма выходного напряжения.
Uвых (В)
30
20
10
0
3.4. Выпрямитель c CLC-фильтром (фрагмент схемы представлен ниже)
Внешняя характеристика выпрямителя Ud = f(Id) Таблица №3.3
| R (Ом) | | 100 | 80 | 60 | 40 | 20 |
| Id (A) | ||||||
| Ud (B) |
Осциллограмма выходного напряжения.
Uвых (В)
30
20
10
0
Внешние характеристики выпрямительных устройств Ud = f(Id).
Ud (B)
32
28
24
20
16
12
08
04
0
0,1 0,2 0,3 0,4 0,5 0,6 0,7 0,8 0,9 1,0 Id (A)
Характеристики
Тип файла документ
Документы такого типа открываются такими программами, как Microsoft Office Word на компьютерах Windows, Apple Pages на компьютерах Mac, Open Office - бесплатная альтернатива на различных платформах, в том числе Linux. Наиболее простым и современным решением будут Google документы, так как открываются онлайн без скачивания прямо в браузере на любой платформе. Существуют российские качественные аналоги, например от Яндекса.
Будьте внимательны на мобильных устройствах, так как там используются упрощённый функционал даже в официальном приложении от Microsoft, поэтому для просмотра скачивайте PDF-версию. А если нужно редактировать файл, то используйте оригинальный файл.
Файлы такого типа обычно разбиты на страницы, а текст может быть форматированным (жирный, курсив, выбор шрифта, таблицы и т.п.), а также в него можно добавлять изображения. Формат идеально подходит для рефератов, докладов и РПЗ курсовых проектов, которые необходимо распечатать. Кстати перед печатью также сохраняйте файл в PDF, так как принтер может начудить со шрифтами.
















