ЛБ-ПР(ВУ,Оп) (1083293)
Текст из файла
ЛАБОРАТОРНО-ПРАКТИЧЕСКАЯ РАБОТА №
«Исследование выпрямительных устройств»
1. Цель работы:
1. Ознакомление с методикой построения схем и моделирования работы устройств в компьютерной лаборатории электротехники и электроники. 2. Изучение принципов работы различных типов выпрямителей.
3. Изучения влияния различных типов сглаживающих фильтров на форму выпрямленного напряжения и на выходные характеристики выпрямительных устройств.
2. Краткие теоретические сведения.
2.1. Однофазные выпрямители.
2.1.1. Однополупериодный выпрямитель.
Схема и временные диаграммы напряжений и токов приведены на
рисунках 1 и 2
Рис.1
Схема содержит трансформатор ТР, в цепи вторичной обмотки которого включены последовательно диод Д и сопротивление нагрузки Rн.
При принятых допущениях (идеальный трансформатор) следует, что если напряжение u1 на первичной обмотке трансформатора меняется по синусоидальному закону, то напряжение на вторичной обмотке u2 также синусоидально.
Ток через диод iа, следовательно, и через нагрузочный резистор iн появляется в те полупериоды, когда потенциал точки а выше потенциала точки б вторичной обмотки трансформатора, так как в эти полупериоды диод Д открыт. Когда потенциал точки а отрицателен по отношению к потенциалу точки б, диод закрыт, ток в цепи равен нулю. Таким образом, ток в резисторе Rн появляется только в одном из полупериодов напряжения u2, а схема называется однополупериодной. При принятых допущениях (идеальный диод) в положительный полупериод напряжения u2 величина напряжения на нагрузочном резисторе равна величине u2, а на диоде нулю, а в отрицательный полупериод uн=0, а величина uа = u2.
В этой схеме Uн.ср=0,45U2 и тогда
Недостатки этой схемы:
- малое среднее значение тока нагрузки Iн.ср;
- большое обратное напряжение Uобр.макс = U2m;
- высокий уровень пульсаций(коэффициент пульсации
).
Эти недостатки устраняются в двухполупериодных схемах выпрямителей, в которых используются оба периода напряжения в сети.
2.1.2 Выпрямитель со средней точкой трансформатора.
Выпрямитель с выводом средний точки вторичной обмотки трансформатора является двухполупериодным выпрямителем, схема и временные диаграммы которого приведены на рисунках 3 и 4.
Рис.3
Выпрямитель состоит из трансформатора со вторичной обмоткой имеющей среднюю точку, двух диодов Д1 и Д2 и нагрузочного резистора Rн, включенного между средней точкой трансформатора и катодами двух диодов.
Схему можно рассматривать как сочетание двух однополупериодных выпрямителей включенных на общую нагрузку.
Считаем, что напряжение на каждой половине вторичной обмотки трансформатора равны между собой u2а = u2б = u2.
В течение положительной половины периода напряжение u2а точки а схемы имеет более высокий потенциал (++), чем средняя точка (+) и еще более высокий потенциал, чем точка б. При этом диод Д1 открыт, ток в нагрузочном резисторе
iн = iа1, к диоду Д2 приложено напряжение равное uаб.
В течении второй половины периода напряжения точка а имеет наиболее низкий потенциал (--), средняя точка более высокий (-), а точка б самый высокий потенциал (+), диод Д2 открыт, ток в нагрузочном резисторе iн = iа2 и имеет тоже направление, что и в первом полупериоде.
В такой схеме величина Uн.ср = 0,9U2. и ток нагрузке определяется по формуле
значит Iн.ср и Uн.ср в два раза выше, чем в однополупериодном выпрямителе. Пульсации значительно меньше (коэффициент пульсации р 0,67),
однако обратное напряжение на закрытых диодах вдвое больше
Uобр.макс = 2U2m
2.1.3 Мостовая схема выпрямителя.
Наиболее распространенной схемой является мостовая схема двухполупериодного выпрямителя (Рис.5) соответствующие временные диаграммы которой приведены на рисунке 6.
Рис.5
В этой схеме диоды Д1-Д4 включены по мостовой схеме, к одной диагонали которой подведено переменное напряжение u2, а к другой подключен нагрузочный резистор Rн.
В течение первой половины периода напряжения u2, когда потенциал точки а положителен, а точки б отрицателен, диоды Д1, Д3 открыты, а Д2, Д4 - заперты, ток iн течет через диод Д1, нагрузочный резистор Rн и диод Д3. К диодам Д2, Д4 приложено напряжение вторичной обмотки трансформатора u2.
В другой полупериод напряжения u2 потенциал точки а ниже потенциала точки б и диоды Д2, Д4 открыты, а Д1, Д3 закрыты, при этом ток iн течет через
Диод Д2, нагрузочный резистор Rн и диод Д4 в том же направлении, что и в первый полупериод напряжения.
При этом средний ток Iн.ср и среднее напряжение Uн.ср на нагрузке в два раза превышают ток и напряжение однополупериодного выпрямителя, а пульсации такие же как в выпрямителе со средней точкой.
Обратное напряжение на диодах в закрытом состоянии равно соответственно Uобр.макс = U2m.
Величина Uн.ср = 0,9U2 и ток нагрузке определяется по формуле
2.1.4 Сглаживающие фильтры.
Выпрямленное напряжение имеет пульсирующий характер и его нельзя непосредственно использовать для питания электронных устройств. Поэтому для уменьшения степени пульсации на выходе выпрямителя применяют сглаживающие фильтры.
Фильтры состоят из конденсаторов и катушек индуктивности. Основные виды фильтров: емкостной, индуктивный и смешанный.
Емкостной фильтр (Рис.7а) включается параллельно нагрузочному резистору и шунтирует его для составляющей тока. При этом конденсатор Cф попеременно заряжается под действием выпрямленного напряжения uВ, а затем разряжается через резистор Rн. Если постоянная времени разряда конденсатора = CфRн значительно превышает период напряжения u2, то напряжение при разряде уменьшается несущественно (Рис.7б), что приводит к значительному увеличению среднего значения напряжения на нагрузочном резисторе Uн.ср и к снижению степени пульсации выпрямленного напряжения.
Емкостной фильтр используется для слабых токов и небольшой мощности, т.е. при высокоомной нагрузке.
а) б)
Рис.7
При этом основной характеристикой фильтра является коэффициент сглаживания
,
где: рвх - коэффициент пульсации на входе фильтра;
рвых - коэффициент пульсации на выходе фильтра.
Для выпрямителей большой и средней мощности применяются индуктивные фильтры которые включаются последовательно с нагрузочными резисторами (Рис.8а).
В результате переменная составляющая тока через нагрузку значительно уменьшается и снижает степень пульсации выпрямленного напряжения (Рис.8б).
а) б)
Рис.8
Чаще используются смешанные фильтры: Г-образный LС-фильтр (Рис.9) или П-образный CLC-фильтр (Рис.10).
Рис.9 Рис.10
Они обеспечивают более высокую степень сглаживания выпрямленного напряжения.
2.1.5 Внешние характеристики выпрямителей.
Зависимость напряжения от величины тока нагрузки Uн = f(Iн) называют внешней характеристикой выпрямителя. Она определяется формулой
где: Uн.хх - напряжение на нагрузке на холостом ходу (Iн=0);
Rтр - активное сопротивление трансформатора;
Rд - сопротивление диода в прямом направлении.
На рисунке 11 представлены внешние характеристики некоторых типов выпрямителей с фильтрами и без них:
1 - однополупериодный выпрямитель без фильтра;
2 - двухполупериодный выпрямитель без фильтра;
3 - однополупериодный выпрямитель с С-фильтром;
4 - двухполупериодный выпрямитель с RС-фильтром;
Рис.11
3. Порядок выполнения работы.
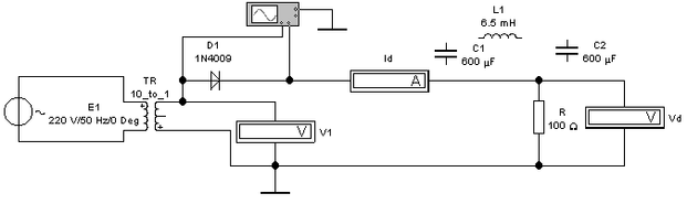
3.1. Опыт №1. Однополупериодный выпрямитель.
-
Схема однополупериодного выпрямителя (Рис.12).
Рис.12
3.1.2. Используя в качестве нагрузки сопротивление R, снимите три внешние характеристики выпрямителя Ud = f(Id) (смотрите методику снятия внешних характеристик):
- для выпрямителя без фильтра;
- для выпрямителя c C-фильтром (фрагмент схемы представлен на Рис.14а);
- для выпрямителя c CLC-фильтром (фрагмент схемы представлен на Рис.14б).
Рис.13а Рис.13б
3.1.3. Для R=100 Ом зарисуйте три осциллограммы выходного напряжения
с учетом масштаба (смотрите методику работы с осциллографом).
3.2. Опыт №2. Двухполупериодный выпрямитель.
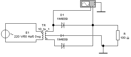
3.2.1. Схема двухполупериодного выпрямителя со средней точкой трансформатора (Рис.14).
Рис.14
3.2.2. Выпрямитель без фильтра. Для R=100 Ом зарисуйте осциллограмму выходного напряжения с учетом масштаба (смотрите методику работы
с осциллографом).
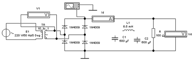
3.3. Опыт №3. Двухполупериодный мостовой выпрямитель.
3.3.1. Схема двухполупериодного мостового выпрямителя (Рис.15).
Рис.15
3.3.2. Используя в качестве нагрузки сопротивление R, снимите три внешние характеристики выпрямителя Ud = f(Id) (смотрите методику снятия внешних характеристик):
Характеристики
Тип файла документ
Документы такого типа открываются такими программами, как Microsoft Office Word на компьютерах Windows, Apple Pages на компьютерах Mac, Open Office - бесплатная альтернатива на различных платформах, в том числе Linux. Наиболее простым и современным решением будут Google документы, так как открываются онлайн без скачивания прямо в браузере на любой платформе. Существуют российские качественные аналоги, например от Яндекса.
Будьте внимательны на мобильных устройствах, так как там используются упрощённый функционал даже в официальном приложении от Microsoft, поэтому для просмотра скачивайте PDF-версию. А если нужно редактировать файл, то используйте оригинальный файл.
Файлы такого типа обычно разбиты на страницы, а текст может быть форматированным (жирный, курсив, выбор шрифта, таблицы и т.п.), а также в него можно добавлять изображения. Формат идеально подходит для рефератов, докладов и РПЗ курсовых проектов, которые необходимо распечатать. Кстати перед печатью также сохраняйте файл в PDF, так как принтер может начудить со шрифтами.
















