Уч пос (1075545), страница 6
Текст из файла (страница 6)
где Rт - тепловое сопротивление, 0К/Вт, определяющее перепад температур, необходимый для отвода 1 Вт мощности от p-n перехода в окружающую среду.
При плохих условиях отвода теплоты от перехода возможен его разогрев до температуры, при которой происходит тепловая ионизация атомов. Образующиеся при этом носители заряда увеличивают обратный ток, что приводит к дальнейшему разогреву перехода. В результате такого нарастающего процесса p-n переход недопустимо разогревается и возникает тепловой пробой, характеризующийся разрушением кристалла (кривая 3).
Увеличение числа носителей зарядов при нагреве p-n перехода приводит к уменьшению его сопротивления и выделяемого на нем напряжения. Вследствие этого на обратной ветви вольтамперной характеристики при тепловом пробое появляется участок с отрицательным дифференциальным сопротивлением (участок АВ на рис. 1.11).
Отличия реальной характеристики от теоретической на прямой ветви, в основном, обусловлены распределенным (объёмным) сопротивлением электронной и дырочной областей r1 за пределами запирающего слоя (рисунок 1.12).
Если сопротивление запирающего слоя обозначить rд, то кристалл полупроводника с запирающим слоем можно представить в виде последовательного соединения резисторов rд и r1.
При прохождении тока IПР на сопротивлении r1 падает часть напряжения внешнего источника и на запирающем слое действует напряжение UПЕР = UПР – IПРr1. Уравнение вольтамперной характеристики в этом случае может быть записано в следующем неявном виде:
Рисунок 1.12 Упрощенная эквивалентная схема p-n перехода с распределенным сопротивлением полупроводника.
Поскольку UПЕР < UПР реальная характеристика идет ниже теоретической. Когда напряжение на запирающем слое становится равным контактной разности потенциалов, запирающий слой исчезает, и дальнейшее увеличение тока ограничивается распределенным сопротивлением полупроводников p- и n-типа. Таким образом, в точке С при UПР = UК вольтамперная характеристика переходит в прямую линию.
1.3.6 Емкости p-n перехода
Изменение внешнего напряжения dU на p-n переходе приводит к изменению накопленного в нем заряда dQ. Поэтому p-n переход ведет себя подобно конденсатору, емкость которого С = dQ/ dU.
В зависимости от физической природы изменяющегося заряда различают емкости барьерную (зарядную) и диффузионную.
Барьерная (зарядная) емкость определяется изменением нескомпенсированного заряда ионов при изменении ширины запирающего слоя под воздействием внешнего обратного напряжения. Поэтому идеальный электронно-дырочный переход можно рассматривать как плоский конденсатор, емкость которого определяется соотношением
где П, - соответственно площадь и толщина p-n перехода.
Из соотношений (1.41) и (1.31) следует
В общем случае зависимость зарядной емкости от приложенного к p-n переходу обратного напряжения выражается формулой
где C0 — емкость p-n перехода при UОБР = 0; - коэффициент, зависящий от типа p-n перехода (для резких p-n переходов = 1/2, а для плавных = 1/3).
Барьерная емкость увеличивается с ростом NА и NД, а также с уменьшением обратного напряжения. Характер зависимости СБАР = f(UОБР) показан на рис. 1.13,а.
Рассмотрим диффузионную емкость. При увеличении внешнего напряжения, приложенного к p-n переходу в прямом направлении, растет концентрация инжектированных носителей вблизи границ перехода, что приводит к изменению количества заряда, обусловленного неосновными носителями в p- и n-областях. Это можно рассматривать как проявление некоторой емкости. Поскольку она зависит от изменения диффузионной составляющей тока, ее называют диффузионной. Диффузионная емкость представляет собой отношение приращения инжекционного заряда dQинж к вызвавшему его изменению напряжения dUпр, т. е.
. Воспользовавшись уравнением (1.30), можно определить заряд инжектированных носителей, например дырок в n-области:
.
| а) | б) |
Рисунок 1.13 Зависимость барьерной (а) и диффузионной (б) емкостей p-n перехода от напряжения.
Тогда диффузионная емкость, обусловленная изменением общего заряда неравновесных дырок в n-области, определится по формуле
Аналогично для диффузионной емкости, обусловленной инжекцией электронов в p-область,
Рисунок 1.13 Эквивалентная схема p-n перехода.
Общая диффузионная емкость
Зависимость ёмкости от прямого напряжения на p-n переходе показана на рисунке 1.13, б.
Полная емкость p-n перехода определяется суммой зарядной и диффузионной емкостей:
При включении p-n перехода в прямом направлении преобладает диффузионная емкость, а при включении в обратном направлении - зарядная.
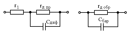
На рис. 1.14 приведена эквивалентная схема p-n перехода по переменному току. Схема содержит дифференциальное сопротивление p-n перехода rД, диффузионную емкость СДИФ, барьерную емкость СБАР и сопротивление объема p- и n-областей r1. На основании уравнения (1.37) можно записать:
Если при прямом включении p-n перехода Uпр >> т, то:
При комнатной температуре
; (1.42)
(в соотношении (1.42) значение тока подставляется в амперах). Сопротивление утечки rУТ учитывает возможность прохождения тока по поверхности кристалла из-за несовершенства его структуры. При прямом включении p-n перехода СБАР << СДИФ, дифференциальное сопротивление rД ПР мало и соизмеримо с r1, поэтому эквивалентная схема принимает вид, показанный на рис. 1.15, а.
| а) | б) |
Рисунок 1.15 Упрощенные эквивалентные схемы p-n перехода.
При обратном смещении rД ОБР >> r1, СБАР >> СДИФ и эквивалентная схема имеет вид, показанный на рис. 1.15, б.
1.4 РАЗНОВИДНОСТИ ЭЛЕКТРИЧЕСКИХ ПЕРЕХОДОВ
1.4.1 Гетеропереходы
Гетеропереход образуется двумя полупроводниками, различающимися шириной запрещенной зоны. Параметры кристаллических решеток полупроводников, составляющих гетеропереход, должны быть близки, что ограничивает выбор материалов. В настоящее время наиболее исследованными являются пары: германий-арсенид галлия, арсенид галлия-мышьяковидный индий, германий-кремний. Различают n-p и p-n гетеропереходы (на первое место ставится буква, обозначающая тип электропроводности полупроводника с более узкой запрещенной зоной). На основе гетеропереходов возможно также создание структур n-n и p-p.
Рисунок 1.16 Упрощенная энергетическая диаграмма p-n гетероперехода в равновесном состоянии.
На рисунке 1.16 приведена упрощенная энергетическая диаграмма n-p перехода между арсенидом галлия р-типа (WP = 1,5 эВ) и германием n-типа (Wn = 0,67 эВ) в состоянии равновесия (U = 0). При контакте полупроводников происходит перераспределение носителей зарядов, приводящее к выравниванию уровней Ферми p- и n-областей и возникновению энергетического барьера для электронов n-области qUkn и. для дырок p-области qUкp, причем Uкn > Uкp.
Рисунок 1.17 Упрощенная энергетическая диаграмма p-n гетероперехода, включенного в прямом состоянии.
В состоянии равновесия ток через n-p переход равен нулю. Поскольку потенциальные барьеры для дырок и электронов различны, при приложении к гетеропереходу прямого напряжения смещения он обеспечит эффективную инжекцию дырок из полупроводника с большей шириной запрещенной зоны (рис. 1.17).
1.4.2 Контакт между полупроводниками одного типа электропроводности
Контакт полупроводников с одним типом электропроводности, но с разной концентрацией примесей обозначают р+-р или п+-п (знаком "плюс" отмечается полупроводник с большей концентрацией примесей). В таких контактах носители из области с большей концентрацией примеси переходят в область с меньшей концентрацией. При этом в области с повышенной концентрацией нарушается компенсация зарядов ионизированных атомов примеси, а в другой области создается избыток основных носителей зарядов. Образование этих зарядов приводит к появлению на переходе собственного электрического поля и контактной разности потенциалов, определяемой следующими соотношениями: для p+-р перехода
В этих переходах не образуется слой с малой концентрацией носителей зарядов, и их сопротивление определяется в основном сопротивлением низкоомной области. Поэтому при прохождении тока непосредственно на контакте падает небольшое напряжение и выпрямительные свойства этих переходов не проявляются. В p+-p и n+-n- переходах отсутствует инжекция неосновных носителей из низкоомной области в высокоомную. Если, например, к переходу n+-n подключен источник тока плюсом к n-области, а минусом к n+-области, то из n+-области в n-область будут переходить электроны, являющиеся в ней основными носителями зарядов. При изменении полярности внешнего напряжения из n+-области в n-область должны инжектироваться дырки, однако их концентрация мала, и этого явления не происходит. Переходы типа p+-p и n+-n возникают при изготовлении омических контактов к полупроводникам.















