Уч пос (1075545), страница 8
Текст из файла (страница 8)
Промышленностью выпускаются стабилитроны с параметрами: Ucт от 1,5 до 180 В, токи стабилизации от 0,5 мА до 1,4 А.
Выпускаются также двуханодные стабилитроны, служащие для стабилизации разнополярных напряжений и представляющие собой встречно включенные p-n переходы.
Рисунок 2.2 К определению параметров стабилитронов.
2.4 Универсальные и импульсные диоды
Они применяются для преобразования высокочастотных и импульсных сигналов. В данных диодах необходимо обеспечить минимальные значения реактивных параметров, что достигается благодаря специальным конструктивно-технологическим мерам.
Одна из основных причин инерционности полупроводниковых диодов связана с диффузионной емкостью. Для уменьшения времени жизни используется легирование материала (например, золотом), что создает много ловушечных уровней в запрещенной зоне, увеличивающих скорость рекомбинации и следовательно уменьшается Сдиф.
Разновидностью универсальных диодов является диод с короткой базой. В таком диоде протяженность базы меньше диффузионной длины неосновных носителей. Следовательно, диффузионная емкость будет определяться не временем жизни неосновных носителей в базе, а фактическим меньшим временем нахождения (временем пролета). Однако осуществить уменьшение толщины базы при большой площади p-n перехода технологически очень сложно. Поэтому изготовляемые диоды с короткой базой при малой площади являются маломощными.
В настоящее время широко применяются диоды с p-i-n-структурой, в которой две сильнолегированные области p- и n-типа разделены достаточно широкой областью с проводимостью, близкой к собственной (i-область). Заряды донорных и акцепторных ионов расположены вблизи границ i-области. Распределение электрического поля в ней в идеальном случае можно считать однородным (в отличие от обычного p-n перехода). Таким образом, i-область с низкой концентрацией носителей заряда, но обладающей диэлектрической проницаемостью можно принять за конденсатор, «обкладками» которого являются узкие (из-за большой концентрации носителей в p- и n-областях) слои зарядов доноров и акцепторов. Барьерная емкость p-i-n диода определяется размерами i-слоя и при достаточно широкой области от приложенного постоянного напряжения практически не зависит.
Особенность работы p-i-n диода состоит в том, что при прямом напряжении одновременно происходит инжекция дырок из p-области и электронов из n-области в i-область. При этом его прямое сопротивление резко падает. При обратном напряжении происходит экстракция носителей из i-области в соседние области. Уменьшение концентрации приводит к дополнительному возрастанию сопротивления i области по сравнению с равновесным состоянием. Поэтому для p-i-n диода характерно очень большое отношение прямого и обратного сопротивлений, что при использовании их в переключательных режимах.
В качестве высокочастотных универсальных используются структуры с Шоттки и Мотта. В этих приборах процессы прямой проводимости определяются только основными носителями заряда. Таким образом, у рассматриваемых диодов отсутствует диффузионная емкость, связанная с накоплением и рассасыванием носителей заряда в базе, что и определяет их хорошие высокочастотные свойства.
Отличие барьера Мотта от барьера Шоттки состоит в том, что тонкий i-слой создан между металлом М и сильно легированным полупроводником n+, так что получается структура М-i-n. В высокоомном i-слое падает все приложенное к диоду напряжение, поэтому толщина обедненного слоя в n+-области очень мала и не зависит от напряжения. И поэтому барьерная емкость практически не зависит от напряжения и сопротивления базы.
Наибольшую рабочую частоту имеют диоды с барьером Мотта и Шоттки, которые в отличие от p-n-перехода почти не накапливают неосновных
носителей заряда в базе диода при прохождении прямого тока и поэтому имеют малое время восстановления tВОСТ (около 100 пс).
Разновидностью импульсных диодов являются диоды с накоплением заряда (ДНЗ) или диоды с резким восстановлением обратного тока (сопротивления). Импульс обратного тока в этих диодах имеет почти прямоугольную форму (рисунок 4.2). При этом значение t1 может быть значительным, но t2 должно быть чрезвычайно малым для использования ДНЗ в быстродействующих импульсных устройствах.
Получение малой длительности t2 связано с созданием внутреннего поля в базе около обедненного слоя p-n-перехода путем неравномерного распределения примеси. Это поле является тормозящим для носителей, пришедших через обедненный слой при прямом напряжении, и поэтому препятствует уходу инжектированных носителей от границы обедненного слоя, заставляя их компактнее концентрироваться зи границы. При подаче на диод обратного напряжения (как и в обычном диоде) происходит рассасывание накопленного в базе заряда, но при этом внутреннее электрическое поле уже будет способствовать дрейфу неосновных носителей к обедненному слою перехода. В момент t1, когда концентрация избыточных носителей на границах перехода спадает до нуля, оставшийся избыточный заряд неосновных носителей в базе становится очень малым, а, следовательно, оказывается малым и время t2 спадания обратного тока до значения I0.
Рисунок 2.3 Временные диаграммы тока через импульсный диод.
2.5 Варикапы
Варикапом называется полупроводниковый диод, используемый в качестве электрически управляемой емкости с достаточно высокой добротностью в диапазоне рабочих частот. В нем используется свойство p-n-перехода изменять барьерную емкость под действием внешнего напряжения (рисунок 2.4).
Основные параметры варикапа: номинальная емкость СН при заданном номинальным напряжением UН (обычно 4 В ), максимальное обратное напря- жение Uобр max и добротность Q.
Для увеличения добротности варикапа используют барьер Шоттки; эти варикапы имеют малое сопротивление потерь, так как в качестве одного из слоев диода используется металл.
Рисунок 2.4 Зависимость емкости варикапа от напряжения.
Основное применение варикапов - электрическая перестройка частоты колебательных контуров. В настоящее время существует несколько разновидностей варикапов, применяемых в различных устройствах непрерывного действия. Это параметрические диоды, предназначенные для усиления и генерации СВЧ-сигналов, и умножительные диоды, предназначенные для умножения частоты в широком диапазоне частот. Иногда в умножительных диодах используется и диффузионная емкость.
3 БИПОЛЯРНЫЕ ТРАНЗИСТОРЫ
3.1 Принцип действия биполярного транзистора. Режимы работы.
3.1.1 Общие сведения
Биполярным транзистором (БТ) называется трехэлектродный полупроводниковый прибор с двумя взаимодействующими p-n переходами, предназначенный для усиления электрических колебаний по току, напряжению или мощности. Слово “биполярный” означает, что физические процессы в БТ определяются движением носителей заряда обоих знаков (электронов и дырок). Взаимодействие переходов обеспечивается тем, что они располагаются достаточно близко - на расстоянии, меньшем диффузионной длины. Два p-n-перехода образуются в результате чередования областей с разным типом электропроводности. В зависимости от порядка чередования различают БТ типа
n-p-n (или со структурой n-p-n) и типа p-n-p (или со структурой p-n-p), условные изображения которых показаны на рисунке 3.1.
| а) | б) |
| Рисунок 3.1 Структуры БТ. | |
Структура реального транзистора типа n-p-n изображена на рисунке 3.2. В этой структуре существуют два перехода с неодинаковой площадью: площадь левого перехода n1+-p меньше, чем у перехода n2-p. Кроме того, у большинства БТ одна из крайних областей (n1 с меньшей площадью) сечения легирована гораздо сильнее, чем другая крайняя область (n2).
Рисунок 3.2 Структура реального БТ типа n-p-n.
Сильнолегированная область обозначена верхним индексом “+” (n+). Поэтому БТ является асимметричным прибором. Асимметрия отражается и в названиях крайних областей: сильнолегированная область с меньшей площадью (n1+) называется эмиттером, а область n2 - коллектором. Соответственно область (p) называется базовой (или базой). Правая область n+ служит для переход n1+-р называют эмиттерным, а n2-p коллекторным. Средняя снижения сопротивления коллектора. Контакты с областями БТ обозначены на рисунках 3.1 и 3.2 буквами: Э - эмиттер; Б - база; К- коллектор.
Основные свойства БТ определяются процессами в базовой области, которая обеспечивает взаимодействие эмиттерного и коллекторного переходов. Поэтому ширина базовой области должна быть малой (обычно меньше 1 мкм). Если распределение примеси в базе от эмиттера к коллектору однородное (равномерное), то в ней отсутствует электрическое поле и носители совершают в базе только диффузионное движение. В случае неравномерного распределения примеси (неоднородная база) в базе существует “внутреннее” электрическое поле, вызывающее появление дрейфового движения носителей: результирующее движение определяется как диффузией, так и дрейфом. БТ с однородной базой называют бездрейфовыми, а с неоднородной базой - дрейфовыми.
Биполярный транзистор, являющийся трехполюсным прибором, можно использовать в трех схемах включения: с общей базой (ОБ) (рисунок 3.3,а), общим эмиттером (ОЭ) (рисунок 3.3,б), и общим коллектором (ОК) (рисунок 3.3,в). Стрелки на условных изображениях БТ указывают (как и на рисунке 3.1) направление прямого тока эмиттерного перехода. В обозначениях напряжений вторая буква индекса обозначает общий электрод для двух источников питания.
В общем случае возможно четыре варианта полярностей напряжения переходов, определяющих четыре режима работы транзистора. Они получили названия: нормальный активный режим, инверсный активный режим, режим насыщения (или режим двухсторонней инжекции) и режим отсечки.
| а) | б) | в) |
| Рисунок 3.3 Схемы включения БТ. | ||
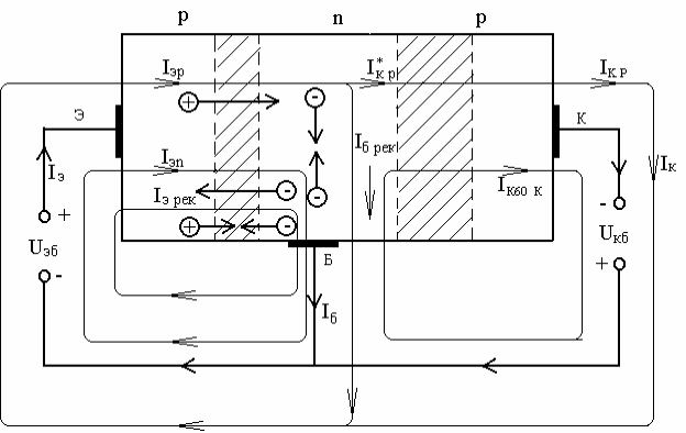
В нормальном активном режиме (НАР) на эмиттерном переходе действует прямое напряжение (напряжение эмиттер - база UЭБ), а на коллекторном переходе - обратное (напряжение коллектор - база UКБ). Этому режиму соответствуют полярности источников питания на рисунке 3.4 и направления токов для p-n-p транзистора. В случае n-p-n транзистора полярности напряжения и направления токов изменяются на противоположные.
Рисунок 3.4 Физические процессы в БТ.
Этот режим работы (НАР) является основным и определяет назначение и название элементов транзистора. Эмиттерный переход осуществляет инжекцию носителей в узкую базовую область, которая обеспечивает практически без потерь перемещение инжектированных носителей до коллекторного перехода. Коллекторный переход не создает потенциального барьера для подошедших носителей, ставших неосновными носителями заряда в базовой области, а, наоборот, ускоряет их и поэтому переводит эти носители в коллекторную область. “Собирательная” способность этого перехода и обусловила название “коллектор”. Коллектор и эмиттер могут поменяться ролями, если на коллекторный переход подать прямое напряжение UКБ, а на эмиттерный -обратное UЭБ. Такой режим работы называется инверсным активным режимом (ИАР). В этом случае транзистор “работает” в обратном направлении: из коллектора идет инжекция дырок, которые проходят через базу и собираются эмиттерным переходом, но при этом его параметры отличаются от первоначальных.
Режим работы, когда напряжения на эмиттерном и коллекторном переходах являются прямыми одновременно, называют режимом двухсторонней инжекции (РДИ) или менее удачно режимом насыщения (РН). В этом случае и эмиттер, и коллектор инжектируют носители заряда в базу навстречу друг другу и одновременно каждый из переходов собирает носители, приходящие к нему от другого перехода.
Наконец, режим, когда на обоих переходах одновременно действуют обратные напряжения, называют режимом отсечки (РО), так как в этом случае через переходы протекают малые обратные токи.
Следует подчеркнуть, что классификация режимов производится по комбинации напряжений переходов, В схеме включения с общей базой (ОБ) они равны напряжениям источников питания UЭБ и UКБ. В схеме включения с общим эмиттером (ОЭ) напряжение на эмиттерном переходе определяется напряжением первого источника (UЭБ = -UБЭ), а напряжение коллекторного перехода зависит от напряжений обоих источников и по общему правилу определения разности потенциалов UКБ = UКЭ + UЭБ. Так как UЭБ = -UБЭ, тo UКБ = UКЭ - UБЭ; при этом напряжение источников питания надо брать со своим знаком: положительным, если к электроду присоединен положительный полюс источника, и отрицательным - в другом случае. В схеме включения с общим коллектором (ОК) напряжение на коллекторном переходе определяется одним источником: UКБ = -UБК. Напряжение на эмиттерном переходе зависит от обоих источников: UЭБ = UЭК + UКБ = UЭК - UБК, при этом правило знаков прежнее.
3.1.2 Физические процессы в бездрейфовом биполярном















