Пупков К.А., Коньков В.Г. - Интеллектуальные исследования (Современнаяя теория управления) (1072100), страница 10
Текст из файла (страница 10)
В настоящее время теория робастного управления (Н - теория управления, Н - управление) является одной из интенсивно развивающихся ветвей теории управления. Сравнительно молодая (первые работы появились в начале 80-х гг. [19]), она возникла из насущных практических проблем синтеза многомерных линейных систем управления, функционирующих в условиях различного рода возмущений и изменения параметров. Бурно развиваются такие новые направления, как нелинейная [20] и нестационарная [21] Н - теории управления, задачи которой рассматриваются как задачи теории игр [22]. Растет число публикаций - зарубежных и отечественных. На Европейской конференции по управлению (ЕСС93) в Гронингене значительная часть докладов так или иначе касалась теории робастного управления.
Несколько лет назад наиболее популярной ветвью теории управления была теория адаптивного управления. Она развивалась как для детерминированной, так и для вероятностной постановки задачи. Существует громадная библиография в этой области. Однако в последние годы интерес к этой теории стал заметно уменьшаться. Причина этого не только в сложности развитой теории, но и в сложности реализации предлагаемых алгоритмов. Алгоритмы адаптивного управления (прямого и непрямого) оказались негрубыми к неучтенным внешним и параметрическим возмущениям, причем алгоритмы беспоисковой самонастройки ляпуновского типа - особенно чувствительными. В восьмидесятые годы предприняты попытки строить грубые адаптивные регуляторы; однако эти алгоритмы были сложны в реализации и, по сути, являлись «подправленными» алгоритмами ляпуновского типа.
Можно подойти к проблеме проектирования управления реальным сложным объектом, функционирующим в условиях неопределенности, другим образом: не пытаться использовать один тип управления - адаптивный или робастный. Очевидно, следует выбирать тот тип, который соответствует состоянию окружающей среды и системы, определенному по имеющейся в распоряжении системы информации. Если же в процессе функционирования системы можно организовать получение информации, целесообразно использовать ее в процессе управления.
Но реализация такого комбинированного управления до недавнего времени наталкивалась на непреодолимые трудности при определении алгоритма выбора типа управления. Достигнутые в разработке проблем искусственного интеллекта успехи делают возможным синтез такого алгоритма. Действительно, поставим задачу: спроектировать систему, использующую адаптивное и робастное управление и осуществляющую выбор типа управления на основе методов искусственного интеллекта. Для этого рассмотрим особенности обоих типов и, учитывая их специфические качества, определим, как можно построить систему комбинированного управления.
Особенности робастного управления. Одним из основных понятий в теории робастного управления является понятие неопределенности. Неопределенность объекта отражает неточность модели объекта, причем как параметрическую, так и структурную. Рассмотрим подробнее формы задания неопределенности в робастной теории управления с помощью простой системы - с одним входом и одним выходом (рис. 16). Сигналы имеют следующую интерпретацию: r - задающий входной сигнал; u -входной сигнал (вход) объекта; d - внешнее возмущение; y - выходной сигнал (выход) объекта, измеряемый.
Рис. 16
В Н - теории управления неопределенность удобно задавать в частотной области. Предположим, что передаточная функция исходного объекта P и рассмотрим возмущенный объект, передаточная функция которого, например,
. Здесь W - фиксированная передаточная функция (весовая функция), а - произвольная устойчивая передаточная функция, удовлетворяющая неравенству
. Такое возмущение будем называть допустимым. Ниже приведем некоторые варианты моделей неопределенности:
Неопределенность входных сигналов d отражает различную природу внешних возмущений, действующих на объект и регулятор. Неопределенный объект, таким образом, может рассматриваться как некое множество объектов. Выберем некую характеристику систем с обратной связью, например устойчивость. Регулятор С является робастным относительно этой характеристики, если ею обладает любой из множества объектов, задаваемого неопределенностью.
Таким образом, понятие робастности подразумевает наличие регулятора, расчитанного на множество объектов и фиксацию определенной характеристики системы.
В этой работе мы не будем затрагивать всего множества задач, решаемых в рамках Н - теории управления. Коснемся лишь задачи минимальной чувствительности: построения такого регулятора С, который стабилизирует замкнутую систему и минимизирует влияние внешних возмущений на выход y , иначе говоря, минимизирует Н - норму матрицы передаточных функций от внешних возмущений к выходу y. Одной из особенностей решения этой, да и всего множества задач робастного управления является тот факт, что мы заранее в процессе проектирования регулятора закладываем ограничения на входные воздействия и неопределенность объекта в виде неравенств
.
В процессе функционирования робастной системы информация о неопределенностях в системе не используется для управления.
Естественно, это приводит к тому, что робастные системы консервативны и качество переходных процессов порой не удовлетворяет разработчиков этих систем.
Особенности адаптивных систем управления. Подобно робастной адаптивная система управления строится для объектов, информация о которых или о воздействиях, на которые недоступна в начале функционирования системы. Чаще всего, свойство адаптации достигается посредством формирования в явном или неявном виде математической модели объекта или входного воздействия. Этим отличается как поисковое адаптивное управление, в основе которого поиск и удержание экстремума показателя качества управления, так и беспоисковое, в основе которого компенсация отклонения фактических изменений управляемых координат от желаемых изменений, соответствующих требуемому уровню показателя качества. Далее по уточненной модели происходит подстройка адаптивного регулятора.
Таким образом, основная особенность адаптивных систем управления - возможность получения информации в процессе функционирования и использования этой информации для управления.
Более того, в адаптивных системах всегда используется априорная информация о неопределенности в системе. Это принципиальное отличие адаптивного подхода от робастного.
Рассмотрим простейшую адаптивную систему управления, обеспечивающую отслеживания входного сигнала в присутствии помехи на входе объекта (рис. 17). Алгоритмы построения такой системы управления широко известны и описаны, например, в работе [21].
Рис. 17
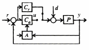
Формальное отличие от схемы на рис. 16 - блок адаптации А, который на основании выходного сигнала объекта и сигнала, характеризующего заданное качество, вырабатывает сигнал подстройки коэффициентов адаптивного регулятора. Имея в виду недостатки каждого из регуляторов, целесообразно попытаться использовать их достоинства, предложив комбинированную схему управления объектом. Адаптивная система при помощи блока адаптации вырабатывает некоторую информацию о состоянии внешней среды. В частности, в рассматриваемом случае можно получить информацию о внешнем возмущении d. Алгоритм управления Ca соответствует текущему состоянию внешней среды согласно заложенному в блоке адаптации критерию. Но адаптивная система требует, чтобы входной сигнал r имел достаточно широкий частотный диапазон, и накладывает жесткие ограничения на значение и частотный спектр сигнала внешнего возмущения d. Поэтому адаптивные системы могут работать только в узких диапазонах входного сигнала r и внешнего возмущения d [22]. Вне этих диапазонов адаптивная система имеет низкое качество управления и может даже потерять устойчивость.
Рассмотренные выше свойства робастного и адаптивного управления приводят к заключению, что в процессе функционирования системы в одних случаях выгодно использовать робастное управление, в других - адаптивное, т.е. иметь возможность комбинировать управление в зависимости от состояния внешней среды.
Рис. 18
Комбинированное управление. Основной вопрос при проектировании систем комбинированного управления заключается в том, каким образом, на основании каких знаний (информации) осуществлять выбор того или иного типа управления. Наиболее широкие возможности для этого представляют методы искусственного интеллекта [23]. Их преимущество по сравнению с простыми переключающими алгоритмами состоит в использовании широкого спектра данных и знаний для формирования алгоритма выбора типа управления.
Если формально объединить схемы, приведенные на рис. 16, 17, то получим схему комбинированного управления (рис. 18). Как видно из рисунка, сигнал управления u должен переключаться с робастного регулятора на адаптивный и, наоборот, по мере изменения окружающей среды в процессе функционирования системы. Используя методы теории интеллектуальных систем [23], можно обеспечить переход с одного типа управления на другой в зависимости от условий работы системы.
Рассмотрим сначала, какую информацию можно использовать для работы интеллектуального блока системы. Как известно, SISO - системы хорошо описываются в частотной области. Поэтому естественно использовать частотные характеристики для организации процесса принятия решений при выборе типа управления. Как указывалось выше, частотная характеристика системы с робастным управлением соответствует наихудшему сочетанию параметров в области неопределенности. Поэтому робастное управление можно принять за одну из границ выбираемого управления. Другая граница определяется возможностями исследуемой системы (быстродействие привода, энерговооруженность и т.д.). Между этими двумя границами находится область, где разумно использовать адаптивное управление.
Так как адаптивный алгоритм чувствителен к начальному этапу функционирования системы, то на этом этапе целесообразно использовать робастное управление, которое достаточно нечувствительно к скорости изменения внешней помехи. Но его недостатком является большая длительность переходных процессов и большие допустимые значения выходной координаты при действии помехи.
По истечении некоторого времени робастное управление имеет смысл переключить на адаптивное. Адаптивное управление позволяет более точно отследить входной сигнал при наличии информации о помехе. Адаптивное управление требовательно к богатству спектра входного сигнала, и, например, при медленно меняющихся сигналах возможны срывы процессов адаптации или сильное их замедление. В такой ситуации необходимо снова переходить на робастное управление, гарантирующее устойчивость работы системы.
Из вышеизложенного следует, что для функционирования системы необходимо иметь информацию о частотном спектре полезного сигнала помехи и об отношении сигнал/шум. Кроме того, требуется предварительная информация о частотном спектре, на котором работает адаптивная система, и о частных характеристиках объекта управления на границах области неопределенности. Из этой информации можно сформировать базу данных, в которую информация, индивидуальная для каждого класса объектов, заносится заранее. Информация о частотном спектре полезного сигнала, помех и об отношении сигнал/шум поступает в базу данных по мере функционирования системы и постоянно обновляется.
Содержимое базы данных может быть использовано в базе знаний, которая формируется в виде правил. В зависимости от конкретных свойств системы можно установить переключения двух типов управления. Требуемые правила формируются в одной из логических систем, подходящей для рассматриваемого случая.
Имея базы данных и знаний, можно разработать механизм принятия решений, который будет обеспечивать правильный выбор типа управления в зависимости от условий функционирования системы.
Интеллектуальная часть системы работает дискретно, на заданных интервалах времени. На рис. 19 приведена структурная схема системы с интеллектуальным блоком ИБ, обеспечивающим выбор типа управления. На вход блока поступают сигнал r и измеряемый, выходной сигнал объекта y. В блоке предварительной обработки информации БПОИ по временным характеристикам сигналов r(t), y(t) определяются частотные характеристики входного сигнала r(w) и внешнего возмущения d(w), взаимное расположение спектров r(w) и d(w) и характерные значения отношения сигнал/шум r(w) / d(w). Вся эта информация поступает в базу данных БД. Блок принятия решения БПР, используя сформированную базу знаний БЗ и данные БД, вырабатывает решение, в соответствии с которым включается один из типов управления. На следующем интервале процесс повторяется с использованием новых данных.
















