ДЗ 2 ЦТ для СМ4,6 МУ (1065179), страница 2
Текст из файла (страница 2)
Дополнение произведения равно сумме дополнений переменных
4.7.4 Набор правил Булевой алгебры
| А + 0 = А | |
| А + 1 = 1 | А ·А = А |
| А + А = А | |
|
| А· В = В · А |
| А + В = В + А | А (В+С) = (В А)+(АС) |
| А + ВС = (В + А)(А+С) | |
| А + АВ = А | А(А + В) = А |
| А· В + В · А=АВ | |
4.7.5 Пример
Дано:
Запишем уравнение в совершенной дизъюнктивной нормальной форме (СДНФ)
Карта Карно
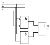
Итоговая схема
4.7.6 Дешифратор – комбинационная схема, обеспечивающая формирование для n-входовой схемы активного сигнала только на одном из его
выходов.
4.7.7 Для нашего примера синтезируем устройство, используя дешифратор
Составить таюлицу истинности
| A | B | C | Q |
| 0 | 0 | 0 | 1 |
| 1 | 0 | 0 | 0 |
| 0 | 1 | 0 | 1 |
| 1 | 1 | 0 | 1 |
| 0 | 0 | 1 | 0 |
| 1 | 0 | 0 | 0 |
| 0 | 1 | 1 | 0 |
| 1 | 1 | 1 | 1 |
5 Контрольные вопросы:
-
Что называют логическим элементом?
-
Укажите уровни на выходах логических элементов, при указанных уровнях на входах
-
Какие логические устройства существуют?
-
Укажите уровни на выходах логических элементов, при указанных уровнях на входах
-
Основные теоремы алгебры- логики.
-
Представить в десятичном коде двоичные числа: 00101110 и 1111111
-
Назовите систему счисления используемую в работе логических устройств?
-
Объясните принцип работы дешифратора?
-
Умножить логически двоичные числа: 1101 на 101. Результат представить в двоичном коде.
-
Какие методы упрощения логических выражений вы знаете?
-
Перечислите элементарные логические операции?
-
Записать в двоичном коде сигнал на выходе 2ИЛИ-НЕ, соответствующий различным комбинациям входных сигналов.
-
Представьте числа 89 и 332 в двоичном коде
-
Записать в двоичном коде сигнал на выходе 3И-НЕ, соответствующий различным комбинациям входных сигналов
-
Проведите анализ логического устройства
-
Литература
1.Электротехника и электроника. Учебник для вузов. Книга 3 / Под редакцией
В.Г.Герасимова. - М.: Энергоатомиздат, 2000.
2. Забродин Ю.С. Промышленная электроника. М.:В.Ш., 1982г.
3. Токхейм Р. Основы цифровой электроники. М.: Мир, 1988г.
Приложение1
Варианты домашнего задания
| № варианта | Шестнадцатеричный код | № варианта | Шестнадцатеричный код |
| 1 2 3 4 5 6 7 8 9 10 11 12 13 14 15 16 17 18 19 20 21 22 23 24 25 26 27 28 29 30 31 32 33 34 35 36 37 38 39 40 41 42 43 44 45 46 47 | 4245 A8F3 4758 4B88 992B 52D5 475E 481B 9C85 4450 990C 5C4F 900C 81B3 89B0 64C3 B242 4BD9 656F A933 BF3B 48AD BC8D B61D BAB7 8815 B9AA 68BB 6208 47D1 6A97 656D 7384 445D 64CB 5C1C 886F AF5E 60A2 8BBF 82E7 5087 407B 69B3 6E2C BF3C B850 | 48 49 50 51 52 53 54 55 56 57 58 59 60 61 62 63 64 65 66 67 68 69 70 71 72 73 74 75 76 77 78 79 80 81 82 83 84 85 86 87 88 89 90 91 92 93 94 | 7791 B7BE 7F97 BC4B BA94 9C40 92EF AE69 43F4 6ED4 4C01 6AD5 40EF A862 4333 764B 4453 969D 69FA 87AF 765F 5336 483C 8EE7 9082 569B 7436 9A62 7702 5AFF 8BA5 AB28 B1B2 B15A BB40 A282 6F18 48B8 4DEF B7E9 8169 5B0A 75E6 AA2D 523B 692A A8B0 |
Приложение 2.
Образец титульного листа.
Московский государственный технический университет
имени Н. Э. Баумана
Кафедра электротехники и промышленной электроники
Домашнее задание № 2
по курсу « Электротехника и электроника »
на тему «Проектирование узлов цифровой электронной техники»
Вариант № 0
Выполнил: студент Иванов И.И.
группа СМ4 – 61___
Проверил: доцент Мисеюк О.И.
Дата сдачи работы на проверку __________
Оценка_______________________________
Москва 2016 г.
















