DZ_No1_post_tok_chast_2_MU (1065175), страница 3
Текст из файла (страница 3)
б) параллельно катушке индуктивности подключить активное сопротивление;
в) последовательно включить активное сопротивление?
-
Как должен изменяться ток I в неразветвленной части цепи при параллельном соединении потребителя и батареи конденсаторов в случае увеличения емкости от С = 0 до С = ∞ , если потребитель представляет собой:
а) активную,
б) емкостную,
в) активно-индуктивную,
г) активно-емкостную нагрузку?
6. Литература
-
Бессонов Л.А. Теоретические основы электротехники- М.: Высшая школа, 2012г.
-
Беневоленский С.Б., Марченко А.Л. Основы электротехники. Учебник для ВУЗов – М.,Физматлит, 2007г.
-
Касаткин А.С., Немцов М.В. Электротехника. Учебник для вузов- М.: В. ш, 2000г.
-
Электротехника и электроника. Учебник для вузов, книга 1. / Под редакцией
В.Г.Герасимова. - М.: Энергоатомиздат, 1996г.
-
Волынский Б.А., Зейн Е.Н., Шатерников В.Е. Электротехника, -М.:
Энергоатомиздат, 1987г.
Приложение 1
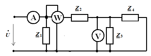
Схема группа 1
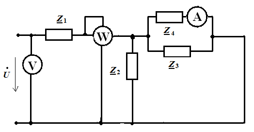
Схема группа 2
Приложение 2
| Вариант | Z1 | Z2 | Z3 | Z4 | U |
| 1 | 2+j2 | 5 | 5+j3 | 8-j2 | 40 |
| 2 | 2-j2 | -j5 | 8-j2 | 4-j4 | 50 |
| 3 | 3 | j5 | 4-j4 | 6+j3 | 80 |
| 4 | -j5 | 2+j2 | 6+j3 | 2-j5 | 60 |
| 5 | j4 | 2-j2 | 6 | 3 | 20 |
| 6 | 5-j2 | 4 | 5+j3 | j4 | 80 |
| 7 | 2-j5 | -j6 | 8-j2 | 5+j3 | 40 |
| 8 | 5+j3 | 3-j4 | 4-j4 | 8-j2 | 100 |
| 9 | 4+j6 | 4-j3 | 3 | 2-j5 | 20 |
| 10 | 6-j3 | 5+j5 | 7 | j4 | 70 |
| 11 | 3-j6 | 8-j2 | 2-j5 | -j5 | 50 |
| 12 | 5 | 2+j4 | 8-j2 | 6+j3 | 90 |
| 13 | 8+j4 | 5 | 6+j3 | 8 | 40 |
| 14 | 6 | 5+j3 | j4 | 2 | 60 |
| 15 | -j3 | j4 | 6 | -j5 | 40 |
| 16 | j8 | -j5 | 5+j3 | 2-j5 | 20 |
| 17 | 5 | 5+j3 | -j5 | 4 | 60 |
| 18 | 6+j3 | 8-j2 | 2-j5 | 5+j3 | 80 |
| 19 | 4-j4 | j4 | 8 | 8-j2 | 60 |
| 20 | 4+j4 | 5+j3 | 4-j4 | 6+j3 | 50 |
| 21 | 2 | j6 | 2 | 5 | 120 |
| 22 | -j5 | 5 | 5-j5 | 8 | 110 |
| 23 | 2+j4 | -j4 | 7 | j5 | 70 |
| 24 | 3-j4 | 3-j4 | 2 | 9 | 150 |
| 25 | j4 | 2+j6 | 7 | -j2 | 130 |
Приложение 3. Образец титульного листа.
Московский государственный технический университет
имени Н. Э. Баумана
Кафедра электротехники и промышленной электроники
Домашнее задание № 1 часть 2
по курсу « Электротехника и электроника »
на тему «Расчет линейных цепей синусоидального тока»
Вариант № 0
Выполнил: студент ______________
группа ______________
Проверил:
Дата сдачи работы на проверку _____
Оценка_________________________
Москва 201… г.
















