Электротехника Лекции (1065050), страница 7
Текст из файла (страница 7)
Таким образом, для целей переменного тока можно составлять уравнения, по структуре сходной с уравнениями для цепей постоянного тока.
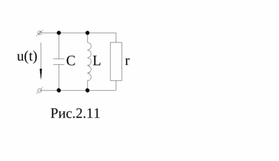
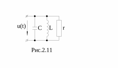
2.9 Параллельные соединения элементов r, L, C.
Для схемы рис. 2.11. составим уравнение по первому закону Кирхгофа для мгновенных значений:
 (11)
Здесь
Единица измерения проводимостей - сименс (Сим).
Векторная диаграмма токов приведена на рис. 2.12.
Уравнение (11) в комплексной форме:
Здесь
 - комплексная проводимость или комплекс проводимости,
 - модуль комплекса проводимости
 - фаза комплекса проводимости.
Проводимости 
 образуют треугольник проводимости, рис. 2.13.
Комплексная векторная диаграмма токов для уравнения (12) приведена на рис. 2.14.
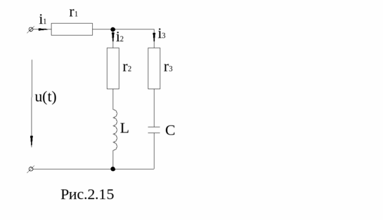
Пример 1.
Для схемы, приведенной на рис. 2.15.
L=6,37 мГн, С=796 мкФ, f=50 Гц,
Определить токи.
Решение.
Воспользуемся комплексным методом расчета. Запишем комплексы сопротивлений для каждой ветви:
Входное сопротивление цепи:
Мгновенные значения токов запишем в виде:
Пример 2.
Для схемы рис. 2.11 определить сдвиг по фазе между входным током и напряжением, если 
 
 Ом, 
 Ом, 
 Ом.
Решение:
комплекс тока:
 Фаза напряжения принята за ноль, а фаза тока получилась равной 
 . Сдвиг по фазе между током и напряжением 
 .
2.9.1. Мощность в цепи синусоидального тока. Комплексная мощность.
Пусть в цепи рис. 2.7 ток равен 
 .Мгновенное напряжение будет сдвинуто по отношению к току на угол 
 , отличный от 0 и 
 .Мгновенная мощность для этой цепи примет вид:
Выразим сопротивления r и 
 через модуль сопротивления Z :
Подставим (14) в (13), получим
Временные диаграммы i(t), u(t), p(t) приведены на рис. 2.16. 
 
Мощность p(t) имеет постоянную составляющую, т.е. среднюю мощность, или активную мощность:
и переменную составляющую. Амплитуда переменной составляющей 
 называется полной мощностью, измеряется в вольт-амперах, (ВА).
Мощности P и S связаны по закону треугольника мощностей, рис 2.17.
Третья составляющая в этом треугольнике – мощность реактивная 
 .
Реактивная мощность измеряется в вольт-амперах реактивных,(
 ).Полезная мощность измеряется ваттметром. 
Пример.
График мгновенной мощности p(t) приведен на рис. 2.19. 
 
Максимальное и минимальное значения мощности соответственно равны 800 и 200 ВА. Определить полную активную и реактивную мощности цепи.
Решение:
Размах значений мощности 1000 ВА, амплитудное значение 500 ВА, это полная мощность S. Среднее значение мощности P=800-500=300 Вт. Реактивная мощность 
 .
Отношение активной мощности к полной (рис. 2.17) равное косинусу угла сдвига фаз между напряжением и током, называется коэффициентом мощности
Для лучшего соотношения между мощностью электрической машины и других приборов и их габаритными размерами коэффициент мощности стремятся сделать максимально возможным.
Высокий коэффициент мощности желателен для уменьшения потерь при передаче энергии по линиям.
Чтобы выразить мощность через комплексы токов и напряжений воспользуемся следующим соображением.
Активная мощность должна быть равна
 , где 
 .
Отсюда следует, что при определении комплекса мощности фаза тока должна быть взята с обратным знаком, т.е. комплекс тока должен быть заменен на сопряженный.
Полная комплексная мощность
2.10. Законы Кирхгофа и уравнение энергетического баланса в комплексной форме.
Первый закон Кирхгофа:
Второй закон Кирхгофа:
Уравнение энергетического баланса:
2.11. Резонанс в цепях синусоидального тока.
Реактивные сопротивления и проводимость являются частотно-зависимыми величинами. Следовательно, при последовательном или параллельном соединении элементов L и C возможна на какой-то частоте полная компенсация реактивных сопротивлений или проводимостей. Режим, при котором наступает компенсация, называют резонансом. При резонансе входное сопротивление цепи становится активным, входное напряжение совпадает по фазе с входным током, а полная мощность будет активной. Угловая частота, 
 , при которой наступает резонанс, называется резонансной или собственной угловой частотой цепи. Различают две разновидности резонанса: резонанс напряжений и резонанс токов.
2.11.1. Резонанс напряжений.
Может возникнуть в цепи с последовательным соединением L и C, рис. 2.20а.
 Для этой цепи запишем:
Условие резонанса:
Настройку цепи в резонанс, изменение параметров цепи при частотах , отличных от резонансной можно увидеть, если построить частотные характеристики сопротивлений, тока в цепи и напряжений на r, L, C.
На рис. 2.20б,в,г приведены частотные характеристики реактивных сопротивлений 
 и 
 , суммарного реактивного сопротивления 
 , модуля полного сопротивления 
 , модуля входного тока 
 , а также амплитудно-частотные характеристики напряжений:
По графику 
 определена резонансная частота 
 , по графику 
 можно увидеть, что сопротивление цепи при резонансе минимально и равно активному сопротивлению, по графику 
 - что ток в цепи при резонансе максимален. Графики 
 , 
 , 
 имеют ярко выраженный избирательный характер, т.е. имеют максимальные значения на резонансной частоте или вблизи нее. Можно также отметить, что напряжения 
 и 
 при резонансе могут превышать значение входного напряжения. Это хорошо иллюстрируется с помощью векторных диаграмм напряжения приведенных на рис. 2.20д,е,ж при частотах 
 , 
 и 
 .Обратите также внимание на значения угла 
 на этих частотах и сопоставьте эти значения с характером реактивных сопротивлений на соответствующих частотах. Так при частотах 
 , реактивное сопротивление носит емкостной характер и 
 и т.д.
2.11.2. Резонанс токов.
Возможен в цепях с параллельным соединением L и C элементов, рис. 2.21а.
 Для этой цепи запишем уравнение по первому закону Кирхгофа:
Компенсация реактивных проводимостей и реактивных токов:
произойдет на резонансной частоте 
 
Для анализа явления резонанса токов построим частотные характеристики реактивных проводимостей рис.2.21б, модуля полной проводимости 
 , рис.2.21в, модуля полного тока 
 , рис. 2.21г. Здесь отмечена резонансная частота, полная проводимость цепи при резонансе минимальна и полный ток минимален. Векторные диаграммы токов, построенные для частот 
 , 
 ,
 , рис. 2.21д,е,ж, позволяют убедиться, что токи в катушке и конденсаторе могут значительно превышать полный ток.
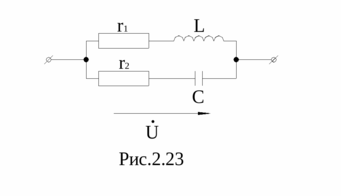
2.12. Резонанс напряжений и токов в разветвленных цепях.
Мы рассмотрели резонанс в последовательном и параллельном контурах с идеальными элементами L и C. Рассмотрим другие более сложные примеры. Для цепи рис. 2.22 запишем условие резонанса, определим резонансную частоту и ток в цепи.
Входные сопротивления цепи:
Выделим действительные и мнимые части сопротивлений:
Компенсация реактивных сопротивлений произойдет на частоте 
 :
Входное сопротивление при резонансе минимально и равно:
Входной ток при резонансе максимален и равен 
 
Для цепи, приведенной на рис. 2.23, возможен резонанс токов. Запишем входную проводимость цепи
Выделим действительные и мнимые части проводимостей:
Условие резонанса:
Входной ток:
В разветвленных цепях с L и C возможны несколько резонансов. Так в цепи рис. 2.24 возможны и резонанс токов в ветвях L , C и резонанс напряжений для всей цепи.
Пример.
Цепь, рис 2.25 настроена в резонанс. Определить 
 и 
 , если задано:
Решение:
Входное сопротивление цепи равно:
Условие резонанса напряжений:
Решая квадратное уравнение относительно 
 , получим 
 
Ток при резонансе равен:
Глава 3.
Трехфазные системы.
3.1 Общие положения.
Электроэнергию при переменном синусоидальном напряжении можно передавать как в однофазной системе, требующей двух проводов, так и в многофазных системах. По сравнению с однофазными они имеют ряд преимуществ, но более громоздкие.
Практическое распространение получила трёхфазная система переменного синусоидального напряжения. Трёхфазной системой называется совокупность электрических цепей, в ветвях которых действуют три одинаковых по амплитуде синусоидальных электродвижущих сил одинаковой частоты, с фазовыми углами одна относительно другой 120˚. Одной из э.д.с. присвоена литера A, следующей за ней по фазе - литера B и далее – литера С:
где угловая частота 
 при частоте   
 Гц или 60 Гц.
В производстве и передаче электрической энергии трёхфазная система наиболее экономична. В ней обеспечивается сравнительно простое получение вращающегося магнитного поля, используемого в большинстве двигателей переменного напряжения. Достаточно экономично решается задача преобразования переменного напряжения в постоянное. Однофазные потребители подключаются к трёхфазной сети без существенных ограничений.















