Электротехника Лекции (1065050)
Текст из файла
Глава 1.
Электрические цепи постоянного тока.
1.1.Основные понятия об электрической цепи.
Электрической цепью называют совокупность гальванически соединенных друг с другом источников электрической энергии и ее потребителей (нагрузок), в которых может возникать электрический ток. С помощью источников тот или иной вид энергии (энергия сжигаемого топлива, падающей воды, атомная и химическая энергия и т.д.) преобразуется в электрическую энергию.
Рис 1.2
Приемники, наоборот, преобразуют электрическую энергию в другие ее виды (механическую, тепловую, химическую, энергию светового излучения и т.д.).
Графическое изображение электрической цепи с помощью условных обозначений ее элементов называется электрической схемой цепи.
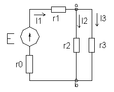
Электрические цепи подразделяются на разветвленные и неразветвленные. Простейшая неразветвленная цепь представлена на рис. 1.1. Во всех элементах неразветвленной цепи действует один и тот же ток. Разветвленная цепь (рис. 1.2) имеет в своем составе ветви, узлы, контуры. Ветвь - это участок цепи, состоящий из последовательно соединенных элементов и заключенный между двумя узлами. В каждой ветви существует свой ток.
Узел - это точка в электрической схеме цепи, где гальванически соединяются не менее трех ветвей. Любой замкнутый путь на схеме называется контуром. Независимым называется контур, содержащий хотя бы одну ветвь, не включенную в иной контур.
Пример разветвленной электрической цепи приведен на рис. 1.2. В схеме два узла обозначенные буквами «а» и «b», три ветви, расположенные между узлами и два независимых контура.
1.2. Ток, напряжение и мощность в электрической цепи.
Электрический ток и напряжение являются основными величинами, характеризующими состояние электрических цепей. Электрический ток в проводниках представляет явление упорядоченного движения электрических зарядов под действием электрического поля. Под словами ток понимают также интенсивность или силу тока, измеряемую количеством электрического заряда q, прошедшего через поперечное сечение проводника в единицу времени:
, [A] (1.1)
где ∆q - электрический заряд, прошедший за время ∆t через поперечное сечение проводника.
Следовательно, ток характеризует скорость изменения заряда во времени.
В системе СИ заряд измеряется в кулонах (Кл), время - в секундах, а ток - в Амперах (А).
Ток является скалярной алгебраической величиной, знак которой зависит от направления движения одноименных зарядов, а именно условно принятого положительного заряда. Для однозначного определения знака тока достаточно произвольно выбрать одно из двух возможных направлений за положительное, которое отмечается стрелкой (см. рис. 1.2.). Перед началом анализа электрической цепи необходимо отметить во всех ветвях положительные направления токов, выбор которых может быть произвольным. Закон изменения тока во времени может быть выражен функцией времени произвольной формы.
Постоянным называется ток, значение которого неизменно во времени при неизменных параметрах электрической цепи. Постоянный ток принято обозначать буквой I.
Прохождение электрического тока в цепи связано с преобразованием или потреблением энергии. Для определения энергии, затрачиваемой при перемещении заряда между двумя рассматриваемыми точками проводника, вводят новую величину - напряжение.
Электрическим напряжением между двумя точками называют количество энергии, затрачиваемой на перемещение заряда из одной точки в другую.
, [В] (1.2.)
где W – энергия электрического поля. При измерении энергии в джоулях (Дж) и заряда в кулонах (Кл) напряжение измеряется в вольтах (В).
Для однозначного определения знака напряжения между двумя выводами рассматриваемого участка цепи одному из выводов условно приписывают положительную полярность, которую отмечают либо знаком <+>, либо стрелкой, направленной от вывода (рис. 1.3). Напряжение положительно, если его полярность совпадает с выбранной.
Обычно условно положительную полярность напряжения выбирают согласованной с выбранным положительным напряжением тока, когда стрелки для тока и напряжения совпадают. В цепях постоянного тока напряжение принято обозначать буквой U.
Из определения напряжения (1.2) получается выражение энергии W, затраченной на перемещение заряда q на участке цепи с напряжением U к моменту времени t :
(1.3)
Дифференцирование этого равенства во времени дает выражение мгновенной мощности p - скорости изменения энергии во времени :
(1.4)
Мощность измеряется в Ваттах (Вт). Мощность в электрической цепи постоянного тока обозначается буквой P и равна P=UI. Она является алгебраической величиной, знак которой определяется знаком напряжения и тока: при совпадении этих знаков мощность положительна (Р>0), что соответствует потреблению энергии в рассматриваемом участке цепи; при несовпадении знаков тока и напряжения мощность отрицательна (P<0), что означает выделение ее из участка цепи (такой участок является источником энергии).
1.3.Источники в электрических цепях.
Под источником в электротехнике понимают электротехническое
устройство, производящее электрическую энергию и питающее электрическую цепь. Источники являются причиной появления токов и напряжений в цепи. Электрическая энергия постоянного Рис 1.4
тока может быть получена путем преобразования различных видов энергии: химической (гальванические элементы и аккумуляторы), механической (генераторы постоянного тока), тепловой (термоэлектрогенераторы), лучистой, например, световой (солнечные батареи). Все источники электрической энергии характеризуются определенным значением либо электродвижущей силы Е (э.д.с.)-источники напряжения, либо тока I-источники тока. В источниках (активных элементах цепи) за счет энергии сторонних сил совершается перенос положительных зарядов от меньшего потенциала к большему. Работа сторонних сил, затрачиваемая на перенос единичного заряда от зажима с меньшим потенциалом к зажиму с большим потенциалом, называется электродвижущей силой - Э.Д.С. источника и обозначается, в цепях постоянного тока, буквой Е. Э.Д.С. источника численно равна напряжению между зажимами источника при отсутствии в нем тока.
1.3.1. Источник напряжения.
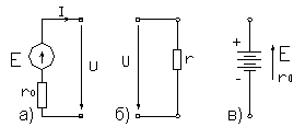
Идеальный источник напряжения - это активный элемент, напряжение на зажимах которого не зависит от тока, протекающего через источник. Внутреннее сопротивление r0 идеального источника напряжения равно нулю.
Условные графические изображения источников постоянного напряжения приведены на рис. 1.4.(а, б, в), где стрелками обозначены положительные направления э.д.с. и напряжений на зажимах источника. Поскольку для идеального источника напряжение остается неизменным (U=E),то в схемах вместо источника э.д.с. часто показывают зажимы, к которым приложено напряжение U (рис. 1.4. б).
На рисунке 1.5 представлена вольтамперная характеристика U=f(I) идеального источника напряжения (кривая «a»), где на осях обозначены: U
-напряжение на зажимах источника, I-ток, протекающий через источник. Такой источник, судя по его вольтамперной характеристике, способен отдавать во внешнюю цепь бесконечно большую мощность. Очевидно,
Рис 1.5 что, в действительности, такого источника не существует. Реальный источник напряжения обладает внутренним сопротивлением r0. Его схема замещения имеет вид рис.1.4 (а), а вольтамперная характеристика-кривая «в» на рис. 1.5, которая математически может быть описана уравнением:
1.3.2. Источник тока.
Наряду с понятием источника э.д.с. при расчетах электрических цепей пользуются понятием - источник тока.
И
деальным источником тока называется активный элемент, который поддерживает во внешней цепи ток, не зависящий от напряжения на его зажимах. Внутреннее сопротивление идеального источника тока r0=∞. Для изображения
Рис 1.6 источника тока используется обозначение, представленное на рис. 1.6 (а). Направление двойной стрелки соответствует положительному направлению тока источника.
В
ольтамперная характеристика источника тока имеет вид рис. 1.7, где зависимость«a»-вольтамперная характеристика идеального источника тока, а зависимость «в»-вольтамперная характеристика реального источника тока, имеющего конечное внутреннее сопротивление. На схеме реальный источник изображается в виде идеального источника тока и подключенного параллельного ему сопротивления (рис. 1.6 (б)). Необходимо отметить, что обе схемы замещения
Рис 1.7 реальных источников электрической энергии (рис.1.4(а) и рис.1.5(б)) являются эквивалентными (они имеют одну и ту же вольтамперную характеристику ) с точки зрения токов, напряжений и мощностей во внешних участках электрической цепи. Если внутреннее сопротивление источника r0 много больше сопротивления пассивного сопротивления приемника (нагрузки) rН, т.е. r0>rН, то ток источника при изменении rН остается практически неизменным. В этом случае источник электрической энергии выступает в роли источника тока; в случае, когда r0<< rН, напряжение на зажимах источника остается практически неизменным при изменении rН. В этом случае в качестве источника электрической энергии рассматривается источник напряжения.
1.4.Сопротивление или резистивный элемент.
Под резистивным элементом или сопротивлением понимают такой идеализированный пассивный элемент, в котором электрическая энергия необратимо преобразуется в какой-либо другой вид энергии, например, в тепловую, механическую, световую. Запасания энергии электрического или м
агнитного полей в сопротивлении не происходит. По свойствам к этому идеальному элементу довольно близки такие реальные устройства, как угольные радиосопротивления, реостаты, лампы накаливания. Символическое
Рис 1.8 изображение резистивного элемента представлено на рис. 1.8 , где указаны принятые положительные направления напряжения и тока.
Основное уравнение элемента, связывающее ток и напряжение, его вольт-амперная характеристика, определяется законом Ома, который устанавливает пропорциональность напряжения и тока:
Коэффициент пропорциональности в выражении (1.6) равный отношению напряжения и тока, является электрическим сопротивлением
(
1.7)
Размерность сопротивления – Ом. Обратная величина-отношение тока к напряжению- представляет собой электрическую проводимость [1/Ом]
(
1.8)
В теории линейных электрических цепей принимают сопротивление и проводимость постоянными величинами, не зависящими от тока и напряжения. Электрическое сопротивление цилиндрического проводника:
(
1.9).
где l-длина проводника, м;
S-площадь поперечного сечения проводника, мм2;
ρ-удельное сопротивление материала проводника, (Ом·мм2)/м;
Характеристики
Тип файла документ
Документы такого типа открываются такими программами, как Microsoft Office Word на компьютерах Windows, Apple Pages на компьютерах Mac, Open Office - бесплатная альтернатива на различных платформах, в том числе Linux. Наиболее простым и современным решением будут Google документы, так как открываются онлайн без скачивания прямо в браузере на любой платформе. Существуют российские качественные аналоги, например от Яндекса.
Будьте внимательны на мобильных устройствах, так как там используются упрощённый функционал даже в официальном приложении от Microsoft, поэтому для просмотра скачивайте PDF-версию. А если нужно редактировать файл, то используйте оригинальный файл.
Файлы такого типа обычно разбиты на страницы, а текст может быть форматированным (жирный, курсив, выбор шрифта, таблицы и т.п.), а также в него можно добавлять изображения. Формат идеально подходит для рефератов, докладов и РПЗ курсовых проектов, которые необходимо распечатать. Кстати перед печатью также сохраняйте файл в PDF, так как принтер может начудить со шрифтами.















