Электротехника Лекции (1065050), страница 4
Текст из файла (страница 4)
общее сопротивление контуров 1 и 2. После определения контурных токов, легко найти и токи всех ветвей.
I1 = I11; I2 = I22 ; I3 = I11 - I22 .
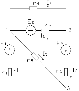
Рис 1.23
Пример 1.2.
Найти токи в схеме (рис. 1.23) при помощи метода контурных токов.
r1 = r2 = r3 = r4 = r5 = 10 Ом; E1 = E5 = 50 В; E3 = 90 В.
Решение:
Выбираем направление всех контурных токов I11, I22 , I33 по часовой стрелке.
Записываем систему уравнений:
После подстановки численных значений:
,
выразим I11 и I33 через I22 :
,
и подставим во второе уравнение системы
получаем в итоге I22 = 7А ; I11 = I33 = 6А.
В соответствии с выбранным положительным направлением токов в ветвях окончательно получим:
I1=I11=6A; I2=I11-I22=6-7= --1A; I3=I22=6A
I4=I22-I33=1A; I5=I33=6A
1.8.4. Метод узловых напряжений.
Метод узловых напряжений заключается в том, что на основании первого закона Кирхгофа определяются напряжения в узлах электрической цепи относительно некоторого базисного узла. Эти искомые напряжения называются узловыми напряжениями, причем положительное направление их указывается стрелкой от рассматриваемого узла к базисному.
Напряжение на какой - либо ветви равно, очевидно, разности узловых напряжений концов данной ветви; произведение же этого напряжения на производимость данной ветви равно току в этой ветви. Таким образом, зная узловые напряжения в электрической цепи, можно найти токи в ветвях.
Если принять потенциал базисного узла равным нулю, то напряжения между остальными узлами и базисным узлом будут равны также потенциалам этих узлов. Поэтому данный метод называется также методом узловых потенциалов.
При наличии одной ветви с э.д.с и бесконечной проводимостью целесообразно принять за базисный узел один из узлов, к которому примыкает данная ветвь, тогда напряжение данного узла становится известным и число неизвестных сокращается на одно.
Число неизвестных в методе узловых напряжений равно числу уравнений, которые надо составить для схемы по первому закону Кирхгофа. Метод узловых напряжений имеет преимущество перед методом контурных токов в том случае, когда число уравнений, записанных по первому закону Кирхгофа, меньше числа уравнений, записанных по второму закону Кирхгофа, или если (q -1) < (p - q + 1 ), или, что то же 2(q-1) <p, где q- число узлов, p -число ветвей.
Н
а рис 1.24 в виде примера изображена электрическая схема, содержащая три узла. Примем потенциал φ3=0 (базисный узел). Составим уравнения для узлов 1 и 2 по первому закону Кирхгофа:
,
(1.39)
Каждые из этих токов можно выразить через узловые потенциалы и э.д.с. ветвей:
Подставив (1.40) в (1.39), сгруппировав члены при φ1 и φ2 и перенеся члены с э.д.с. в правую часть, получим
где
(1.42)
.
Таким образом , множителем при φ1, является коэффициент G11, равный сумме проводимостей всех ветвей, сходящихся в первом узле (1.42). G12 равняется сумме проводимостей всех ветвей, соединяющих узел 1 с узлом 2, взятой со знаком минус. Ток I11 называют узловым током первого узла. Это расчетная величина, равная алгебраической сумме токов, полученной от деления э.д.с. ветвей, подходящих к узлу 1, на величину сопротивлений этих ветвей. Если э.д.с. направлена к узлу, то берется в I11 со знаком плюс, если от узла, то со знаком минус. Так же определяют G22, G21, I22 (см. 1.42).Если между какими-либо двумя узлами нет ветви, то соответствующая проводимость равна нулю. Решив систему (1.41) относительно φ1 и φ2, определим узловые напряжения цепи. Искомые токи определяют либо по закону Ома, либо по второму закону Кирхгофа для участка цепи, содержащей э.д.с.
Частным случаем метода узловых напряжений является метод двух узлов.
При наличии n ветвей между точками a и b применение метода узловых напряжений позволяет ограничиться составлением и решением одного уравнения для определения напряжения Uab между узлами a и b. Задавшись положительным направлением напряжения Uab (см. рис.1.25) и учитывая направления э.д.с в ветвях в соответствии с изложенным выше , получим формулу для определения напряжения Uab:
(
1.43.)
где произведения EКgК берутся со знаком плюс , если э.д.с. действует от узла b к a и со знаком минус при обратном направлении . Токи ветвей определяются по выражению , составленному по второму закону Кирхгофа , при выбранном положительном направлении тока .
(1.44.)
Пользуясь методом двух узлов можно произвести замену искомых параллельных ветвей, содержащих источники э.д.с., одной эквивалентной.
У
часток цепи (рис.1.25,а) будет эквивалентен цепи на (рис.1.25,б), если при любых значениях тока I , подтекающего из всей остальной, не показанной на рисунке части схемы, напряжение на зажимах a и b (Uab) в обеих схемах будет одинаковым. Составив уравнения для обеих схем (1.25. а и б) и приравняв
Рис 1.25 коэффициенты при Uab и токи, получим выражения для определения Eэкв и gэкв.
(
1.45)
(1.46)
.
При подсчетах по формуле (1.45) следует иметь в виду следующее: если в какой-либо ветви схемы э.д.с. отсутствует, то соответствующее слагаемое в числителе (1.44) выпадает, но проводимость этой ветви в знаменателе (1.45) остается.
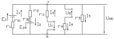
Пример 1.3.
В электрической цепи рис. 1.26
E1=40 B, E2=20 B, r01=r02=1 Oм, r1=9 Ом, r2=39 Ом, r3=10 Ом,
r4=30 Ом, r5=15 Ом, U1=45 B, U2=30 B
П
ользуясь методом узлового напряжения, определить токи в ветвях.
Р
ешение. При указанных положительных направлениях напряжения Uаb и токов в ветвях по формуле (1.43) определим Uаb
Воспользовавшись формулой (1.44), определим токи в ветвях:
1.8.5. Метод наложения.
При расчете по методу наложения ток в любой ветви электрической цепи определяется как алгебраическая сумма токов, вызываемых в данной ветви каждой из э.д.с. в отдельности, в предположении равенства нулю всех остальных э.д.с.
Порядок расчета цепи методом наложения следующий. Из электрической цепи удаляют все источники э.д.с. и напряжений, кроме одного. Сохранив в электрической цепи все резистивные элементы, в том числе и внутренние сопротивления источников, производят расчет электрической цепи. Подобным образом поступают столько раз, сколько имеется в цепи источников. Результирующий ток каждой ветви определяют как алгебраическую сумму токов от всех источников.
Метод наложения весьма удобен для анализа явлений происходящих в электрических цепях при изменении их параметров.
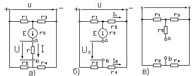
1.8.6. Метод эквивалентного генератора.
Метод эквивалентного генератора используется в случае, когда необходимо найти ток, напряжение или мощность в одной ветви. При этом вся остальная ч
асть цепи, к которой подключена данная ветвь, рассматривается в виде двухполюсника (рис. 1.27, а). Двухполюсник называют активным, если он содержит
Рис 1.27 источники электрической энергии, и пассивным - в противоположном случае. Будем обозначать активный двухполюсник буквой А, а пассивный - буквой П.
Различают две модификации метода эквивалентного генератора: метод эквивалентного источника напряжения и метод эквивалентного источника тока.
Рассмотрим метод эквивалентного источника напряжения. Этот метод базируется на теореме Тевенина, согласно которой ток в любой ветви линейной электрической цепи не изменится, если активный двухполюсник, к которому подключена данная ветвь, заменить эквивалентным источником (генератором) напряжения. Э.д.с. этого источника равна напряжению холостого хода на зажимах разомкнутой ветви, а внутреннее сопротивление равно эквивалентному входному сопротивлению пассивного двухполюсника со стороны разомкнутой ветви (рис. 1.27, б).
Опуская доказательство этой теоремы, после замены активного двухполюсника эквивалентным источником в соответствии с этой схемой имеем:
(1.47)
Пример 1.4.
В электрической цепи (рис. 1.28, а).
U
=100 B, E= 40 B, r1=r4=30 Ом, r2=r3=20 Ом, r=15 Ом, r0=1 Ом
Пользуясь методом зквивалентного генератора определить I и напряжение Uab.
Рис 1.28
Решение. При отключенном сопротивлении r (рис.1.28б) по закону Ома и на основании второго закона Кирхгофа получим:
После замены источников их внутренними сопротивлениями получим схему, изображенную на рисунке 1.29в, Между точками а и b последовательно соединены три участка цепи: участок с параллельно соединенными резисторами r1 и r3; участок, на котором параллельно соединены резисторы r2 и r4, и участок, содержащий резистор ro. В соответствии с этим, внутреннее сопротивление эквивалентного генератора (сопротивление относительно точек а и b) будет:
; (1.40)
















