Электротехника Лекции (1065050), страница 3
Текст из файла (страница 3)
представлена на рис. 1.16.
Уменьшение сопротивления r , а значит увеличение тока I приводит к возрастанию Рпотр и при r=r0 Рпотр =Рmax , что соответствует режиму согласованной нагрузки. В согласованном режиме U=0.5E, Рпотр=0.5, Рвыр, η=0.5. Дальнейшее уменьшение r приводит к уменьшению Рпотр.
Для номинального режима работы характерно следующее соотношение сопротивлений r >> r0, что обеспечивает поступление основной части вырабатываемой мощности к приемнику. При этом к.п.д. принимает значения, близкие к 1 , Uном=Iномr>>Iномr0 и согласно (1.17) U близко к E.
В режиме короткого замыкания r=0 и ток короткого замыкания оказывается намного больше номинального тока: Iк=E/r0>>Iном
При коротком замыкании U=IKr=0, Рпотр=UIK=0. Мощность Рвыр=EIK значительно возрастает и преобразуется в теплоту в сопротивлении r0. Последнее может привести с выходу из строя изоляции и даже к перегоранию проводов.
На внешней характеристике источника рис.1.14, б, которая подчиняется уравнению (1.17) и представляет собой прямую при E=const и ro= const, указаны точки, соответствующие режимам холостого хода, короткого замыкания и номинальному режиму работы источника. Здесь же приведена внешняя характеристика идеального источника э.д.с. (кривая 2 на рис. 1.14, б),для которого r0=0,U=E=const.
1.7. Уравнение баланса мощности в электрических цепях.
В любой электрической цепи сумма мощностей всех источников электрической энергии должна быть равна сумме мощностей всех приемников. На основании (1.11), (1.21..1.23),(1.25), можно записать в общем виде уравнение баланса мощности для любой электрической цепи
  (1.26)
Чтобы уравнение баланса мощности давало более наглядное представление о характере энергетических процессов, целесообразнее составлять его для действительных направлений э.д.с., напряжений и токов.
1.8. Методы расчета электрических цепей.
Задача расчета электрической цепи ставится следующим образом. Задана схема электрической цепи, значения ее элементов и параметры источников. Требуется определить токи в ветвях и падение напряжения на элементах. Данная задача решается путем составления и решения системы уравнений, запись которых определяется выбранным методом расчета.
Перед составлением уравнений необходимо указать на схеме положительные направления известных и неизвестных величин.
1.8.1. Метод непосредственного использования законов Кирхгофа.
Данный метод целесообразен в следующих случаях:
- для расчета неразветвленных электрических цепей;
- если известна величина части токов, но неизвестны величины такого же количества источников или элементов цепи;
- для определения падения напряжения между какими-либо двумя точками электрической цепи;
- для проверки правильности расчетов, проведенных любым другим методом.
Проверка может быть также осуществлена путем составления уравнения баланса мощности.
З
 адавшись положительными направлениями искомых величин, составляют уравнения сначала по первому закону Кирхгофа, максимальное число которых должно быть на единицу меньше числа узлов схемы. Недостающие уравнения следует составить по второму закону Кирхгофа.
В качестве примера составим систему уравнений для определения токов в
Рис 1.17 электрической цепи, схема которой изображена на рисунке 1.17 с известными сопротивлениями и величинами и направлениями источников э.д.с. и напряжений. Поскольку данная цепь имеет пять ветвей с неизвестными токами, необходимо составить пять уравнений. Выбрав положительные направления токов в ветвях, для узлов «а» и «б» составим уравнения по первому закону Кирхгофа, а для контуров «агда», «абга» и «бвгб» при обходе последних по часовой стрелке - уравнения по второму закону Кирхгофа.
 
 
 
 
 
1.8.2. Метод эквивалентных структурных преобразований.
В основе различных методов преобразования электрических схем лежит понятие эквивалентности, согласно которому напряжения и токи в ветвях схемы, не затронутых преобразованием, остаются неизменными.
Преобразования электрических схем применяются для упрощения расчетов.
Рассмотрим наиболее типичные методы преобразования.
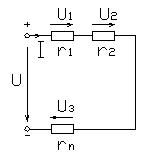
Последовательное соединение элементов.
При последовательном соединении элементов через них протекает один и тот же ток I (рис.1.18). Согласно второму закону Кирхгофа, напряжение, приложенное ко всей цепи
 (1.27)
Для последовательного соединения сопротивлений r1,r2...rn (рис. 1.18) с учетом (1.6) будем иметь
 
 
 (1.28) 
Ток в цепи с последовательным соединением элементов равен:
 
 
 (1.29)
а напряжение на n-ом элементе равно
 
 (1.30)
При последовательном соединении источников напряжения они заменяются о
 дним эквивалентным источником с напряжением Uэкв, равным алгебраической сумме напряжений отдельных источников. 
Рис 1.19 Причем со знаком «+» берутся напряжения, совпадающие с напряжением эквивалентного источника, а со знаком «-» - несовпадающие (рис.1.19).
 
 
 
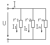
Параллельное соединение элементов.
Соединение групп элементов, при котором все элементы находятся под одним и тем же напряжением, называется параллельным (рис.1.20). Согласно первому Кирхгофа, ток всей цепи I равен алгебраической сумме токов в параллельных ветвях, т.е.
 
  (1.31)
На основании этого уравнения с учетом (1.8) для параллельного соединения резистивных элементов получаем:
где -эквивалентная проводимость. (1.32)
Токи и мощности параллельно соединенных ветвей при U=const (рис. 1.20) не зависят друг от друга и определяются по формулам:
Мощность всей цепи равна :
где rэ=1/gэ -эквивалентное сопротивление цепи.
При увеличении числа параллельных ветвей эквивалентная проводимость электрической цепи возрастает, а эквивалентное сопротивление соответственно уменьшается. Это приводит к увеличению тока I. Если напряжение остается постоянным, то увеличивается также общая мощность Р. Токи и мощности ранее включенных ветвей не изменяются.
Рассмотрим частные случаи параллельного соединения резистивных элементов.
а) параллельное соединение двух элементов
 
  (1.35)
б) параллельное соединение n ветвей с одинаковыми сопротивлениями
 
 
  (1.36)
Эквивалентное преобразование резистивноготреугольника в звезду.
Под соединением треугольником (рис.1.21.а) понимается такое, при к
 отором конец одного элемента соединяется с началом второго, конец второго- с началом третьего, а конец третьего - с началом первого. Узловые точки 1,2,3 подключаются к остальной 
Рис 1.21 части электрической цепи. Соединение звездой получается при объединении начал или концов сопротивлений в одну точку (рис.1.21.б).
При расчете электрических цепей оказывается полезно преобразовать треугольник в звезду или совершить преобразование звезды в треугольник.
Замена треугольника эквивалентной звездой должна производиться таким образом, чтобы после указанной замены токи в остальной части цепи, а также напряжения между точками 1 и 2 , 2 и 3,3 и 1 остались без изменения.
С помощью законов Кирхгофа можно получить следующие формулы для определения сопротивлений эквивалентной звезды:
 
 
 
 ( 1.37)
При замене резистивных элементов, соединенных звездой, эквивалентным треугольником, пользуются следующими формулами
 
  (1.38)
 
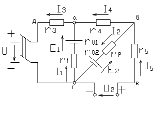
1.8.3. Метод контурных токов.
М
 етод контурных токов дает возможность упростить расчет электрических цепей по сравнению с методом расчета по законам Кирхгофа за счет уменьшения числа уравнений, которые приходится решать совместно. Этот метод заключается в том, что вместо токов в ветвях определяются на основании второго закона Кирхгофа так Рис 1.22  называемые контурные токи,  
замыкающиеся в контурах. На рис.1.22. в виде примера показана двухконтурная цепь, в которой I11 и I22 - контурные токи. Токи в сопротивлениях r1 и r2 равны соответствующим контурным токам; ток в сопротивлении r3 являющемся общим для обоих контуров, равен разности контурных токов I11 и I22, так как эти токи направлены в ветви r3 встречно.
Число уравнений , записываемых для контурных токов по второму закону Кирхгофа, равно числу независимых контуров, то есть для электрической схемы с числом узлов q и числом ветвей p задача нахождения контурных токов сведется к решению системы p-q +1 уравнений. Так, в схеме рис.1.22 q = 2 p = 3; следовательно, число уравнений равно 3-2+1=2 (число уравнений независимых контуров).
Положительные направления контурных токов задаются произвольно. Направление обхода каждого контура принимается обычно совпадающим с выбранным положительным направлением контурного тока; поэтому при составлении уравнения по второму закону Кирхгофа падение напряжения от заданного контурного тока в сопротивлениях, входящих в контур, берется со знаком плюс. Падение напряжения от тока смежного контура в общем сопротивлении берется со знаком минус, если контурные токи в этом сопротивлении направлены встречно, как это, например, имеет место в схеме рис.1.22., где направление обоих контурных токов выбрано по ходу часовой стрелки.
Для заданной электрической схемы с двумя независимыми контурами (рис.1.22) могут быть записаны два уравнения по второму закону Кирхгофа, а
именно:
 , 
 ,
здесь (r1 + r3) и (r2 + r3) - собственные сопротивления контуров 1 и 2, r3 -
 
 
 














