Электротехника Лекции (1065050), страница 9
Текст из файла (страница 9)
При симметричной нагрузке применяются более простые выражения мощности в действительных числах.
Независимо от соединения треугольником или звездой суммарная мощность для трёх фаз потребителя равна:
В данное равенство вводятся линейные напряжение и ток.
Если фазы потребителя соединены тругольником, то:
Если фазы потребителя соединены звездой, то:
В обоих случаях оказывается:
Учитывая  
  под Р в уравнении (3.6.3.) имеется в виду мощность потребляемая из сети, т.е. мощность источника. Полная и реактивная мощности соответственно будут выражены:
3.7 Расчёты в трёхфазных цепях
Пример 3.2.1
Д
 ано: Uсети=380/220 В
Требуется: Выразить линейные и фазные напряжения сети комплексными числами.
Решение:
Изобразим систему линейных и фазных напряжений сети ( рис. 3.7.1 ) так, чтобы все шесть векторов исходили из одной точки. Масштаб векторов не указываем. Взаимная связь векторов по уравнениям (3.2.1.) и (3.2.2.) сохраняется. Поворачиваем оси комплексной плоскости так, чтобы вектор фазного напряжения UA располагался по действительной оси. Координаты
Рис 3.7.1 расположения каждого из векторов в комплексной плоскости являются их выражениями комплексными числами:
Пример 3.4.1
Дано: Схема электрических цепей, подключенных к трехфазной сети 380/220 В. R=12 Ом, XC=5 Ом.
Требуется: Рассчитать токи, построить векторную диаграмму напряжений сети и токов. 
 
Решение:
В схеме фазы потребителя подключены к линейным напряжениям сети. Это соединение треугольником. Нагрузка симметричная. Назначаем положительные направления токов, как указано на схеме. Расчет выполняется по уравнениям (3.4.1), (3.4.2), (3.4.3).
При построении векторной диаграммы указываем векторы линейных напряжений сети и токи согласно уравнениям расчета.
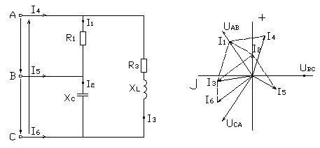
Пример 3.4.2
Дано: Схема электрических цепей, подключенных к трехфазной сети 380/220 В, R1=20 Ом, XC=40 Ом, R3=10 Ом, XL=10 Ом.
Требуется: Рассчитать токи, построить векторную диаграмму напряжений сети и токов.
Р
 ешение:
Фазы потребителя соединены треугольником, нагрузка несимметричная. Назначаем положительные направления токов. Для расчета токов применяем символический метод.
Уравнения:
Пример 3.5.1
Дано: Четыре резистивных потребителя - нагревательные приборы, имеющие номинальные данные Uном=220 В, Pном,=600 Вт, подключены к трехфазной сети 380/220 В как указано на схеме.
Т
 ребуется: Определить токи, построить векторную диаграмму.
Решение:
Резисторы R1, R2 и параллельно соединенные R3 и R4 образуют соединение звездой. Нагрузка несимметричная.
Назначаем положительные направления токов, как указано на схеме.
Вычисляем величины сопротивлений:
На основе уравнений (3.5.1) вычисляем токи:
Наносим векторы токов на векторной диаграмме напряжений.
На основе уравнения (3.5.2) из векторных построений находим I4=2.73А.
Пример 3.5.2
Дано: Схема электрических цепей, подключенных к трехфазной сети 380/220 В. R=XL=XC=20 Ом.
Требуется: Определить напряжения UKM и UKS
Решение:
Д
 ля определения UKM выбираем вариант расчета с помощью графических построений векторов.
Векторы линейных и фазовых напряжений сети строим так, чтобы на диаграмме оказались точки с потенциалами точек схемы A, B, C, N. Взаимная связь векторов по уравнениям (3.2.1) и (3.2.2) сохраняется. Назначаем положительные направления токов как указано на схеме. Определяем токи I1 и I3 согласно уравнениям (3.4.1) и (3.5.1).
Изображаем на векторной диаграмме напряжений найденные токи как векторы.
Вычисляем напряжения: UAK=I1R1=268.8 В, UKB=I1XC1=268.8 В, UAM=I3XL3=155.6 В, UMN=I3R3=155.6 В. Изображаем на векторной диаграмме соответствующие векторы. В треугольнике KAM угол A 300. По теореме косинусов вычисляем UKM:
Для вычисления UKS выбираем символический метод.
Уравнения:
 
 
Пример 3.6.1
Дано: Схема электрических цепей, подключённых к трёхфазной сети 380/220 В.
R1=10 Ом, R2=20 Ом, XL1=40 Ом, XС2=30 Ом, XС3=5 Ом.
Требуется: Рассчитать баланс активной и реактивной мощности.
Р
 ешение: 
Фазы потребителя соединены звездой. Нагрузка несимметрич- ная. Назначаем положительные направления токов, как указано на схеме. Рассчитываем токи по уравнениям (3.5.1) символическим методом.
Расчёт токов:
Расчёт мощности источников по уравнению (3.6.1):
Расчёт мощности потребителей по уравнениям (3.6.2):
Баланс мощности сходится.
Глава 4.
Периодические несинусоидальные ЭДС, токи и напряжения в электрических цепях.
4.1. Причины возникновения периодических несинусоидальных ЭДС, токов и напряжений.
При генерировании, трансформации, распределении и потреблении электроэнергии возникают искажения формы синусоидальных ЭДС, напряжений и токов.
Несинусоидальные токи в цепях возникают при синусоидальных ЭДС и напряжениях источников электрической энергии, если цепи содержат нелинейные элементы. Т
ак, в катушке с ферромагнитным магнитопроводом, которая является нелинейным элементом, при синусоидальном напряжении сети ток несинусоидальный. Подобное явление наблюдается в промышленных городских сетях, когда в качестве осветительных приборов используются люминесцентные лампы, имеющие нелинейные вольт- амперные характеристики.Нелинейные элементы широко используются в электрических цепях автоматики, управления, релейной защиты и т. д. Эти нелинейные элементы (стабилизаторы напряжения, умножители и делители частоты, магнитные усилители и т. п.) приводят к искажению формы кривых напряжения или тока.
Известно, что постоянный ток в энергетической электронике получают преобразованием переменного синусоидального тока с помощью выпрямителей, в которых используются нелинейные элементы — диоды. Естественно, что в таких электрических цепях возникают как несинусоидальные токи, так и несинусоидальные напряжения. На рис. 4.1.а-б приведены временные диаграммы напряжений и токов однополупериодного и двухполупериодного выпрямителей, работающих на резистивную нагрузку. В настоящее время широкое распространение получила импульсная техника, т. е. отрасль радиоэлектроники, в которой для решения определенных задач используют импульсные устройства. Формы импульсов напряжений в импульсной технике весьма разнообразны.
Основное распространение получили импульсы треугольной, прямоугольной, трапецеидальной формы и др. (рис 4.2 а-в)
П
оявление в электрических цепях несинусоидальных напряжений и токов может привести к весьма нежелательным последствиям. Несинусоидальные токи вызывают дополнительные потери мощности, ухудшают характеристики двигателей, создают большие помехи в линиях связи, каналах телемеханики и т. д. Заметим, что допустимое содержание гармоник оцениваетсякоэффициентом гармоник Кг. Для промышленных сетей Кг≤ 5%, т. е. в этом случае кривая напряжения на экране осциллографа визуально не отличается от синусоиды и это напряжение длительно допустимо на выводах любого приемника электрической энергии.
4.2 Способы представления периодических несинусоидальных величин.
Периодические несинусоидальные величины могут быть представлены временными диаграммами, тригонометрическим рядом Фурье, а также эквивалентными синусоидами. Наиболее наглядными, дающими полное представление о несинусоидальной величине являются временные диаграммы, т. е. графики зависимости мгновенных значений от времени (рис. 4.2-4.3)
Несинусоидальные ЭДС, токи и напряжения, с которыми приходится встречаться в электротехнике и промышленной электронике, являются периодическими функциями, удовлетворяющими условиям Дирихле и, следовательно, могут быть представлены тригонометрическим рядом Фурье:
 Тригонометрический ряд может быть представлен как в виде суммы синусов (синусный ряд), так и суммы косинусов (косинусный ряд) гармонических составляющих.
В зависимости от характера реальной кривой f(ωt) тригонометрический ряд может не содержать постоянной составляющей, четных или нечетных высших гармоник, а также начальных фаз. Например, тригонометрические ряды Фурье некоторых несинусоидальных напряжений имеют вид:















