SEM_3 (1064708)
Текст из файла
электротехника и электроника
Семинары Князьковой Т.О.
МОДУЛЬ 1. «Цепи постоянного тока. Основы анализа и расчета электрических цепей»
Любые упражнения по изучению электротехники необходимо начинать с проработки лекционного материала и соответствующего раздела в учебнике. Следует также выучить правила составления уравнений и свойств соединений элементов схем.
СЕМИНАР 3
Методы расчета электрических цепей с несколькими источниками питания: контурных токов, узловых потенциалов, эквивалентного генератора.
Расчет электрических цепей с нелинейными элементами.
-
Метод эквивалентного генератора (двухполюсника)
Любой активный двухполюсник может быть заменен эквивалентным двухполюсником с параметрами Еэкв и Rэкв или Jэкв и Gэкв , режим работы схемы при этом не изменится
Задача
Дано: R1 = R5 =10 Ом, R4 = R6 = 5 Ом, R3 = 25 Ом, R2 = 20 Ом, Е1 =100 В, Е2 =80 В, Е3 =50 В
|
| Определить токи в ветвях методом эквивалентного генератора в схеме рис 1 Дано: R1 ÷ R3 =10 Ом, Е1 = 100 В, Е2 = 10 В Зададимся направлениями токов произвольно. |
Определим первый ток
Разомкнуть ветвь с R1 для определения тока в первой ветви.
| Рис 2 | Определим эквивалентную ЭДС относительно разомкнутых зажимов рис 2 эквивалентное сопротивление рис 3 Искомый ток I1 определяем по формуле |
Определим второй ток
Разомкнуть ветвь с R2 для определения тока во второй ветви.
| Рис 4 | Определим эквивалентную ЭДС относительно разомкнутых зажимов рис 4 эквивалентное сопротивление рис 5 Искомый ток I2 определяем по формуле |
Определим третий ток
Разомкнуть ветвь с R3 для определения тока в третьей ветви.
| Рис 6 | Определим эквивалентную ЭДС относительно разомкнутых зажимов рис 6 эквивалентное сопротивление рис 7 Искомый ток I3 определяем по формуле |
Расчет электрических цепей с нелинейными элементами.
-
Определить ток в цепи и напряжение на диодах вольтамперные характеристики (ВАХ) которых представлены на рис 8, если Uвх = 2,5 В, Rн = 25 Ом
Дано:
Р
Рис 9
ешение: построим суммарную ВАХ диодов и«опрокинутую» вольтамперную характеристику
нагрузочного резистора рис 9.
U = U1 + U2 + I·Rн
хх: U12 = U = 2,5 В
кз: Iкз = U/Rн = 2,5/25 = 100 мА
Ответ: U1 = 0,6 В, U2 = 0,7 В, Uн = 1,2 В, I = 45 мА
-
Для схемы на рис 10, стабилитрон имеет параметры:
Uст = 20 В, Iст min = 1 мА, Rдиф = 40 Ом, Iст mах = 71 мА.
Определить ток I в цепи графическим способом, если Iн =20 мА:
Рис 11
Рис 10
Решение: I = Iст + Iн
Строим ВАХ стабилитрона по трём точкам
∆Iст = Iст mах - Iст min = 71 - 1 = 70 мА
∆ Uст = ∆Iст ·Rдиф = 0,07·40 = 2,8 В
Uст min = Uст - ∆Uст/2 = 18,6 В
Uст mах = Uст + ∆Uст/2 = 21,4 В Рр
ВАХ резистора. Суммируем ВАХ-ки. Графически определяем ток неразветвленного участка цепи рис 11.
I = 55 мА
Задача для самостоятельной проработки
-
Определить ток и напряжение в нагрузке, напряжение на диодах (ВАХ и схема рис 12), если Uвх = 4, В Rн = 100, Ом.
Рис 12
Задача 2
Определить эквивалентное сопротивление, токи в цепи.
Задача 3
Определить эквивалентное сопротивление
|
| Рассматривая данную схему, видим, что схема имеет последовательно параллельную цепь, где резисторы с сопротивлениями 4 и 6 Ом соединены параллельно. Преобразуем этот участок, получаем 2,4 Ом. Далее резистор 17,6 Ом и резистор с 2,4 Ом соединены последовательно, поэтому получаем 20 Ом. Остаётся параллельно 20 Ом и 20 Ом. Ответ эквивалентное сопротивление 10 Ом. |
Расчёт
Задача 4
Определить эквивалентное сопротивление, если R1 = R4 = R5 = 5 Ом R3 = R2 = 10 Ом
Задача 5
Синтезировать электрическую цепь из резисторов с номиналом 10 Ом, чтобы получилось эквивалентное 25 Ом.
Используем свойства последовательного и параллельного соединений
Метод эквивалентных преобразований
Задача 6
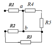
Определить показания приборов схемы рис 1, если R1 = 5 Ом, R4 = 8 Ом, R5 = 4 Ом, R3 = 6 Ом, R2 =2 Ом, Е = 100 В.
Расчёт проводим методом эквивалентных преобразований
Рис 1
Решение: запишем уравнения по законам Кирхгофа для проверки расчёта токов
Свернём схему, т.е. упростим схему и определим эквивалентное сопротивление:
Определим ток источника по закону Ома
Определим напряжение между узлами А и В, затем токи I2 и I3
Определим показания приборов:
Амперметр покажет значение тока I3 I3 = IA = 5 A
|
Рис 2 | Показания вольтметра. Рассмотрим контур рис 2. Запишем уравнения по закону Кирхгофа для выделенного контура: |
|
|
Показания ваттметра: |
Задачи для самостоятельной подготовки
-
Определить Uab
-
Определить показания приборов
-
Найти эквивалентное сопротивление, определить показания приборов. Определить мощность приемника и мощность источника
-
Упростить схему
Семинар 3 9
Характеристики
Тип файла документ
Документы такого типа открываются такими программами, как Microsoft Office Word на компьютерах Windows, Apple Pages на компьютерах Mac, Open Office - бесплатная альтернатива на различных платформах, в том числе Linux. Наиболее простым и современным решением будут Google документы, так как открываются онлайн без скачивания прямо в браузере на любой платформе. Существуют российские качественные аналоги, например от Яндекса.
Будьте внимательны на мобильных устройствах, так как там используются упрощённый функционал даже в официальном приложении от Microsoft, поэтому для просмотра скачивайте PDF-версию. А если нужно редактировать файл, то используйте оригинальный файл.
Файлы такого типа обычно разбиты на страницы, а текст может быть форматированным (жирный, курсив, выбор шрифта, таблицы и т.п.), а также в него можно добавлять изображения. Формат идеально подходит для рефератов, докладов и РПЗ курсовых проектов, которые необходимо распечатать. Кстати перед печатью также сохраняйте файл в PDF, так как принтер может начудить со шрифтами.
Рис 1
















