модуль 1 (1064710)
Текст из файла
электротехника и электроника
Семинары Князьковой Т.О.
МОДУЛЬ 1. «Цепи постоянного тока. Основы анализа и расчета электрических цепей»
Любые упражнения по изучению электротехники необходимо начинать с проработки лекционного материала и соответствующего раздела в учебнике. Следует также выучить правила составления уравнений и свойств соединений элементов схем.
СЕМИНАР 1
Свойства последовательного соединения
|
| Rэкв = R1+R2+R3 I = E/R экв U = U1+U2+U3 = R1·I + R2·I + R3·I =Rэкв∙I |
Задача 1
Необходимо измерить напряжение 100В, вольтметром 10В, с внутренним сопротивлением 10кОм. Что сделать?
Добавить последовательно к вольтметру резистор Rдоб
Вывод: последовательное соединение, являясь делителем напряжения, можно использовать для расширения пределов измерения вольтметров.
Задача 2
Определить эквивалентное сопротивление, токи в цепи.
Задача 3
Определить эквивалентное сопротивление
|
| Рассматривая данную схему, видим, что схема имеет последовательно параллельную цепь, где резисторы с сопротивлениями 4 и 6 Ом соединены параллельно. Преобразуем этот участок, получаем 2,4 Ом. Далее резистор 17,6 Ом и резистор с 2,4 Ом соединены последовательно, поэтому получаем 20 Ом. Остаётся параллельно 20 Ом и 20 Ом. Ответ эквивалентное сопротивление 10 Ом. |
Расчёт
Задача 4
Определить эквивалентное сопротивление, если R1 = R4 = R5 = 5 Ом R3 = R2 = 10 Ом
Задача 5
Синтезировать электрическую цепь из резисторов с номиналом 10 Ом, чтобы получилось эквивалентное 25 Ом.
Используем свойства последовательного и параллельного соединений
Метод эквивалентных преобразований
Задача 6
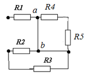
Определить показания приборов схемы рис 1, если R1 = 5 Ом, R4 = 8 Ом, R5 = 4 Ом, R3 = 6 Ом, R2 =2 Ом, Е = 100 В.
Расчёт проводим методом эквивалентных преобразований
Рис 1
Решение: запишем уравнения по законам Кирхгофа для проверки расчёта токов
Свернём схему, т.е. упростим схему и определим эквивалентное сопротивление:
Определим ток источника по закону Ома
Определим напряжение между узлами А и В, затем токи I2 и I3
Определим показания приборов:
Амперметр покажет значение тока I3 I3 = IA = 5 A
|
Рис 2 | Показания вольтметра. Рассмотрим контур рис 2. Запишем уравнения по закону Кирхгофа для выделенного контура: I3R3-I2R2+UV=0 UV= –30+10= –20 B |
|
|
Показания ваттметра: |
Задачи для самостоятельной подготовки
-
Определить Uab
-
Определить показания приборов
-
Найти эквивалентное сопротивление, определить показания приборов. Определить мощность приемника и мощность источника
-
Упростить схему
Любые упражнения по изучению электротехники необходимо начинать с проработки лекционного материала и соответствующего раздела в учебнике. Следует также выучить правила составления уравнений и свойств соединений элементов схем.
СЕМИНАР 2
Методы расчета электрических цепей с несколькими источниками питания: контурных токов, узловых потенциалов, эквивалентного генератора
Задача 1
Дано: R1 = R5 =10 Ом, R4 = R6 = 5 Ом, R3 = 25 Ом, R2 = 20 Ом, Е1 =100 В, Е2 =80 В, Е3 =50 В
Определить токи в ветвях разными методами, составить и рассчитать баланс мощностей.
Решение:
|
| Определяем количество узлов, ветвей и независимых контуров: q = 3, p = 5, контуров 3. Составляем уравнения по законам Кирхгофа: уравнений по 1-ому закону Кирхгофа равно 2, а уравнений по 2-ому закону Кирхгофа равно 3 для узлов а и b. Для контуров выбираем обходы по часовой стрелке: |
Метод контурных токов
Так как три контура, то будет три контурных тока I11, I22, I33. Направления этих токов выбираем по часовой стрелке рис 3. Запишем настоящие токи через контурные:
I1 = I11 - I33, I2 = - I22, I3 = - I33, I4 = I11, I5 = I11- I22
Запишем уравнения по второму закону Кирхгофа для контурных уравнений в соответствии с правилами.
Правило: если ЭДС и ток имеют одинаковое направление с направлением обхода контура, то они берутся с «+», если нет, то с «–».
Решим систему уравнений математическим методом Гаусса или Крамера.
Решив систему, получаем значения контурных токов:
I11 = 2,48 А, I22 = - 1,84 А, I33 = - 0,72 А
Определим настоящие токи: I1 = 3,2 А, I2 = 1,84 А, I3 = 0,72 А, I4 = 2,48 А, I5 = 4,32 А
Проверим правильность расчёта токов, подставив их в уравнения по законам Кирхгофа.
Составим уравнения для расчёта баланса мощностей:
Из расчёта видно, что баланс мощностей сошёлся. Погрешность меньше 1%.
-
Метод узловых потенциалов
Решаем туже задачу методом узловых потенциалов
Составим уравнения:
-
Ток в любой ветви схемы можно найти по обобщённому закону Ома. Для этого необходимо определить потенциалы узлов схемы. Заземлим любой узел схемы φс = 0.
Решая систему уравнений, определяем потенциалы узлов φa и φb
φa= 68 B φb = 43,2 B
По обобщенному закону Ома определяем токи в ветвях. Правило: ЭДС и напряжение берутся со знаком «+», если их направления совпадают с направлением тока, и со знаком «–», если нет.
-
Метод узловых преобразований в схемах с особенностями (особенностью является, наличие в схеме ветви с идеальной ЭДС)
Дано: R1 ÷ R5 =10 Ом, Е1 = 30 В, Е2 = 60 В Ток в любой ветви схемы можно найти по обобщённому закону Ома. Для этого необходимо определить потенциалы узлов схемы. Заземлим любой узел схемы φс = 0, тогда потенциал узла b равен значению E1
(если ЭДС направлен к узлу, то ЭДС берётся со знаком «+»). В данной схеме составляем одно уравнение для определения потенциала узла а.
При решении схем с особенностями заземляется узел к которой подсоединена ветвь с идеальной ЭДС.
По обобщенному закону Ома определяем токи в ветвях.
-
Метод двух узлов
Применяется в случае, когда схема содержит только два узла (параллельное соединение).
Алгоритм:
-
Задаются положительные направления токов и напряжение между двумя узлами произвольно;
-
Уравнение для определения межузлового напряжения
где G – проводимость ветви, J – источники тока;
-
Правило: G·E и J берутся со знаком «+», если Е и J направлены к узлу с большим потенциалом;
-
Токи схемы определяются по обобщенному закону Ома.
Задача 2
Определить токи в ветвях методом двух узлов
Дано: R1 ÷ R3 =10 Ом, Е1 = 100 В, Е2 = 10 В
|
|
Зададимся направлениями токов произвольно. Запишем уравнение для определения напряжения между узлами. Потенциал φa > φb и задаемся направлением напряжения от а к b. |
Решение:
Проверка по первому закону Кирхгофа:
Любые упражнения по изучению электротехники необходимо начинать с проработки лекционного материала и соответствующего раздела в учебнике. Следует также выучить правила составления уравнений и свойств соединений элементов схем.
СЕМИНАР 3
Методы расчета электрических цепей с несколькими источниками питания: контурных токов, узловых потенциалов, эквивалентного генератора.
Расчет электрических цепей с нелинейными элементами.
-
Метод эквивалентного генератора (двухполюсника)
Любой активный двухполюсник может быть заменен эквивалентным двухполюсником с параметрами Еэкв и Rэкв или Jэкв и Gэкв , режим работы схемы при этом не изменится
Характеристики
Тип файла документ
Документы такого типа открываются такими программами, как Microsoft Office Word на компьютерах Windows, Apple Pages на компьютерах Mac, Open Office - бесплатная альтернатива на различных платформах, в том числе Linux. Наиболее простым и современным решением будут Google документы, так как открываются онлайн без скачивания прямо в браузере на любой платформе. Существуют российские качественные аналоги, например от Яндекса.
Будьте внимательны на мобильных устройствах, так как там используются упрощённый функционал даже в официальном приложении от Microsoft, поэтому для просмотра скачивайте PDF-версию. А если нужно редактировать файл, то используйте оригинальный файл.
Файлы такого типа обычно разбиты на страницы, а текст может быть форматированным (жирный, курсив, выбор шрифта, таблицы и т.п.), а также в него можно добавлять изображения. Формат идеально подходит для рефератов, докладов и РПЗ курсовых проектов, которые необходимо распечатать. Кстати перед печатью также сохраняйте файл в PDF, так как принтер может начудить со шрифтами.
















