модуль 3 (1064715)
Текст из файла
электротехника и электроника
Семинары Князьковой Т.О.
МОДУЛЬ 3. «Основы аналоговой электронной техники»
Любые упражнения по изучению электротехники необходимо начинать с проработки лекционного материала и соответствующего раздела в учебнике. Следует также выучить правила составления уравнений и свойств соединений элементов схем.
СЕМИНАР 11
Расчет параметров выпрямительных устройств
Задача 1
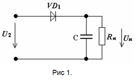
В однополупериодном выпрямителе с емкостным фильтром рис 1, рассчитать Uнср и Uобрмакс, если Сф = ∞, U2 = 150 В, частота напряжения сети 50 Гц, Rн = 2 кОм, построить временную диаграмму выпрямителя.
| Решение: Сф = ∞, следовательно р = 0 Uнср =√2·U2 / (1 + р) = 212 В Iнср = Uнср/ Rн = 212 / 2000 = 0,106 А Iпрд = Iнср = 0,106 А Uобр макс = 2√2·U2 = 424 В |
Задача 2
В двухполупериодной мостовой схеме выпрямителя с фильтром, напряжение на вторичной обмотке трансформатора U2 = 150 В. Частота напряжения сети 50 Гц, Rн = 2 кОм, при условии, что емкость фильтра равна ∞. Определить среднее значение выпрямленного напряжения Uнср, значения: Iпрд , Iнср, Uобрмакс, коэффициент пульсаций?
Решение:
Сф = ∞, следовательно, р = 0
Uнср =√2·U2 / (1 + р) = 212 В
Iнср = Uнср/ Rн = 212 / 2000 = 0,106 А
Uобр макс = √2·U2 = 212 В
Задача 3
Определите емкость конденсатора фильтра Сф в мостовом выпрямителе, если выпрямленное напряжение Uнср = 12 В, ток Iнср = 10 мА, а коэффициент пульсаций не должен превышать 0,05.
Решение:
Задача 4
В однополупериодном выпрямителе с емкостным фильтром рис. 1, напряжение на вторичной обмотке трансформатора U2 = 10 В. Частота напряжения сети 50 Гц, Rн = 1 кОм, Сф = 80 мкФ.
Определить среднее значение выпрямленного напряжения Uнср, Iнср, Uобр макс, коэффициент пульсаций р, построить временные диаграммы.
Решение:
Uнср =√2·U2 / (1 + р) = 14,1/(1 + 0,2) = 11,75 В
Uобр макс = 2√2·U2 = 28,2 В
τразр = С·Rн = 0,05 с
Строим временные диаграммы рис. 3:
Задача 5
В однополупериодном выпрямителе с фильтром рис. 1, напряжение на нагрузке Uнср = 40 В, коэффициент пульсаций не должен превышать 0,05.
С каким Uобрмакс нужно выбрать полупроводниковый диод?
Решение:
Uобрмакс = 2√2·U2,
Uобрмакс = 84 В
Задача 6
Однофазный двухполупериодный управляемый выпрямитель имеет на входе напряжение 150В. Построить временную диаграмму, при угле регулирования 90 градусов. Построить регулировочную характеристику выпрямителя.
Решение:
Регулировочная характеристика:
Временные диаграммы:
Любые упражнения по изучению электротехники необходимо начинать с проработки лекционного материала и соответствующего раздела в учебнике. Следует также выучить правила составления уравнений и свойств соединений элементов схем.
СЕМИНАР 12
Расчет параметрических стабилизаторов
Задача 1
Нарисовать характеристику стабилитрона с параметрами:
Uст = 12 В, Iст min = 3 мА, Rдиф = 25 Ом, Iст mах = 50 мА.
Решение:
∆Iст = Iст mах - Iст min = 50 – 3 = 47 мА
∆ Uст = ∆Iст ·Rдиф = 0,047·25 = 1,175 В
Uст min = Uст - ∆ Uст/2 = 11,42 В
Uст mах = Uст + ∆ Uст/2 = 12,59 В
Строим ВАХ стабилитрона рис. 1.
Задача 2
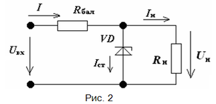
Для схемы на рис. 2, стабилитрон имеет параметры:
Uст = 20 В, Iст min = 1 мА, Rдиф = 40 Ом, Iст mах = 71 мА.
Определить ток I в цепи графическим способом, если Iн =20 мА.
Решение:
I = Iст + Iн
∆Iст = Iст mах - Iст min = 71 - 1 = 70 мА
∆ Uст = ∆Iст ·Rдиф = 0,07·40 = 2,8 В
Uст min = Uст - ∆Uст/2 = 18,6 В
Uст mах = Uст + ∆Uст/2 = 21,4 В
Строим ВАХ стабилитрона, ВАХ резистора. Суммируем ВАХ-ки. Графически определяем ток неразветвленного участка цепи рис 3.
I = 55 мА
Задача 3
Чему равно относительное изменение напряжение на выходе параметрического стабилизатора, если ток стабилитрона изменился на 2 мА, Uст = 8 В, Rдиф = 16 Ом?
Решение:
Задача 4
Для стабилизации напряжения в нагрузке Rн = 2 кОм используется параметрический стабилизатор напряжения рис. 4. Стабилитрон имеет параметры: Iстmin = 1 мА, Iстmax = 23 мА, Rдиф = 30 Ом; номинальное напряжение на выходе равно 11 В, входное напряжение 22 В.
Определить Кст и Rбал.
Решение:
Задача 5
Определить напряжение на входе стабилизатора рис. 5. Параметры стабилитрона:
Uст = 12 В, Iст min = 5 мА, Iст mах = 35 мА, Rдиф = 20 Ом, Rбал = 800 Ом, Rн = ∞.
Решение: ток через стабилитрон
Так как стабилитрон и балластное сопротивление включены в цепь последовательно, то
I = Iст mах = 20 мА
Задача 6
Определить U2 в стабилизаторе напряжения рис. 6, если U1 = 16 В, R1 = 300 Ом, R2 = 1,2 кОм, Uст min = 12 В, Rст = 15 Ом.
Указание: решить задачу аналитическим методом, используя схему замещения стабилитрона (источник эдс Е = Uст, включенный последовательно с резистором Rст).
Решение: начертим схему замещения стабилизатора рис 7.
Используем метод двух узлов:
U2 = 12,2 В
Любые упражнения по изучению электротехники необходимо начинать с проработки лекционного материала и соответствующего раздела в учебнике. Следует также выучить правила составления уравнений и свойств соединений элементов схем.
СЕМИНАР 13
Расчет усилительных каскадов на операционных усилителях
Задача 1
Определить коэффициент усиления по постоянному току транзистора, включенного по схеме с ОЭ, если ток коллектора стал равен 4 мА, а ток эмиттера 4,3 мА.
Решение:
∆Iб = ∆Iэ - ∆Iк = 4,3 – 4 = 0,3 мА
Задача 2
| Определить Uкэп, Iкп, Iбп в режиме покоя для усилителя напряжения, если известно, что: Ек = 20 В, Rк = 2 кОм, h21э = 20, Rб =200 кОм. Схема усилителя рис. 1. |
Решение:
В режиме покоя
Uбэ = Eк - Rб·Iб ,
Iбп = Eк / Rб = 0,1·10-3 А
Iкп = h21э ·Iбп = 5 мА
Uкэп = Eк – Rк·Iк = 20 - 2000·0,005 = 10 В
Задача 3
| По статическим характеристикам биполярного транзистора рис. 2 определить h-параметры транзистора и параметры однокаскадного усилителя, если Ек = 12 В, Rк = 1 кОм . |
Решение:
Построим линию нагрузки на выходных характеристиках транзистора для определения h-параметров транзистора.
Определяем h-параметры транзистора
Uкэп = Ек / 2 = 12 / 2 = 6 B Iкп = 5,5 мА Iбп = 125 мкА
Uкэм = 7,2 B Iкм = 4,5 мА Iбп = 0,1 мА
∆Uкэ = 1,2 B, ∆Iк = 1 мА, ∆Iб = 0,025 мА, ∆Uбэ =40 мВ
О
пределим параметры усилителя:
Задача 4
В усилителе напряжения рис. 3 на транзисторе КТ3107А:
h11 = 1300 Ом, h21 = 100, h22 = 10-4; Rб = 24500 Ом
Rк = 3 кОм, Eк = 15 В, Iб = 600 мкА.
Определить Rвх усилителя, Rвых, Uвых, Kус.
Решение:
KU = Uвых/Uвх Uвых = KU· Uвх = 177,5·0,78 = 138,5 В
Задача 5
Определите напряжение на выходе сумматора рис. 4, если:
U1 = U2 = U3 = 1В, R1 = 1 кОм, R2 = 2 кОм, R3 = 4 кОм, R4 = 12 кОм
Решение:
Uвых = - (Кос1U1+ Кос2U2+ Кос3U3) Кос = - R4/ Ri
Uвых = - (12U1+ 6U2+3U3) = - 1·21= - 21 В
Задача 6
Построить ЛАЧХ усилителя рис. 5, определить коэффициент усиления, fн и fв
R1 = 20 кОм, R2 = 10 кОм, R3 = 100 кОм, К = 200000, fед = 3 МГц, С1=0,7 мкФ
Решение: операционный усилитель
Кдб = 20 lgК = 20·5,3 = 106 дБ
lgfед = 6,5 дек
Входная цепь:
Т1 = R1· С1 = 20000·0,7·10-6 = 0,014 с
Частота точки излома ЛАЧХ входной цепи:
f1 = 1/2πТ1 = 11,4 Гц lgf1 = lg11,4 = 1,06 дек
Звено обратной связи:
20lg βос = 20 lg0,09 = - 20,8 дБ
Так как в усилителе используется «глубокая» отрицательная обратная связь, то Кос = 1/β = 11.
Построение ЛАЧХ рис. 6:
Рис. 6
Задача 7
Расчет инвертирующего усилителя рис. 7.
Дано: Uвх = 80 мВ, Uвых = 4 В, Rн = 10 кОм, ОУ типа 14ОУД7
МВ=√2 – коэффициент частотных искажений в области верхних частот. Рассчитать значения R1, Rос, R2 в инвертирующем усилителе.
Рис 7.
Решение:
Определение сопротивления резисторов.
1). Определим коэффициент усиления усилителя
Kос = (Uвых/Uвх) = 4·103/80 = 50
2). Находим Rос из соотношения Rос ≥ 10·Rн = 10·10 = 100 кОм
-
Определяем R1:
R1= Rос/ Kос = 100/50 = 2 кОм
-
Рассчитаем значение R2. Этот резистор устанавливают в усилителе для выравнивания входных токов.
R2= R1Rос / ( R1+ Rос) = (2·100/102) ~ 2 кОм
Семинар 11 14
Характеристики
Тип файла документ
Документы такого типа открываются такими программами, как Microsoft Office Word на компьютерах Windows, Apple Pages на компьютерах Mac, Open Office - бесплатная альтернатива на различных платформах, в том числе Linux. Наиболее простым и современным решением будут Google документы, так как открываются онлайн без скачивания прямо в браузере на любой платформе. Существуют российские качественные аналоги, например от Яндекса.
Будьте внимательны на мобильных устройствах, так как там используются упрощённый функционал даже в официальном приложении от Microsoft, поэтому для просмотра скачивайте PDF-версию. А если нужно редактировать файл, то используйте оригинальный файл.
Файлы такого типа обычно разбиты на страницы, а текст может быть форматированным (жирный, курсив, выбор шрифта, таблицы и т.п.), а также в него можно добавлять изображения. Формат идеально подходит для рефератов, докладов и РПЗ курсовых проектов, которые необходимо распечатать. Кстати перед печатью также сохраняйте файл в PDF, так как принтер может начудить со шрифтами.
















