модуль 4 (1064718)
Текст из файла
электротехника и электроника
Семинары Князьковой Т.О.
МОДУЛЬ 4. «Основы цифровой электронной техники»
Любые упражнения по изучению электротехники необходимо начинать с проработки лекционного материала и соответствующего раздела в учебнике. Следует также выучить правила составления уравнений и свойств соединений элементов схем.
СЕМИНАР 15. Логические операции и логические элементы
Задача 1
Системы счисления.
Перевод из двоичного числа в десятеричную форму.
00010100=27·0 + 26·0 + 25·0 + 24·1 + 23·0 + 22·1 + 21·0 + 20·0=16 + 4=20
Перевод из десятичного в двоичное число производится делением на 2.
Переход из шестьнадцатиричной системы в десятичную
(105)H = 5∙160 + 0∙161 + 1∙162 = 5 + 256 = (261)D
Переход из двоичной системы в десятичную и шестьнадцатиричную
(1101)B = 1∙20 + 1∙22 + 1∙23 = 1+4+8= 13 = (D)H
Задача 2
Задача 3
Укажите уровни на выходах логических элементов, при указанных уровнях на входах
Элементы ИЛИ и ИЛИ-НЕ устройство трёхвходовое, при данной комбинации сигналов на входах - на выходе будет 0.
Задача 4
Синтезируйте логическое устройство. Задана таблица истинности.
| Вход A | Вход B | Выход Q |
| 0 | 0 | 1 |
| 1 | 0 | 0 |
| 0 | 1 | 0 |
| 1 | 1 | 1 |
Решение
По правилу синтеза: так как входов 2, то возможных кодовых комбинаций 4. Выходная величина Q принимает значение «0» два раза, а «1» два, синтезируем по «1». Ставим два двухвходовых элемента «И ». На выход ставим элемент «ИЛИ ». По входам ставим элементы «НЕ ».
Задача 5
Синтезировать функцию представленную структурной формулой
Решение
Запишем уравнение в совершенной дизъюнктивной нормальной форме (СДНФ)
Итоговая схема
Минимизация с помощью карты Карно
Любые упражнения по изучению электротехники необходимо начинать с проработки лекционного материала и соответствующего раздела в учебнике. Следует также выучить правила составления уравнений и свойств соединений элементов схем.
СЕМИНАР 16. Комбинационные и последовательностные устройства
Задача 1
Нарисуйте периодичность импульсов на выходе JK- триггера, срабатывание триггера по срезу импульсов синхронизации С.
Решение:
Задача 2
Синтезируйте делитель частоты на 4, если скважность входных импульсов 1 (По фронту импульсов синхронизации С).
Используем Т- триггер
Задача 3
Нарисовать временные диаграммы на выходе D-триггера (срабатывание по фронту импульсов синхронизации С).
Решение:
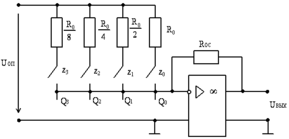
Задача 4
Определить напряжение на выходе, если на входе кодовая комбинация ) 0101, опорное напряжение 0,1 В; Roc = 2 кОм; Ro = 400 Ом
где z0, z1, z2, z3 – коэффициенты, принимающие значение "0" или "1" при замкнутом или разомкнутом соответствующем ключе.
Uвых = - 0.1∙5 ∙ (2 + 8) = -5 В
Семинар 15 5
Характеристики
Тип файла документ
Документы такого типа открываются такими программами, как Microsoft Office Word на компьютерах Windows, Apple Pages на компьютерах Mac, Open Office - бесплатная альтернатива на различных платформах, в том числе Linux. Наиболее простым и современным решением будут Google документы, так как открываются онлайн без скачивания прямо в браузере на любой платформе. Существуют российские качественные аналоги, например от Яндекса.
Будьте внимательны на мобильных устройствах, так как там используются упрощённый функционал даже в официальном приложении от Microsoft, поэтому для просмотра скачивайте PDF-версию. А если нужно редактировать файл, то используйте оригинальный файл.
Файлы такого типа обычно разбиты на страницы, а текст может быть форматированным (жирный, курсив, выбор шрифта, таблицы и т.п.), а также в него можно добавлять изображения. Формат идеально подходит для рефератов, докладов и РПЗ курсовых проектов, которые необходимо распечатать. Кстати перед печатью также сохраняйте файл в PDF, так как принтер может начудить со шрифтами.
















