Электронные лекции (1063883), страница 6
Текст из файла (страница 6)
ЛЕКЦИЯ №13
ЛЕКЦИЯ №14
В течение измерительного интервала «L» счетчик подсчитывает входные сигналы измеряемой частоты «f ». Период t=1/f В конце каждого измерительного интервала получаемое в счетчике число переписывается в регистр. Содержимое регистра в определенном масштабе отображает частоту входных сигналов. Длительность интервала «L» должна быть во много раз больше «t», чтобы обеспечивать необходимую точность измерения (оценить точность для ЧСС 60 уд./мин. и L=15сек.)
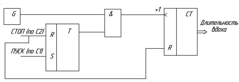
Измерение длительности физиологического процесса
ЛЕКЦИЯ №14
Сигналы С1 и С2 фиксируют моменты начала и окончания вдоха.
По С1 RS-триггер устанавливается в единичное состояние, конъюнктор пропускает сигналы с генератора G на счетчик, тот в свою очередь считает количество сигналов с генератора.
По окончании вдоха (сигнал С2) RS-триггер обнуляется. В счетчике получается число пропорциональное длительности вдоха.
Эт о число для хранения и отображения должно быть переписано в регистр по сигналу С2. Только после этого счетчик обнуляется.
С1 и С2 могут подаваться по одному проводу, но в этом случае необходимо вместо RS-триггера использовать Т-триггер.
ЛЕКЦИЯ №14
Запоминающие устройства
Основные типы запоминающих устройств (ЗУ):
-
Постоянные (ПЗУ), т.е. такие устройства, в которых данные записываются на предприятии изготовителе, и не могут быть изменены пользователем. Память для хранения основных и наиболее часто используемых программ.
Пример: BIOS
2. Программируемые ЗУ, могут быть запрограммированы пользователем, но только один раз.
-
ППЗУ – перепрограммируемые ЗУ. Записанная пользователем информация может быть стерта и перезаписана многократно. Операция стирания может быть осуществлена с помощью тока или УФ излучения.
-
ОЗУ – оперативные ЗУ.
а. Динамические, данные хранятся на микроконденсаторах, которые со временем разряжаются, поэтому необходимо восстановление данных.
б. Статические, внутренняя память устроена на триггерах.
Все вышеперечисленные типы ЗУ приходились на внутреннюю память.
К внешней памяти относятся накопители:
-
Лазерные
-
Магнитные
ЛЕКЦИЯ №14
Принцип работы внутренней памяти и ее обозначение
Адрес слов Разряды
A B C D
0 0 0 1 0 1 0 0
.
.
.
.
1 1 1 1 0 0 0 1
256х1 – 256 одноразрядных (однобитовых) слов – 28 – 8 адресных шин
128х2 – 27 – 7 адресных шин
16х16 – 24 – 4 адресных шины
Перепрограммируемая память
WR – write; RD – read; CS – chip select
ЛЕКЦИЯ №14
Количество записанных слов определяет размер адресного пространства, т.е. количество адресных шин, с помощью которых можно обратиться к слову.
В каждую ячейку памяти записываются слова, объем слов различный (1;2;8;16 бит).
Важно, чтобы память обеспечивала возможность доступа (адресацию) к каждой ячейке. Суммарное количество слов, записанных в память, определяет объем адресного пространства – определяет количество разрядов адресной шины.
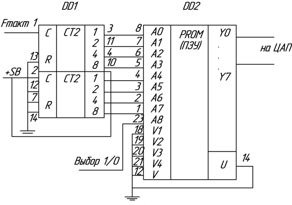
Генератор сигналов произвольной формы
T=2N/FT
ЛЕКЦИЯ №14
Примеры применения цифровых функциональных узлов в медицинской аппаратуре
Импульсы тактовой частоты поступают на вход счетчика DD1. Кодовое состояние счетчика с каждым тактом увеличивается на единицу. На выходе счетчика постепенно перебираются все состояния от 0 до 2N-1 (N – разрядность счетчика).
Кодовые состояния счетчика являются адресами ПЗУ DD2. На выходах ПЗУ появляются те числа, которые были записаны в него при программировании.
Если выход ПЗУ подключить к ЦАП, то на выходе ЦАП будет сигнал заданной формы, повторяющийся с периодичностью T=2N/FT (для N=8; FT=1кГц Т=256 мсек.)
Если разрядность ПЗУ больше разрядности счетчика, то в ПЗУ можно запрограммировать 2 и более функции. Вход А8 используется для выбора одной из двух функций.
Основные медико-технические приложения такой схемы:
1. Настройка и тестирование медицинской аппаратуры
2. Вычисление частоты медицинских сигналов (если в ПЗУ записана таблица обратной функции)
Не в медицинской технике:
Если в ПЗУ записать коды высоты тона для мелодии, то данная схема будет представлять из себя музыкальный автомат, желательно иметь 3-5 свободных адресов для выбора мелодии.
ЛЕКЦИЯ №15
Измеритель частоты на счетчиках, триггерах, ПЗУ
(цифровой измеритель частоты)
Ранее рассмотренная схема (см. ЧСС пред. лекц.) требует:
-
Большого количества времени для определения ЧСС
-
Не дает возможность выявлять аритмию
Рассматриваемая этих недостатков не имеет, и измеряет частоту ЧСС в течение «каждого» кардиоцикла.
Схема измеряет частоту за счет измерения интервала между двумя импульсами и вычитания обратного значения полученной величины. При низкой частоте входного сигнала (характерно для физиологических сигналов) измерительный интервал может занять недопустимо большое время. Данная схема позволяет определить частоту
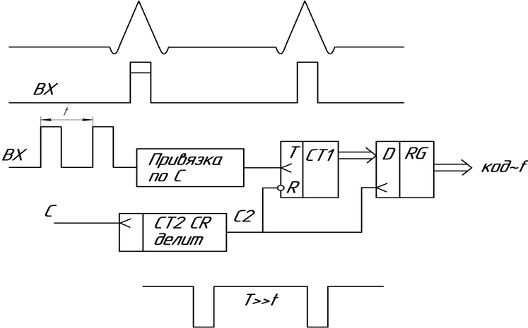
ЛЕКЦИЯ №15
в течении одного цикла и для кардиосигнала позволяет выявить аритмию.
Работа схемы:
импульсы измеряемой частоты поступают на вход счетчика «С» счетного триггера DD1. На выходе триггера образуются импульсы длительностью равной интервалу между двумя входными импульсами. Этот импульс поступает на вход «&» DD2 и разрешает прохождение на выход элемента «И» импульсов тактовой частоты с генератора. Эти импульсы поступают на счетчик схемы А1, в котором образуется код, пропорциональный интервалу времени (период кардиоцикла). В ПЗУ схемы А1 записана таблица гиперболической функции, в результате чего на выходе формируется код частоты входного сигнала. Этот код записывается в регистр DD3 и хранится там для индикации. Запись производится по заднему фронту сигнала с триггера. RC-цепочка служит для задержки момента сброса счетчика по отношению к моменту записи в регистр.
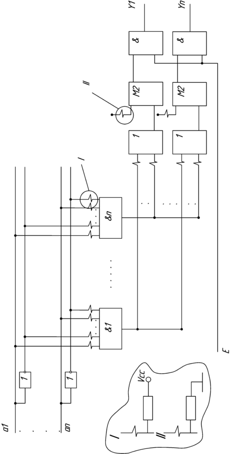
Перспективные технологии в медицинской электронике.
Любая логическая функция, записанная в виде дизъюнктивной нормальной формы может быть легко реализована с помощью специальных программируемых логических матриц (ПЛМ).
П
ЛМ имеет n входов и k элементов «И», m элементов «ИЛИ», выходы которых подключаются к сумматорам по модулю 2 – выполняют роль управляемых инвертеров, выходы инвертеров являются выходами самой ПЛМ. Каждый элемент «И» имеет 2n входов.
ЛЕКЦИЯ №15
ЛЕКЦИЯ №15
Входы схем «И» и «ИЛИ» имеют пережигаемые перемычки, с помощью которых программируются подключения либо не подключения прямых и инверсных сигналов.
Таким образом, разработчик по своему усмотрению может:
-
подать на любой элемент «И» любую комбинацию входных сигналов либо их инверсий.
-
подключить к элементам «ИЛИ» любую комбинацию
-
проинвертировать входы любых «ИЛИ»
Такие возможности позволяют очень просто реализовывать на ПЛМ любые функции. Дальнейшим развитием ПЛМ являются схемы ПЛИС. Количество элементов в которых достигает миллионов, что позволяет практически мгновенно реализовывать выполнение любых требуемых функций.
Ведущие производители ПЛИС:
ALTERA
XILINX
87















