Электронные лекции (1063883), страница 3
Текст из файла (страница 3)
а) х1+х2=х1*х2
б) х1*х2=х1+х2
VII. закон двойственности алгебры
Сущность двойственности:
-
Если все элементы И поменять на ИЛИ, элементы ИЛИ поменять на И, элементы НЕ не менять, входы проинвертировать, полученная схема полученная схема будет выполнять туже функцию, но результат будет проинвертированным.
Пример минимизации ФАЛ:
W
=x*y*z v x*y*z v x*y*z v x*y*z = x*z(y v y) v x*y (z v z) = x*z v x*y
ЛЕКЦИЯ №5
Элементы схемотехники интегральных микросхем
1. Типовая схема базового элемента ИЛИ-НЕ серии КМДП.
В исходном состоянии все нижние транзистора закрыты, верхние – открыты.
Подача хотя бы одной «1» на любой из входов х1, х2, х3 приведет к тому, что один из верхних транзисторов закроется, а один из нижних откроется, это приведет к появлению на выходе «0».
-
Особенность работы такой схемы состоит в малом потреблении тока (возрастает только в момент переключения). Потребляемая мощность увеличивается при повышении частоты, на которой работает схема;
-
Пороговое напряжение составляет ~0.5Uпит;
-
Ширина зона неопределенности составляет 0.1В помехоустойчивость на схеме КМДП высока; -
Быстродействие меньше чем у серии ТТЛ;
-
Существенной разницы между И-НЕ и ИЛИ-НЕ – нет
-
(
верхние транзисторы меняются местами с нижними)
ЛЕКЦИЯ №5
1
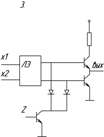
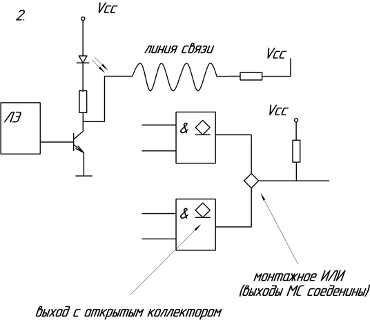
. Обычный типовой выходной каскад, выходы ИМС соединять нельзя.
2. Выходы с открытым коллектором предназначены для подключения схем индикатором, возможна работа линии связи, выходы можно соединять между собой.
ЛЕКЦИЯ №5
В
ыходы с тремя устойчивыми состояниями
1 0 1 на выходе
0 1 0 на выходе
0 0 третье состояние (Z=1)
1 1 КЗ
Функциональные узлы цифровой медицинской аппаратуры.
Введение:
Существует два типа узлов - комбинационные и последовательные.
Комбинационные узлы выводят информацию на выход сразу после появления данных на входах (дешифраторы; мультиплексоры; сумматоры; преобразователи кодов и т.д.)
Последовательные узлы – такие узлы, выходное состояние которых определяется не только комбинацией на входе, но и предыдущем состоянием – автоматы с памятью (триггеры; регистры; счетчики)
Особенностью работы цифровых устройств является наличие эффекта гонок – ложного срабатывания микросхем, обусловленного:
а) разностью времени прихода сигнала на входы
б
) различными уровнями напряжения, при которых происходят переключения МС.
ЛЕКЦИЯ №5
ЛЕКЦИЯ №6
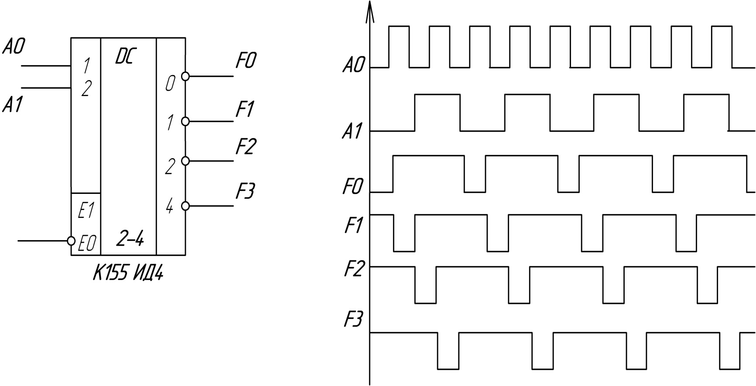
ШИФРАТОР
– функциональный узел, преобразующий номер активного входа в цифровой код.
Шифраторы делят на обычные и приоритетные.
Обычные – не допускают одновременной подачи на несколько входов.
Приоритетные – допускают одновременную подачу на несколько входов, но на выходе появится код, у которого в более старшем разряде будет значиться цифра.
Схема кодирования
более старшей единицы.
П
ри подаче стробирующего сигнала EI (Enabled Input) и нажатии клавиши а1 на выходе нижнего конъюнктера получаем сигнал а1, который заблокирует подачу сигналов на входы двух верхних конъюнктеров, таким образом, не зависимо от значения сигнала а0 на выходе а0 будет 1.
ЛЕКЦИЯ №6
О
собенности схемы:
-
Кодирование в обратном коде.
-
Наличие сигнала EO (Enable output); ЕО=1, если нажата хотя бы одна из клавиш.
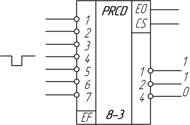
Пример шифратора (8вх и 3 вых):
Полностью инверсный, сигнал подается на 4-ый вход.
Активный сигнал – 0
Е
О=EI & 1
C
S=EI & 1
К555 ИВ1
Пример синтеза простого шифратора.
Граничные условия:
-
Считаем, что на вход подается хотя бы один сигнал.
-
Сигнал подается только один.
-
Шифратор реализует схему 4-2 (4вх. – 2вых.)
| I3 | I2 | I1 | I0 | A1 | A0 |
| 0 | 0 | 0 | 1 | 0 | 0 |
| 0 | 0 | 1 | 0 | 0 | 1 |
| 0 | 1 | 0 | 0 | 1 | 0 |
| 1 | 0 | 0 | 0 | 1 | 1 |
ЛЕКЦИЯ №6
I3
A1
A2
I3
| X | X | X | 1 |
| X | X | X | X |
| X | X | ||
| 1 | X |
| X | X | X | |
| X | X | X | |
| X | X | X | |
| 1 | X | 1 |
I2
I2
I0
I0
I1
I1
I1
A1=I3 V I2 A0=I3 V I1
I3
I2
I1
I0
A1
1
A0
1
ЛЕКЦИЯ №6
Пример применения шифратора в медицинской технике
(фрагмент системы экстренного вызова)
УНС – управление надпалатной сигнализацией; А - № кровати; В - № больного;
Система кодирует номер палаты и номер кровати, откуда идет вызов. При нажатии на кнопку SB подается сигнал, который кодируется шифратором.
ЛЕКЦИЯ №6
ДЕШИФРАТОР
–
функциональный узел, в котором каждому набору двоичных входных сигналов соответствует активный сигнал только на одном из выходов, номер которого равен входному двоичному коду.
F3=E1&E2&(A1A0)
OUT $378 h2
ASSEMBLER
OUT $37A h1
PORT [$378]=2
PASCAL
PORT [$37A]=1
ЛЕКЦИЯ №7
Применение дешифраторов:
Адресация функциональных узлов
-
Демультиплексирование
-
Генератор произвольной логической функции
-
Дешифратор для семисегментных индикаторов
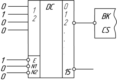
Адресация осуществляется подачей сигналов на вход данных (0010) –активирует сигнал на выходе 2.
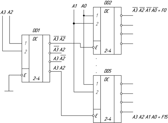
Наращивание дешифратора
Н
аращивание дешифратора происходит через стробирующие входы из DC 2-4 DC 4-16
ЛЕКЦИЯ №7
Дешифратор – демультиплексор
Демультиплексор – устройство, передающее сигнал с одного входа на один из выходов, где адрес выхода задается двоичной комбинацией на входе. Пример: задается адрес входа 11, на выходе получаем 3.
Использование дешифратора в качестве генератора логической функции
F= A3 A2 A1 v A3 A2 A1 v A3 A2 A1 v A3 A2 A1
Выходы дешифратора соответствуют единичным значениям переключательной функции подаются на вход ИЛИ.
ЛЕКЦИЯ №7
Использование дешифратора для семисегментного индикатора
с
A
емисегментный индикатор – неполный, есть выход для точки, активный сигнал на нескольких входах.
B
C
D
E
F
G
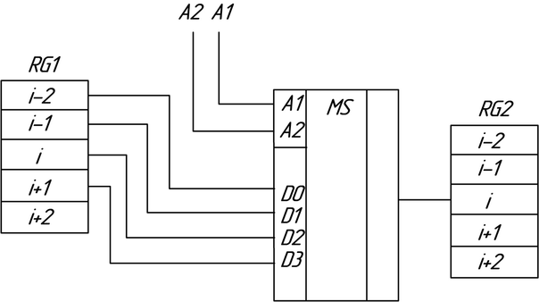
Схема сдвига для одного разряда
i - разряды регистров
П
ередача информации из RG1 в RG2 может быть осуществлена как без сдвига так и со сдвигом, в сторону старших или младших разрядов.
ЛЕКЦИЯ №7
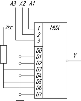
Переключательная функция для 3-х переменных А1-А3 на MUX, имеющем 3 адресных входа (8 входов данных) реализуется путем подачи на соответствующие входы данных 0 или 1.
Y=A3 A2 A1 v A3 A2 A1 v A3 A2 A1
ВИДЫ КОДОВ
двоичные код Грея
двоично-десятичные контрольные код Хэмминга
шестнадцатеричные
прямой обратный дополнительный четные нечетные
Код Грея используется для преобразования угла поворота вала в цифровой код. Контрольные коды позволяют контролировать правильность передачи или считывания данных и восстанавливать исходные данные. Бывают четными и нечетными. Эти коды могут обнаруживать как единичные сбои так и нечетное количество сбоев (чаще всего встречающихся – помехи), возможность обнаружения до 90% ошибок.
К
од Хэмминга, циклические и др. позволяют обнаружить и устранить ошибки в передаваемой или хранящейся информации.
ЛЕКЦИЯ №8
Условное графическое изображение. Преобразователи кодов.
0111
0100
7
1000
1100
8
BIN
GRAY
Xn Xk…X1ó Ln Lk…L1
Xk kk+1 ; k=1,2,…,n-1
Xn ; k=n
Li Xi+1
Ln ; i=n
Lk =
Xi =
Ширина зона неопределенности составляет 0.1В помехоустойчивость на схеме КМДП высока;
адреса портов














