Электронные лекции (1063883), страница 5
Текст из файла (страница 5)
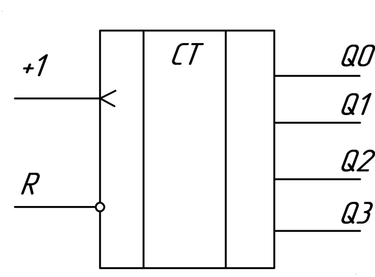
Схема и условное изображение регистра на D-триггерах
С
хема N – разрядного регистра на D – триггерах. Запись осуществляется параллельным кодом при подаче сигнала «запись». Данные сразу же появляются на выходе.
ЛЕКЦИЯ №11
Применение регистров
2. сдвиг данных
3. преобразование кодов
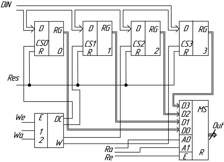
Алгоритм записи:
-
Сброс (RESET)
-
Данные выставляются на шину данных – DIN
-
На Wa устанавливается адрес регистра для записи
-
Подается стробирующий сигнал We
-
Данные записываются в выбранный регистр
Р
егистровая память предназначена для быстрой записи и выдачи информации.
ЛЕКЦИЯ №11
Алгоритм считывания данных:
Считывание осуществляется с помощью мультиплексора.
-
Адрес регистра, с которого считывают данные, подается на вход Ra
-
Подается стробирующий сигнал Re
-
Мультиплексор передает 4-х разрядные данные с одного выбранного регистра на выход Dout
MS – мультиплексор управляющий чтением
We – сигнал управления записи
Re – сигнал управления чтением
Wa – адрес вводимых данных
Ra – адрес читаемых данных
RG - 4-х разрядные регистры памяти
Пример: К155РП1
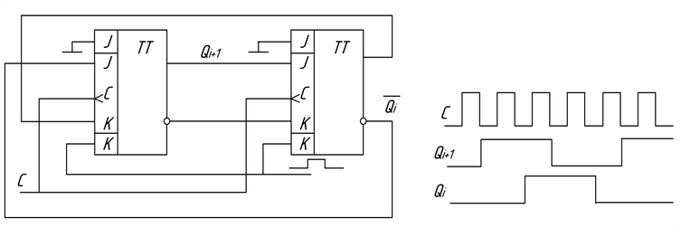
Сдвиг данных с помощью регистров
ОДНОСТОРОННИЙ
(либо вправо, либо влево)
РЕВЕРСИВНЫЙ
(можно и вправо, и влево)
RG
RG
RG
ЛЕКЦИЯ №11
Сущность работы: поочередная запись то 0, то 1 – аналог ленты Мебиуса. Для реализации такого сдвига, сигналы с выхода счетчика перекрестно подаются на его входы. Используемый здесь код – парафазный.
ЛЕКЦИЯ №12
РЕВЕРСИВНЫЙ СДВИГ
RG-R – регистр младших разрядов
RG-L – регистр старших разрядов
D0..D3 – 4 разряд. данных для параллельной загрузки регистра
DC – выход регистра соединенный с регистром старшего разряда
- реверсивный сдвиг.
C C
S0=1 Q3=1 S0=0
S
1=1 S1=1
D0 0 Q0 0 1 Q0
D1 0 Q1 0 0 Q1
D2 0 Q2 0 0 Q2
D3 1 Q3 1 0 Q3
DL 1
| S0 | S1 | |
| 0 | 0 | Хранение |
| 0 | 1 | Сдвиг влево |
| 1 | 0 | Сдвиг вправо |
| 1 | 1 | Загрузка |
ЛЕКЦИЯ №12
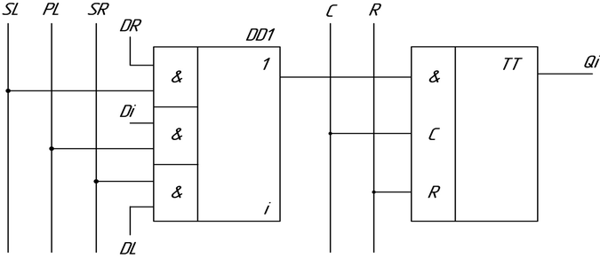
SL – сдвиг влево; PL – параллельная загрузка; SR – сдвиг вправо
R
1; C 1;
С
двиг влево: SL 1 DR i разряд Т
Обычно в реальных сдвиговых регистрах на входе ставят дешифратор с таблицей истинности (см. предыдущую страницу)
Пример: 561ИР9; 155ИР1; 155ИР13
ЛЕКЦИЯ №12
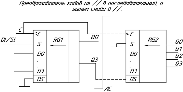
РЕГИСТРЫ ПРЕОБРАЗОВАТЕЛИ КОДОВ
DL/SL – активный вход в обеих ситуациях, но выполняются разные операции.
Если =1, то происходит загрузка исходных данных; если =0, то по сигналу «С» регистр RG1 начинает сдвигать данные в сторону старших разрядов.
Таким образом, на выходе Q3 регистра RG1 будут последовательно появляться
значения Q3; Q2; Q1, которые, пройдя линию связи, через вход регистра RG2 в него вдвигаются и через 4 синхроимпульса «С» займут в нем положение, соответствующее разрядам Q0..Q3, таким образом, данная схема позволяет загружать данные в параллельном коде, преобразовывать в последовательный, и передавать по линиям связи старшим разрядам вперед.
«
-» требует дополнительный провод для синхросигнала, в современных схемах передается все по «1» проводу.
ЛЕКЦИЯ №12
Функциональные узлы предназначенные для подсчета количества входных импульсов и формирования кода этого количества (обычно двоичного).
Максимальное число возможных состояний счетчика называется модулем пересчета или емкостью счетчика.
Наиболее часто используются двоичные счетчики, реже двоично-десятичные. В частности с одинарным кодированием (закольцованная «1») или унарным (счетчик заполняют либо «0», либо «1»).
Счетчики:
-
суммирующие;
- вычитающие;
- реверсивные.
Важным является организация переноса в счетчике:
с
уммирование +1 11 00 CR=1
в
ычитание -1 00 11 BR=1
По способу реализации переноса счетчики могут иметь схемы параллельного и последовательного переноса, а так же сквозной перенос.
ЛЕКЦИЯ №12
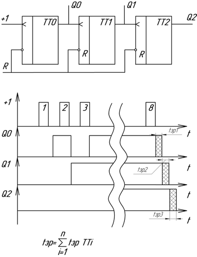
Таблица состояний Схема и временная диаграмма
трехразрядного счетчика счетчика с непосредственными
связями
| № сост. | Q3 | Q2 | Q1 | CR |
| 0 | 0 | 0 | 0 | 1 |
| 1 | 0 | 0 | 1 | |
| 2 | 0 | 1 | 0 | |
| 3 | 0 | 1 | 1 | |
| 4 | 1 | 0 | 0 | |
| 5 | 1 | 0 | 1 | |
| 6 | 1 | 1 | 0 | |
| 7 | 1 | 1 | 1 | |
| 0 | 0 | 0 | 0 | 1 |
Особенностью этого счетчика является зависимость времени задержки распространения сигнала от комбинации на выходе счетчика, в худшем случае это время равно сумме времен задержки распространения каждого триггера.
«+» самая простая схема реализации; хорошо реагирует на зауженный входной сигнал.
ЛЕКЦИЯ №12
Счетчики со сквозным переносом
«+» быстрее работает
«-» дополнительные схемы; при поступлении зауженного импульса может быть большая ошибка
ЛЕКЦИЯ №13
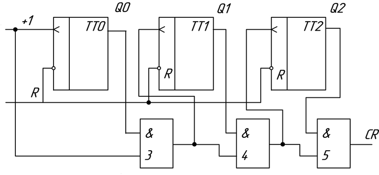
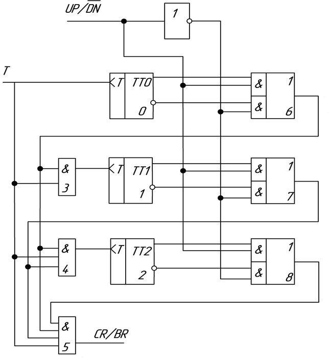
Счетчики с параллельным переносом
Мл. Р
Д
1 1 0
1
0 0 1
+
tзр=tзр TT0+tзр&
опустим исходная система 110 (слева младший разряд). На выходе конъюнктора 4 будет «1», а на выходе конъюнктора 5 – «0». Подадим сигнал «+1». По его заднему фронту ТТ0 перебросится в противоположное состояние, Q0 перебросит ТТ1, конъюнктор 4 перебросится в «0» и перебросит в противоположное состояние ТТ2. Из анализа работы схемы видно, что задержка формирования общего сигнала схемы будет складываться из задержки распространения сигнала ТТ0 и одного конъюнктора.
ЛЕКЦИЯ №13
«+» - задержка распространения будет одинаковой и минимальной, по сравнению с другими счетчиками.
«-» - дополнительные затраты на оборудование (количество входов от разряда к разряду увеличивается);
- высокая погрешность при подаче зауженного сигнала
Реверсивные счетчики
При суммировании более старший разряд переключается в противоположное состояние, когда младший разряд перебрасывается из «1» в «0», а при вычитании старший разряд перебрасывается в противоположное состояние если младший перебрасывается из «0» в «1» (см. таблицу состояний трехразрядного счетчика).
Перенос в более старший разряд осуществляется тогда, когда данный разряд в «1», а при вычитании – когда текущий в «0».
Вывод: для превращения суммирующего счетчика в вычитающий, нужно сигналы управления трактом переноса снимать с противоположных выходов триггера счетчика.
ЛЕКЦИЯ №13
1
0 DN=0 – вычитание 2 управляющих
1
0 UP=1 – сложение сигнала
0
1
ЛЕКЦИЯ №13
И
сходное состояние 110. Выполняем операцию сложения. На UP подана «1» мультиплексоры 6 и 7 передают с прямых выходов ТТ0 и ТТ1 единицу на входы конъюнкторов 3,4,5. Пришедший выходной тактовый сигнал «Т» переключит в противоположное состояние ТТ0 (переключается всегда) и через конъюнкторы 3 и 4 переключит в противоположное состояние ТТ1 и ТТ2, таким образом на выходе счетчика получим
4
осуществляется операция сложения.
Вычитание:
В
исходном состоянии 001. Подается сигнал DN=0, который через инвертор подключит инверсные выходы триггеров к трактам переноса. На управляющих входах конъюнкторов 3 и 4 будут «1». Подача сигнала «Т» приведет к переключению всех триггеров получаем на выходе 110.
Счетчики по произвольному основанию
Существует два принципа реализации:
1. использование схем гашения (сброса)
2. загрузка дополнительного кода от числа К до 2n
ЛЕКЦИЯ №13
Примеры применения счетчиков в медицинской аппаратуре
1. определение частоты медицинских сигналов (ЧСС)
2. для определения длительности физиологических процессов
Счетчики для определения ЧСС:
ЧСС – количество ударов сердца в единицу времени.
Используется 2 счетчика. 1 – задаем единицу времени; 2 – считаем сокращения
Существует два способа определения ЧСС:
а) определяют единицу времени, в течение которой измеряют количество ударов.
б
) считают период одного кардиоцикла















