Электронные лекции (1063883), страница 4
Текст из файла (страница 4)
ЛЕКЦИЯ №8
В коде Грея при переходе от одного числа к следующему меняется значение только одного разряда - используется для определения углов поворота вала, скоростей вращения, т.к. тогда при ошибочном чтении будет ошибка в 1 единицу. Он не является позиционным, в вычислительных операциях не принимает участия.
Для получения разряда кода Грея нужно сложить по модулю 2 Кй разряд двоичного кода с К+1, а старший разряд оставить без изменения.
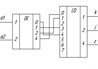
Пример синтеза преобразователя кода
B
A
A
B
z = a1 * a2 = a1 v a2
j = a2*a1
0 0
0 1
1 0
1 1
a2 a1
z j k




0
1
2
3
4
3
1
0
Общая
часть
1 0 0
0 1 1
0 0 1
0 0 0





k = a2*a1 v a2*a1 = a2*a1 * a2*a1







Схема на логических элементах Схема декодер-кодер
ЛЕКЦИЯ №8
Контрольные коды
По чету считается количество 1 в коде, и если оно четное, то передается единица.
Возможно обнаружение нечетного числа сбоев.
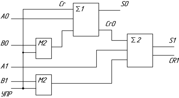
Сумматоры и АЛУ
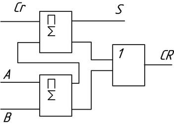
CR
ЛЕКЦИЯ №8
АЛУ – арифметико-логическое устройство.
Cr – перенос из младшего разряда в текущий (входной перенос)
CR – перенос из данного разряда в следующий (выходной перенос)
По схеме Cr=0 реализуется полусумматор
По схеме Cr=1 реализуется сумматор
Вычитание в цифровой электронике заменяется сложением в дополнительном коде.
A
B
Cr
S
CR

0
0
0
0
0
1
0
1
0
0
1
1
0
1
1
0
0
0
0
1
1
1
1
1
0
0
1
0
1
0
1
1
0
0
1
0
1
1
1
1


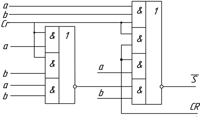
CR=Cr*a v Cr*b v a*b
полусумматор:
S
=A*B v B*A ; CR=A*B
S=Cr*CR v a*CR v b*CR v Cr*a*b




ЛЕКЦИЯ №8
Схема сумматора на базе элементов
И-; ИЛИ-; НЕ-
ЛЕКЦИЯ №9
Изображение сумматора Изображение сумматора
на принципиальных схемах на функциональных схемах
Инкрементор Компаратор
Инкрементор – прибавляет 1 к уже имеющейся сумме.
Компаратор – сравнивает поступающие величины; выдает 1 на одном из выходов.
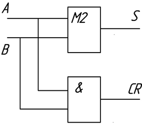
Схема для сложения/вычитания величин
Суммирование чисел представленных в прямом коде осуществляется без изменения, при этом УПР=0, если В – отрицательное для суммирования его представляют в доположительном коде, для чего на УПР подается «1», схемы М2 инвертируют разряды кода числа В, сумматор 1 (младшего разряда) добавляет «1» (Cr=1)
Сумматоры могут использоваться в схемах умножения.
Операция умножения осуществляется многократным
с уммированием множимого с промежуточными суммами операция умножения является медленной операцией и для ее ускорения применяются специальные алгоритмы и схемотехника.
ЛЕКЦИЯ №9
ПОСЛЕДОВАТЕЛЬНОСТНЫЕ УЗЛЫ ЦИФРОВОЙ МЕДИЦИНСКОЙ АППАРАТУРЫ
Отличаются от комбинационных тем, что имеют память (автоматы с памятью). К таким устройствам относятся:
-
триггеры
-
регистры
-
счетчики
ТРИГГЕРЫ
-
п
оследовательные схемы с ПОС, имеющие 2 устойчивых состояния – «1» и «0»
Существует два выхода: прямой (Q) и обратный (Q). Состояние триггера определяется прямым выходом.
П
еревод триггера из одного состояния в другое осуществляется путем подачи сигнала «установка», «сброс» - либо импульсом
Основные типы триггеров
RS
D
JK
T
RESET – SET
DELAY – задержка,
задерживает сигнал, до тех пор пока не поступит команда подать сигнал.
Универсальный, на его основе можно создать любой другой триггер. Основное значение master/slave.
Переключа-тельный,
переключается в противоположное состояние при каждой подачи сигнала на вход.




ЛЕКЦИЯ №9
RS - ТРИГГЕР
Таблица переключения RS - триггера
S
R
Q



В сериях ТТЛ:










R
S
ЛЕКЦИЯ №9
Qn+1=S * Q * R ;
Qn+1=R * Q * S ;
Qn+1=S+Q * R=S+Q+R Qn+1=S+Q+R
Qn+1=R+Q * S=R+Q+S Qn+1=R+Q+S

























RS – триггер:
При поступлении R=0 и S=0 – он сохраняет предыдущее состояние
При поступлении R=0 и S=1 – устанавливается в единице
При поступлении R=1 и S=0 – устанавливается в 0
При поступлении R=1 и S=1 – запрещенная комбинация
ЛЕКЦИЯ №9
СИНТЕЗ RS – ТРИГГЕРА
Граничные условия синтеза:
-
В базисе:
а) ИЛИ-НЕ
б) И-НЕ
2. Одновременная подача активных сигналов запрещена
Допущения:
-
tn – время, в течение которого действуют текущие сигналы; Qn – соответствующее этому времени состояние
2. tn+1 – последующий момент времени; Qn+1 – соответствующее состояние
Временная диаграмма работы Стробирование – метод
триггера в базисе ИЛИ – НЕ борьбы с
ЛЕКЦИЯ №10
П одача сигнала на вход S (1), приведет к тому, что Q переключится первым. Его переключение вызовет изменение сигнала Q, следовательно, триггер отработал входное воздействие.
П ри переключении триггера в обратное состояние, из «1» в «0», первым при подаче сигнала R устанавливается Q, а затем в ответ на его переключение Q=1.
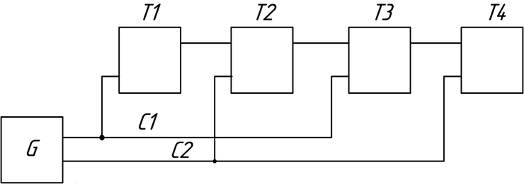
Следовательно, имеются состояния, которые не соответствуют таблице истинности триггера. Чтобы исключить влияние неопределенности на последующие каскады, используют синхронизацию. Одна из самых распространенных – 2х фазная синхронизация.
С1




С2
расхождение сигналов зависит от времени
переключения триггера
ЛЕКЦИЯ №10
В зависимости от типа синхросигнала, триггеры делят на:
-
с
татические триггер переключается по заднему
фронту
-
д
инамические триггер переключается по переднему
фронту
-
п
отенциальные
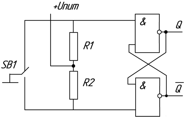
Пример применения RS-триггера в медицинской аппаратуре.
О сновное назначение – ввод сигналов с кнопочных систем.
ЛЕКЦИЯ №10
t 1 – отрыв контакта, начало нажатия; t2 – момент первого механического контакта; t3 – момент завершения дребезга.
С
ущность работы схемы – подавление дребезга. Частотный спектр дребезга <1кГц; частота переключения электронных схем (в частности триггера) – 106 Гц дребезг может вызвать ложное срабатывание цифровых модулей. Сигнал Q бросается в «1» при первом контакте с нижней частью кнопки, что приводит приведет к установлению Q в «0». Нулевое состояние выхода Q поддерживает на выходе Q «1», независимо от амплитуды сигнала на R – входе.
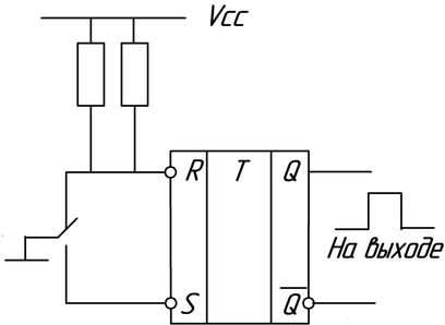
Эффект антидребезга RS – триггера используется в создание на его основе генератора единичного импульса.
ЛЕКЦИЯ №10
Генератор одиночного импульса
Установленные входы триггеров действуют по RS схеме – снабжены антидребезгом.
D - триггер
tn
tn+1
Qn+1=Dn*Qn + Dn*Qn=Dn*(Qn + Qn)=D


ЛЕКЦИЯ №10
tn
tn+1

0
1
1
Qn+1=Tn*Qn + Tn*Qn=Tn+ Qn




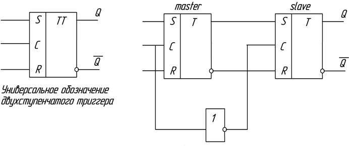
Двухступенчатые триггеры
Рассмотренные ранее триггеры относятся к типу «прозрачные», т.е. появление сигнала на входе ведет к появлению сигнала на выходе. Но в большинстве цифровых схем время появления сигнала на выходе должно быть регулируемым, поэтому используют двухступенчатые триггеры 1. master 2. slave
Переброс ступеней может осуществляться:
1. Однотактная запись: передняя – по переднему фронту; задняя - по заднему фронту синхросигнала.
2 . Двухтактная запись: обе ступени срабатывают по заднему фронту.
Проблема: проскок сигнала со входа на выход в момент переключения ступеней.
ЛЕКЦИЯ №10
Универсальный JK - триггер
Таблица переключения
tn
tn+1
JK- триггера
Qn+1=J*Q + K*Q
Qn+1=C*Q + C*J*Q+ K*Q






ЛЕКЦИЯ №10
На основе JK – можно получить любой тип триггера
Основные параметры триггера:
-
статические – аналогичны параметрам логических элементов
-
динамические - задержка распространения сигнала (время из «0» в «1» и наоборот не равны друг другу, для оценочных расчетов берут среднее)
-
минимальная длительность входного сигнала
-
максимальная частота переключения (определяется при минимальной длительности входного сигнала)
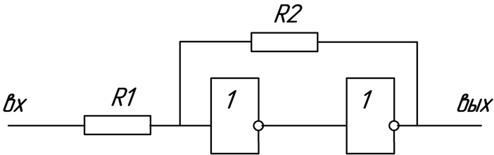
ТРИГГЕР ШМИТТА
-
предназначен для ввода искаженных цифровых сигналов, наиболее часто с линий связи, кнопок, используется в схемах генераторов; имеет 1 вход и 1 выход.
ЛЕКЦИЯ №11
Особенности работы:
И сходное состояние – нулевое. Входное напряжение повышается, и по достижении 6В триггер перебрасывается в единичное состояние. Далее начинает понижаться входное напряжение, и триггер перебрасывается в противоположное состояние при значении входного напряжения ~ 3В. Из-за того, что в единичном состоянии часть выходного напряжения через резистор R2 подается на вход.
ЛЕКЦИЯ №11
Задачи о последовательностях подаваемых на входы триггеров
-
функциональные узлы, предназначенные для ввода, хранения, преобразования и вывода двоичных чисел.
Основой для построения регистров служат триггеры D или JK.
Регистры работают с использованием прямых, обратных и парафазных входов (подробнее о входах см. лаб. раб.)