ПЗ распечатка (1052029), страница 8
Текст из файла (страница 8)
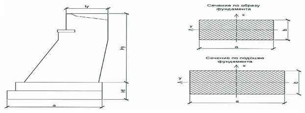
Рис 2.2. Фасад береговой опоры и поперечные сечения по подошве и обрезу фундамента
Таблица 2.7 Расчетные геометрические параметры сечений береговой опоры поста
| Рассматриваемое сечение | Собственный вес опоры , тс | Расчетные параметры сечения, м | Мементы сопротивления сечения, м3 | Радиус ядра сечения, м | ||||||
| a | b | h | Wx | Wy | p | p` | ||||
| 1 | 2 | 3 | 4 | 5 | 6 | 7 | 8 | 9 | ||
| Подошва фундамента | 1550 | 11,1 | 5,5 | 4 | 112,94 | 55,96 | 1,85 | 0,917 | ||
| Обрез фундамента | 1038 | 8,7 | 4,7 | 16,2 | 59,29 | 32,03 | 1,45 | 0,783 | ||
2.2.1 Расчеты береговой опоры по грузоподъемности
Для каждого вида расчета были определены вертикальные усилия от нормальных сил и изгибающих моментов, горизонтальные усилия от веса грунта насыпи и ветровой нагрузки, площади действия линий влияния и т.д. результаты расчетов грузоподъемности береговой опоры приведены в таблице 3.3
Сравнение классов береговой опоры по видам расчетов и с классами нагрузок приведены в приложении б
Таблица 2.8 Сравнение классов расчетов грузоподъемности береговой опоры с классами нагрузок
| Вид расчета | Расчетный класс опоры | Класс подвижного состава | ||
| II категория | II категория | IV категория | ||
| На прочность по среднему давлению для сечений: - по подошве фундамента - по обрезу фундамента | 392,29 156,53 | 6,70 | 6,42 | 5,34 |
| На прочность по максимальному давлению для наиболее загруженной грани сечений: - по подошве фундамента - по обрезу фундамента | 178,44 67,36 | 6,73 | 6,25 | 5,44 |
| На устойчивость против опрокидывания | 44,55 | 6,33 | 6,01 | 5,41 |
| На устойчивость против сдвига | 10,25 | 6,33 | 6,01 | 5,41 |
2.2.2 Выводы по грузоподъемности береговой опоры
Из результатов расчета следует что опора удовлетворяет требованиям безопасного пропуска нагрузки II категории (минимальный класс опоры получен из расчета на устойчивость против сдвига и составляет 10,25, в то время как класс нагрузки II категории составляет 6,33)
2.3 Расчет грузоподъемности промежуточной опоры
Расчет грузоподъемности промежуточной опоры моста производится по двум сечениям: подошве и обрезу фундамента. Поперечное сечение в уровне подошвы и обреза фундамента данной опоры имеет следующий вид, рисунке 2.3
Рисунок 2.3. Расчетные геометрические параметры промежуточной опоры
Таблица 2.9. Расчетные геометрические параметры сечений промежуточной опоры поста
| Рассматриваемое сечение | Собственный вес опоры , тс | Расчетные параметры сечения, м | Мементы сопротивления сечения, м3 | Радиус ядра сечения, м | ||||||
| a | b | h | Wx | Wy | p | p` | ||||
| 1 | 2 | 3 | 4 | 5 | 6 | 7 | 8 | 9 | ||
| Подошва фундамента | 1861 | 5,6 | 13,1 | 5,0 | 68,47 | 160,17 | 0,933 | 2,183 | ||
| Обрез фундамента | 1025 | 4,4 |
| 14 | 19,13 | 39,33 | 0,559 | 1,149 | ||
2.3.1 Расчеты береговой опоры по грузоподъемности
Для каждого вида расчета были определены вертикальные усилия от нормальных сил и изгибающих моментов, горизонтальные усилия от ветровой нагрузки, площади действия линий влияния и т.д. результаты расчетов грузоподъемности промежуточной опоры приведены в таблице 2.10
Таблица 2.10
| Вид расчета | Расчетный класс опоры | Класс ПС |
| II категория | ||
| На прочность по среднему давлению для сечений: - по подошве фундамента -по обрезу фундамента | 392,29 156,53 | 6,70 |
| На прочность по максимальному давлению для наиболее загруженной грани сечений - по подошве фундамента -по обрезу фундамента | 178,44 67,36 | 6,73 |
| На устойчивость против опрокидывания | 44,55 | 6,33 |
| На устойчивость против сдвига | 10,25 | 6,33 |
2.3.2 Выводы по грузоподъемности береговой опоры
Из результатов расчета следует что опора удовлетворяет требованиям безопасного пропуска нагрузки II категории (класс береговой опоры по максимальному давлению по обрезу фундамента вдоль оси моста при загружении двух пролетов составляет 28,36, а класс нагрузки II категории составляет 7,53)
3. ВАРИАНТЫ РЕКОНСТРУКЦИИ МОСТА
3.1 Общие положения
На основании расчёта грузоподъёмности пролётного строения, промежуточной опоры и береговой опоры, а также на основе анализа технического состояния моста в целом, можно сделать следующие выводы:
Пролетные строения
- срок эксплуатации пролётных строений превышает нормативный и составляет 70 лет, тогда как нормативный срок службы металлических пролётных строений по ЦП-628 , составляет 50-60 лет;
- язвенная коррозия глубиной до 2-5 мм, коррозия головок заклепок по верхнему горизонтальному листу верхнего пояса ферм пролетных строений;
- (просадки) плиты нижнего балансира левой НОЧ ПС №1 на опоре № 1, величиной 8 мм под проходящей временной нагрузкой, присутствуют выплески грязи левой НОЧ ПС №1 на опоре №1 до 8 мм под проходящей временной нагрузкой, выплески грязи;
- на ПС №1 выкалывающая трещина длиной в верхнем горизонтальном листе верхнего пояса фермы с левой стороны в узле 0′ - 360 мм и в узле 3′- 270мм;
- на ПС №2 выкалывающая трещина длиной 350 мм в верхнем горизонтальном листе верхнего пояса фермы в середине пролета с левой стороны;
- по верхнему горизонтальному листу верхнего пояса правой фермы на ПС № 4 местная деформация металла длиной 200 мм и со стрелой до 30 мм;
- вмятина верхнего уголка нижнего пояса на ПС №1 во второй панели левой фермы;
- по нижней продольной связи в середине ПС №2 деформация по всей ее длине со стрелой до 50 мм;
- в опорном сечении правой фермы ПС №2 (панель 0-1) по нижнему поясу волнообразные деформации на длине 40 мм со стрелой до 10 мм;
- шелушение защитного антикоррозионного лакокрасочного покрытия пролетных строений;
Для береговых и промежуточных опор моста
- трещины морозного разрушения раскрытием до 0,7мм штукатурного слоя по кордонному камню и оголовку устоев;
- трещины раскрытием до 0,5мм по швам каменной кладки облицовки тела устоев, локальные разрушения заделки швов;
- вертикальная трещина по шву каменной кладки тела опоры № 1 раскрытием до 6 мм с изломом одиночных камней;
- вывалы камней тела опоры №2 в уровне переменных вод;
- разрушение заделки швов каменной кладки на отдельных участках тела промежуточных опор;
- сколы железобетонных оголовков промежуточных опор глубиной до 7см;
- скол кордонного камня на устое №4 глубиной до 10 см;
- вертикальная силовая трещина отрыва шкафной стенки по шву каменной кладки устоя №4 раскрытием до 2 мм (расстройство каменной кладки тела устоя) ;
-локальное выщелачивание цементного камня по телу промежуточных и береговых опор.
3.2 Разработка варианта
В данном случае количество вариантов реконструкции моста ограничено из-за длины пролётных строений равной 33,6. Здесь можно применить пролётные строение только той же длины только другого типа, так как расстояние между опорами не позволяет применить пролётные строения других длин.
К дальнейшей разработке принимаем вариант реконструкции моста с заменой старых пролётных строений на новые 33,6 с ездой поверху.
4. ТЕХНОЛОГИЯ ПРОИЗВОДСТВА РАБОТ ПРИ РЕКОНСТРУКЦИИ МОСТА.
4.1 Технология производства работ по ремонту опор
4.1.1 Цементация опор
Работы по цементации производятся без перерыва в движении поездов.
С помощью перфораторов ПР-25Л, в шахматном порядке бурятся скважины диаметром 50 мм под углом к горизонту 10°, на глубину (см. лист №11).
Нагнетание инъекционного раствора в фундамент производить в теплое время года, при температуре кладки не ниже
, нагнетание раствора в кладку при температуре измеряемой внутри скважины ниже
, без устройства тепляков запрещается.
Подготовка скважин включает промывку и продувку. Промывку скважин тела опоры ведут последовательно горизонтальными рядами снизу вверх.
Скважины фундамента продуваются воздухом, но перед цементацией кладка должна быть смочена водой под давлением 200КПа в течении 3-5 мин.
Приготовленные для нагнетания скважины плотно закрывают деревянными пробками.
Нагнетание цементного раствора начинают при давлении 500-1000 кПа, и доводят ступенями по 50КПа до максимально возможного (0,5-0,7P), получаемого при пробном нагнетании.
Перед инъектированием трещины шириной раскрытия более 3мм и пустые швы заделывают.
Бурение и последующую цементацию скважин производить по очередям. Одновременно бурение скважин различных очередей на ремонтируемом участке не допускается. Нагнетание раствора в вертикальные скважины начинают от центра переходя к скважинам, расположенным ближе к боковым поверхностям. Нагнетание раствора в скважины, расположенные на боковых поверхностях производят последовательно параллельными рядами снизу вверх начиная с нижних скважин.
Проект производства работ по цементации опор моста (см. лист №11).
4.1.2 Устройство железобетонной рубашки
Работы по устройству железобетонных рубашек производятся без перерыва в движении поездов.
Для устройства железобетонной рубашки на промежуточной опоре 2 в зоне переменного уровня воды необходимо устройство котлована с водоотливом.
Крепление стенок котлована принято из шпунта типа Л5-У. Часть стенки крепления котлована расположенной под пролетным строением крепится закладными железобетонными плитами. Направляющими для установки ж/б плит являются шпунтовые стенки. Погружение шпунта осуществляется вибропогружателем (финарос 600) с использованием кондуктора (направляющего каркаса). По мере разработки котлована устанавливается раскрепление шпунтового ограждения. Раскрепление (обвязка и распорки) выполняется из двутавра 55Б2, оно устанавливается на опорные столики из двутавра 55Б2 приваренные к шпунтовой стенке. Соединения элементов обвязки и распорок осуществляется на болтах М24.
После разработки котлована в шпунтовом ограждении, на дно котлована укладывается тампонажный слой бетона толщиной 1 м. В шпунтовом ограждении размещаются разделительные деревянные щиты пригруженные бетонными блоками. На шпунтовое ограждение устанавливаются опорные рамы из швеллера 40П для бетонирования тампонажного слоя методом ВПТ. Поверх опорных рам укладываются щиты настила. На опорной раме закрепляется приёмный бункер с бетонолитным оборудованием.
Ведётся бетонирование тампонажного слоя по захваткам, разделённым щитами. Бетонирование тампонажного слоя ведётся до отметки, превышающей проектную отметку на 20 см.
















