Лк по БЖД (1023232), страница 6
Текст из файла (страница 6)
ПДУ для СВЧ установлены в зависимости от длительности облучения:
| Длительность облучения | , мВТ/см² |
| 7 часов | 0,01 |
| Менее 2 часов | 0,1 |
| Менее 20 минут | 1(с очками) |
Контроль облучения.
Производят не реже 1 раза в год, измеряя Е, Н, .
Датчиками для измерения являются: диполь (для Е); рамка (для Н); рупорная антенна (для ).
Способы и средства защиты от ЭМ облучений.
-
Экранирование источника или рабочего места.
-
Защита расстоянием (удаление рабочего места от источника).
-
СИЗ (средства индивидуальной защиты).
-
Рациональное размещение излучающего оборудования в помещение, позволяющее обеспечить минимум направленности прямой и отражённой энергии на рабочее место.
-
Сигнализация о превышении ПДУ облучения (сигнализатор типа П2-2).
-
Ограничение длительности работы персонала и оборудования.
Экранирование.
Для отражающих экранов используют металлы (медь, латунь, алюминий, сталь), имеющие высокую проводимость. Экраны в виде: листов толщиной 0,5 мм (или по расчёту); сетки из проволоки 0,11,0 мм с ячейками 11, 1010 мм (в зависимости от , нужно ). Форма экранов: замкнутые (камеры); незамкнутые (щит, П-образный, полусфера и т.п.).
При использовании экранов ЭМ энергия поглощается в поверхностном слое металла, частично отражаясь в сторону источника. Основная характеристика экрана - эффективность экранирования, т.е. степень ослабления ЭМП.
Экранирование высокочастотных термических установок.
Рабочий элемент-конденсатор.
Расчёт заключается в определении размеров экрана. В качестве экрана может быть использован, например, замкнутая труба квадратного сечения.
а) продольное и б) поперечное сечение экрана.
Напряжённость электрического поля Е ослабляется экраном и убывает обратнопропорционально квадрату расстояния (Х) от источника до оператора.
Отсюда соотношение геометрических размеров экрана:
где
– напряжённость на рабочем месте.
Рабочий элемент-индуктор.
Экран - замкнутый цилиндр с диаметром D.
где I, r, n - ток, радиус индуктора, число его витков;
x - расстояние до рабочего места.
Защита от СВЧ энергии.
При снятии характеристик РЛС для ослабления облучения к волноводу подключат поглощающую нагрузку - порошковое железо, граффито - цементный наполнитель и др.
От утечек энергии защищаются металлическими экранами замкнутого и незамкнутого типа. Металлы отражают практически всю падающую на них энергию, существенно отражают и др. металлы. Частично отражённую от экранов, оборудования энергию поглощают с помощью покрытий из непроводящих материалов (каучук, поролон и др., с проводящими добавками), где энергия рассеивается в виде тепловых потерь.
Коэффициент отражения:
Другой вид поглощающих покрытий действует по принципу вычитания амплитуд прямой и запаздывающей отражённых волн. Это интерференционные поглощающие покрытия. Сдвиг по фазе достигается за счёт толщины покрытия, которая должна быть равной нечётному n
числу четвертей волны ЭМЭ (n=1,3,5…).
Равенство амплитуд получают за счёт материала, в качестве которого используют резину, обработанную ферромагнитным порошком железа.
Защита от облучения при настройке и испытаниях СВЧ установок.
Настройку выполняют в закрытых камерах - экранах, требование к которым следующие:
-
При работе на полную мощность утечка энергии не должна превышать
; -
Управление установкой - дистанционное;
-
Применение блокировки дверей (автоматически снимает напряжение при открытии дверей);
-
Вентиляционные, смотровые отверстия, рукоятки управления должны быть защищены от утечек энергии в окружающую среду.
Способы защиты от утечек сквозь отверстия.
|
| а) |
| б) |
|
|
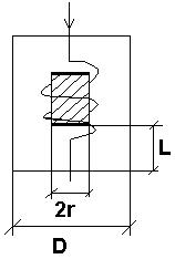
1 - стенка установки или экрана;
2 - труба длиною L;
3 - сетка с мелкими ячейками на входе и выходе из трубы;
4, 5 - сечение трубы в виде - сот или круглое.
а) Защита в виде сеток на входе и выходе. Размер ячейки сетки . Сетка подбирается из таблиц в зависимости от мощности и длины волны.
б) Внутри трубы по всей длине размещается решётка из металлических сот L.
Соотношение размеров решётки:
в) Открытая труба - цилиндр с размерами:
Защита рабочего места и помещений.
При невозможности экранировать источник и защититься от утечки, экранируют рабочее место, используя эластичные материалы для чехлов, спецодежды (х/б ткань с металлическим проводом в виде сетки с ячейкой
0,5 мм). Площадь нормируется от 40 до 70 м
в зависимости от мощности источника. Металлические предметы и оборудование, отражающие предметы и оборудование, отражающие утечки энергии, удаляют.
Профилактика: медосмотры 1 раз в год; дополнительный отпуск - 12 рабочих дней; сокращённый рабочий день - при превышении ПДУ.
Лазер.
Лазер - оптический квантовый генератор (ОКГ). Генерирует электромагнитные волны ультрафиолетового, видимого и инфракрасного диапазонов. Основные элементы ОКГ: рабочее вещество (монокристалл - рубин, газ- гелий и др.) с оптическим резонатором из параллельных зеркал; источник энергии - лампа, дающая мощные вспышки яркости 4*10
кд/м
в течение 1-90мс или ЭМП ВЧ или УВЧ (для газа).
Воздействие лазерного излучения на человека.
Работа лазера сопровождается воздействием вредных факторов: лазерным излучением; слепящим светом ламп; выделением озона, окислов азота из воздуха; вредных веществ из мишени и др. Энергия излучения лазера поглощается в тканях тела человека, вызывая его нагрев и функциональные расстройства. Местное воздействие выражается в ожогах кожи и глаз. Луч света очень опасен для глаз - он почти без потерь проходит через жидкие среды глазного яблока и поражает сетчатку. Опасны также лучи, отраженные от любой даже незеркальной поверхности. Общее воздействие выражается в виде расстройства центральной нервной системы, сердечно- сосудистой системы, мозгового кровообращения.
Нормирование лазерного излучения.
ПДУ лазерного облучения установлены «Санитарными нормами и правилами устройства и эксплуатации лазеров» утверждёнными Минздравом СССР в 1981г. Нормируемым параметром облучения прямым и отражённым лазерным светом является:
энергетическая экспозиция (Дж/см
).
Измерение лазерного излучения.
Контроль за соблюдением ПДУ осуществляется путём измерения или расчёта нормируемых параметров на рабочих местах. Измерения производятся не реже 2 раз в год, перпендикулярно лучам в нескольких местах рабочей зоны.
Расчёт энергетической освещённости на рабочем месте.
где
- плотность потока энергии в световом пучке, Вт/см
;
- угол расходимости луча, рад.;
- угол между нормалью к отражающей поверхности и направлением на оператора;
- коэффициент отражения поверхности;
R - расстояние от поверхности до оператора.
Из выражения следует, что энергетическая освещённость (Е) тем меньше, чем меньше отражение от мишени (
) и больше удаление от мишени (R).
Основные требования, чтобы
мишень должна быть из несгораемого материала с малым
(например асбоцемент).
Меры защиты от лазерного излучения.
Лазеры 2-3 классов
-
экранирование открытого луча лазера;
-
ограждение опасной зоны;
-
вынесение пульта управления из опасной зоны;
-
снабжение сигнальным устройством.
Экраны и ограждения - из материалов, непроницаемых для лазерного излучения, с минимальным коэффициентом отражения, огнестойкие (текстолит, полупрозрачное стекло, чёрная ткань).
Лазеры 4 класса
-
должны располагаться в отдельных помещениях;
-
ограждения, исключающие проникновение человека в зону прохождения луча;
-
ограждения, исключающие выход луча за пределы установки;
-
дистанционное управление;
-
блокировка входной двери.
Операторам запрещается вносить в зону луча блестящие предметы; запрещается визуальная юстировка 2 - 4 классов при работе лазера на излучение или в период зарядки конденсатора. Система юстировки снабжается оптическим защитным фильтром. ЗАПРЕЩАЕТСЯ: визуальный контроль попадания луча в мишень, направлять излучение на человека. Зоны с повышенной энергетической освещённостью отмечаются знаком опасности с надписью «Осторожно! Лазерное излучение».
Для защиты глаз используют очки с оптической плотностью до 9Б (ослабление в 10
раз). К работе с лазерами допускаются лица не моложе 18 лет, специально обученные по ТБ. Медосмотр 2 раза в год- терапевт, невропатолог; 1 раз в 3 месяца - окулист. Работы на лазерах - по нарядам, бригадой не менее 2
человек.















