Лк по БЖД (1023232), страница 3
Текст из файла (страница 3)
При надавливании грудины человека она сжимает сердце, выталкивает тем самым кровь из сердца в кровеносные сосуды. При отпускании грудины кровь вновь входит в сердце. Частота надавливаний- 60 раз в минуту. Место надавливания- на1-2 см выше окончания грудины.
Проверка эффективности проводится прекращением помощи на несколько секунд. При самостоятельном дыхании и пульсе помощь не возобновляют. В противном случае её продолжают до прибытия врача.
Признаками оживления являются: цвет лица- розовый, дыхание устойчивое, сужение зрачков(указывает на питание мозга кислородом).
Врач возобновляет нормальную работу сердца с помощью дефибрилятора: 2 электрода на область сердца наклеивают со стороны груди и спины. Осуществляют разряд конденсатора за время 0.01 мс при напряжении 4.5-6 кВ. Этим обеспечивается ток значением 15-20 А, который прекращает хаотическое сокращение сердца, восстанавливает ритмичные.
Средства и способы электрозащиты
Защитные средства и способы должны выполнять следующие функции:
-
Не допускать прикосновение человека к токоведущим элементам электроустановки
-
Не допускать появление напряжения на элементах электроустановок, на которых это напряжение должно отсутствовать при нормальном режиме эксплуатации.
-
Защищать человека при прикосновении к токоведущим частям.
-
Защищать при прикосновении к нетоковедущим частям, оказавшимся под напряжением
Все защитные меры по их принципам действия можно разделить на 3 группы:
-
Обеспечение недоступности токоведущих частей оборудования;
-
Снижение напряжения прикосновений до допустимых;
-
Ограничение времени воздействия электрического тока на организм человека.
По характеру защитные меры можно подразделить:
-
организационные – определяющие вероятность прикосновения человека к электроустановке (инструктаж, организация рабочего места, режим труда, применение СИЗ, плакаты, сигнализация и т.д.);
-
организационно-технические – определяющие вероятность появление напряжения на электроустановках (изоляция, ограждение токоведущих частей электроустановок, применение блокировок, переносные заземлители);
-
технические – определяющие вероятность того, что ток, проходящий через человека, не превысит допустимого значения:
-
применение малых напряжений
-
электрическое разделение сетей
-
контроль и профилактика изоляции
-
компенсация емкостных токов утечки
-
защитные заземления.
-
зануление (защитное зануление)
-
защитное отключение
-
двойная изоляция
-
защита от перехода высокого напряжения на сторону низкого напряжения
-
Эти способы применят отдельно или в сочетании, в зависимости от номинального значения напряжения, рода тока, режима нейтрали и возможных условий включений человека в цепь.
С точки зрения электробезопастности электроустановки подразделяются:
-
по напряжению
-
до 1000 В
-
свыше 1000 В;
-
по режиму нейтрали
-
с изолированной нейтралью
-
с заземлённой нейтралью
Способы и средства электрозащиты (ГОСТ 12.1.019-79)
-
Изоляция токовопроводящих частей электроустановок (рабочая, дополнительная, усиленная, двойная с устройством её непрерывного контроля.)
-
Компенсация емкостных токов
-
Защитное заземление
-
Зануление
-
Защитное отключение с самоконтролем
-
Выравнивание потенциалов
-
Малое напряжение (42 В переменного, 110 постоянного тока)
-
Электрическое разделение сетей
-
Ограждения
-
Сигнализация, блокировка, знаки безопасности
-
Средства индивидуальной защиты
Эти способы и средства применяют отдельно или в сочетании в зависимости от Uном, рода тока, режима нейтрали трансформатора, возможных включений человека в цепь тока (двухфазное, однофазное прикосновение к токоведущим частям, попадание под напряжение в зоне растекания тока).
Лекция №3 (продолжение темы №2).
Токи замыкания в цепи.
1. Двухфазное (двухполюсное) прикосновение к токоведущим частям.
|
| При прикосновении к двум точкам с U образуется замкнутая электрическая цепь и через тело человека проходит ток. Его величина зависит от параметров сети и | ||
| Рис.3. | |||
| ток смертельно опасен | |||
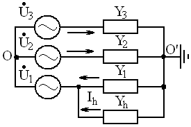
2. Однофазное прикосновение к токоведущим частям.
а) сеть с заземленной нейтралью:
б) сеть с изолированной нейтралью:
|
| Цепь тока замыкается через тело человека, землю и далее через сопротивления изоляции и емкости фаз. |
R и C распределенные в сети параметры, обусловленные активной проводимостью изоляции и емкостью фаз относительно земли. На схемах условно эти параметры заменяют сосредоточенными.
Определим ток
через тело человека.
В симметричном режиме сети
(где
фазный оператор) можно записать (после преобразований)
Ток через тело человека.
Или (выражая через сопротивления
и
)
В действительной форме этот ток равен
Частные случаи.
а)
;
(короткие линии) тогда
,
.
Ток через человека в действительной форме равен
б)
и
(что может иметь место в кабельных сетях)
Ток через человека в действительной форме равен
В ПУЭ нормируется
на 1 фазу на одном участке:
- цепи управления, вторичная коммутация
.
Для случаев а) и б) изменение тока через тело человека в зависимости, соответственно, от
и С показано на рисунках:
а) б)
Для определения критического сопротивления изоляции (из расчета длительно – допустимого тока – для 3с
) используют выражение (10)
Контроль изоляции.
Для контроля применяют:
-
Измерение
в отключенной установке один раз в год, а также вне очереди при обнаружения дефектов и после ремонта.
-
Испытание повышенным напряжением в отключенной установке, т.е. испытывают эл. прочность изоляции (способность выдерживать рабочее напряжение) и выявляют дефекты.
а) Метод 3-х вольтметров.
| Рис.10. |
|
В сеть между каждой фазой и землей включают вольтметры с большим омическим сопротивлением. Способ наиболее простой, но имеет недостатки:
-
на показания вольтметров оказывают влияние емкостные составляющие сопротивлений изоляции.
б) Метод наложения оперативного тока на рабочий.
| | |
| Рис.11. | |
Ток утечки зависит от состояния изоляции
Преимущества: схема реагирует на симметричное и несимметричное снижение
; имеется сигнализация о предельно – допустимом снижении
; входное сопротивление схемы высокое, что обеспечивает надежность.
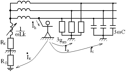
Компенсация емкостных токов.
Протяженные сети, кабельные линии обладают большой емкостью фаз относительно земли (
) и большим сопротивлением изоляции фаз
.
Изменение тока
при увеличении С показано на рисунке 9-б. При больших емкостях фаз ток опасен даже при
.
Для компенсации емкостной составляющей тока через человека в нейтраль или на каждую фазу включают индуктивное сопротивление – дроссель.
При полной компенсации ток
равен
















