Лекция 5 (1023223)
Текст из файла
Лекция №5
Тема: Защита от облучения электромагнитной энергией радиочастот.
Воздействие электромагнитных полей (ЭМП) на человека и нормирование.
Действие ЭМП на человека тем значительнее, чем выше напряжённость поля, частота излучения и длительность воздействия. При облучении происходит нагрев тела с повышением его температуры. Нарушается работа сердечно-сосудистой системы. Жалобы на боли в сердце, нарушение сна, головная боль, быстрое утомление, раздражительность, потеря памяти. Большинство изменений накапливается. Предельно допустимые уровни (ПДУ) облучений установлены в зависимости от частоты излучения ЭМП условно подразделяют на 3 вида:
| Вид ЭМП | F,МГц | ,м |
| вч | 0,0330 | 1000010 |
| увч | 30300 | 101 |
| свч | 300300000 | 10,001 |
ЭМП любой частоты имеет 3 условные зоны в зависимости от расстояния X до источника:
-
Зону индукции (пространство с радиусом Х 2);
-
Промежуточную зону (зону дифракции);
-
Волновую зону, Х2
Рабочие места вблизи источников ВЧ полей попадают в зону индукции. Для таких источников уровни облучений нормированы величиной напряжённости электрического Е(Вм) и магнитного Н(А/м) полей.
ГОСТом 12.1.006-84 установлены ПДУ на рабочем месте в течении всего рабочего дня:
Работающие с генератором СВЧ попадают в волновую зону. В этих случаях ПДУ облучения нормируется по плотности потока мощности (мВт / см²).
ПДУ для СВЧ установлены в зависимости от длительности облучения:
| Длительность облучения | , мВТ/см² |
| 7 часов | 0,01 |
| Менее 2 часов | 0,1 |
| Менее 20 минут | 1(с очками) |
Контроль облучения.
Производят не реже 1 раза в год, измеряя Е, Н, .
Датчиками для измерения являются: диполь (для Е); рамка (для Н); рупорная антенна (для ).
Способы и средства защиты от ЭМ облучений.
-
Экранирование источника или рабочего места.
-
Защита расстоянием (удаление рабочего места от источника).
-
СИЗ (средства индивидуальной защиты).
-
Рациональное размещение излучающего оборудования в помещение, позволяющее обеспечить минимум направленности прямой и отражённой энергии на рабочее место.
-
Сигнализация о превышении ПДУ облучения (сигнализатор типа П2-2).
-
Ограничение длительности работы персонала и оборудования.
Экранирование.
Для отражающих экранов используют металлы (медь, латунь, алюминий, сталь), имеющие высокую проводимость. Экраны в виде: листов толщиной 0,5 мм (или по расчёту); сетки из проволоки 0,11,0 мм с ячейками 11, 1010 мм (в зависимости от , нужно ). Форма экранов: замкнутые (камеры); незамкнутые (щит, П-образный, полусфера и т.п.).
При использовании экранов ЭМ энергия поглощается в поверхностном слое металла, частично отражаясь в сторону источника. Основная характеристика экрана - эффективность экранирования, т.е. степень ослабления ЭМП.
Экранирование высокочастотных термических установок.
Рабочий элемент-конденсатор.
Расчёт заключается в определении размеров экрана. В качестве экрана может быть использован, например, замкнутая труба квадратного сечения.
а) продольное и б) поперечное сечение экрана.
Напряжённость электрического поля Е ослабляется экраном и убывает обратнопропорционально квадрату расстояния (Х) от источника до оператора.
Отсюда соотношение геометрических размеров экрана:
где
– напряжённость на рабочем месте.
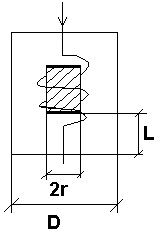
Рабочий элемент-индуктор.
Экран - замкнутый цилиндр с диаметром D.
где I, r, n - ток, радиус индуктора, число его витков;
x - расстояние до рабочего места.
Защита от СВЧ энергии.
При снятии характеристик РЛС для ослабления облучения к волноводу подключат поглощающую нагрузку - порошковое железо, граффито - цементный наполнитель и др.
От утечек энергии защищаются металлическими экранами замкнутого и незамкнутого типа. Металлы отражают практически всю падающую на них энергию, существенно отражают и др. металлы. Частично отражённую от экранов, оборудования энергию поглощают с помощью покрытий из непроводящих материалов (каучук, поролон и др., с проводящими добавками), где энергия рассеивается в виде тепловых потерь.
Коэффициент отражения:
Другой вид поглощающих покрытий действует по принципу вычитания амплитуд прямой и запаздывающей отражённых волн. Это интерференционные поглощающие покрытия. Сдвиг по фазе достигается за счёт толщины покрытия, которая должна быть равной нечётному n
числу четвертей волны ЭМЭ (n=1,3,5…).
Равенство амплитуд получают за счёт материала, в качестве которого используют резину, обработанную ферромагнитным порошком железа.
Защита от облучения при настройке и испытаниях СВЧ установок.
Настройку выполняют в закрытых камерах - экранах, требование к которым следующие:
-
При работе на полную мощность утечка энергии не должна превышать
; -
Управление установкой - дистанционное;
-
Применение блокировки дверей (автоматически снимает напряжение при открытии дверей);
-
Вентиляционные, смотровые отверстия, рукоятки управления должны быть защищены от утечек энергии в окружающую среду.
Способы защиты от утечек сквозь отверстия.
|
| а) |
| б) |
|
|
1 - стенка установки или экрана;
2 - труба длиною L;
3 - сетка с мелкими ячейками на входе и выходе из трубы;
4, 5 - сечение трубы в виде - сот или круглое.
а) Защита в виде сеток на входе и выходе. Размер ячейки сетки . Сетка подбирается из таблиц в зависимости от мощности и длины волны.
б) Внутри трубы по всей длине размещается решётка из металлических сот L.
Соотношение размеров решётки:
в) Открытая труба - цилиндр с размерами:
Защита рабочего места и помещений.
При невозможности экранировать источник и защититься от утечки, экранируют рабочее место, используя эластичные материалы для чехлов, спецодежды (х/б ткань с металлическим проводом в виде сетки с ячейкой
0,5 мм). Площадь нормируется от 40 до 70 м
в зависимости от мощности источника. Металлические предметы и оборудование, отражающие предметы и оборудование, отражающие утечки энергии, удаляют.
Профилактика: медосмотры 1 раз в год; дополнительный отпуск - 12 рабочих дней; сокращённый рабочий день - при превышении ПДУ.
Лазер.
Лазер - оптический квантовый генератор (ОКГ). Генерирует электромагнитные волны ультрафиолетового, видимого и инфракрасного диапазонов. Основные элементы ОКГ: рабочее вещество (монокристалл - рубин, газ- гелий и др.) с оптическим резонатором из параллельных зеркал; источник энергии - лампа, дающая мощные вспышки яркости 4*10
кд/м
в течение 1-90мс или ЭМП ВЧ или УВЧ (для газа).
Воздействие лазерного излучения на человека.
Работа лазера сопровождается воздействием вредных факторов: лазерным излучением; слепящим светом ламп; выделением озона, окислов азота из воздуха; вредных веществ из мишени и др. Энергия излучения лазера поглощается в тканях тела человека, вызывая его нагрев и функциональные расстройства. Местное воздействие выражается в ожогах кожи и глаз. Луч света очень опасен для глаз - он почти без потерь проходит через жидкие среды глазного яблока и поражает сетчатку. Опасны также лучи, отраженные от любой даже незеркальной поверхности. Общее воздействие выражается в виде расстройства центральной нервной системы, сердечно- сосудистой системы, мозгового кровообращения.
Нормирование лазерного излучения.
ПДУ лазерного облучения установлены «Санитарными нормами и правилами устройства и эксплуатации лазеров» утверждёнными Минздравом СССР в 1981г. Нормируемым параметром облучения прямым и отражённым лазерным светом является:
энергетическая экспозиция (Дж/см
).
Измерение лазерного излучения.
Контроль за соблюдением ПДУ осуществляется путём измерения или расчёта нормируемых параметров на рабочих местах. Измерения производятся не реже 2 раз в год, перпендикулярно лучам в нескольких местах рабочей зоны.
Расчёт энергетической освещённости на рабочем месте.
где
- плотность потока энергии в световом пучке, Вт/см
;
Характеристики
Тип файла документ
Документы такого типа открываются такими программами, как Microsoft Office Word на компьютерах Windows, Apple Pages на компьютерах Mac, Open Office - бесплатная альтернатива на различных платформах, в том числе Linux. Наиболее простым и современным решением будут Google документы, так как открываются онлайн без скачивания прямо в браузере на любой платформе. Существуют российские качественные аналоги, например от Яндекса.
Будьте внимательны на мобильных устройствах, так как там используются упрощённый функционал даже в официальном приложении от Microsoft, поэтому для просмотра скачивайте PDF-версию. А если нужно редактировать файл, то используйте оригинальный файл.
Файлы такого типа обычно разбиты на страницы, а текст может быть форматированным (жирный, курсив, выбор шрифта, таблицы и т.п.), а также в него можно добавлять изображения. Формат идеально подходит для рефератов, докладов и РПЗ курсовых проектов, которые необходимо распечатать. Кстати перед печатью также сохраняйте файл в PDF, так как принтер может начудить со шрифтами.
















