Лекция 3 (1023220)
Текст из файла
Лекция №3 (продолжение темы №2).
Токи замыкания в цепи.
1. Двухфазное (двухполюсное) прикосновение к токоведущим частям.
|
| При прикосновении к двум точкам с U образуется замкнутая электрическая цепь и через тело человека проходит ток. Его величина зависит от параметров сети и | ||
| Рис.3. | |||
| ток смертельно опасен | |||
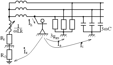
2. Однофазное прикосновение к токоведущим частям.
а) сеть с заземленной нейтралью:
б) сеть с изолированной нейтралью:
|
| Цепь тока замыкается через тело человека, землю и далее через сопротивления изоляции и емкости фаз. |
R и C распределенные в сети параметры, обусловленные активной проводимостью изоляции и емкостью фаз относительно земли. На схемах условно эти параметры заменяют сосредоточенными.
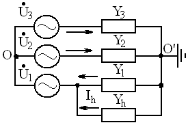
Определим ток
через тело человека.
В симметричном режиме сети
(где
фазный оператор) можно записать (после преобразований)
Ток через тело человека.
Или (выражая через сопротивления
и
)
В действительной форме этот ток равен
Частные случаи.
а)
;
(короткие линии) тогда
,
.
Ток через человека в действительной форме равен
б)
и
(что может иметь место в кабельных сетях)
Ток через человека в действительной форме равен
В ПУЭ нормируется
на 1 фазу на одном участке:
- цепи управления, вторичная коммутация
.
Для случаев а) и б) изменение тока через тело человека в зависимости, соответственно, от
и С показано на рисунках:
а) б)
Для определения критического сопротивления изоляции (из расчета длительно – допустимого тока – для 3с
) используют выражение (10)
Контроль изоляции.
Для контроля применяют:
-
Измерение
в отключенной установке один раз в год, а также вне очереди при обнаружения дефектов и после ремонта.
-
Испытание повышенным напряжением в отключенной установке, т.е. испытывают эл. прочность изоляции (способность выдерживать рабочее напряжение) и выявляют дефекты.
а) Метод 3-х вольтметров.
| Рис.10. |
|
В сеть между каждой фазой и землей включают вольтметры с большим омическим сопротивлением. Способ наиболее простой, но имеет недостатки:
-
на показания вольтметров оказывают влияние емкостные составляющие сопротивлений изоляции.
б) Метод наложения оперативного тока на рабочий.
| | |
| Рис.11. | |
Ток утечки зависит от состояния изоляции
Преимущества: схема реагирует на симметричное и несимметричное снижение
; имеется сигнализация о предельно – допустимом снижении
; входное сопротивление схемы высокое, что обеспечивает надежность.
Компенсация емкостных токов.
Протяженные сети, кабельные линии обладают большой емкостью фаз относительно земли (
) и большим сопротивлением изоляции фаз
.
Изменение тока
при увеличении С показано на рисунке 9-б. При больших емкостях фаз ток опасен даже при
.
Для компенсации емкостной составляющей тока через человека в нейтраль или на каждую фазу включают индуктивное сопротивление – дроссель.
При полной компенсации ток
равен
где
- проводимость дросселя (
=
+
)
Ток
зависит только от активных сопротивлений
и
.
| Требуемая для полной компенсации индуктивность дросселя находится из условия | |
| Рис.14. Зависимость Ih(c) | |
Защитное заземление.
Однофазные замыкания на корпус создают опасные потенциалы на нем и возле него из-за растекания тока с основания на землю. Существуют три способа защиты от поражения:
- автоматическое отключение за время менее допустимого; этот способ называется защитным отключением;
- снижение потенциала на корпусах до допустимой величины путем защитного заземления;
- зануление – обеспечивает автоматическое отключение и снижение потенциала на корпусах до допустимой величины.
В сетях с изолированной нейтралью токи замыкания (в случае попадания напряжения на корпус) недостаточны по величине для срабатывания автоматического отключения. Поэтому в таких сетях используют защитное заземление.
Нормирование заземлений по ГОСТ 12.1.030-81. Заземление применяется при
в сетях с изолированной нейтралью, при
- в сетях с любым режимом нейтрали.
Заземление обязательно при
во всех случаях; при
в помещениях особо опасных и с повышенной опасностью; независимо от U во взрывоопасных помещениях.
С целью обеспечения надежного контакта с землей корпуса, оболочки машин, аппаратов соединяют с заземлителем, находящимся в земле.
В этом случае при попадании фазы на корпус он окажется под напряжением
Ток через тело человека при прикосновении к корпусу будет равен.
Потенциал и сопротивление заземлителей.
Рассмотрим методику определения распределения потенциала в зоне растекания тока с заземленного корпуса и сопротивления заземлителя на примере полусферического заземлителя (считаем грунт однородным, а значит растекание тока замыкания равномерным по радиальным направлениям).
| В грунте под воздействием растекающегося тока создается электрическое поле с напряженностью Е. Плотность тока | |
| Рис.16. |
Напряженность электрического поля определяется по выражению:
т.е. он убывает по гиперболическому закону с увеличением расстояния x.
Из анализа зависимости
следует:
- при
. (зоной нулевого потенциала называется участок земли, где
малозаметен -
);
Напряжение зз. называется падение напряжения на сопротивлении земли между зз. и зоной нулевого потенциала. Сопротивлением заземления называется сопротивление земли возле зз:
Сопротивление зз. зависит от
грунта, формы зз. и его размеров.
При расчете зз.
измеряют на месте их сооружения.
Характеристики
Тип файла документ
Документы такого типа открываются такими программами, как Microsoft Office Word на компьютерах Windows, Apple Pages на компьютерах Mac, Open Office - бесплатная альтернатива на различных платформах, в том числе Linux. Наиболее простым и современным решением будут Google документы, так как открываются онлайн без скачивания прямо в браузере на любой платформе. Существуют российские качественные аналоги, например от Яндекса.
Будьте внимательны на мобильных устройствах, так как там используются упрощённый функционал даже в официальном приложении от Microsoft, поэтому для просмотра скачивайте PDF-версию. А если нужно редактировать файл, то используйте оригинальный файл.
Файлы такого типа обычно разбиты на страницы, а текст может быть форматированным (жирный, курсив, выбор шрифта, таблицы и т.п.), а также в него можно добавлять изображения. Формат идеально подходит для рефератов, докладов и РПЗ курсовых проектов, которые необходимо распечатать. Кстати перед печатью также сохраняйте файл в PDF, так как принтер может начудить со шрифтами.















