Лк по БЖД (1023232), страница 4
Текст из файла (страница 4)
где
- проводимость дросселя (
=
+
)
Ток
зависит только от активных сопротивлений
и
.
| Требуемая для полной компенсации индуктивность дросселя находится из условия | |
| Рис.14. Зависимость Ih(c) | |
Защитное заземление.
Однофазные замыкания на корпус создают опасные потенциалы на нем и возле него из-за растекания тока с основания на землю. Существуют три способа защиты от поражения:
- автоматическое отключение за время менее допустимого; этот способ называется защитным отключением;
- снижение потенциала на корпусах до допустимой величины путем защитного заземления;
- зануление – обеспечивает автоматическое отключение и снижение потенциала на корпусах до допустимой величины.
В сетях с изолированной нейтралью токи замыкания (в случае попадания напряжения на корпус) недостаточны по величине для срабатывания автоматического отключения. Поэтому в таких сетях используют защитное заземление.
Нормирование заземлений по ГОСТ 12.1.030-81. Заземление применяется при
в сетях с изолированной нейтралью, при
- в сетях с любым режимом нейтрали.
Заземление обязательно при
во всех случаях; при
в помещениях особо опасных и с повышенной опасностью; независимо от U во взрывоопасных помещениях.
С целью обеспечения надежного контакта с землей корпуса, оболочки машин, аппаратов соединяют с заземлителем, находящимся в земле.
В этом случае при попадании фазы на корпус он окажется под напряжением
Ток через тело человека при прикосновении к корпусу будет равен.
Потенциал и сопротивление заземлителей.
Рассмотрим методику определения распределения потенциала в зоне растекания тока с заземленного корпуса и сопротивления заземлителя на примере полусферического заземлителя (считаем грунт однородным, а значит растекание тока замыкания равномерным по радиальным направлениям).
| В грунте под воздействием растекающегося тока создается электрическое поле с напряженностью Е. Плотность тока | |
| Рис.16. |
Напряженность электрического поля определяется по выражению:
т.е. он убывает по гиперболическому закону с увеличением расстояния x.
Из анализа зависимости
следует:
- при
. (зоной нулевого потенциала называется участок земли, где
малозаметен -
);
Напряжение зз. называется падение напряжения на сопротивлении земли между зз. и зоной нулевого потенциала. Сопротивлением заземления называется сопротивление земли возле зз:
Сопротивление зз. зависит от
грунта, формы зз. и его размеров.
При расчете зз.
измеряют на месте их сооружения.
Сопротивление одиночных заземлителей.
В качестве таких зз. применяют :
а) вертикальные электроды длинной
, диметром
(трубы при
)
б) горизонтальные полосы, их закладывают в траншеи глубиной
; L – длина полосы; b - ширина
Проектирование зз. по допустимому
.
На заданной площади подбирают и рассчитывают конструкцию зз. (размеры и число электродов) таким образом, чтобы выполнялось неравенство:
Применяются следующие конструкции зз.:
где S – площадь зз.;
l, n – длина и число вертикальных электродов;
L – общая длина горизонтальных полос;
t – глубина из заложения в землю.
| 2. |
| где |
| Рис.18. Полоса с вертикальными электродами. | ||
| 3. |
| где |
| Рис.19. Вертикальные электроды без полосы связи в земле. | ||
n – число в.з.
- коэффициенты использования вертикальных электродов; учитывает явление взаимного экранирования полей при растекании тока с электродов.
Для самостоятельной работы:
Лекция №4 (продолжение темы №2).
Напряжение прикосновения и шага.
- это разность потенциалов двух точек цепи тока, которых одновременно касается человек.
В сложных зз.
определяется как часть
:
где
- коэффициент (еще b,d,x) напряжения прикосновения определяется из таблиц(он учитывает форму потенциальной кривой).
Напряжением шага называется разность потенциалов двух точек в местах опоры ступеней ног.
В грунтах с
или при малых площадях зз. невозможно обеспечить
.
|
| Согласно ГОСТ 12.1.030-81 вблизи рабочих мест |
| Рис.21. Зависимость R3 от площади зз. | |
В указанных условиях можно обеспечить
с помощью увеличения частоты сетки, исходя из уравнения:
Контроль зз. производят не реже 2 раз в год. Сопротивление зз. измеряют по схеме:
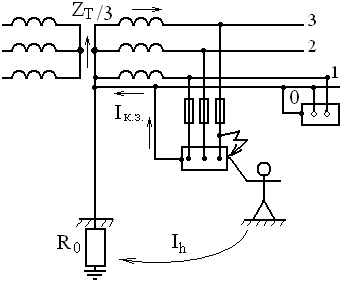
Зануление.
Зануление применяют в сетях с глухозаземленной нейтралью напряжением до 1000В.
Назначение зануления - устранение опасности поражения током в случае прикосновения к металлическим нетоковедущим частям, оказывающимся под напряжением.
Принцип действия защиты занулением заключается в автоматическом отключении поврежденного участка и одновременно – в снижении
корпуса на время, пока не сработает отключающий аппарат (max токовая защита).
|
|
Рис.23. Схема зануления а) принципиальная; б) замещения. |
Основные требования к занулению – обеспечить надежное и быстрое (доли секунды) срабатывание защиты для отключения поврежденного оборудования. Для этого необходимо обеспечить условие:
где
- номинальный ток плавного предохранителя или ток установки (срабатывания) автоматического отключения аппарата;
k – коэффициент надежности срабатывания.
Нормирование зануления (ГОСТ 12.1.030 - 81):
а) Сопротивление нулевого проводника
б) сопротивление рабочего заземлителя
в) коэффициент надежности:
- для автоматических выключателей с электромагнитным расцепителем (осечкой)
.
Расчет зануления.
Заключается в выборе нулевого защитного проводника с сопротивлением, обеспечивающим требуемый ток короткого замыкания и выборе отключающего аппарата, время срабатывания которого
.
Ток к.з. в комплексной форме
- сопротивление трансформатора комплексное (принимается из таблицы).
В расчетах допустимо использовать формулу:
где
- удельное сопротивление проводника для Cu – 0,018
,
l – длина проводника (м);
















