Лк по БЖД (1023232), страница 5
Текст из файла (страница 5)
и
- для медных и алюминиевых проводников сравнительно малы (
), ими можно пренебречь.
- взаимное индуктивное сопротивление петли «фаза – нулевой проводник»
В практических расчетах удельное взаимное индуктивное сопротивление
При прокладке нулевых проводов кабелем или в стальных трубах
можно пренебречь.
Без защитного зануления
; с занулением
.
Для выбранного нулевого защитного проводника ток через человека
Время отключения поврежденного участка цепи
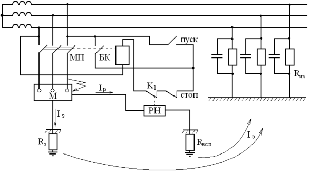
Повторные заземлители.
Применяют для снижения напряженности на корпусе относительно земли в момент прохождения тока к.з. и особенно при обрыве нулевого защитного проводника. Повторное заземление выполняют путем заземления нулевого защитного проводника на вводе здания и на концах питающей ЛЭП. Общее сопротивление повторных заземлителей нулевого защитного проводника должно быть:
Повторное и рабочее заземления действуют как делитель напряжения.
При замыкании фазы на корпус и отсутствии обрыва ток через человека при использовании повторного заземлителя
При обрыве нулевого защитного проводника
|
|
Рис.23. Схема зануления а) принципиальная; б) замещения. |
Контроль заземления.
Не менее 1раза в год измеряют и определяют следующие параметры:
- сопротивление петли;
. Измеренные значения сравнивают с допустимыми по нормам.
Защитное отключение.
Защитное отключение (а.з.о.) – быстродействующая защита, обеспечивающая автоматическое отключение электроустановки при возникновении опасности поражения человека током.
В основе З.О. лежит принцип ограничения времени протекания тока через человека. Наибольшее распространение получили З.О. с
,
.
Основные требования к а.з.о.
время отключения а.з.о. складывается из времени срабатывания прибора з.о. (реле
) и времени срабатывания собственного автомата (0,06с электромагнитного и
с теплового)
;
б) надежность, т.е. отсутствие отказов, а также ложных срабатываний;
в) высокая чувствительность, т.е. способность реагировать на малые изменения входного сигнала;
г) селективность – отключение только аварийного участка;
д) самоконтроль, а.з.о. могут применятся в сетях любого напряжения с любым режимом нейтрали (больше – до 1000В).
Принцип построения схем а.з.о. зависит от типа входного сигнала, поступающего к датчику:
- напряжение на корпусе (прямого действия);
- напряжение нулевой последовательности (косвенного действия);
- ток нулевой последовательности (косвенного действия);
- ток замыкания на землю (прямого действия);
- комбинированные.
Применяется в СССР:
- в передвижных устройствах;
- как дополнительная мера к защите заземления и заземления;
- в электроинструментах.
Пример: удар током от прикосновения к троллейбусу (если есть утечка на корпус). Ежегодно от этого гибнет около 50 человек.
Схема а.з.о. (вх. сигнал – напряжение на корпусе). Схема осуществляет защиту от глухих замыканий на землю и пригодна для сетей с изолированной и заземленной нейтралью, любого напряжения.
Такие схемы могут применятся только совместно с заземлением или другими мерами защиты. Напряжение срабатывания
, при этом
воздействует на реле
, нормально – замкнутые контакты
которого размыкаются и отключают МП.
Достоинства - простая.
Недостатки:
-
нет контроля исправности и самоконтроля;
-
трудности с селективностью при общем заземлении;
-
требуются вспомогательные заземления.
Схема а.з.о. (входной сигнал – ток нулевой последовательности). В этой схеме датчиком является трансформатор тока нулевой последовательности ТТНЛ. Первичная обмотка ТТНЛ – три фазных провода (1), вторичная обмотка (2) намотана на кольцевом магнитопроводе (3).
|
Схема а.з.о. по току н.п. а) принципиальная б) ТТНП |
|
Схемы этого типа осуществляют защиту от глухих (
) или неполных (
) замыканий на землю.
Назначение – обеспечить безопасность при прикосновении и заземлении или занулении корпуса при попадании ан него фазы или при прикосновении к токоведущим частям электроустановки.
В нормальном режиме геометрическая сумма токов трех фаз равна нулю
. При замыкании на корпус симметрия токов нарушается
.
Реле тока Т срабатывает при
и отключается с помощью МП оборудованное М.
Схема имеет:
-
высокое быстродействие;
-
чувствительность;
-
обеспечивает селективность;
-
не зависит от сопротивления заземления;
-
пригодность для схем с заземленной и изолированной нейтралью (
).
Прочие способы электрозащиты.
1)Использование малого напряжения.
- переменный ток
, а в помещениях особоопасных
, с повышенной опасностью
;
2) Электрическое разделение сетей.
Питание оборудования от специального разделительного трансформатора, который отделяет электрический приемник от первичной разветвленной протяжной сети (с большой емкостью и малым активным сопротивлением).
3)Оградительные устройства.
Обеспечивают недоступность токопроводящих частей для случайного прикосновения к ним.
4)Блокировка (механическая, электрическая).
Препятствует проникновению человека в опасную зону или устраняет опасность на время пребывания человека в этой зоне.
5)Предписывающие плакаты.
Предупреждающие: «Под напряжением. Опасно для жизни!»
Запрещающие: «Не влезай, убьет».
Разрешающие: «Работать здесь».
6) Двойная изоляция.
Состоит из рабочей и дополнительной, которая служит для защиты человека от поражения электрическим током в случае повреждения рабочей. Рабочая -
.
Усиленная рабочая изоляция обеспечивает такую же защиту, как двойная – 5МОм.
7) Средства индивидуальной защиты.
Основные СИЗ выдерживают рабочее напряжение. В эл. установках до 1000В к ним относятся :
- инструмент с изолированными рукоятками;
- диэлектрические перчатки;
- указатели напряжения.
Дополнительные СИЗ защищают от напряжения шага – коврики, боты.
Производство работ в электроустановках, допуск и оформление работ строго регламентировано ПТБ.
Организационные меры электрозащиты.
а) наряд или устное распоряжение с записью в журнал; в наряде указывают состав бригады, квалификацию по ТБ, меры электрозащиты, лицо ответственное за безопасность;
б) допуск бригады к работе (дежурный указывает отключенный участок и показывает, что напряжение отсутствует указателем или рукой);
в) надзор за бригадой во время работы;
г) оформление переходов (на другие участки) и окончание работы.
Технические меры защиты.
Технические меры защиты обеспечивают безопасность персонала при выполнение работ с полным или частичным снятием напряжения с эл. установки.
а) отключение с видимым разрывом (или двойное);
б) вывешивание плакатов по ТБ (Например: «Не включать работают люди», «Работать здесь». И при необходимости установка временных ограждений.);
в) проверка отсутствия напряжения на токоведущих частях установки;
г) наложение временных заземлений.
Лекция №5
Тема: Защита от облучения электромагнитной энергией радиочастот.
Воздействие электромагнитных полей (ЭМП) на человека и нормирование.
Действие ЭМП на человека тем значительнее, чем выше напряжённость поля, частота излучения и длительность воздействия. При облучении происходит нагрев тела с повышением его температуры. Нарушается работа сердечно-сосудистой системы. Жалобы на боли в сердце, нарушение сна, головная боль, быстрое утомление, раздражительность, потеря памяти. Большинство изменений накапливается. Предельно допустимые уровни (ПДУ) облучений установлены в зависимости от частоты излучения ЭМП условно подразделяют на 3 вида:
| Вид ЭМП | F,МГц | ,м |
| вч | 0,0330 | 1000010 |
| увч | 30300 | 101 |
| свч | 300300000 | 10,001 |
ЭМП любой частоты имеет 3 условные зоны в зависимости от расстояния X до источника:
-
Зону индукции (пространство с радиусом Х 2);
-
Промежуточную зону (зону дифракции);
-
Волновую зону, Х2
Рабочие места вблизи источников ВЧ полей попадают в зону индукции. Для таких источников уровни облучений нормированы величиной напряжённости электрического Е(Вм) и магнитного Н(А/м) полей.
ГОСТом 12.1.006-84 установлены ПДУ на рабочем месте в течении всего рабочего дня:
Работающие с генератором СВЧ попадают в волновую зону. В этих случаях ПДУ облучения нормируется по плотности потока мощности (мВт / см²).















