17 Газовый лазер (He-Ne) (1013258)
Текст из файла
| Московский авиационный институт |
| Лабораторная работа «Исследование квантового генератора Утверждено кафедрой 408 как учебно-методическое руководство |
| Москва |
В работе исследуются свойства лазерного излучения, а также основные параметры и характеристики гелий-неонового лазера, генерирующего непрерывное когерентное излучение в видимой красной части спектра
(λ = 0,6328 мкм).
Описание лабораторной установки.
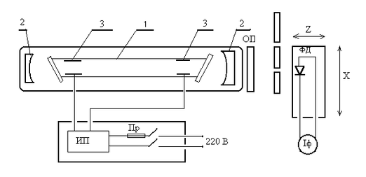
Лабораторная установка (рисунок 1) состоит из оптического квантового генератора (ОКГ), блока питания (БП), фотоприемника (ФП) на основе фотодиода с подключенным к нему микроамперметром и сменных оптических приборов (ОП): дифракционной решетки и поляроида. Перед фотоприемником имеется пластина со сменными диафрагмами: широкая - для измерения мощности излучения лазера и узкая – для измерения распределения мощности излучения лазера по поперечному сечению. Перечисленные элементы установки смонтированы на оптической скамье, позволяющей перемещать фотоприемник как вдоль, так и поперек лазерного луча, а также заменять оптические приборы, используемые для измерения длины волны излучения и снятия поляризационных характеристик.
Рисунок 1. Схема лабораторной установки.
Основным элементом генератора является газоразрядная трубка 1, размещенная в оптическом резонаторе между двух сферических зеркал 2. Оптические оси газоразрядной трубки и зеркал совмещены с высокой точностью, что обеспечивает многократное прохождение оптического луча через активную среду, в качестве которой в данной работе выступает газоразрядная плазма. Выходные окна газоразрядной трубки устанавливаются либо перпендикулярно к оси трубки, либо под углом Брюстера. В одной установке используется газоразрядная трубка с перпендикулярными выходными окнами (торцами), при этом условия прохождения колебаний для всех видов поляризаций одинаковы, в резонаторе излучение оказывается неполяризованным (лазер ЛГИ-207А). В другой установке используется газоразрядная трубка с выходными окнами, выполненными под углом Брюстера, что обеспечивает прохождение колебаний только определенной поляризации и, как следствие, формируется плоскополяризованное излучение. В качестве активной среды используется смесь атомарных газов гелия He и неона Ne, общее давление которой составляет примерно 1 мм рт. ст. Отношение парциальных давлений гелия He и неона Ne обычно составляет величину 5…15. Энергетическая накачка газовой смеси осуществляется посредством электрического тлеющего разряда на постоянном токе. Для этого внутри газоразрядной трубки смонтированы два полых цилиндрических электрода 3, соединенные с источником питания ИП. При подаче на электроды трубки рабочего напряжения между электродами создается статическое электрическое поле. Эмитированные с поверхности катода электроны увлекаются этим электрическим полем и движутся к аноду, сталкиваясь на своем пути с атомами гелия и неона, при этом электрон-атомные и атомные взаимодействия (столкновения) могут быть различными:
1. При соударении электрона с большой энергией с атомом он ионизируется и образуется положительно заряженный ион и дополнительный, свободный электрон.
2. При соударении электрона с малой энергией с атомом он может не ионизироваться, а, забрав у электрона некоторую часть его кинетической энергии, перейти в возбужденное состояние. Столкновение возбужденного атома с другим электроном может увеличить внутреннюю энергию атома, подняв его на более высокий энергетический уровень (ступенчатое возбуждение).
Оба вида электронного возбуждения атомов играют важную роль в процессе получения инверсной населенности в гелий-неоновом лазере.
3. При столкновении возбужденного атома (гелия) с невозбужденным атомом (неона) из за наличия уровней практически с одинаковой энергией происходит резонансная передача энергии от возбужденного к невозбужденному атому и атомы He и Ne обмениваются возбуждением.
Последний процесс обмена возбуждением является доминирующем в получении инверсии населенности в He-Nе лазере.
Другие возможные электрон – атомные взаимодействия не рассматриваются как несущественные для обеспечения индуцированного излучения.
Индуцированное излучение в исследуемом лазере генерируется только атомами неона, которые, находясь в возбужденном состоянии с энергией около 20 эВ, совершают излучательный переход в состояние с энергией около 18 эВ. Для возникновения индуцированного излучения на энергетическом уровне 20 эВ должна быть обеспечена инверсная населенность атомов неона по отношению к уровню с энергией 18 эВ.
В энергетическом спектре атомов неона, помимо указанного рабочего уровня 20 эВ, имеются еще четыре уровня с меньшими энергиями, причем самый низкий уровень возбуждения является метастабильным, с большим временем жизни возбужденных атомов. Время жизни на верхнем уровне очень мало (10-7с) поэтому получение инверсной населенности затруднительно. Распределение электронов по энергии в плазме неона таково, что основная часть электронов имеет энергию около 6 эВ, и лишь небольшое количество имеет требуемую для возбуждения атомов неона энергию около 20 эВ.
Поэтому в данном лазере используется дополнительный (буферный) газ – гелий, в энергетическом спектре которого самый нижний уровень возбуждения практически совпадает с верхним рабочим уровнем атомов неона и к тому же является метастабильным. Значит, на нем в процессе электронного возбуждения происходит накопление атомов гелия. Совпадение энергетических уровней атомов гелия и неона обеспечивает очень эффективный (резонансный) обмен энергией между этими атомами. Возбужденный атом гелия при встрече с невозбужденным атомом неона передает ему с высокой вероятностью свою энергию, возбуждая последний на верхний рабочий уровень, а сам переходит в основное невозбужденное состояние. Также эффективно может происходить передача энергии о неона к гелию. Но атомов гелия в смеси на порядок больше и их время жизни на используемом энергетическом уровне велико. Это обеспечивает преобладающую передачу энергии от атомов гелия атомам неона на их рабочий уровень. Таким образом, он заселяется сильнее, чем нижние энергетические состояния от возбуждения атомов неона электронами.
Еще одной особенностью гелий – неонового лазера является использование разрядной трубки малого поперечного сечения. Это обусловлено необходимостью обеспечения эффективного перехода атомов неона с нижнего метастабильного энергетического уровня в основное состояние. Такой переход осуществляется при соударении атомов неона со стенками трубки с выделением на них тепловой энергии.
Порядок выполнения работы
1. Включите тумблер "Сеть" и убедитесь в возникновении луча красного цвета.
2. Определите длину волны λ лазерного излучения. В работе λ измеряется дифракционным методом. Для этого перпендикулярно лазерному лучу устанавливается дифракционная решетка. После нее луч расщепляется на ряд веерообразных расходящихся лучей (смотрите рисунок 2), которые можно наблюдать в виде удаленных друг от друга по прямой линии световых пятен на листе бумаги, помещенном за дифракционной решеткой. Самое яркое центральное пятно соответствует основному, не отклоненному лучу и называется максимумом нулевого порядка (n = 0). Яркость боковых максимумов более высокого порядка (n =1;2;3…) монотонно падает при удалении их от основного пятна.
Угол дифракции φ (угол между основным лучом и лучем n порядка) зависит от расстояния α между штрихами решетки (для используемой в работе решетки α = 0,01 мм), от длины волны излучения и связан с ними соотношением
α·sinφ = n·λ,
откуда
Следовательно, для нахождения λ необходимо знать величину постоянной дифракционной решетки
α и измерить дифракционный угол φ.
Для максимума первого порядка (n = 1) угол φ мал и sin φ ≈ tg φ ≈ φ. Поэтому дифракционный угол φ можно определить по формуле
φ=Δx/Δz,
а длину волны λ по формуле:
где Δx - отношение разности координат первого максимума для двух разных плоскостей наблюдений; Δz – разность расстояний между этими плоскостями наблюдений; α - постоянная дифракционной решетки.
Принцип определения Δx и Δz пояснен на рисунке 2.
Для выполнения указанных измерений установите фотоприемную головку на минимальное расстояние от дифракционной решетки (zмин = z1). Затем перемещая фотоприемную головку вдоль оси x, перпендикулярной оси пучка, с помощью микрометрического винта определите координату первого максимума x1. После этого проделайте аналогичные измерения для z2 и z3 = zмакс. Определите относительные изменения расстояний (Δx1 =x2 – x1; Δx2 = x3 - x2; Δx3 = x3 – x1; Δz1 = z2 - z1; Δz2 = z3 – z2 ; Δz3 = z3 - z1).
Занесите эти значения (Δzi и Δxi) в таблицу 1 , рассчитайте значения λi и λср и также занесите результаты в таблицу 1.
Рисунок 2. Принцип определения Δx и Δz.
Таблица 1.
| Δzi мм | Δxi, мм | λi, мм | λср, мм |
По вычисленному значению λср определите энергию излучения кванта света на рабочем переходе
Е = h·ν =h·с0/ λср,
где h = 6,62·10-34Дж·с - постоянная Планка; с0 = 3·108 м/с - скорость света.
3. Измерьте распределения мощности излучения лазера по поперечному сечению и определите угол расходимости луча.
Для выполнения этого пункта уберите дифракционную решетку, поместите узкую диафрагму перед фотоприемником и установите приемную головку на расстояние Z1. Для увеличения точности Z1 выберите минимальным, а Z2 – максимальным. Затем совместите оптическое окно фотодиода с краем луча (Iф < 0.1·Iф макс), и перемещая головку поперек луча в направлении оси X до противоположного края луча, фиксируйте показания микроамперметра Iф в цепи фотодиода через каждые 0,1 мм.
Повторите аналогичные измерения для другого расстояния Z = Z2. Результаты измерений занесите в таблицу 2.
Таблица 2.
| Z = Z1, мм | |||||||||
| Xi, мм | |||||||||
| Iф i, мкА | |||||||||
| Z = Z2, мм | |||||||||
| Xi, мм | |||||||||
| Iф i, мкА | |||||||||
Постройте в одной системе координат зависимости Iф = f(X) для двух расстояний Z1 и Z2. По графикам на уровне половинной мощности (ток фотодиода Iф прямо пропорционален мощности падающего на него излучения лазера) определите диаметры луча d (при Z = Z1) и D (при Z = Z2) и вычислите угол его расходимости по формуле:
Характеристики
Тип файла документ
Документы такого типа открываются такими программами, как Microsoft Office Word на компьютерах Windows, Apple Pages на компьютерах Mac, Open Office - бесплатная альтернатива на различных платформах, в том числе Linux. Наиболее простым и современным решением будут Google документы, так как открываются онлайн без скачивания прямо в браузере на любой платформе. Существуют российские качественные аналоги, например от Яндекса.
Будьте внимательны на мобильных устройствах, так как там используются упрощённый функционал даже в официальном приложении от Microsoft, поэтому для просмотра скачивайте PDF-версию. А если нужно редактировать файл, то используйте оригинальный файл.
Файлы такого типа обычно разбиты на страницы, а текст может быть форматированным (жирный, курсив, выбор шрифта, таблицы и т.п.), а также в него можно добавлять изображения. Формат идеально подходит для рефератов, докладов и РПЗ курсовых проектов, которые необходимо распечатать. Кстати перед печатью также сохраняйте файл в PDF, так как принтер может начудить со шрифтами.
















