02 Динамические характеристики p-n переходов (1013229)
Текст из файла
| Московский авиационный институт |
| Лабораторная работа «Изучение динамических характеристик p-n переходов » Утверждено кафедрой 408 как учебно-методическое руководство |
| Москва |
Для исследования динамических характеристик p-n переходов в работе используются полупроводниковые (Ge , Si) диоды. В основе идеализированной модели диода для большого сигнала лежит модель p-n перехода, представленная эквивалентной схемой ( рис.1)
Рисунок 1.
На схеме диод VD моделируется вольт-амперной характеристикой (ВАХ), описываемой формулой I=I0[exp(u/φT) – 1], где I0 – тепловой ток; u–напряжение на переходе; φT = кТ/q – тепловой потенциал; k – постоянная Больцмана; Т – абсолютная температура; q – заряд электрона; φT = 0,026 В при Т = 300 К.
Тепловой ток I0 и сопротивление базы rБ являются статическими параметрами, а барьерная Сбар и диффузная Сдф емкости – динамическими параметрами диода.
Динамические параметры зависят от напряжения u на диоде VD.
Диффузионная емкость существенна при прямом напряжении и может быть выражена через ток диода:
,
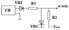
где τэф – эффективное время жизни неосновных носителей заряда в базе диода. Оно определяется экспериментально на специальной установке (рисунок 2).
Рисунок 2.
От генератора импульсов (ГИ) на исследуемый диод VD1 через токоограничительное сопротивление R1 и вспомогательный быстродействующий диод VD2 (с пренебрежимо малым по сравнению с VD1 временем восстановления обратного сопротивления) поступают положительные импульсы напряжения с амплитудой Uги. Изменение напряжения на диоде VD1 во времени UVD1(t) наблюдаются на осциллографе.
В момент времени t1 подается импульс напряжения и через некоторое время устанавливаются на диоде ток и напряжение, определяемые статическим режимом. В момент времени t2 напряжение на генераторе падает до нуля и начинается переходной процесс снижения напряжения на диоде VD1. Диод VD2 практически мгновенно запирается, отключая генератор импульсов от диода VD1. Ток через диод VD1 скачком уменьшается на величину Iпр = Uги/ R1, а напряжение на диоде UVD1 скачком уменьшается на величину ΔU = rБ·Uги/R1. Следовательно, сопротивление базы может быть определено не только из статических характеристик, но и из импульсных измерений при известных Uги и R1. При t2<t<t3 напряжение на диоде остается прямым и медленно уменьшается за счет рассасывания накопленных в базе неосновных носителей заряда. Эффективное время жизни носителей заряда в базе диода определяется по формуле:
, где δU и δt находятся в соответствии с рисунком 3.
При t>t3 диффузионная емкость уменьшается, основной становится барьерная емкость, и процесс разряда резко увеличивается.
Измерение барьерной емкости происходит на специальной установке.
ПОРЯДОК ВЫПОЛНЕНИЯ РАБОТЫ
-
Поставить исследуемый диод в установку для измерения времени жизни носителей заряда в базе диода. Изменяя амплитуду импульса Uги генератора импульсов, установить прямой ток Iпр=10 мА (Uги=40 В, так как R1=4кОм). Рекомендуемый масштаб по оси напряжений на экране осциллографа – 0,05 В/дел. Временная диаграмма напряжения на диоде показана на рисунке 3.
Рисунок 3.
Скачок ΔU=rб·Iпр обусловлен уменьшением падения напряжения на сопротивлении базы при изменении тока от Iпр до 0 в момент прохождения заднего фронта импульса. После окончания импульса происходит разряд диффузионной ёмкости. Зарисовать осциллограмму напряжения на диоде с указанием масштабов по осям. Найти сопротивление базы по формуле rб = ΔU/ Iпр и сравнить его со значением rб1, найденным ранее.
2. По осциллограмме найти эффективное время жизни носителей заряда в базе диода. Для этого на экране осциллографа "крупным планом" установить картинку, соответствующую интервалу времени t2-t3, и, выбрав на нем линейный участок, удобный для измерения интервал времени t, определить соответствующий ему интервал напряжений U. Рассчитать эффективное время жизни носителей заряда в базе диода по формуле:
3. Рассчитать диффузионную емкость диода для прямого тока 10 мА по формуле:
.
4. Присоединить диод к установке для измерения барьерной емкости и снять вольт-фарадную характеристику диода в диапазоне обратных напряжений 0…10 В. Рекомендуемые значения напряжений 0; -1; -3; -6;
-10 В. Для каждого значения напряжения ручкой Rбал (сопротивление балансировки) получить минимальное показание стрелочного прибора "Индикатор" и отсчитать значение емкости по лимбу "Отсчет". Построить вольт-фарадную характеристику диода.
Форма вольт-фарадной характеристики диода определяется законом распределения примесей в p-n переходе и аппроксимируется зависимостью:
п =.2…1– параметр, зависящий от типа p-n перехода (n=0,5 В для ступенчатого распределения примесей; n=0,3 В для линейного распределения примесей),
φ0 = 1 В – высота потенциального барьера перехода.
Параметр n определить методом наименьших квадратов по формуле:
где Ui –значения напряжений (отрицательные), выбранных при измерениях вольт-фарадной характеристики диода.
ОТЧЕТ
по лабораторной работе студент:
группа:
дата:
тема: ИЗУЧЕНИЕ ДИНАМИЧЕСКИХ ХАРАКТЕРИСТИК p-n ПЕРЕХОДОВ
-
Схема эксперимента.
-
Временная диаграмма напряжения на диоде.
-
Расчет параметров по временной диаграмме.
сопротивление базы rб= ΔU/ Iпр=
эффективное время жизни носителей
-
Диффузионная емкость диода при прямом токе 10mA.
-
Вольт-фарадная характеристика (ВФХ) диода.
-
Определение типа p-n перехода по параметру n.
Тип перехода:
7
Характеристики
Тип файла документ
Документы такого типа открываются такими программами, как Microsoft Office Word на компьютерах Windows, Apple Pages на компьютерах Mac, Open Office - бесплатная альтернатива на различных платформах, в том числе Linux. Наиболее простым и современным решением будут Google документы, так как открываются онлайн без скачивания прямо в браузере на любой платформе. Существуют российские качественные аналоги, например от Яндекса.
Будьте внимательны на мобильных устройствах, так как там используются упрощённый функционал даже в официальном приложении от Microsoft, поэтому для просмотра скачивайте PDF-версию. А если нужно редактировать файл, то используйте оригинальный файл.
Файлы такого типа обычно разбиты на страницы, а текст может быть форматированным (жирный, курсив, выбор шрифта, таблицы и т.п.), а также в него можно добавлять изображения. Формат идеально подходит для рефератов, докладов и РПЗ курсовых проектов, которые необходимо распечатать. Кстати перед печатью также сохраняйте файл в PDF, так как принтер может начудить со шрифтами.
















