ЛЕКЦИИ по УФиГС (1001699), страница 8
Текст из файла (страница 8)
Рис. 64 Структурная схема синтезатора частот
Синтезатор частот формирует малошумящий гармонический сигнал на частоте f0=56 МГц, с выходной мощностью 10мВт, нестабильностью частоты < 5
. Источником сигнала гетеродина – является ГУН на транзисторе VT-1, синхронизируемый по частоте, колебаниями высоко стабилизационного ОГ, с частотой 10МГц. При помощи петли ФАПЧ, образуется ФД, с частотой сравнения 1МГц, на МС ДДЗ, с делителями частоты ДЧ – 1, ДЧ – 2. Делитель опорной частоты ДЧ – 1, с коэффициентом делителя М=10, выполняются на МС ДД2; на её вход подается сигнал ОГ. Делитель частоты ДЧ – 2, с коэффициентом деления n=56, собр. на МС ДД4, ДД5, ДД6, которые образуют 2 последовательные делителя частоты: с коэффициентом деления n1=4 на мс ДД4-5 и n2=14 на ДД6. Сигнал на вход ДД4 – подается с выхода усилителя на транзисторе VT2, через усилитель на VT3, обеспечивающий необходимый уровень сигнала на входе ДД4. С выхода ФД, управляющий сигнал, через ФНЧ – подается на варикап VД1, включенный в контур ГУН. В качестве выходного каскада используется эмиттерный повторитель на VT4, с коэффициентами усиления по мощности 3, питание МС осуществляется от источника напряжения U0=5 В, через стабилизатор напряжения на МС ДД7. Питание транзисторов от ИН U0=15 В. В тех случаях, когда частота выходного сигнала синтезатора – не соответствует заданной несущей частоте (например, при отсутствии элементной базы) – её принимают равной некоторой промежуточной частоте: fПЧ=(35,70,135)МГц, осуществляем затем последовательный перенос сигнала ПЧ на несущую частоту, при помощи смесителя, как показано на рис 65:
Рис. 65
Модуляция в синтезаторах частот
Прямая ЧМ в синтезаторе частот – осуществляется путем подачи модулирующего напряжения на ОГ, в синтезаторах частот прямого когерентного синтеза или перестраиваемый генератор косвенного некогерентного синтеза.
Рис. 66 Схема ЧМ синтезатора частот ПКС
Модуляция частот в СЧ ПКС заключается в сопровождении стабильности его частоты, в модулированных СЧ ПКС – используется АПЧ. В схемах частот косвенного некогерентного синтеза – прямая ЧМ, сопровождаемая подачей модулированного напряжения одновременно на ОГ и ПГ, как показано на рисунке 67:
Рис. 67
Что позволяет устранить демодуляцию выходного модулированного сигнала, в области НЧ спектра, возникшие в результате их компенсации, в петле ФАПЧ.
ВЧ модуляторы
ВЧ модуляторы осуществляют косвенно частотную модуляцию выходного сигнала синтезатора частот. По методу формирования радиосигнала – различные линейные и квадратурные ВЧ модуляторы. Функциональная схема линейного модулятора – показана на рисунке 68:
Рис. 68 Обобщенная схема линейного модулятора
Основной элемент модулятор, осуществляет перемножение сигналов, на его входах. ВЧ – на несущей частоте
, или НЧ
.
Преобразователь сигналов представляет собой нелинейный элемент, ВАХ которого описывается нелинейной функцией: I=f(UВХ), где UВХ(t)=UМ(t)+UО(t), и выходное напряжение UВЫХ=I
R – может быть представлена степенным рядом:
Коэффициенты которого
определяются аналитическим выражением функции f(UВХ). Если на входы ПС поступают 2 гармонических сигнала с частотами
и
, то выходной сигнал представляет собой бесконечную сумму гармонических колебаний с комбинационными частотами
, где n, m – любые целые числа. Полосовой фильтр выделяются из этой суммы отдельные составляющие, необходимые для синтеза спектра радиосигнала, в зависимости от степени нелинейности аппроксимирующего полинома, и вида АЧХ фильтра на выходе модулятора – выделяется модулируемое ВЧ колебание.
Примеры трех линейных модуляторов АМ и ЧМ радиосигналов приведены в книге «Радиопередающие устройства» Давыдова. Для квадратичных ВАХ нелинейного элемента и гармоник.
Лекция №13
ВЧ модулятор синтезирует радиосигнал путем формирования входных сигналов:
Пример модулированного колебания с комплексной огибающей:
Преобразуя это уравнение получим:
которое совпадает с уравнением балансно – модулированного сигнала. Спектр этого сигнала и спектр выходного напряжения преобразователя, показаны на рисунке 69, при помощи полосового фильтра с АЧХ 1, модулятор формирует на выходе радиосигнал балансной модуляции.
Рис. 69
Для полосового фильтра с АЧХ – 2 модулятор формирует на выходе ОМ – сигнал (однополосно - модулированный). Обобщено функциональная схема квадратурного модулятора показано на рисунке 70:
Рис. 70
Здесь используются 2 преобразователя сигналов ПС-1, ПС-2, на основе нелинейных элементов с квадратичной функцией ВАХ, выходное напряжения которого
суммируется на выходе сумматора:
, а гармонические сигналы с высокой
и низкой
частотой, подающиеся на вход преобразований со сдвигом фаз
. При этом выходное напряжение преобразователей и сумматора определяется как:
Откуда выходное напряжение сумматора:
который выделяем при помощи полосового фильтра, аналогично линейному модулятору. На выходе квадратурного модулятора формируется балансно – модулированный радиосигнал, аналогично линейному модулятору, с амплитудой в 2 раза большей, что составляет преимущество БМ, а другие преимущества – более чистый спектр выходного напряжения, как следует из выражения
. Таким образом рассмотренная схема линейного и квадратурного балансного модулятора, является основным функциональным элементом для всех видов ВЧ модуляторов, рассмотрим например схему модулятора ОМ сигнала:
Рис. 71
Эта схема обеспечивает высокую стабильность частоты УМ сигнала, при использованию простых и полосовых фильтров, за счет увеличения интервала между боковыми полосами выходного сигнала балансного модулятора: при соотношении несущей частоты балансовых модуляторов:
.
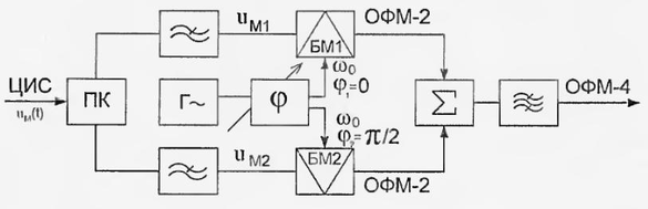
Схема модулятора радиосигнала с ОФМ-Ч представлена на рисунке 72:
Рис. 72
Балансные модуляторы БМ1, БМ2 формируют на выходе 2 ОФМ-2 сигнала, на частоте
, со сдвигом фаз на
/2, которые складываются в сумматоре, образуя выходное ОФМ-Ч сигнал, в соответствии с векторной диаграммой, см. рисунок.
Лекция № 14
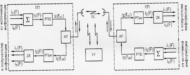
Приемно – передающие устройства многоканальных линий связи
Большинство современных линий связи (ЛС) являются широкодиапазонными, многоканальными, дуплексными. Это значит что передача и прием информации осуществляется в ЛС двух противоположных направлениях и на каждом конце ЛС имеется и передатчик (ПРД) и приемник (ПРМ), которые конструктивно объединяются в 1 блок «приемо – передатчик» (ПП), работающий в широком диапазоне частот:
каждая из которых используется для передачи группового сигнала от нескольких источников информации.
Рис. 73 Схема многоканальной дуплексной линии связи
Разделение принимаемых и передаваемых сигналов осуществляется антенным переключателем АП по частоте, если частота передачи канала не равна частоте приема, т.е.
Выбор рабочих частот каналов и синхронное переключение антенного переключателя (АП) осуществляется при помощи управляющих сигналов, формируемых по сигналу запроса от получателя информации в специальном блоке устройства управления (УУ), которое представляет собой ЭВМ или процессор, расположенные часто в удалении от приемопередатчика в центре управления и для связи с которым организуется отдельно приемо – передающий канал. Рассмотрим в качестве примера схемы приемо передатчиков показанные на следующих рисунках 74.
Рис. 74 Интегральный возбудитель ОМ и ЧМ радиосигнала
Возбудитель формирует ОМ телефонные и ЧМ телеграфные сигналы в диапазоне частот 1.5 – 30 МГц с шагом перестройки 100 Гц и выходной мощностью Pвых = 100 мВт. Источником колебаний является опорный кварцевый генератор 20 с f=5 МГц. Синтезатор частот формирует сетку частот с шагом 100 Гц в диапазоне 70.1 – 98.6 МГц, частоту гетеродина 70 МГц для смесителя 13 и поднесущие частоты 1.4 МГц и 2.8 МГц для канала формирователя соответственно. Входные телефонные сигналы ТФ1 и ТФ2 через усилители 1,2,3,4 подводятся ко входам двух балансных модуляторов 5, 6. Модуляция осуществляется на поднесущей частоте 1,4 МГц. Кварцевые фильтры 7 и 8 выделяют верхнюю канале в ТФ1 и нижнюю в канале ТФ2 боковую полосу. Эти полосы суммируются в сумматоре 9 и 10 с поднесущим колебанием fП=1,4 МГц, уровень которого регулируется аттенюатором 11 в соответствии с регулируемым сигналом управления (СУ). Сформированный групповой сигнал с выхода 10 переносится в диапазон рабочих частот при помощи разностных смесителей 13,15 и фильтра 14, усиливается до необходимого уровня усилителем 16 и через фильтр 17 подается на выход.
Рис. 75
При передаче телеграфных сигналов вход телефонного сигнала ТФ1 отключается, а ТЛГ сигналы через манипулятор 18 поступают на генератор 19, управляемый напряжением (сигналом управления) по программе от микропроцессора. Частота колебаний на выходе генератора 19 дискретно изменяется принимая значения F1, F2 в соответствии с поступающим на него модулирующим ТЛГ сигналом. Тональные частоты F1, F2 формируются путем деления поднесущей частоты 2,8 МГц, подаваемой от синтезатора частот, и поступают на вход балансного модулятора 5, на выходе которого формируется частотно – манипулированный сигнал (fП+F1)( fП+F2), который затем переносится на рабочую несущую частоту аналогично групповому телефонному сигналу. Стабилизация уровня выходного сигнала осуществляется системой АРУ, образованной детектором 22, компаратором 21 и регулируемым аттенюатором 11.















