ЛЕКЦИИ по УФиГС (1001699), страница 4
Текст из файла (страница 4)
Из теории Бесселевых функций:
При этом энергетическая эффективность сигнала определяется:
Зависимость J от M:
рис. 26
J0(M)<1 – всегда. J02<<1. При малых индексах модуляции
Таким образом, сигналы с угловой модуляцией обладают максимальной энергетической эффективностью и, поэтому находят наибольшее практическое применение в современных РЭС.
Заметим, что для некоторых значений индексов модуляции
.
рис. 27
АМ не эффективна с энергетической точки зрения.
Для сигналов с АМ используют ее разновидности:
-
Сигналы с балансной амплитудной модуляцией (БАМ);
-
Однополосно-модулированные сигналы (ОМ).
БАМ и ОМ – формируются путем фильтрации АМ колебаний, подавляя колебания на несущей частоте (для БАМ) и подавляя одну боковую полосу (для ОМ).
Спектры этих сигналов:
рис. 28
Однополосно-модулированные РС (с одной боковой полосой)
ОМ называется РС, полученный выделением одной боковой полосы (верхней или нижней) из спектра АМ РС, при подавлении несущей и другой боковой полосы, что реализуется, например, путем фильтрации АМ РС специальным полосовым фильтром, как показано на рис. 29.
рис. 29
При этом, по радиоканалу распространяются колебания одной боковой полосы, амплитуда которых:
, постоянна для каждой частотной составляющей этой полосы, поэтому для воcстановления передаваемого информационного сигнала UF(t) на выходе детектора необходимо восстановить колебания несущей частоты U0 на выходе приемника (например, с использованием местного гетеродина). При этом результирующее напряжение на выходе детектора определяется векторной суммой:
рис. 30
,
- напряжение на выходе детектора.
Таким образом, восстановленный ИС точно совпадает с передаваемым ИС. Однако, это справедливо при точном равенстве частоте гетеродина ω0, несущей частоте сигнала, что предъявляет высокие требования к стабильности частоты гетеродина. ОМ РС обладает существенным преимуществом по сравнению с АМ, важнейшим из которых являются узкая полоса частот и энергетический выигрыш, который может составлять примерно 16 раз.
Импульсные РС
Временная форма и спектр импульсного модулирующего напряжения и АИМ РС показаны в таблице 1, откуда следует, что амплитуда модулирующего напряжения равна амплитуде несущих колебаний или амплитудному РС. UM=A0.
Представим функцию UM(t) преобразованием Фурье:
где
При этом, уравнение АМ колебания представляется:
, где
– огибающая РС.
Тогда получим уравнение АИМ РС:
Это уравнение отличается от аналогового АМ РС выражением для амплитудного несущего колебания:
Откуда следует, что для
,
следовательно энергетическая эффективность значительно увеличивается, стремясь к 1. То же справедливо и для других видов импульсных РС. Таким образом, импульсный РС значительно больше, чем аналоговые по энергетической эффективности, что обуславливает их преимущественное практическое использование в РЭС. Наиболее практическое применение находят цифровые импульсные РС с АМ и ФМ. При этом, как следует из главы «цифровые сигналы», существенное применение имеет сигналы с биполярным цифровым кодом.
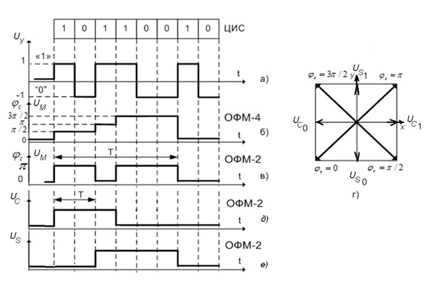
ОФМ-РС (с относительной фазовой модуляцией)
Для простой ФМ цифрового ИС фаза несущего колебания φ принимается равной строго определенному значению, в соответствии с уровнем управляющего, модулирующего напряжения Uу. Таким образом, φс=(0;π), что соответственно равно 0 и 1. При этом, для составления ЦИС в приемнике должно быть заранее установлено (до приема РС) абсолютное значение фазы несущего колебания, что значительно усложняет структуру радиоканала. При относительной ФМ ЦИС фаза несущего колебания в каждом тактовом периоде φсопределяется относительно ее значения в предыдущем тактовом периоде, то есть равна φс= Δφ, где Δφ – изменение фазы, скачок на границе двух последовательных периодов. При этом принимается Δφ =(0;π) для «0» и «1» соответствующего ИС.
рис. 31
– спектр ОФМ-2.
Уравнение сигнала не содержит колебания на несущей частоте.
спектр АМ содержит постоянную составляющую.
Для ОФМ-2 – PH=0, PΣ=2Pбок, ΠОФМ-2 =ΠАИМ
Следовательно энергетическая эффективность увеличивается по сравнению с АМ сигналом. Полоса сигнала определяет его информационную емкость. Таким образом, РС ОФМ-2 при той же полосе, обладает большей помехоустойчивостью и энергетической эффективностью по сравнению с АМ. Для многоуровневой ОФМ полоса и информационная емкость увеличивается в N раз. Для многоуровневой ОФМ-N фаза может принимать N фиксированных значений. Например, для ОФМ-4 Δφ может принимать значения 0, π/4, π/2, π и при этом для того же цифрового сигнала модуль напряжения и соответствующее значение фазы.
ОФМ-4 обладает большей полосой чем ОФМ-2 в 2 раза, следовательно информационная емкость в 2 раза больше. Но большая полоса тоже плохо. Как следует из векторной диаграммы сигнал ОФМ-4может быть представлен суммой двух ортогональных сигналов ОФМ-2 (Uc и US). Управляющее напряжения для этих колебаний показано на двух последних графиках на рисунке 32. При этом, информационная емкость сигнала ОФМ-4 реализуется в полосе ОФМ-2, то есть в полосе, которая в 2 раза меньше. В общем случае сигнал ОФМ-N позволяет в определенной полосе частот передавать сигнал с увеличенной в N/2 раз информационной емкостью. Уровень N ОФМ-N-ой модуляции ограничен техническими возможностями управляемых фазовращателей.
Часть 2. Формирование информационного сигнала
Обобщенная функциональная схема и принципы действия устройств формирования сигнала
Формирование информационного сигнала – это процесс преобразования первичного ИС aF(t) от датчика информации к заданному виду ИС UF(t). В зависимости от вида информационного сигнала, обобщенная функциональная схема устройства формирования может быть представлена как показано на рисунке.
ИП – импульсный преобразователь.
Формирование импульсных сигналов осуществляется путем дискретизации по времени, квантования по уровню и кодирования непрерывного сигнала датчика информации.
Дискретизация сигнала по времени заключается в замене непрерывной функции a(t) последовательностью ее значений – отсчетов в определенные моменты времени ti, отстоящих друг от друга на равные интервалы времени
, называемые периодической дискретизацией TD, путем АМ, заданной импульсной последовательности с периодом повторения TD, первичным ИС a(t).
Рис. 33.
Рис. 34.
Квантование по уровню
Операция квантования заключается в замене непрерывной шкалы мгновенных значений огибающей, дискретной шкалой разрешенных уровней. Вес – динамический диапазон непрерывной функции a(t), разбиваются на дискретные уровни. В каждый определенный момент времени мгновенное значение сигнала Akзаменяется ближайшим дискретным уровнем. Таким образом, аналоговый АИМ сигнал преобразуется в квантованный по уровню сигнал. Каждый уровень сигнала заменяется выбранным кодом, тогда схема преобразования сигнала, показана на рис. 35 а. Обобщенная функциональная схема устройства формирования импульсного сигнала может быть представлена в виде рис. 35 б.
Рис.35.
ГИД – генератор импульсной дискретизации;
ГТИ – генератор тактовых импульсов;
ПЗУ – постоянное запоминающее устройство.
Процесс формирования сигнала поясняется следующими рисунками.
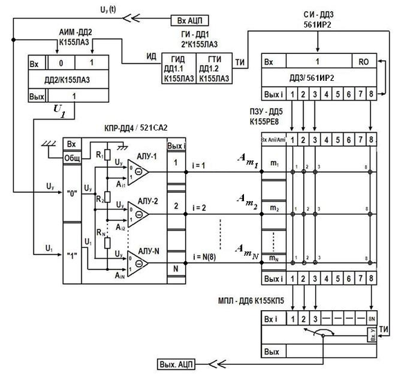
Упрощенная обобщенная функциональная схема АЦП или кодера:
Рис. 36
АЛУ – арифметическое логарифмическое устройство.
Процессы устройства формирования импульсного сигнала поясняется диаграммами:
Рис. 37
Рис.38.
Лекция № 8
АИ модулятор формирует на выходе АИМ сигнал с непрерывной огибающей Ak(t). Устройство квантования осуществляет замену значений непрерывной огибающей Ak(t) дискретными значениями разрешенных уровней Aik(t). Кодер осуществляет замену каждого k-ого уровня квантования Aik(t) кодовой последовательностью импульсов соответствующего кода. Таким образом, в каждом периоде дискретизации ТД на выходе кодера формируется кодовая группа импульсов, длительностью τД, кодирующая уровень сигнала в данный момент времени. См. рис 39. Генератор импульсов (ГИ ДД1), собранный на двух ИМС (2xК155ЛА3), вырабатывает две последовательности импульсов – дискретизирующих (ИД) с периодом повторения ТД и тактовых (ТИ) с периодом ТТ, синхронизированных таким образом, что ТД = (N+1) ТТ, где N= ТД / ТТ - число уровней квантования, как показано на рис. 38, где N=8. Дискретизация аналогового сигнала команды Uy(t) осуществляется при помощи АИМ – модулятора, выполненного на ИМС ДД2, представляющей собой логический элемент (ЛЭ) “И”, на один из входов один из входов которого “0” (“низкого уровня”) подается сигнал Uy(t), на другой вход – “1” (“высокого уровня”) – импульсы дискретизации от генератора импульсов. Сигнал на выходе модулятора, соответствующий, уровню логической “1” ИМС, появляется при одновременном присутствии сигналов на обоих его входах [ДД2], как показано на рис.39.
Рис. 39.
Таким образом, на выходе АИМ модулятора, формируется последовательность импульсов с длительностью τД, периодом ТД, и амплитудой U”1” равной уровню “1” ИМС ДД2, которая подается на вход “1” компаратора ДД4. На другой вход ДД4 – “0” подается напряжение управляющей команды Uy(t). Компаратор ДД4 содержит N арифметических логических устройств (АЛУ), вычисляющих разность уровней напряжений, поступающих на его входы. Каждый АЛУ имеет два входа и один “нулевой” выход. На один из входов АЛУ – “0” подается Uy(t), на другой - “1” – напряжение Ai (i=1,2,3... N) с одного из выходов N-элементного делителя напряжения на сопротивлениях R1, R2…RN, подключенного ко входу “1” ДД4. При равенстве напряжений на входах i-того АЛУ |Uy – Ai| = 0 на его i-том “нулевом” выходе появляется сигнал “1”. Таким образом в течение каждого импульса дискретизации τд на одном из выходов компаратора – ДД4 появляется напряжение уровня «1». Выходы компаратора – ДД4 соединены с адресными входами Ami горизонтальных строк ПЗУ – ДД5, в каждой из которых записан цифровой код i-того уровня квантования Ai. Каждая i-тая горизонтальная строка, содержит N элементарных ячеек памяти (ЯП), в которых записаны «1» и «0» цифрового кода, кодирующего уровня Ai. Единицы и нули, записанные в каждой ячейке i-той горизонтальной строки воспроизводятся на информационном выходе этой ячейки И2i (i=1,2, … N) при одновременном появлении импульса “1” на адресных входах этой ячейки Ami, Ani. Адресные входы горизонтальных строк Ami соединены с i-ыми выходами компаратора ДД4; адресные входы вертикальных строк Ani – c выходами счетчика импульсов СИ ДД3, информационные выходы ПЗУ ДД5 – с информационными входами мультиплексора МПЛ ДД6. Мультиплексор, представляет собой управляемый многопозиционный переключатель, выход которого подключается последовательно к одному из его входов при поступлении импульса “1” на управляющий вход. Таким образом, в течение одного ИД – τд импульс “1” появляется на адресном входе Ami какой – либо i-той горизонтальной строки и затем последовательно, через период ТИ – Tт, на адресных входах Ani отдельных ячеек этой строки, как показано на рис. 36, информационных выходах этих ячеек И2i , входах МПЛ ДД6, и на выходе АЦП. При этом на выходе АЦП последовательно воспроизводится “единицы” и “нули” ЦИС, кодирующего уровень Ai, записанного в i-той горизонтальной строке ПЗУ- ДД5 и соответствующего уровню передаваемой команды Uy. Каждый N-ый тактовый импульс подается с N-ого выхода счетчика импульсов ДД5 на его вход установки нуля R0, обнуляя счетчик, и через период Tт появляется следующий импульс дискретизации, и процесс повторяется в течение следующего импульса дискретизации. Для рассмотренной схемы N=8, и следовательно ПЗУ содержит 8 горизонтальных строк и 8 ячеек памяти в каждой строке и имеет объем памяти 64 бит, что позволяет использовать ее для кодирования 8-ми разрядным цифровым кодом аналоговый сигнал с шириной спектра Fm при настройке ИМС ГИ на ТТ ≈ 5*10-2 Fm-1 , τд = 8 ТТ, путём выбора номиналов сопротивлений и конденсаторов, подключаемых к выводам этой ИМС.















